Избранное 0 Корзина 0 Личный кабинет
logo
Каталог
Каталог
  • Справочник
    • Грузовые автомобили
    • Автобусы
    • Сельхозтехника
    • Спецтехника
    • Двигатели
  • Доставка
  • Оплата
  • О компании
    • Реквизиты
    • Магазины
    • Оплата
    • Доставка
    • Лицензии и сертификаты
    • Новости
    • Вакансии
  • Контакты
Отправить заявку
Личный кабинет
8 (800) 700-35-68
sales@din76.ru
Избранное 0 Корзина 0
8 (800) 700-35-68
Оптовый прайс-лист
Каталог
  • Двигатели
  • Запчасти WEICHAI
  • Запчасти ЯМЗ, ТМЗ (V-образные)
  • Запчасти ЯМЗ-534, ЯМЗ-536
  • Запчасти ЯМЗ-650, ЯМЗ-651, DCi-11
  • Топливная аппаратура
  • Запчасти УРАЛ
  • Запчасти МАЗ
  • Запчасти КамАЗ
  • Запчасти ММЗ
  • Ремни
Автокаталог (справочник)
  • Доставка
  • Оплата
  • О компании
  • Контакты
8 (800) 700-35-68
Написать в Whatsapp
sales@din76.ru
Динамика 76
Меню  
  • Каталог
    • Двигатели  
      • Двигатели ТМЗ  
        • Двигатели ТМЗ для автомобилей
        • Двигатели ТМЗ для тракторов
        • Специальные двигатели ТМЗ
        • Промышленные двигатели ТМЗ
      • Двигатели ЯМЗ  
        • ЯМЗ 236
        • ЯМЗ 238
        • ЯМЗ 240
        • ЯМЗ 751
        • ЯМЗ 840
        • ЯМЗ 850
        • ЯМЗ 656
        • ЯМЗ 658
        • ЯМЗ 534
        • ЯМЗ 536
        • ЯМЗ 650
        • Двигатели ЯМЗ для электростанций
      • Двигатели КАМАЗ
      • Двигатели ММЗ
      • Двигатели индивидуальной сборки
      • Комплекты переоборудования
    • Запчасти WEICHAI  
      • Основные запчасти двигателя  
        • Клапаны и толкатели
        • Шатуны
        • Вал коленчатый и маховик
        • Вал распределительный
        • Цилиндро-поршневая группа
      • Система питания  
        • Форсунки
        • Турбокомпрессор
      • Система смазки  
        • Насос масляный
      • Головка блока
      • Ремкомплекты
      • Система охлаждения  
        • Насос водяной
        • Муфта вязкостная и крыльчатка
      • Фильтры
      • Электрооборудование  
        • Генератор
        • Стартер
    • Запчасти ЯМЗ, ТМЗ (V-образные)  
      • Основные запчасти двигателя  
        • Блок двигателя и комплектующие
        • Валы распределительные и клапаны
        • Головка блока и комплектующие
        • Цилиндро-поршневая группа
        • Маховики и комплектующие
        • Валы коленчатые и комплектующие
        • Шатуны и комплектующие
      • Система питания  
        • Коллекторы и патрубки
        • Топливные трубопроводы
        • Турбокомпрессор
        • Топливные фильтры
      • Электрооборудование двигателя
      • Система охлаждения  
        • Вязкостные муфты и крыльчатки
        • Приводы вентилятора
        • Водяные насосы
        • Водяные трубы и термостаты
      • Коробки переключения передач  
        • 8 Ступенчатые КПП
        • 5 Ступенчатые КПП
        • 9 Ступенчатые КПП
        • Запасные части КПП ЯМЗ, ТМЗ
      • Система смазки  
        • Теплообменник и комплектующие
        • Масляные насосы
        • Фильтры масляные (ФГОМ, ФЦОМ)
      • Сцепление  
        • Запасные части механизма сцепления
        • Муфты (подшипники выжимные)
        • Корзины (диски нажимные)
        • Диски ведомые
      • Прочие запчасти двигателя  
        • Ремкомплекты
        • Привод агрегатов
        • Натяжные устройства
        • Трубки
    • Запчасти ЯМЗ-534, ЯМЗ-536  
      • Основные запчасти двигателя  
        • Цилиндро-поршневая группа
        • Головка блока цилиндров и комплектующие
        • Блок цилиндров и комплектующие
        • Вал коленчатый и маховик
        • Вал распределительный
        • Клапаны и толкатели
        • ГУР (Гидроусилитель руля)
        • Система рециркуляции отработавших газов
        • Выпускной коллектор
      • Система питания  
        • Коллекторы и патрубки
        • Топливные фильтры
        • Турбокомпрессор
        • Топливные трубопроводы
      • Система смазки  
        • Масляный картер поддон
        • Масляный насос
        • Теплообменник /Водо-масляный радиатор
        • Фильтры масляные (ФГОМ, ФЦОМ)
      • Пневмокомпрессор и натяжное
      • Система охлаждения  
        • Водяной насос
        • Водяные трубы и патрубки
        • Муфты вязкостные, приводы, крыльчатки
      • Ремкомплекты
      • Сцепление
      • Электрооборудование
    • Запчасти ЯМЗ-650, ЯМЗ-651, DCi-11  
      • Основные запчасти двигателя  
        • Цилиндро-поршневая группа
        • Головка блока цилиндров и комплектующие
        • Блок цилиндров и комплектующие
        • Вал коленчатый и маховик
        • Выпускной коллектор
        • Вал распределительный
        • Клапаны и толкатели
        • ГУР (Гидроусилитель руля)
        • Система рециркуляции отработавших газов
      • Система питания  
        • Коллекторы и патрубки
        • Топливные трубопроводы
        • Топливные фильтры
        • Турбокомпрессор
      • Система смазки  
        • Масляный картер / поддон
        • Масляный насос
        • Теплообменник / Водо-масляный радиатор
        • Фильтры масляные (ФГОМ, ФЦОМ)
      • Система охлаждения  
        • Водяной насос
        • Водяные трубы и патрубки
        • Муфты вязкостные, приводы, крыльчатки
      • Ремкомплекты
      • Пневмокомпрессор и натяжное
      • Электрооборудование
      • Сцепление
    • Топливная аппаратура  
      • ЯЗДА  
        • Распылители
        • ТНВД
        • Форсунки
        • Топливный насос низкого давления
        • Пары плунжерные
        • Муфта опережения впрыска топлива
        • Запчасти и комплектующие ТНВД
      • НЗТА
      • АЗПИ  
        • Распылители
        • Форсунки
      • BOSCH
    • Запчасти УРАЛ  
      • Трансмиссия  
        • Коробка раздаточная
        • Передача карданная
        • Мост задний
        • Мост передний (ведущий)
        • Мост средний (промежуточный)
      • Кузов  
        • Дверь кабины
        • Капот, крылья, облицовка радиатора
        • Окно ветровое и заднее
        • Отопление и вентиляция кабины
        • Кабина
      • Механизмы управления  
        • Управление рулевое
        • Тормоза
      • Дополнительное оборудование  
        • Отбор мощности
        • Устройство седельное
      • Электрооборудование
      • Ходовая часть  
        • Колеса и ступицы
        • Ось передняя
        • Подвеска автомобиля
        • Рама
    • Запчасти МАЗ  
      • Трансмиссия  
        • Мост задний
        • Мост передний (ведущий)
        • Передача карданная
        • Мост средний (промежуточный)
      • Кузов  
        • Кабина
        • Дверь кабины
        • Детали основания кабины
        • Окно ветровое и заднее
        • Платформа
      • Механизмы управления  
        • Тормоза
        • Управление рулевое
      • Ходовая часть  
        • Колеса и ступицы
        • Ось передняя
        • Подвеска автомобиля
        • Рама
    • Запчасти КамАЗ  
      • Кузов  
        • Кабина
        • Капот, крылья, облицовка радиатора
        • Дверь кабины
        • Платформа
        • Окно ветровое и заднее
        • Устройство подъемное и опрокидывающее
        • Сиденье
        • Крыша кабины (крыша кузова)
        • Отопление и вентиляция кабины
      • Трансмиссия  
        • Коробка передач
        • Коробка раздаточная
        • Мост задний
        • Сцепление
        • Мост средний (промежуточный)
        • Передача карданная
        • Мост передний (ведущий)
      • Двигатель  
        • Основные запчасти двигателя
        • Система охлаждения
        • Система питания
        • Система смазки
      • Дополнительное оборудование  
        • Отбор мощности
        • Устройство седельное
      • Ходовая часть  
        • Подвеска автомобиля
        • Рама
        • Колеса и ступицы
        • Ось передняя
      • Механизмы управления  
        • Тормоза
        • Управление рулевое
      • Электрооборудование
    • Запчасти ММЗ
    • Ремни
  • Справочник
    • Грузовые автомобили
    • Автобусы
    • Сельхозтехника
    • Спецтехника
    • Двигатели
  • Как купить
    • Условия оплаты
    • Условия доставки
    • Гарантия на товар
    • Пункты выдачи
  • Услуги
    • Капитальный ремонт двигателей ЯМЗ
  • Акции
  • Статьи
  • Контакты
  • Компания
    • Реквизиты
    • Магазины
    • Оплата
    • Доставка
    • Лицензии и сертификаты
    • Новости
    • Вакансии
Избранное 0 Корзина 0
8-800-700-35-68

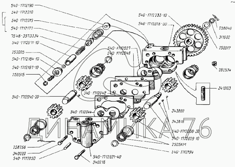
Насос трехступенчатой гидромеханической передачи на БелАЗ-75401

Справочник
Главная
-
Автокаталог
-
Грузовые автомобили и прицепы
-
БелАЗ
-
БелАЗ-75401
Справочный каталог

Насос трехступенчатой гидромеханической передачи — БелАЗ-75401:

250515 2505КМ 252005 252017 258040 258258 262534 311602 340020 340216 341003 343800 343816 540-1712016-50 540-1712019 540-1712021-40 540-1712027 540-1712029-10 540-1712038-30 540-1712040-20 540-1712042 540-1712044 540-1712046 540-1712050 540-1712071-10 540-1712164-10 540-1712167-10 540-1712177 540-1712190 540-1712194 540-1712210 540-1712233-10 7548-3573334
в наличии
нет в наличии
масштаб

В наличии
Нет в наличии

Перечень комплектующих от Насос трехступенчатой гидромеханической передачи на БелАЗ-75401

Схемы запчастей предназначены для справочных целей! Мы продаем не все запчасти от Насос трехступенчатой гидромеханической передачи на БелАЗ-75401, представленные в этом списке.
Наличие на складах по деталям с ценой смотрите в карточке товара.
Артикул: 250515
в наличии
Гайка
Количество на схеме: 33
Информация
Гайка
Количество
33
Вес;ТНВД
0,016;;
Покрытие
без покрытия
Болт М12х1.25х200 рессоры центровой МАЗ с гайкой
Артикул: 250515
Болт М12х1.25х200 рессоры центровой МАЗ с гайкой
Код для заказа: 00022600
Цена: 85 ₽/шт.
Под заказ
Болт М12х1.25х200 рессоры центровой МАЗ с гайкой
Артикул: 250515
Код для заказа: 00022600
Болт М12х1.25х200 рессоры центровой МАЗ с гайкой
Цена: 85 ₽/шт.
Под заказ
Артикул: 2505КМ
нет в наличии
Подшипник
Количество на схеме: 4
Информация
Подшипник
Количество
4
Вес;ТНВД
0,26;848280000;
Артикул: 252005
нет в наличии
Шайба
Количество на схеме: 69
Информация
Шайба
Количество
69
Вес;ТНВД
0,002;870899990;
Покрытие
без покрытия
Артикул: 252017
нет в наличии
Шайба
Количество на схеме: 2
Информация
Шайба
Количество
2
Вес;ТНВД
0,012;;
Покрытие
без покрытия
Артикул: 258040
нет в наличии
Шплинт
Количество на схеме: 20
Информация
Шплинт
Количество
20
Вес;ТНВД
0;;
Покрытие
без покрытия
Артикул: 258258
нет в наличии
Шплинт
Количество на схеме: 3
Информация
Шплинт
Количество
3
Вес;ТНВД
0,0027;;
Покрытие
без покрытия
Артикул: 262534
нет в наличии
Пробка
Количество на схеме: 1
Информация
Пробка
Количество
1
Вес;ТНВД
0,05;;
Покрытие
без покрытия
Артикул: 311602
нет в наличии
Гайка
Количество на схеме: 1
Информация
Гайка
Количество
1
Вес;ТНВД
0,02;;
Покрытие
без покрытия
Артикул: 340020
нет в наличии
Болт
Количество на схеме: 4
Информация
Болт
Количество
4
Вес;ТНВД
0;;
Покрытие
без покрытия
Артикул: 340216
нет в наличии
Болт
Количество на схеме: 2
Информация
Болт
Количество
2
Вес;ТНВД
0,052;;
Покрытие
без покрытия
Артикул: 341003
нет в наличии
Шпилька
Количество на схеме: 4
Информация
Шпилька
Количество
4
Вес;ТНВД
0,023;;
Покрытие
без покрытия
Артикул: 343800
нет в наличии
Шпонка
Количество на схеме: 9
Информация
Шпонка
Количество
9
Вес;ТНВД
0,005;;
Покрытие
без покрытия
Артикул: 343816
нет в наличии
Шпонка
Количество на схеме: 6
Информация
Шпонка
Количество
6
Вес;ТНВД
0,01;;
Покрытие
без покрытия
Артикул: 540-1712016-50
нет в наличии
Корпус
Количество на схеме: 1
Информация
Корпус
Количество
1
Вес;ТНВД
6,08;;
Модель
540
Группа
Коробка передач
Подгруппа
1712
Порядковый номер детали
016
Дополнительно
Не взаимозаменяема с деталью, выпущенной ранее под этим же номером
Артикул: 540-1712019
нет в наличии
Гильза
Количество на схеме: 1
Информация
Гильза
Количество
1
Вес;ТНВД
0,104;;
Модель
540
Группа
Коробка передач
Подгруппа
1712
Порядковый номер детали
019
Артикул: 540-1712021-40
нет в наличии
Корпус
Количество на схеме: 1
Информация
Корпус
Количество
1
Вес;ТНВД
6,35;;
Модель
540
Группа
Коробка передач
Подгруппа
1712
Порядковый номер детали
021
Дополнительно
Не взаимозаменяема с деталью, выпущенной ранее под этим же номером
Артикул: 540-1712027
нет в наличии
Прокладка
Количество на схеме: 2
Информация
Прокладка
Количество
2
Вес;ТНВД
0,146;870840900;
Модель
540
Группа
Коробка передач
Подгруппа
1712
Порядковый номер детали
027
Артикул: 540-1712029-10
нет в наличии
Шестерня
Количество на схеме: 4
Информация
Шестерня
Количество
4
Вес;ТНВД
0,52;;
Модель
540
Группа
Коробка передач
Подгруппа
1712
Порядковый номер детали
029
Дополнительно
Не взаимозаменяема с деталью, выпущенной ранее под этим же номером
Артикул: 540-1712038-30
нет в наличии
Валик ведущий
Количество на схеме: 1
Информация
Валик ведущий
Количество
1
Вес;ТНВД
0,74;870840900;
Модель
540
Группа
Коробка передач
Подгруппа
1712
Порядковый номер детали
038
Дополнительно
Не взаимозаменяема с деталью, выпущенной ранее под этим же номером
Артикул: 540-1712040-20
нет в наличии
Валик ведомый
Количество на схеме: 1
Информация
Валик ведомый
Количество
1
Вес;ТНВД
0,66;870840900;
Модель
540
Группа
Коробка передач
Подгруппа
1712
Порядковый номер детали
040
Дополнительно
Не взаимозаменяема с деталью, выпущенной ранее под этим же номером
Артикул: 540-1712042
нет в наличии
Пластина
Количество на схеме: 1
Информация
Пластина
Количество
1
Вес;ТНВД
0,5;870840900;
Модель
540
Группа
Коробка передач
Подгруппа
1712
Порядковый номер детали
042
Артикул: 540-1712044
нет в наличии
Прокладка
Количество на схеме: 7
Информация
Прокладка
Количество
7
Вес;ТНВД
0,0001;401699900;
Модель
540
Группа
Коробка передач
Подгруппа
1712
Порядковый номер детали
044
Артикул: 540-1712046
нет в наличии
Прокладка
Количество на схеме: 10
Информация
Прокладка
Количество
10
Вес;ТНВД
0;;
Модель
540
Группа
Коробка передач
Подгруппа
1712
Порядковый номер детали
046
Артикул: 540-1712050
нет в наличии
Штифт
Количество на схеме: 2
Информация
Штифт
Количество
2
Вес;ТНВД
0,05;;
Модель
540
Группа
Коробка передач
Подгруппа
1712
Порядковый номер детали
050
Артикул: 540-1712071-10
нет в наличии
Втулка
Количество на схеме: 1
Информация
Втулка
Количество
1
Вес;ТНВД
0,045;;
Модель
540
Группа
Коробка передач
Подгруппа
1712
Порядковый номер детали
071
Дополнительно
Не взаимозаменяема с деталью, выпущенной ранее под этим же номером
Артикул: 540-1712164-10
нет в наличии
Крышка
Количество на схеме: 1
Информация
Крышка
Количество
1
Вес;ТНВД
0,12;;
Модель
540
Группа
Коробка передач
Подгруппа
1712
Порядковый номер детали
164
Дополнительно
Не взаимозаменяема с деталью, выпущенной ранее под этим же номером
Артикул: 540-1712167-10
нет в наличии
Винт
Количество на схеме: 1
Информация
Винт
Количество
1
Вес;ТНВД
0,035;;
Модель
540
Группа
Коробка передач
Подгруппа
1712
Порядковый номер детали
167
Дополнительно
Не взаимозаменяема с деталью, выпущенной ранее под этим же номером
Артикул: 540-1712177
нет в наличии
Золотник
Количество на схеме: 1
Информация
Золотник
Количество
1
Вес;ТНВД
0,06;;
Модель
540
Группа
Коробка передач
Подгруппа
1712
Порядковый номер детали
177
Артикул: 540-1712190
нет в наличии
Крышка
Количество на схеме: 1
Информация
Крышка
Количество
1
Вес;ТНВД
0,032;;
Модель
540
Группа
Коробка передач
Подгруппа
1712
Порядковый номер детали
190
Артикул: 540-1712194
нет в наличии
Кольцо
Количество на схеме: 3
Информация
Кольцо
Количество
3
Вес;ТНВД
0,0027;401693900;
Модель
540
Группа
Коробка передач
Подгруппа
1712
Порядковый номер детали
194
Артикул: 540-1712210
нет в наличии
Золотник и гильза (комплект)
Количество на схеме: 1
Информация
Золотник и гильза (комплект)
Количество
1
Вес;ТНВД
0,35;870840900;
Модель
540
Группа
Коробка передач
Подгруппа
1712
Порядковый номер детали
210
Артикул: 540-1712233-10
нет в наличии
Шестерня
Количество на схеме: 1
Информация
Шестерня
Количество
1
Вес;ТНВД
1,97;;
Модель
540
Группа
Коробка передач
Подгруппа
1712
Порядковый номер детали
233
Дополнительно
Не взаимозаменяема с деталью, выпущенной ранее под этим же номером
Артикул: 7548-3573334
нет в наличии
Пружина
Количество на схеме: 1
Информация
Пружина
Количество
1
Вес;ТНВД
0,03;870839900;
Модель
7548
Группа
Тормоза
Подгруппа
3573
Порядковый номер детали
334
  • Грузовые автомобили
  • Автобусы
  • Сельхозтехника
  • Спецтехника
  • Двигатели
Получить оптовый прайс-лист
Скачать прайс-лист от 08.05.2026 16:00
Специальное предложение от 08.05.2026 17:00
Производители:


  • WEICHAI
  • Автодизель ПАО (ЯМЗ)
  • Тутаевский МЗ
  • ЯЗДА
  • УралАЗ
  • МАЗ
  • АЗПИ
  • BOSCH
  • ММЗ
  • ШААЗ
  • FEDERAL MOGUL
  • ПРАМО
  • Мотордеталь
  • ТАИМ
  • АвтоКрАЗ
  • БЕЛКАРД
  • CZ Strakonice
  • КамАЗ
  • БЗА
  • ЧМЗ
  • BMZ
Новости
Все новости
25 марта 2024
Флагманский седельный тягач «Валдай 45» на выставке «TransRussia»
10 марта 2024
Современные автобусы «CITYMAX 9» и ЛиАЗ-5292 CNG
25 февраля 2024
Серийное производство средних дизельных двигателей повышенной мощности от ЯМЗ
Статьи
Все статьи
Датчики двигателя: за что они отвечают, признаки неисправности и как не прогадать с выбором
Двигатели ЯМЗ-534: история, технические характеристики и области применения
Двигатели ЯМЗ 650: углублённый технический обзор и история
Компания
О компании
Реквизиты
Новости
Политика
Магазины
Информация
Условия оплаты
Условия доставки
Гарантия на товар
Обмен и возврат товара
Помощь
Как оформить заказ
Полезные статьи
Бренды
Пункты выдачи
Оставайтесь на связи
  • Вконтакте
  • YouTube
  • Одноклассники
  • Google Plus
Увидели ошибку?
Выделите, нажав Ctrl + Enter
Наши контакты
8-800-700-35-68
sales@din76.ru
г. Ярославль, Ленинградский пр-т 33, ТЦ "ОМЕГА"
2026 © ООО «Динамика 76» - Все права защищены ООО "Динамика 76"
Предложения на сайте не являются публичной офертой.
На сайте обнаружена ошибка

Текст с ошибкой