Избранное 0 Корзина 0 Личный кабинет
logo
Каталог
Каталог
  • Справочник
    • Грузовые автомобили
    • Автобусы
    • Сельхозтехника
    • Спецтехника
    • Двигатели
  • Доставка
  • Оплата
  • О компании
    • Реквизиты
    • Магазины
    • Оплата
    • Доставка
    • Лицензии и сертификаты
    • Новости
    • Вакансии
  • Контакты
Отправить заявку
Личный кабинет
8 (800) 700-35-68
sales@din76.ru
Избранное 0 Корзина 0
8 (800) 700-35-68
Оптовый прайс-лист
Каталог
  • Двигатели
  • Запчасти WEICHAI
  • Запчасти ЯМЗ, ТМЗ (V-образные)
  • Запчасти ЯМЗ-534, ЯМЗ-536
  • Запчасти ЯМЗ-650, ЯМЗ-651, DCi-11
  • Топливная аппаратура
  • Запчасти УРАЛ
  • Запчасти МАЗ
  • Запчасти КамАЗ
  • Запчасти ММЗ
  • Ремни
Автокаталог (справочник)
  • Доставка
  • Оплата
  • О компании
  • Контакты
8 (800) 700-35-68
Написать в Whatsapp
sales@din76.ru
Динамика 76
Меню  
  • Каталог
    • Двигатели  
      • Двигатели ТМЗ  
        • Двигатели ТМЗ для автомобилей
        • Двигатели ТМЗ для тракторов
        • Специальные двигатели ТМЗ
        • Промышленные двигатели ТМЗ
      • Двигатели ЯМЗ  
        • ЯМЗ 236
        • ЯМЗ 238
        • ЯМЗ 240
        • ЯМЗ 751
        • ЯМЗ 840
        • ЯМЗ 850
        • ЯМЗ 656
        • ЯМЗ 658
        • ЯМЗ 534
        • ЯМЗ 536
        • ЯМЗ 650
        • Двигатели ЯМЗ для электростанций
      • Двигатели КАМАЗ
      • Двигатели ММЗ
      • Двигатели индивидуальной сборки
      • Комплекты переоборудования
    • Запчасти WEICHAI  
      • Основные запчасти двигателя  
        • Клапаны и толкатели
        • Шатуны
        • Вал коленчатый и маховик
        • Вал распределительный
        • Цилиндро-поршневая группа
      • Система питания  
        • Форсунки
        • Турбокомпрессор
      • Система смазки  
        • Насос масляный
      • Головка блока
      • Ремкомплекты
      • Система охлаждения  
        • Насос водяной
        • Муфта вязкостная и крыльчатка
      • Фильтры
      • Электрооборудование  
        • Генератор
        • Стартер
    • Запчасти ЯМЗ, ТМЗ (V-образные)  
      • Основные запчасти двигателя  
        • Блок двигателя и комплектующие
        • Валы распределительные и клапаны
        • Головка блока и комплектующие
        • Цилиндро-поршневая группа
        • Маховики и комплектующие
        • Валы коленчатые и комплектующие
        • Шатуны и комплектующие
      • Система питания  
        • Коллекторы и патрубки
        • Топливные трубопроводы
        • Турбокомпрессор
        • Топливные фильтры
      • Электрооборудование двигателя
      • Система охлаждения  
        • Вязкостные муфты и крыльчатки
        • Приводы вентилятора
        • Водяные насосы
        • Водяные трубы и термостаты
      • Коробки переключения передач  
        • 8 Ступенчатые КПП
        • 5 Ступенчатые КПП
        • 9 Ступенчатые КПП
        • Запасные части КПП ЯМЗ, ТМЗ
      • Система смазки  
        • Теплообменник и комплектующие
        • Масляные насосы
        • Фильтры масляные (ФГОМ, ФЦОМ)
      • Сцепление  
        • Запасные части механизма сцепления
        • Муфты (подшипники выжимные)
        • Корзины (диски нажимные)
        • Диски ведомые
      • Прочие запчасти двигателя  
        • Ремкомплекты
        • Привод агрегатов
        • Натяжные устройства
        • Трубки
    • Запчасти ЯМЗ-534, ЯМЗ-536  
      • Основные запчасти двигателя  
        • Цилиндро-поршневая группа
        • Головка блока цилиндров и комплектующие
        • Блок цилиндров и комплектующие
        • Вал коленчатый и маховик
        • Вал распределительный
        • Клапаны и толкатели
        • ГУР (Гидроусилитель руля)
        • Система рециркуляции отработавших газов
        • Выпускной коллектор
      • Система питания  
        • Коллекторы и патрубки
        • Топливные фильтры
        • Турбокомпрессор
        • Топливные трубопроводы
      • Система смазки  
        • Масляный картер поддон
        • Масляный насос
        • Теплообменник /Водо-масляный радиатор
        • Фильтры масляные (ФГОМ, ФЦОМ)
      • Пневмокомпрессор и натяжное
      • Система охлаждения  
        • Водяной насос
        • Водяные трубы и патрубки
        • Муфты вязкостные, приводы, крыльчатки
      • Ремкомплекты
      • Сцепление
      • Электрооборудование
    • Запчасти ЯМЗ-650, ЯМЗ-651, DCi-11  
      • Основные запчасти двигателя  
        • Цилиндро-поршневая группа
        • Головка блока цилиндров и комплектующие
        • Блок цилиндров и комплектующие
        • Вал коленчатый и маховик
        • Выпускной коллектор
        • Вал распределительный
        • Клапаны и толкатели
        • ГУР (Гидроусилитель руля)
        • Система рециркуляции отработавших газов
      • Система питания  
        • Коллекторы и патрубки
        • Топливные трубопроводы
        • Топливные фильтры
        • Турбокомпрессор
      • Система смазки  
        • Масляный картер / поддон
        • Масляный насос
        • Теплообменник / Водо-масляный радиатор
        • Фильтры масляные (ФГОМ, ФЦОМ)
      • Система охлаждения  
        • Водяной насос
        • Водяные трубы и патрубки
        • Муфты вязкостные, приводы, крыльчатки
      • Ремкомплекты
      • Пневмокомпрессор и натяжное
      • Электрооборудование
      • Сцепление
    • Топливная аппаратура  
      • ЯЗДА  
        • Распылители
        • ТНВД
        • Форсунки
        • Топливный насос низкого давления
        • Пары плунжерные
        • Муфта опережения впрыска топлива
        • Запчасти и комплектующие ТНВД
      • НЗТА
      • АЗПИ  
        • Распылители
        • Форсунки
      • BOSCH
    • Запчасти УРАЛ  
      • Трансмиссия  
        • Коробка раздаточная
        • Передача карданная
        • Мост задний
        • Мост передний (ведущий)
        • Мост средний (промежуточный)
      • Кузов  
        • Дверь кабины
        • Капот, крылья, облицовка радиатора
        • Окно ветровое и заднее
        • Отопление и вентиляция кабины
        • Кабина
      • Механизмы управления  
        • Управление рулевое
        • Тормоза
      • Дополнительное оборудование  
        • Отбор мощности
        • Устройство седельное
      • Электрооборудование
      • Ходовая часть  
        • Колеса и ступицы
        • Ось передняя
        • Подвеска автомобиля
        • Рама
    • Запчасти МАЗ  
      • Трансмиссия  
        • Мост задний
        • Мост передний (ведущий)
        • Передача карданная
        • Мост средний (промежуточный)
      • Кузов  
        • Кабина
        • Дверь кабины
        • Детали основания кабины
        • Окно ветровое и заднее
        • Платформа
      • Механизмы управления  
        • Тормоза
        • Управление рулевое
      • Ходовая часть  
        • Колеса и ступицы
        • Ось передняя
        • Подвеска автомобиля
        • Рама
    • Запчасти КамАЗ  
      • Кузов  
        • Кабина
        • Капот, крылья, облицовка радиатора
        • Дверь кабины
        • Платформа
        • Окно ветровое и заднее
        • Устройство подъемное и опрокидывающее
        • Сиденье
        • Крыша кабины (крыша кузова)
        • Отопление и вентиляция кабины
      • Трансмиссия  
        • Коробка передач
        • Коробка раздаточная
        • Мост задний
        • Сцепление
        • Мост средний (промежуточный)
        • Передача карданная
        • Мост передний (ведущий)
      • Двигатель  
        • Основные запчасти двигателя
        • Система охлаждения
        • Система питания
        • Система смазки
      • Дополнительное оборудование  
        • Отбор мощности
        • Устройство седельное
      • Ходовая часть  
        • Подвеска автомобиля
        • Рама
        • Колеса и ступицы
        • Ось передняя
      • Механизмы управления  
        • Тормоза
        • Управление рулевое
      • Электрооборудование
    • Запчасти ММЗ
    • Ремни
  • Справочник
    • Грузовые автомобили
    • Автобусы
    • Сельхозтехника
    • Спецтехника
    • Двигатели
  • Как купить
    • Условия оплаты
    • Условия доставки
    • Гарантия на товар
    • Пункты выдачи
  • Услуги
    • Капитальный ремонт двигателей ЯМЗ
  • Акции
  • Статьи
  • Контакты
  • Компания
    • Реквизиты
    • Магазины
    • Оплата
    • Доставка
    • Лицензии и сертификаты
    • Новости
    • Вакансии
Избранное 0 Корзина 0
8-800-700-35-68

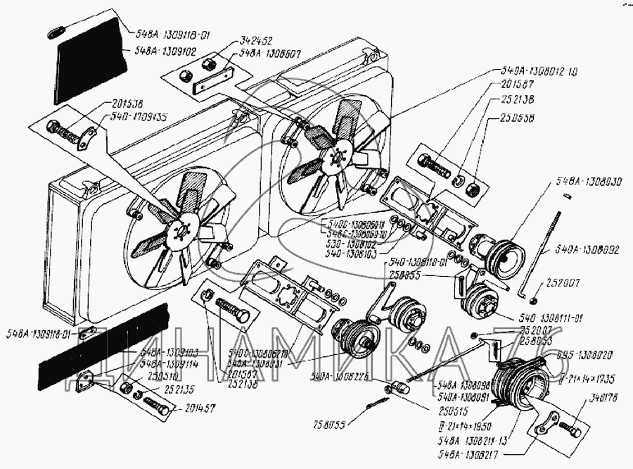
Вентиляторы и их привод на БелАЗ-7523

Справочник
Главная
-
Автокаталог
-
Грузовые автомобили и прицепы
-
БелАЗ
-
БелАЗ-7523
Справочный каталог

Вентиляторы и их привод — БелАЗ-7523:

00368 201457 201538 201587 204-1308020 250510 250515 250558 252135 252138 258053 258055 340178 342452 530-1308102 540-1308103 540-1308110-01 540-1308111-01 540-1709135 540А-1308012-10 540А-1308091 540А-1308092 540А-1308226 540С-1308060-11 540С-1308062-10 548А-1308030 548А-1308031 548А-1308098 548А-1308211-13 548А-1308217 548А-1308607 548А-1309102 548А-1309103 548А-1309114 548А-1309118-01 548С-1308060-10 695-1308020
в наличии
нет в наличии
масштаб

В наличии
Нет в наличии

Перечень комплектующих от Вентиляторы и их привод на БелАЗ-7523

Схемы запчастей предназначены для справочных целей! Мы продаем не все запчасти от Вентиляторы и их привод на БелАЗ-7523, представленные в этом списке.
Наличие на складах по деталям с ценой смотрите в карточке товара.
Артикул: 00368
нет в наличии
Ремень
Количество на схеме: 2
Информация
Ремень
Количество
2
Вес;ТНВД
0;401699900;
Артикул: 201457
нет в наличии
Болт
Количество на схеме: 84
Информация
Болт
Количество
84
Вес;ТНВД
0,011;;
Покрытие
без покрытия
Артикул: 201538
нет в наличии
Болт
Количество на схеме: 49
Информация
Болт
Количество
49
Вес;ТНВД
0,05;;
Покрытие
без покрытия
Артикул: 201587
нет в наличии
Болт
Количество на схеме: 28
Информация
Болт
Количество
28
Вес;ТНВД
0,06;;
Покрытие
без покрытия
Артикул: 204-1308020
нет в наличии
Ремень
Количество на схеме: 2
Информация
Ремень
Количество
2
Вес;ТНВД
0;401699900;
Модель
204
Группа
Система охлаждения
Подгруппа
Вентилятор
Порядковый номер детали
020
Артикул: 250510
нет в наличии
Гайка
Количество на схеме: 317
Информация
Гайка
Количество
317
Вес;ТНВД
0,006;870899990;
Покрытие
без покрытия
Артикул: 250515
в наличии
Гайка
Количество на схеме: 33
Информация
Гайка
Количество
33
Вес;ТНВД
0,016;;
Покрытие
без покрытия
Болт М12х1.25х200 рессоры центровой МАЗ с гайкой
Артикул: 250515
Болт М12х1.25х200 рессоры центровой МАЗ с гайкой
Код для заказа: 00022600
Цена: 85 ₽/шт.
Под заказ
Болт М12х1.25х200 рессоры центровой МАЗ с гайкой
Артикул: 250515
Код для заказа: 00022600
Болт М12х1.25х200 рессоры центровой МАЗ с гайкой
Цена: 85 ₽/шт.
Под заказ
Артикул: 250558
нет в наличии
Гайка
Количество на схеме: 8
Информация
Гайка
Количество
8
Вес;ТНВД
0,025;870899990;
Покрытие
без покрытия
Артикул: 252135
нет в наличии
Шайба
Количество на схеме: 621
Информация
Шайба
Количество
621
Вес;ТНВД
0,001;870899990;
Покрытие
без покрытия
Артикул: 252138
нет в наличии
Шайба
Количество на схеме: 119
Информация
Шайба
Количество
119
Вес;ТНВД
0,001;870899990;
Покрытие
без покрытия
Артикул: 258053
нет в наличии
Шплинт
Количество на схеме: 26
Информация
Шплинт
Количество
26
Вес;ТНВД
0;;
Покрытие
без покрытия
Артикул: 258055
нет в наличии
Шплинт
Количество на схеме: 17
Информация
Шплинт
Количество
17
Вес;ТНВД
0;;
Покрытие
без покрытия
Артикул: 340178
нет в наличии
Болт
Количество на схеме: 6
Информация
Болт
Количество
6
Вес;ТНВД
0;;
Покрытие
без покрытия
Артикул: 342452
нет в наличии
Гайка
Количество на схеме: 6
Информация
Гайка
Количество
6
Вес;ТНВД
0,25;;
Покрытие
без покрытия
Артикул: 530-1308102
нет в наличии
Шайба регулировочная
Количество на схеме: 4
Информация
Шайба регулировочная
Количество
4
Вес;ТНВД
0,003;;
Модель
530
Группа
Система охлаждения
Подгруппа
Вентилятор
Порядковый номер детали
102
Артикул: 540-1308103
нет в наличии
Шайба регулировочная
Количество на схеме: 8
Информация
Шайба регулировочная
Количество
8
Вес;ТНВД
0,007;;
Модель
540
Группа
Система охлаждения
Подгруппа
Вентилятор
Порядковый номер детали
103
Артикул: 540-1308110-01
нет в наличии
Ролик натяжной левый
Количество на схеме: 1
Информация
Ролик натяжной левый
Количество
1
Вес;ТНВД
5,5;870899990;
Модель
540
Группа
Система охлаждения
Подгруппа
Вентилятор
Порядковый номер детали
110
Артикул: 540-1308111-01
нет в наличии
Ролик натяжной правый
Количество на схеме: 1
Информация
Ролик натяжной правый
Количество
1
Вес;ТНВД
5,5;870899990;
Модель
540
Группа
Система охлаждения
Подгруппа
Вентилятор
Порядковый номер детали
111
Артикул: 540-1709135
нет в наличии
Пластина
Количество на схеме: 18
Информация
Пластина
Количество
18
Вес;ТНВД
0,019;870840900;
Модель
540
Группа
Коробка передач
Подгруппа
1709
Порядковый номер детали
135
Артикул: 540А-1308012-10
нет в наличии
Крыльчатка вентилятора
Количество на схеме: 2
Информация
Крыльчатка вентилятора
Количество
2
Вес;ТНВД
4,8;870899990;
Модель
540А
Группа
Система охлаждения
Подгруппа
Вентилятор
Порядковый номер детали
012
Дополнительно
Не взаимозаменяема с деталью, выпущенной ранее под этим же номером
Артикул: 540А-1308091
нет в наличии
Тяга
Количество на схеме: 1
Информация
Тяга
Количество
1
Вес;ТНВД
0,32;;
Модель
540А
Группа
Система охлаждения
Подгруппа
Вентилятор
Порядковый номер детали
091
Артикул: 540А-1308092
нет в наличии
Тяга
Количество на схеме: 1
Информация
Тяга
Количество
1
Вес;ТНВД
0,2;;
Модель
540А
Группа
Система охлаждения
Подгруппа
Вентилятор
Порядковый номер детали
092
Артикул: 540А-1308226
нет в наличии
Палец
Количество на схеме: 2
Информация
Палец
Количество
2
Вес;ТНВД
0,24;;
Модель
540А
Группа
Система охлаждения
Подгруппа
Вентилятор
Порядковый номер детали
226
Артикул: 540С-1308060-11
нет в наличии
Кронштейн правого вентилятора
Количество на схеме: 1
Информация
Кронштейн правого вентилятора
Количество
1
Вес;ТНВД
4,43;870880900;
Модель
540С
Группа
Система охлаждения
Подгруппа
Вентилятор
Порядковый номер детали
060
Дополнительно
Не взаимозаменяема с деталью, выпущенной ранее под этим же номером
Артикул: 540С-1308062-10
нет в наличии
Кронштейн левого вентилятора
Количество на схеме: 1
Информация
Кронштейн левого вентилятора
Количество
1
Вес;ТНВД
4,43;870880900;
Модель
540С
Группа
Система охлаждения
Подгруппа
Вентилятор
Порядковый номер детали
062
Дополнительно
Не взаимозаменяема с деталью, выпущенной ранее под этим же номером
Артикул: 548А-1308030
нет в наличии
Привод вентилятора правый
Количество на схеме: 1
Информация
Привод вентилятора правый
Количество
1
Вес;ТНВД
9;870899990;
Модель
548А
Группа
Система охлаждения
Подгруппа
Вентилятор
Порядковый номер детали
030
Артикул: 548А-1308031
нет в наличии
Привод вентилятора левый
Количество на схеме: 1
Информация
Привод вентилятора левый
Количество
1
Вес;ТНВД
9;870899990;
Модель
548А
Группа
Система охлаждения
Подгруппа
Вентилятор
Порядковый номер детали
031
Артикул: 548А-1308098
нет в наличии
Тяга
Количество на схеме: 1
Информация
Тяга
Количество
1
Вес;ТНВД
0,3;;
Модель
548А
Группа
Система охлаждения
Подгруппа
Вентилятор
Порядковый номер детали
098
Артикул: 548А-1308211-13
нет в наличии
Шкив ведущий
Количество на схеме: 1
Информация
Шкив ведущий
Количество
1
Вес;ТНВД
15,6;870899990;
Модель
548А
Группа
Система охлаждения
Подгруппа
Вентилятор
Порядковый номер детали
211
Дополнительно
Не взаимозаменяема с деталью, выпущенной ранее под этим же номером
Артикул: 548А-1308217
нет в наличии
Пластина
Количество на схеме: 3
Информация
Пластина
Количество
3
Вес;ТНВД
0,028;;
Модель
548А
Группа
Система охлаждения
Подгруппа
Вентилятор
Порядковый номер детали
217
Артикул: 548А-1308607
нет в наличии
Пластина
Количество на схеме: 4
Информация
Пластина
Количество
4
Вес;ТНВД
0,05;;
Модель
548А
Группа
Система охлаждения
Подгруппа
Вентилятор
Порядковый номер детали
607
Артикул: 548А-1309102
нет в наличии
Штора верхняя
Количество на схеме: 1
Информация
Штора верхняя
Количество
1
Вес;ТНВД
2,258;;
Модель
548А
Группа
Система охлаждения
Подгруппа
Кожух вентилятора
Порядковый номер детали
102
Артикул: 548А-1309103
нет в наличии
Штора нижняя
Количество на схеме: 1
Информация
Штора нижняя
Количество
1
Вес;ТНВД
1,38;;
Модель
548А
Группа
Система охлаждения
Подгруппа
Кожух вентилятора
Порядковый номер детали
103
Артикул: 548А-1309114
нет в наличии
Кронштейн
Количество на схеме: 5
Информация
Кронштейн
Количество
5
Вес;ТНВД
0,09;;
Модель
548А
Группа
Система охлаждения
Подгруппа
Кожух вентилятора
Порядковый номер детали
114
Артикул: 548А-1309118-01
нет в наличии
Планка
Количество на схеме: 4
Информация
Планка
Количество
4
Вес;ТНВД
0,034;;
Модель
548А
Группа
Система охлаждения
Подгруппа
Кожух вентилятора
Порядковый номер детали
118
Артикул: 548С-1308060-10
нет в наличии
Кронштейн правого вентилятора
Количество на схеме: 1
Информация
Кронштейн правого вентилятора
Количество
1
Вес;ТНВД
0;;
Модель
548С
Группа
Система охлаждения
Подгруппа
Вентилятор
Порядковый номер детали
060
Дополнительно
Не взаимозаменяема с деталью, выпущенной ранее под этим же номером
Артикул: 695-1308020
нет в наличии
Ремень
Количество на схеме: 2
Информация
Ремень
Количество
2
Вес;ТНВД
0,5;401699900;
Модель
695
Группа
Система охлаждения
Подгруппа
Вентилятор
Порядковый номер детали
020
  • Грузовые автомобили
  • Автобусы
  • Сельхозтехника
  • Спецтехника
  • Двигатели
Получить оптовый прайс-лист
Скачать прайс-лист от 09.05.2026 12:00
Специальное предложение от 09.05.2026 09:00
Производители:


  • WEICHAI
  • Автодизель ПАО (ЯМЗ)
  • Тутаевский МЗ
  • ЯЗДА
  • УралАЗ
  • МАЗ
  • АЗПИ
  • BOSCH
  • ММЗ
  • ШААЗ
  • FEDERAL MOGUL
  • ПРАМО
  • Мотордеталь
  • ТАИМ
  • АвтоКрАЗ
  • БЕЛКАРД
  • CZ Strakonice
  • КамАЗ
  • БЗА
  • ЧМЗ
  • BMZ
Новости
Все новости
25 марта 2024
Флагманский седельный тягач «Валдай 45» на выставке «TransRussia»
10 марта 2024
Современные автобусы «CITYMAX 9» и ЛиАЗ-5292 CNG
25 февраля 2024
Серийное производство средних дизельных двигателей повышенной мощности от ЯМЗ
Статьи
Все статьи
Датчики двигателя: за что они отвечают, признаки неисправности и как не прогадать с выбором
Двигатели ЯМЗ-534: история, технические характеристики и области применения
Двигатели ЯМЗ 650: углублённый технический обзор и история
Компания
О компании
Реквизиты
Новости
Политика
Магазины
Информация
Условия оплаты
Условия доставки
Гарантия на товар
Обмен и возврат товара
Помощь
Как оформить заказ
Полезные статьи
Бренды
Пункты выдачи
Оставайтесь на связи
  • Вконтакте
  • YouTube
  • Одноклассники
  • Google Plus
Увидели ошибку?
Выделите, нажав Ctrl + Enter
Наши контакты
8-800-700-35-68
sales@din76.ru
г. Ярославль, Ленинградский пр-т 33, ТЦ "ОМЕГА"
2026 © ООО «Динамика 76» - Все права защищены ООО "Динамика 76"
Предложения на сайте не являются публичной офертой.
На сайте обнаружена ошибка

Текст с ошибкой