Избранное 0 Корзина 0 Личный кабинет
logo
Каталог
Каталог
  • Справочник
    • Грузовые автомобили
    • Автобусы
    • Сельхозтехника
    • Спецтехника
    • Двигатели
  • Доставка
  • Оплата
  • О компании
    • Реквизиты
    • Магазины
    • Оплата
    • Доставка
    • Лицензии и сертификаты
    • Новости
    • Вакансии
  • Контакты
Отправить заявку
Личный кабинет
8 (800) 700-35-68
sales@din76.ru
Избранное 0 Корзина 0
8 (800) 700-35-68
Оптовый прайс-лист
Каталог
  • Двигатели
  • Запчасти WEICHAI
  • Запчасти ЯМЗ, ТМЗ (V-образные)
  • Запчасти ЯМЗ-534, ЯМЗ-536
  • Запчасти ЯМЗ-650, ЯМЗ-651, DCi-11
  • Топливная аппаратура
  • Запчасти УРАЛ
  • Запчасти МАЗ
  • Запчасти КамАЗ
  • Запчасти ММЗ
  • Ремни
Автокаталог (справочник)
  • Доставка
  • Оплата
  • О компании
  • Контакты
8 (800) 700-35-68
Написать в Whatsapp
sales@din76.ru
Динамика 76
Меню  
  • Каталог
    • Двигатели  
      • Двигатели ТМЗ  
        • Двигатели ТМЗ для автомобилей
        • Двигатели ТМЗ для тракторов
        • Специальные двигатели ТМЗ
        • Промышленные двигатели ТМЗ
      • Двигатели ЯМЗ  
        • ЯМЗ 236
        • ЯМЗ 238
        • ЯМЗ 240
        • ЯМЗ 751
        • ЯМЗ 840
        • ЯМЗ 850
        • ЯМЗ 656
        • ЯМЗ 658
        • ЯМЗ 534
        • ЯМЗ 536
        • ЯМЗ 650
        • Двигатели ЯМЗ для электростанций
      • Двигатели КАМАЗ
      • Двигатели ММЗ
      • Двигатели индивидуальной сборки
      • Комплекты переоборудования
    • Запчасти WEICHAI  
      • Основные запчасти двигателя  
        • Клапаны и толкатели
        • Шатуны
        • Вал коленчатый и маховик
        • Вал распределительный
        • Цилиндро-поршневая группа
      • Система питания  
        • Форсунки
        • Турбокомпрессор
      • Система смазки  
        • Насос масляный
      • Головка блока
      • Ремкомплекты
      • Система охлаждения  
        • Насос водяной
        • Муфта вязкостная и крыльчатка
      • Фильтры
      • Электрооборудование  
        • Генератор
        • Стартер
    • Запчасти ЯМЗ, ТМЗ (V-образные)  
      • Основные запчасти двигателя  
        • Блок двигателя и комплектующие
        • Валы распределительные и клапаны
        • Головка блока и комплектующие
        • Цилиндро-поршневая группа
        • Маховики и комплектующие
        • Валы коленчатые и комплектующие
        • Шатуны и комплектующие
      • Система питания  
        • Коллекторы и патрубки
        • Топливные трубопроводы
        • Турбокомпрессор
        • Топливные фильтры
      • Электрооборудование двигателя
      • Система охлаждения  
        • Вязкостные муфты и крыльчатки
        • Приводы вентилятора
        • Водяные насосы
        • Водяные трубы и термостаты
      • Коробки переключения передач  
        • 8 Ступенчатые КПП
        • 5 Ступенчатые КПП
        • 9 Ступенчатые КПП
        • Запасные части КПП ЯМЗ, ТМЗ
      • Система смазки  
        • Теплообменник и комплектующие
        • Масляные насосы
        • Фильтры масляные (ФГОМ, ФЦОМ)
      • Сцепление  
        • Запасные части механизма сцепления
        • Муфты (подшипники выжимные)
        • Корзины (диски нажимные)
        • Диски ведомые
      • Прочие запчасти двигателя  
        • Ремкомплекты
        • Привод агрегатов
        • Натяжные устройства
        • Трубки
    • Запчасти ЯМЗ-534, ЯМЗ-536  
      • Основные запчасти двигателя  
        • Цилиндро-поршневая группа
        • Головка блока цилиндров и комплектующие
        • Блок цилиндров и комплектующие
        • Вал коленчатый и маховик
        • Вал распределительный
        • Клапаны и толкатели
        • ГУР (Гидроусилитель руля)
        • Система рециркуляции отработавших газов
        • Выпускной коллектор
      • Система питания  
        • Коллекторы и патрубки
        • Топливные фильтры
        • Турбокомпрессор
        • Топливные трубопроводы
      • Система смазки  
        • Масляный картер поддон
        • Масляный насос
        • Теплообменник /Водо-масляный радиатор
        • Фильтры масляные (ФГОМ, ФЦОМ)
      • Пневмокомпрессор и натяжное
      • Система охлаждения  
        • Водяной насос
        • Водяные трубы и патрубки
        • Муфты вязкостные, приводы, крыльчатки
      • Ремкомплекты
      • Сцепление
      • Электрооборудование
    • Запчасти ЯМЗ-650, ЯМЗ-651, DCi-11  
      • Основные запчасти двигателя  
        • Цилиндро-поршневая группа
        • Головка блока цилиндров и комплектующие
        • Блок цилиндров и комплектующие
        • Вал коленчатый и маховик
        • Выпускной коллектор
        • Вал распределительный
        • Клапаны и толкатели
        • ГУР (Гидроусилитель руля)
        • Система рециркуляции отработавших газов
      • Система питания  
        • Коллекторы и патрубки
        • Топливные трубопроводы
        • Топливные фильтры
        • Турбокомпрессор
      • Система смазки  
        • Масляный картер / поддон
        • Масляный насос
        • Теплообменник / Водо-масляный радиатор
        • Фильтры масляные (ФГОМ, ФЦОМ)
      • Система охлаждения  
        • Водяной насос
        • Водяные трубы и патрубки
        • Муфты вязкостные, приводы, крыльчатки
      • Ремкомплекты
      • Пневмокомпрессор и натяжное
      • Электрооборудование
      • Сцепление
    • Топливная аппаратура  
      • ЯЗДА  
        • Распылители
        • ТНВД
        • Форсунки
        • Топливный насос низкого давления
        • Пары плунжерные
        • Муфта опережения впрыска топлива
        • Запчасти и комплектующие ТНВД
      • НЗТА
      • АЗПИ  
        • Распылители
        • Форсунки
      • BOSCH
    • Запчасти УРАЛ  
      • Трансмиссия  
        • Коробка раздаточная
        • Передача карданная
        • Мост задний
        • Мост передний (ведущий)
        • Мост средний (промежуточный)
      • Кузов  
        • Дверь кабины
        • Капот, крылья, облицовка радиатора
        • Окно ветровое и заднее
        • Отопление и вентиляция кабины
        • Кабина
      • Механизмы управления  
        • Управление рулевое
        • Тормоза
      • Дополнительное оборудование  
        • Отбор мощности
        • Устройство седельное
      • Электрооборудование
      • Ходовая часть  
        • Колеса и ступицы
        • Ось передняя
        • Подвеска автомобиля
        • Рама
    • Запчасти МАЗ  
      • Трансмиссия  
        • Мост задний
        • Мост передний (ведущий)
        • Передача карданная
        • Мост средний (промежуточный)
      • Кузов  
        • Кабина
        • Дверь кабины
        • Детали основания кабины
        • Окно ветровое и заднее
        • Платформа
      • Механизмы управления  
        • Тормоза
        • Управление рулевое
      • Ходовая часть  
        • Колеса и ступицы
        • Ось передняя
        • Подвеска автомобиля
        • Рама
    • Запчасти КамАЗ  
      • Кузов  
        • Кабина
        • Капот, крылья, облицовка радиатора
        • Дверь кабины
        • Платформа
        • Окно ветровое и заднее
        • Устройство подъемное и опрокидывающее
        • Сиденье
        • Крыша кабины (крыша кузова)
        • Отопление и вентиляция кабины
      • Трансмиссия  
        • Коробка передач
        • Коробка раздаточная
        • Мост задний
        • Сцепление
        • Мост средний (промежуточный)
        • Передача карданная
        • Мост передний (ведущий)
      • Двигатель  
        • Основные запчасти двигателя
        • Система охлаждения
        • Система питания
        • Система смазки
      • Дополнительное оборудование  
        • Отбор мощности
        • Устройство седельное
      • Ходовая часть  
        • Подвеска автомобиля
        • Рама
        • Колеса и ступицы
        • Ось передняя
      • Механизмы управления  
        • Тормоза
        • Управление рулевое
      • Электрооборудование
    • Запчасти ММЗ
    • Ремни
  • Справочник
    • Грузовые автомобили
    • Автобусы
    • Сельхозтехника
    • Спецтехника
    • Двигатели
  • Как купить
    • Условия оплаты
    • Условия доставки
    • Гарантия на товар
    • Пункты выдачи
  • Услуги
    • Капитальный ремонт двигателей ЯМЗ
  • Акции
  • Статьи
  • Контакты
  • Компания
    • Реквизиты
    • Магазины
    • Оплата
    • Доставка
    • Лицензии и сертификаты
    • Новости
    • Вакансии
Избранное 0 Корзина 0
8-800-700-35-68

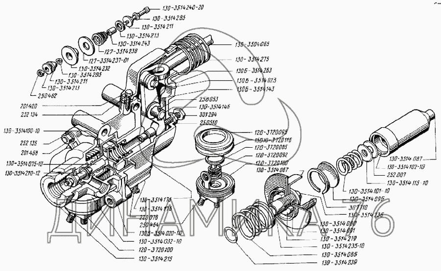
Кран тормозной на БелАЗ-75231

Справочник
Главная
-
Автокаталог
-
Грузовые автомобили и прицепы
-
БелАЗ
-
БелАЗ-75231
Справочный каталог

Кран тормозной — БелАЗ-75231:

120-3720085 120-3720092 120-3720095 120-3720100 127-3514237-01 127-3514238 130-3504065 130-3514032-10 130-3514067 130-3514075-10 130-3514080 130-3514085 130-3514087 130-3514091 130-3514096 130-3514100-10 130-3514101-10 130-3514102-10 130-3514115-10 130-3514146 130-3514175 130-3514176 130-3514210-12 130-3514211 130-3514213 130-3514215 130-3514219 130-3514232 130-3514235-10 130-3514236 130-3514239 130-3514240-20 130-3514243 130-3514275 130-3514285 130Б-3514020-10 130Б-3514023 130Б-3514143 130Б-3514263 150Ю-3720116 201420 201458 220078 250462 250464 250510 252135 258053 301294 307710
в наличии
нет в наличии
масштаб

В наличии
Нет в наличии

Перечень комплектующих от Кран тормозной на БелАЗ-75231

Схемы запчастей предназначены для справочных целей! Мы продаем не все запчасти от Кран тормозной на БелАЗ-75231, представленные в этом списке.
Наличие на складах по деталям с ценой смотрите в карточке товара.
Артикул: 120-3720085
нет в наличии
Основание
Количество на схеме: 2
Информация
Основание
Количество
2
Цена завода $;Вес агрегата, кг;ТНВД
1,9;0,05;870899990;
Модель
120
Группа
Электрооборудование
Подгруппа
Выключатель сигнала торможения
Порядковый номер детали
085
Артикул: 120-3720092
нет в наличии
Пружина
Количество на схеме: 2
Информация
Пружина
Количество
2
Цена завода $;Вес агрегата, кг;ТНВД
0;0;;
Модель
120
Группа
Электрооборудование
Подгруппа
Выключатель сигнала торможения
Порядковый номер детали
092
Артикул: 120-3720095
нет в наличии
Диафрагма
Количество на схеме: 2
Информация
Диафрагма
Количество
2
Цена завода $;Вес агрегата, кг;ТНВД
0;0;;
Модель
120
Группа
Электрооборудование
Подгруппа
Выключатель сигнала торможения
Порядковый номер детали
095
Артикул: 120-3720100
нет в наличии
Колодка в сборе
Количество на схеме: 2
Информация
Колодка в сборе
Количество
2
Цена завода $;Вес агрегата, кг;ТНВД
2,19;0,06;870899990;
Модель
120
Группа
Электрооборудование
Подгруппа
Выключатель сигнала торможения
Порядковый номер детали
100
Артикул: 127-3514237-01
нет в наличии
Прокладка
Количество на схеме: 4
Информация
Прокладка
Количество
4
Цена завода $;Вес агрегата, кг;ТНВД
0;0;;
Модель
127
Группа
Тормоза
Подгруппа
Кран управления пневмотормозами (тормозной кран)
Порядковый номер детали
237
Артикул: 127-3514238
нет в наличии
Пружина
Количество на схеме: 2
Информация
Пружина
Количество
2
Цена завода $;Вес агрегата, кг;ТНВД
0;0;;
Модель
127
Группа
Тормоза
Подгруппа
Кран управления пневмотормозами (тормозной кран)
Порядковый номер детали
238
Артикул: 130-3504065
нет в наличии
Тяга
Количество на схеме: 2
Информация
Тяга
Количество
2
Цена завода $;Вес агрегата, кг;ТНВД
0;0;;
Модель
130
Группа
Тормоза
Подгруппа
Педаль и привод механизма управления тормозами (привод тормозного крана)
Порядковый номер детали
065
Артикул: 130-3514032-10
нет в наличии
Крышка
Количество на схеме: 2
Информация
Крышка
Количество
2
Цена завода $;Вес агрегата, кг;ТНВД
0;0;;
Модель
130
Группа
Тормоза
Подгруппа
Кран управления пневмотормозами (тормозной кран)
Порядковый номер детали
032
Дополнительно
Не взаимозаменяема с деталью, выпущенной ранее под этим же номером
Артикул: 130-3514067
нет в наличии
Направляющая
Количество на схеме: 2
Информация
Направляющая
Количество
2
Цена завода $;Вес агрегата, кг;ТНВД
0;0;;
Модель
130
Группа
Тормоза
Подгруппа
Кран управления пневмотормозами (тормозной кран)
Порядковый номер детали
067
Артикул: 130-3514075-10
нет в наличии
Диафрагма в сборе
Количество на схеме: 2
Информация
Диафрагма в сборе
Количество
2
Цена завода $;Вес агрегата, кг;ТНВД
0;0;;
Модель
130
Группа
Тормоза
Подгруппа
Кран управления пневмотормозами (тормозной кран)
Порядковый номер детали
075
Дополнительно
Не взаимозаменяема с деталью, выпущенной ранее под этим же номером
Артикул: 130-3514080
нет в наличии
Диафрагма
Количество на схеме: 4
Информация
Диафрагма
Количество
4
Цена завода $;Вес агрегата, кг;ТНВД
0;0;;
Модель
130
Группа
Тормоза
Подгруппа
Кран управления пневмотормозами (тормозной кран)
Порядковый номер детали
080
Артикул: 130-3514085
нет в наличии
Пружина
Количество на схеме: 2
Информация
Пружина
Количество
2
Цена завода $;Вес агрегата, кг;ТНВД
0;0;;
Модель
130
Группа
Тормоза
Подгруппа
Кран управления пневмотормозами (тормозной кран)
Порядковый номер детали
085
Артикул: 130-3514087
нет в наличии
Пятка
Количество на схеме: 2
Информация
Пятка
Количество
2
Цена завода $;Вес агрегата, кг;ТНВД
0;0;;
Модель
130
Группа
Тормоза
Подгруппа
Кран управления пневмотормозами (тормозной кран)
Порядковый номер детали
087
Артикул: 130-3514091
нет в наличии
Шайба
Количество на схеме: 2
Информация
Шайба
Количество
2
Цена завода $;Вес агрегата, кг;ТНВД
0;0;;
Модель
130
Группа
Тормоза
Подгруппа
Кран управления пневмотормозами (тормозной кран)
Порядковый номер детали
091
Артикул: 130-3514096
нет в наличии
Шайба
Количество на схеме: 2
Информация
Шайба
Количество
2
Цена завода $;Вес агрегата, кг;ТНВД
0;0;;
Модель
130
Группа
Тормоза
Подгруппа
Кран управления пневмотормозами (тормозной кран)
Порядковый номер детали
096
Артикул: 130-3514100-10
нет в наличии
Пружина в сборе
Количество на схеме: 2
Информация
Пружина в сборе
Количество
2
Цена завода $;Вес агрегата, кг;ТНВД
0;0;;
Модель
130
Группа
Тормоза
Подгруппа
Кран управления пневмотормозами (тормозной кран)
Порядковый номер детали
100
Дополнительно
Не взаимозаменяема с деталью, выпущенной ранее под этим же номером
Артикул: 130-3514101-10
нет в наличии
Пружина
Количество на схеме: 2
Информация
Пружина
Количество
2
Цена завода $;Вес агрегата, кг;ТНВД
0;0;;
Модель
130
Группа
Тормоза
Подгруппа
Кран управления пневмотормозами (тормозной кран)
Порядковый номер детали
101
Дополнительно
Не взаимозаменяема с деталью, выпущенной ранее под этим же номером
Артикул: 130-3514102-10
нет в наличии
Стакан
Количество на схеме: 2
Информация
Стакан
Количество
2
Цена завода $;Вес агрегата, кг;ТНВД
0;0;;
Модель
130
Группа
Тормоза
Подгруппа
Кран управления пневмотормозами (тормозной кран)
Порядковый номер детали
102
Дополнительно
Не взаимозаменяема с деталью, выпущенной ранее под этим же номером
Артикул: 130-3514115-10
нет в наличии
Прокладка
Количество на схеме: 2
Информация
Прокладка
Количество
2
Цена завода $;Вес агрегата, кг;ТНВД
0;0;;
Модель
130
Группа
Тормоза
Подгруппа
Кран управления пневмотормозами (тормозной кран)
Порядковый номер детали
115
Дополнительно
Не взаимозаменяема с деталью, выпущенной ранее под этим же номером
Артикул: 130-3514146
нет в наличии
Ось
Количество на схеме: 2
Информация
Ось
Количество
2
Цена завода $;Вес агрегата, кг;ТНВД
0;0;;
Модель
130
Группа
Тормоза
Подгруппа
Кран управления пневмотормозами (тормозной кран)
Порядковый номер детали
146
Артикул: 130-3514175
нет в наличии
Уплотнитель
Количество на схеме: 2
Информация
Уплотнитель
Количество
2
Цена завода $;Вес агрегата, кг;ТНВД
0;0;;
Модель
130
Группа
Тормоза
Подгруппа
Кран управления пневмотормозами (тормозной кран)
Порядковый номер детали
175
Артикул: 130-3514176
нет в наличии
Крышка
Количество на схеме: 2
Информация
Крышка
Количество
2
Цена завода $;Вес агрегата, кг;ТНВД
0;0;;
Модель
130
Группа
Тормоза
Подгруппа
Кран управления пневмотормозами (тормозной кран)
Порядковый номер детали
176
Артикул: 130-3514210-12
нет в наличии
Клапан
Количество на схеме: 2
Информация
Клапан
Количество
2
Цена завода $;Вес агрегата, кг;ТНВД
1,46;0,15;870839900;
Модель
130
Группа
Тормоза
Подгруппа
Кран управления пневмотормозами (тормозной кран)
Порядковый номер детали
210
Дополнительно
Не взаимозаменяема с деталью, выпущенной ранее под этим же номером
Артикул: 130-3514211
нет в наличии
Корпус
Количество на схеме: 4
Информация
Корпус
Количество
4
Цена завода $;Вес агрегата, кг;ТНВД
0;0;;
Модель
130
Группа
Тормоза
Подгруппа
Кран управления пневмотормозами (тормозной кран)
Порядковый номер детали
211
Артикул: 130-3514213
нет в наличии
Шайба
Количество на схеме: 4
Информация
Шайба
Количество
4
Цена завода $;Вес агрегата, кг;ТНВД
0;0;;
Модель
130
Группа
Тормоза
Подгруппа
Кран управления пневмотормозами (тормозной кран)
Порядковый номер детали
213
Артикул: 130-3514215
нет в наличии
Прокладка
Количество на схеме: 2
Информация
Прокладка
Количество
2
Цена завода $;Вес агрегата, кг;ТНВД
0;0;;
Модель
130
Группа
Тормоза
Подгруппа
Кран управления пневмотормозами (тормозной кран)
Порядковый номер детали
215
Артикул: 130-3514219
нет в наличии
Гайка
Количество на схеме: 2
Информация
Гайка
Количество
2
Цена завода $;Вес агрегата, кг;ТНВД
0;0;;
Модель
130
Группа
Тормоза
Подгруппа
Кран управления пневмотормозами (тормозной кран)
Порядковый номер детали
219
Артикул: 130-3514232
нет в наличии
Седло
Количество на схеме: 2
Информация
Седло
Количество
2
Цена завода $;Вес агрегата, кг;ТНВД
0;0;;
Модель
130
Группа
Тормоза
Подгруппа
Кран управления пневмотормозами (тормозной кран)
Порядковый номер детали
232
Артикул: 130-3514235-10
нет в наличии
Седло
Количество на схеме: 2
Информация
Седло
Количество
2
Цена завода $;Вес агрегата, кг;ТНВД
0;0;;
Модель
130
Группа
Тормоза
Подгруппа
Кран управления пневмотормозами (тормозной кран)
Порядковый номер детали
235
Дополнительно
Не взаимозаменяема с деталью, выпущенной ранее под этим же номером
Артикул: 130-3514236
нет в наличии
Прокладка
Количество на схеме: 4
Информация
Прокладка
Количество
4
Цена завода $;Вес агрегата, кг;ТНВД
0;0;;
Модель
130
Группа
Тормоза
Подгруппа
Кран управления пневмотормозами (тормозной кран)
Порядковый номер детали
236
Артикул: 130-3514239
нет в наличии
Кольцо
Количество на схеме: 2
Информация
Кольцо
Количество
2
Цена завода $;Вес агрегата, кг;ТНВД
0;0;;
Модель
130
Группа
Тормоза
Подгруппа
Кран управления пневмотормозами (тормозной кран)
Порядковый номер детали
239
Артикул: 130-3514240-20
нет в наличии
Стержень
Количество на схеме: 2
Информация
Стержень
Количество
2
Цена завода $;Вес агрегата, кг;ТНВД
0;0;;
Модель
130
Группа
Тормоза
Подгруппа
Кран управления пневмотормозами (тормозной кран)
Порядковый номер детали
240
Дополнительно
Не взаимозаменяема с деталью, выпущенной ранее под этим же номером
Артикул: 130-3514243
нет в наличии
Труба
Количество на схеме: 2
Информация
Труба
Количество
2
Цена завода $;Вес агрегата, кг;ТНВД
0;0;;
Модель
130
Группа
Тормоза
Подгруппа
Кран управления пневмотормозами (тормозной кран)
Порядковый номер детали
243
Артикул: 130-3514275
нет в наличии
Чехол
Количество на схеме: 2
Информация
Чехол
Количество
2
Цена завода $;Вес агрегата, кг;ТНВД
0;0;;
Модель
130
Группа
Тормоза
Подгруппа
Кран управления пневмотормозами (тормозной кран)
Порядковый номер детали
275
Артикул: 130-3514285
нет в наличии
Шайба
Количество на схеме: 4
Информация
Шайба
Количество
4
Цена завода $;Вес агрегата, кг;ТНВД
0;0;;
Модель
130
Группа
Тормоза
Подгруппа
Кран управления пневмотормозами (тормозной кран)
Порядковый номер детали
285
Артикул: 130Б-3514020-10
нет в наличии
Корпус
Количество на схеме: 2
Информация
Корпус
Количество
2
Цена завода $;Вес агрегата, кг;ТНВД
0;0;;
Модель
130Б
Группа
Тормоза
Подгруппа
Кран управления пневмотормозами (тормозной кран)
Порядковый номер детали
020
Дополнительно
Не взаимозаменяема с деталью, выпущенной ранее под этим же номером
Артикул: 130Б-3514023
нет в наличии
Прокладка
Количество на схеме: 2
Информация
Прокладка
Количество
2
Цена завода $;Вес агрегата, кг;ТНВД
0;0;;
Модель
130Б
Группа
Тормоза
Подгруппа
Кран управления пневмотормозами (тормозной кран)
Порядковый номер детали
023
Артикул: 130Б-3514143
нет в наличии
Рычаг
Количество на схеме: 2
Информация
Рычаг
Количество
2
Цена завода $;Вес агрегата, кг;ТНВД
0;0;;
Модель
130Б
Группа
Тормоза
Подгруппа
Кран управления пневмотормозами (тормозной кран)
Порядковый номер детали
143
Артикул: 130Б-3514263
нет в наличии
Крышка
Количество на схеме: 2
Информация
Крышка
Количество
2
Цена завода $;Вес агрегата, кг;ТНВД
0;0;;
Модель
130Б
Группа
Тормоза
Подгруппа
Кран управления пневмотормозами (тормозной кран)
Порядковый номер детали
263
Артикул: 150Ю-3720116
нет в наличии
Прокладка
Количество на схеме: 2
Информация
Прокладка
Количество
2
Цена завода $;Вес агрегата, кг;ТНВД
0;0;;
Модель
150Ю
Группа
Электрооборудование
Подгруппа
Выключатель сигнала торможения
Порядковый номер детали
116
Артикул: 201420
нет в наличии
Болт
Количество на схеме: 54
Информация
Болт
Количество
54
Цена завода $;Вес агрегата, кг;ТНВД
0,04;0,006;;
Покрытие
без покрытия
Артикул: 201458
нет в наличии
Болт
Количество на схеме: 165
Информация
Болт
Количество
165
Цена завода $;Вес агрегата, кг;ТНВД
0,04;0,012;870899990;
Покрытие
без покрытия
Артикул: 220078
нет в наличии
Винт
Количество на схеме: 8
Информация
Винт
Количество
8
Цена завода $;Вес агрегата, кг;ТНВД
0;0;;
Покрытие
без покрытия
Артикул: 250462
нет в наличии
Гайка
Количество на схеме: 11
Информация
Гайка
Количество
11
Цена завода $;Вес агрегата, кг;ТНВД
0;0;;
Покрытие
без покрытия
Артикул: 250464
нет в наличии
Гайка
Количество на схеме: 34
Информация
Гайка
Количество
34
Цена завода $;Вес агрегата, кг;ТНВД
0,03;0;;
Покрытие
без покрытия
Артикул: 250510
нет в наличии
Гайка
Количество на схеме: 317
Информация
Гайка
Количество
317
Цена завода $;Вес агрегата, кг;ТНВД
0,02;0,006;870899990;
Покрытие
без покрытия
Артикул: 252135
нет в наличии
Шайба
Количество на схеме: 621
Информация
Шайба
Количество
621
Цена завода $;Вес агрегата, кг;ТНВД
0,01;0,001;870899990;
Покрытие
без покрытия
Артикул: 258053
нет в наличии
Шплинт
Количество на схеме: 26
Информация
Шплинт
Количество
26
Цена завода $;Вес агрегата, кг;ТНВД
0,04;0;;
Покрытие
без покрытия
Артикул: 301294
нет в наличии
Болт
Количество на схеме: 2
Информация
Болт
Количество
2
Цена завода $;Вес агрегата, кг;ТНВД
0;0;;
Покрытие
без покрытия
Артикул: 307710
нет в наличии
Кольцо
Количество на схеме: 2
Информация
Кольцо
Количество
2
Цена завода $;Вес агрегата, кг;ТНВД
0;0;;
Покрытие
без покрытия
  • Грузовые автомобили
  • Автобусы
  • Сельхозтехника
  • Спецтехника
  • Двигатели
Получить оптовый прайс-лист
Скачать прайс-лист от 07.05.2026 08:00
Специальное предложение от 07.05.2026 09:00
Производители:


  • WEICHAI
  • Автодизель ПАО (ЯМЗ)
  • Тутаевский МЗ
  • ЯЗДА
  • УралАЗ
  • МАЗ
  • АЗПИ
  • BOSCH
  • ММЗ
  • ШААЗ
  • FEDERAL MOGUL
  • ПРАМО
  • Мотордеталь
  • ТАИМ
  • АвтоКрАЗ
  • БЕЛКАРД
  • CZ Strakonice
  • КамАЗ
  • БЗА
  • ЧМЗ
  • BMZ
Новости
Все новости
25 марта 2024
Флагманский седельный тягач «Валдай 45» на выставке «TransRussia»
10 марта 2024
Современные автобусы «CITYMAX 9» и ЛиАЗ-5292 CNG
25 февраля 2024
Серийное производство средних дизельных двигателей повышенной мощности от ЯМЗ
Статьи
Все статьи
Датчики двигателя: за что они отвечают, признаки неисправности и как не прогадать с выбором
Двигатели ЯМЗ-534: история, технические характеристики и области применения
Двигатели ЯМЗ 650: углублённый технический обзор и история
Компания
О компании
Реквизиты
Новости
Политика
Магазины
Информация
Условия оплаты
Условия доставки
Гарантия на товар
Обмен и возврат товара
Помощь
Как оформить заказ
Полезные статьи
Бренды
Пункты выдачи
Оставайтесь на связи
  • Вконтакте
  • YouTube
  • Одноклассники
  • Google Plus
Увидели ошибку?
Выделите, нажав Ctrl + Enter
Наши контакты
8-800-700-35-68
sales@din76.ru
г. Ярославль, Ленинградский пр-т 33, ТЦ "ОМЕГА"
2026 © ООО «Динамика 76» - Все права защищены ООО "Динамика 76"
Предложения на сайте не являются публичной офертой.
На сайте обнаружена ошибка

Текст с ошибкой