Избранное 0 Корзина 0 Личный кабинет
logo
Каталог
Каталог
  • Справочник
    • Грузовые автомобили
    • Автобусы
    • Сельхозтехника
    • Спецтехника
    • Двигатели
  • Доставка
  • Оплата
  • О компании
    • Реквизиты
    • Магазины
    • Оплата
    • Доставка
    • Лицензии и сертификаты
    • Новости
    • Вакансии
  • Контакты
Отправить заявку
Личный кабинет
8 (800) 700-35-68
sales@din76.ru
Избранное 0 Корзина 0
8 (800) 700-35-68
Оптовый прайс-лист
Каталог
  • Двигатели
  • Запчасти WEICHAI
  • Запчасти ЯМЗ, ТМЗ (V-образные)
  • Запчасти ЯМЗ-534, ЯМЗ-536
  • Запчасти ЯМЗ-650, ЯМЗ-651, DCi-11
  • Топливная аппаратура
  • Запчасти УРАЛ
  • Запчасти МАЗ
  • Запчасти КамАЗ
  • Запчасти ММЗ
  • Ремни
Автокаталог (справочник)
  • Доставка
  • Оплата
  • О компании
  • Контакты
8 (800) 700-35-68
Написать в Whatsapp
sales@din76.ru
Динамика 76
Меню  
  • Каталог
    • Двигатели  
      • Двигатели ТМЗ  
        • Двигатели ТМЗ для автомобилей
        • Двигатели ТМЗ для тракторов
        • Специальные двигатели ТМЗ
        • Промышленные двигатели ТМЗ
      • Двигатели ЯМЗ  
        • ЯМЗ 236
        • ЯМЗ 238
        • ЯМЗ 240
        • ЯМЗ 751
        • ЯМЗ 840
        • ЯМЗ 850
        • ЯМЗ 656
        • ЯМЗ 658
        • ЯМЗ 534
        • ЯМЗ 536
        • ЯМЗ 650
        • Двигатели ЯМЗ для электростанций
      • Двигатели КАМАЗ
      • Двигатели ММЗ
      • Двигатели индивидуальной сборки
      • Комплекты переоборудования
    • Запчасти WEICHAI  
      • Основные запчасти двигателя  
        • Клапаны и толкатели
        • Шатуны
        • Вал коленчатый и маховик
        • Вал распределительный
        • Цилиндро-поршневая группа
      • Система питания  
        • Форсунки
        • Турбокомпрессор
      • Система смазки  
        • Насос масляный
      • Головка блока
      • Ремкомплекты
      • Система охлаждения  
        • Насос водяной
        • Муфта вязкостная и крыльчатка
      • Фильтры
      • Электрооборудование  
        • Генератор
        • Стартер
    • Запчасти ЯМЗ, ТМЗ (V-образные)  
      • Основные запчасти двигателя  
        • Блок двигателя и комплектующие
        • Валы распределительные и клапаны
        • Головка блока и комплектующие
        • Цилиндро-поршневая группа
        • Маховики и комплектующие
        • Валы коленчатые и комплектующие
        • Шатуны и комплектующие
      • Система питания  
        • Коллекторы и патрубки
        • Топливные трубопроводы
        • Турбокомпрессор
        • Топливные фильтры
      • Электрооборудование двигателя
      • Система охлаждения  
        • Вязкостные муфты и крыльчатки
        • Приводы вентилятора
        • Водяные насосы
        • Водяные трубы и термостаты
      • Коробки переключения передач  
        • 8 Ступенчатые КПП
        • 5 Ступенчатые КПП
        • 9 Ступенчатые КПП
        • Запасные части КПП ЯМЗ, ТМЗ
      • Система смазки  
        • Теплообменник и комплектующие
        • Масляные насосы
        • Фильтры масляные (ФГОМ, ФЦОМ)
      • Сцепление  
        • Запасные части механизма сцепления
        • Муфты (подшипники выжимные)
        • Корзины (диски нажимные)
        • Диски ведомые
      • Прочие запчасти двигателя  
        • Ремкомплекты
        • Привод агрегатов
        • Натяжные устройства
        • Трубки
    • Запчасти ЯМЗ-534, ЯМЗ-536  
      • Основные запчасти двигателя  
        • Цилиндро-поршневая группа
        • Головка блока цилиндров и комплектующие
        • Блок цилиндров и комплектующие
        • Вал коленчатый и маховик
        • Вал распределительный
        • Клапаны и толкатели
        • ГУР (Гидроусилитель руля)
        • Система рециркуляции отработавших газов
        • Выпускной коллектор
      • Система питания  
        • Коллекторы и патрубки
        • Топливные фильтры
        • Турбокомпрессор
        • Топливные трубопроводы
      • Система смазки  
        • Масляный картер поддон
        • Масляный насос
        • Теплообменник /Водо-масляный радиатор
        • Фильтры масляные (ФГОМ, ФЦОМ)
      • Пневмокомпрессор и натяжное
      • Система охлаждения  
        • Водяной насос
        • Водяные трубы и патрубки
        • Муфты вязкостные, приводы, крыльчатки
      • Ремкомплекты
      • Сцепление
      • Электрооборудование
    • Запчасти ЯМЗ-650, ЯМЗ-651, DCi-11  
      • Основные запчасти двигателя  
        • Цилиндро-поршневая группа
        • Головка блока цилиндров и комплектующие
        • Блок цилиндров и комплектующие
        • Вал коленчатый и маховик
        • Выпускной коллектор
        • Вал распределительный
        • Клапаны и толкатели
        • ГУР (Гидроусилитель руля)
        • Система рециркуляции отработавших газов
      • Система питания  
        • Коллекторы и патрубки
        • Топливные трубопроводы
        • Топливные фильтры
        • Турбокомпрессор
      • Система смазки  
        • Масляный картер / поддон
        • Масляный насос
        • Теплообменник / Водо-масляный радиатор
        • Фильтры масляные (ФГОМ, ФЦОМ)
      • Система охлаждения  
        • Водяной насос
        • Водяные трубы и патрубки
        • Муфты вязкостные, приводы, крыльчатки
      • Ремкомплекты
      • Пневмокомпрессор и натяжное
      • Электрооборудование
      • Сцепление
    • Топливная аппаратура  
      • ЯЗДА  
        • Распылители
        • ТНВД
        • Форсунки
        • Топливный насос низкого давления
        • Пары плунжерные
        • Муфта опережения впрыска топлива
        • Запчасти и комплектующие ТНВД
      • НЗТА
      • АЗПИ  
        • Распылители
        • Форсунки
      • BOSCH
    • Запчасти УРАЛ  
      • Трансмиссия  
        • Коробка раздаточная
        • Передача карданная
        • Мост задний
        • Мост передний (ведущий)
        • Мост средний (промежуточный)
      • Кузов  
        • Дверь кабины
        • Капот, крылья, облицовка радиатора
        • Окно ветровое и заднее
        • Отопление и вентиляция кабины
        • Кабина
      • Механизмы управления  
        • Управление рулевое
        • Тормоза
      • Дополнительное оборудование  
        • Отбор мощности
        • Устройство седельное
      • Электрооборудование
      • Ходовая часть  
        • Колеса и ступицы
        • Ось передняя
        • Подвеска автомобиля
        • Рама
    • Запчасти МАЗ  
      • Трансмиссия  
        • Мост задний
        • Мост передний (ведущий)
        • Передача карданная
        • Мост средний (промежуточный)
      • Кузов  
        • Кабина
        • Дверь кабины
        • Детали основания кабины
        • Окно ветровое и заднее
        • Платформа
      • Механизмы управления  
        • Тормоза
        • Управление рулевое
      • Ходовая часть  
        • Колеса и ступицы
        • Ось передняя
        • Подвеска автомобиля
        • Рама
    • Запчасти КамАЗ  
      • Кузов  
        • Кабина
        • Капот, крылья, облицовка радиатора
        • Дверь кабины
        • Платформа
        • Окно ветровое и заднее
        • Устройство подъемное и опрокидывающее
        • Сиденье
        • Крыша кабины (крыша кузова)
        • Отопление и вентиляция кабины
      • Трансмиссия  
        • Коробка передач
        • Коробка раздаточная
        • Мост задний
        • Сцепление
        • Мост средний (промежуточный)
        • Передача карданная
        • Мост передний (ведущий)
      • Двигатель  
        • Основные запчасти двигателя
        • Система охлаждения
        • Система питания
        • Система смазки
      • Дополнительное оборудование  
        • Отбор мощности
        • Устройство седельное
      • Ходовая часть  
        • Подвеска автомобиля
        • Рама
        • Колеса и ступицы
        • Ось передняя
      • Механизмы управления  
        • Тормоза
        • Управление рулевое
      • Электрооборудование
    • Запчасти ММЗ
    • Ремни
  • Справочник
    • Грузовые автомобили
    • Автобусы
    • Сельхозтехника
    • Спецтехника
    • Двигатели
  • Как купить
    • Условия оплаты
    • Условия доставки
    • Гарантия на товар
    • Пункты выдачи
  • Услуги
    • Капитальный ремонт двигателей ЯМЗ
  • Акции
  • Статьи
  • Контакты
  • Компания
    • Реквизиты
    • Магазины
    • Оплата
    • Доставка
    • Лицензии и сертификаты
    • Новости
    • Вакансии
Избранное 0 Корзина 0
8-800-700-35-68

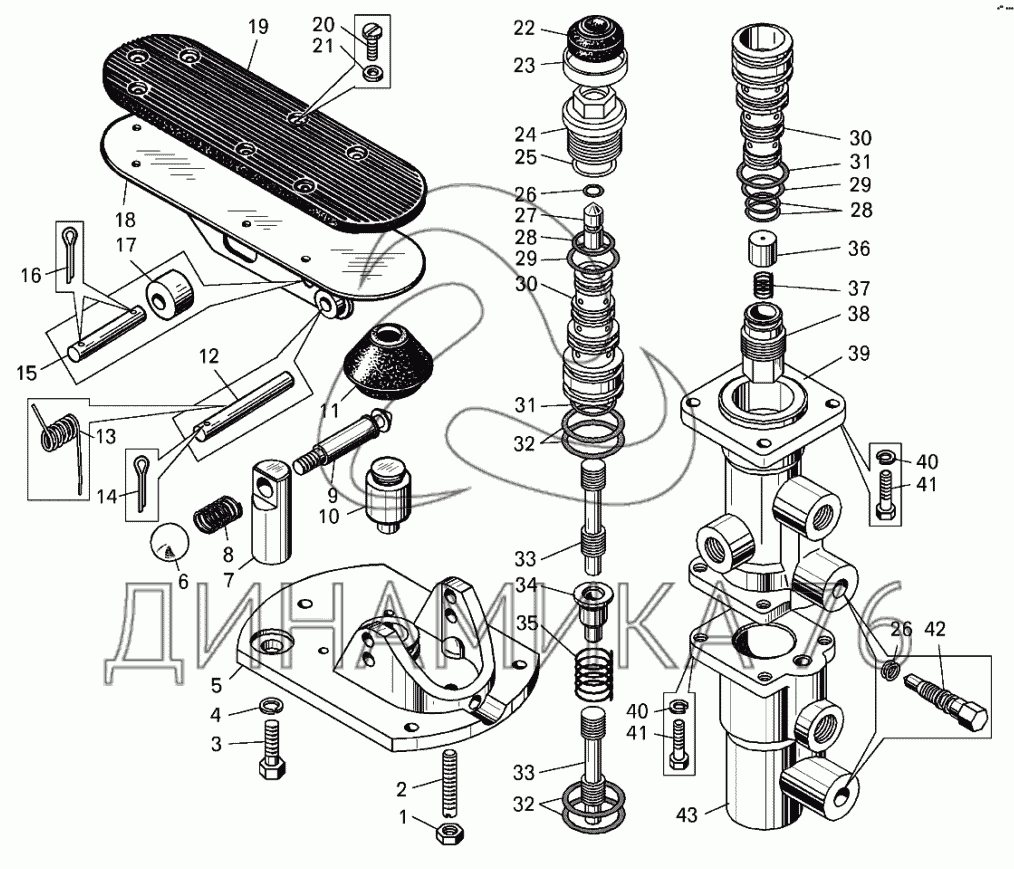
Кран управления тормозами на БелАЗ-7513 (до 2002 г.)

Справочник
Главная
-
Автокаталог
-
Грузовые автомобили и прицепы
-
БелАЗ
-
БелАЗ-7513
Справочный каталог

Кран управления тормозами — БелАЗ-7513:

1 2 3 4 5 6 7 8 9 10 11 12 13 14 15 16 17 18 19 20 21 22 23 24 25 26 26 27 28 28 29 29 30 30 31 31 32 32 33 33 34 35 36 37 38 39 40 40 41 41 42 43
в наличии
нет в наличии
масштаб

В наличии
Нет в наличии

Перечень комплектующих от Кран управления тормозами на БелАЗ-7513

Схемы запчастей предназначены для справочных целей! Мы продаем не все запчасти от Кран управления тормозами на БелАЗ-7513, представленные в этом списке.
Наличие на складах по деталям с ценой смотрите в карточке товара.
1
1
Артикул: 250510
нет в наличии
Гайка
Количество на схеме: 1
Информация
Гайка
Количество
1
14231955;
Покрытие
без покрытия
2
2
Артикул: 540М-3514469
нет в наличии
Фиксатор
Количество на схеме: 1
Информация
Фиксатор
Количество
1
14231956;
Модель
540М
Группа
Тормоза
Подгруппа
Кран управления пневмотормозами (тормозной кран)
Порядковый номер детали
469
3
3
Артикул: 201540
нет в наличии
Болт
Количество на схеме: 1
Информация
Болт
Количество
1
14231957;
Покрытие
без покрытия
4
4
Артикул: 252137
нет в наличии
Шайба
Количество на схеме: 1
Информация
Шайба
Количество
1
14231958;
Покрытие
без покрытия
5
5
Артикул: 7540-3514130
нет в наличии
Крышка корпуса крана
Количество на схеме: 1
Информация
Крышка корпуса крана
Количество
1
14231959;
Модель
7540
Группа
Тормоза
Подгруппа
Кран управления пневмотормозами (тормозной кран)
Порядковый номер детали
130
6
6
Артикул: 540-8101050
нет в наличии
Шарик
Количество на схеме: 1
Информация
Шарик
Количество
1
14231960;
Модель
540
Группа
Отопление и вентиляция кабины
Подгруппа
Отопитель (кузова)
Порядковый номер детали
050
7
7
Артикул: 7540-3514486
нет в наличии
Втулка
Количество на схеме: 1
Информация
Втулка
Количество
1
14231961;
Модель
7540
Группа
Тормоза
Подгруппа
Кран управления пневмотормозами (тормозной кран)
Порядковый номер детали
486
8
8
Артикул: 540-1704177
нет в наличии
Пружина
Количество на схеме: 1
Информация
Пружина
Количество
1
14231962;
Модель
540
Группа
Коробка передач
Подгруппа
1704
Порядковый номер детали
177
9
9
Артикул: 7540-3514482
нет в наличии
Фиксатор
Количество на схеме: 1
Информация
Фиксатор
Количество
1
14231963;
Модель
7540
Группа
Тормоза
Подгруппа
Кран управления пневмотормозами (тормозной кран)
Порядковый номер детали
482
10
10
Артикул: 7512-3514082-10
нет в наличии
Толкатель
Количество на схеме: 1
Информация
Толкатель
Количество
1
14231964;
Модель
7512
Группа
Тормоза
Подгруппа
Кран управления пневмотормозами (тормозной кран)
Порядковый номер детали
082
Дополнительно
Не взаимозаменяема с деталью, выпущенной ранее под этим же номером
11
11
Артикул: 575-1312258-Б
нет в наличии
Чехол
Количество на схеме: 1
Информация
Чехол
Количество
1
14231965;
Модель
575
Группа
Система охлаждения
Подгруппа
1312
Порядковый номер детали
258
12
12
Артикул: 540М-3514467
нет в наличии
Ось
Количество на схеме: 1
Информация
Ось
Количество
1
14231966;
Модель
540М
Группа
Тормоза
Подгруппа
Кран управления пневмотормозами (тормозной кран)
Порядковый номер детали
467
13
13
Артикул: 7512-3514478
нет в наличии
Пружина
Количество на схеме: 1
Информация
Пружина
Количество
1
14231967;
Модель
7512
Группа
Тормоза
Подгруппа
Кран управления пневмотормозами (тормозной кран)
Порядковый номер детали
478
14
14
Артикул: 258040
нет в наличии
Шплинт
Количество на схеме: 1
Информация
Шплинт
Количество
1
14231968;
Покрытие
без покрытия
15
15
Артикул: 540М-3514466
нет в наличии
Ось
Количество на схеме: 1
Информация
Ось
Количество
1
14231969;
Модель
540М
Группа
Тормоза
Подгруппа
Кран управления пневмотормозами (тормозной кран)
Порядковый номер детали
466
16
16
Артикул: 258038
нет в наличии
Шплинт
Количество на схеме: 2
Информация
Шплинт
Количество
2
14231970;
Покрытие
без покрытия
17
17
Артикул: 540М-3514464
нет в наличии
Ролик
Количество на схеме: 1
Информация
Ролик
Количество
1
14231971;
Модель
540М
Группа
Тормоза
Подгруппа
Кран управления пневмотормозами (тормозной кран)
Порядковый номер детали
464
18
18
Артикул: 540М-3514450
нет в наличии
Педаль
Количество на схеме: 1
Информация
Педаль
Количество
1
14231972;
Модель
540М
Группа
Тормоза
Подгруппа
Кран управления пневмотормозами (тормозной кран)
Порядковый номер детали
450
19
19
Артикул: 549-1108016
нет в наличии
Накладка педали
Количество на схеме: 1
Информация
Накладка педали
Количество
1
14231973;
Модель
549
Группа
Cистема питания двигателя
Подгруппа
Управление карбюратором (акселератор - управление подачей топлива)
Порядковый номер детали
016
20
20
Артикул: 224622
нет в наличии
Винт
Количество на схеме: 7
Информация
Винт
Количество
7
14231974;
Покрытие
без покрытия
21
21
Артикул: 252037
нет в наличии
Шайба
Количество на схеме: 7
Информация
Шайба
Количество
7
14231975;
Покрытие
без покрытия
22
22
Артикул: 100-3514055
нет в наличии
Элемент уравновешивающий
Количество на схеме: 1
Информация
Элемент уравновешивающий
Количество
1
14231976;
Модель
100
Группа
Тормоза
Подгруппа
Кран управления пневмотормозами (тормозной кран)
Порядковый номер детали
055
23
23
Артикул: 7512-3514056-10
нет в наличии
Тарелка пружины
Количество на схеме: 1
Информация
Тарелка пружины
Количество
1
14231977;
Модель
7512
Группа
Тормоза
Подгруппа
Кран управления пневмотормозами (тормозной кран)
Порядковый номер детали
056
Дополнительно
Не взаимозаменяема с деталью, выпущенной ранее под этим же номером
24
24
Артикул: 7512-3514045
нет в наличии
Пробка
Количество на схеме: 1
Информация
Пробка
Количество
1
14231978;
Модель
7512
Группа
Тормоза
Подгруппа
Кран управления пневмотормозами (тормозной кран)
Порядковый номер детали
045
25
25
Артикул: 027-032-30-2-2
нет в наличии
Кольцо
Количество на схеме: 1
Информация
Кольцо
Количество
1
14231979;
26
26
Артикул: 008-012-25-2-2
нет в наличии
Кольцо
Количество на схеме: 6
Информация
Кольцо
Количество
6
14231980;
27
27
Артикул: 7512-3514060-10
нет в наличии
Шток
Количество на схеме: 1
Информация
Шток
Количество
1
14231981;
Модель
7512
Группа
Тормоза
Подгруппа
Кран управления пневмотормозами (тормозной кран)
Порядковый номер детали
060
Дополнительно
Не взаимозаменяема с деталью, выпущенной ранее под этим же номером
28
28
Артикул: 018-022-25-2-2
нет в наличии
Кольцо
Количество на схеме: 3
Информация
Кольцо
Количество
3
14231982;
29
29
Артикул: 020-025-30-2-2
нет в наличии
Кольцо
Количество на схеме: 2
Информация
Кольцо
Количество
2
14231983;
30
30
Артикул: 7512-3514025
нет в наличии
Гильза
Количество на схеме: 2
Информация
Гильза
Количество
2
14231984;
Модель
7512
Группа
Тормоза
Подгруппа
Кран управления пневмотормозами (тормозной кран)
Порядковый номер детали
025
31
31
Артикул: 025-030-30-2-2
нет в наличии
Кольцо
Количество на схеме: 2
Информация
Кольцо
Количество
2
14231985;
32
32
Артикул: 030-035-30-2-2
нет в наличии
Кольцо
Количество на схеме: 4
Информация
Кольцо
Количество
4
14231986;
33
33
Артикул: 7512-3514026
нет в наличии
Золотник
Количество на схеме: 1
Информация
Золотник
Количество
1
14231987;
Модель
7512
Группа
Тормоза
Подгруппа
Кран управления пневмотормозами (тормозной кран)
Порядковый номер детали
026
34
34
Артикул: 7512-3514028
нет в наличии
Толкатель
Количество на схеме: 1
Информация
Толкатель
Количество
1
14231988;
Модель
7512
Группа
Тормоза
Подгруппа
Кран управления пневмотормозами (тормозной кран)
Порядковый номер детали
028
35
35
Артикул: 7512-3514051
нет в наличии
Пружина
Количество на схеме: 1
Информация
Пружина
Количество
1
14231989;
Модель
7512
Группа
Тормоза
Подгруппа
Кран управления пневмотормозами (тормозной кран)
Порядковый номер детали
051
36
36
Артикул: 7512-3514089
нет в наличии
Поршень
Количество на схеме: 1
Информация
Поршень
Количество
1
14231990;
Модель
7512
Группа
Тормоза
Подгруппа
Кран управления пневмотормозами (тормозной кран)
Порядковый номер детали
089
37
37
Артикул: 535-3509097
нет в наличии
Пружина
Количество на схеме: 1
Информация
Пружина
Количество
1
14231991;
Модель
535
Группа
Тормоза
Подгруппа
Компрессор пневмотормозов
Порядковый номер детали
097
38
38
Артикул: 7512-3514044
нет в наличии
Пробка
Количество на схеме: 1
Информация
Пробка
Количество
1
14231992;
Модель
7512
Группа
Тормоза
Подгруппа
Кран управления пневмотормозами (тормозной кран)
Порядковый номер детали
044
39
39
Артикул: 7512-3514020-10
нет в наличии
Корпус верхний
Количество на схеме: 1
Информация
Корпус верхний
Количество
1
14231993;
Модель
7512
Группа
Тормоза
Подгруппа
Кран управления пневмотормозами (тормозной кран)
Порядковый номер детали
020
Дополнительно
Не взаимозаменяема с деталью, выпущенной ранее под этим же номером
40
40
Артикул: 252155
нет в наличии
Шайба
Количество на схеме: 8
Информация
Шайба
Количество
8
14231994;
Покрытие
без покрытия
41
41
Артикул: 201457
нет в наличии
Болт
Количество на схеме: 8
Информация
Болт
Количество
8
14231995;
Покрытие
без покрытия
42
42
Артикул: 7512-3514032
нет в наличии
Игла запорная
Количество на схеме: 2
Информация
Игла запорная
Количество
2
14231996;
Модель
7512
Группа
Тормоза
Подгруппа
Кран управления пневмотормозами (тормозной кран)
Порядковый номер детали
032
43
43
Артикул: 7512-3514040
нет в наличии
Корпус нижний
Количество на схеме: 1
Информация
Корпус нижний
Количество
1
14231997;
Модель
7512
Группа
Тормоза
Подгруппа
Кран управления пневмотормозами (тормозной кран)
Порядковый номер детали
040
  • Грузовые автомобили
  • Автобусы
  • Сельхозтехника
  • Спецтехника
  • Двигатели
Получить оптовый прайс-лист
Скачать прайс-лист от 25.05.2026 16:00
Специальное предложение от 25.05.2026 17:00
Производители:


  • WEICHAI
  • Автодизель ПАО (ЯМЗ)
  • Тутаевский МЗ
  • ЯЗДА
  • УралАЗ
  • МАЗ
  • АЗПИ
  • BOSCH
  • ММЗ
  • ШААЗ
  • FEDERAL MOGUL
  • ПРАМО
  • Мотордеталь
  • ТАИМ
  • АвтоКрАЗ
  • БЕЛКАРД
  • CZ Strakonice
  • КамАЗ
  • БЗА
  • ЧМЗ
  • BMZ
Новости
Все новости
25 марта 2024
Флагманский седельный тягач «Валдай 45» на выставке «TransRussia»
10 марта 2024
Современные автобусы «CITYMAX 9» и ЛиАЗ-5292 CNG
25 февраля 2024
Серийное производство средних дизельных двигателей повышенной мощности от ЯМЗ
Статьи
Все статьи
Датчики двигателя: за что они отвечают, признаки неисправности и как не прогадать с выбором
Двигатели ЯМЗ-534: история, технические характеристики и области применения
Двигатели ЯМЗ 650: углублённый технический обзор и история
Компания
О компании
Реквизиты
Новости
Политика
Магазины
Информация
Условия оплаты
Условия доставки
Гарантия на товар
Обмен и возврат товара
Помощь
Как оформить заказ
Полезные статьи
Бренды
Пункты выдачи
Оставайтесь на связи
  • Вконтакте
  • YouTube
  • Одноклассники
  • Google Plus
Увидели ошибку?
Выделите, нажав Ctrl + Enter
Наши контакты
8-800-700-35-68
sales@din76.ru
г. Ярославль, Ленинградский пр-т 33, ТЦ "ОМЕГА"
2026 © ООО «Динамика 76» - Все права защищены ООО "Динамика 76"
Предложения на сайте не являются публичной офертой.
На сайте обнаружена ошибка

Текст с ошибкой