Избранное 0 Корзина 0 Личный кабинет
logo
Каталог
Каталог
  • Справочник
    • Грузовые автомобили
    • Автобусы
    • Сельхозтехника
    • Спецтехника
    • Двигатели
  • Доставка
  • Оплата
  • О компании
    • Реквизиты
    • Магазины
    • Оплата
    • Доставка
    • Лицензии и сертификаты
    • Новости
    • Вакансии
  • Контакты
Отправить заявку
Личный кабинет
8 (800) 700-35-68
sales@din76.ru
Избранное 0 Корзина 0
8 (800) 700-35-68
Оптовый прайс-лист
Каталог
  • Двигатели
  • Запчасти WEICHAI
  • Запчасти ЯМЗ, ТМЗ (V-образные)
  • Запчасти ЯМЗ-534, ЯМЗ-536
  • Запчасти ЯМЗ-650, ЯМЗ-651, DCi-11
  • Топливная аппаратура
  • Запчасти УРАЛ
  • Запчасти МАЗ
  • Запчасти КамАЗ
  • Запчасти ММЗ
  • Ремни
Автокаталог (справочник)
  • Доставка
  • Оплата
  • О компании
  • Контакты
8 (800) 700-35-68
Написать в Whatsapp
sales@din76.ru
Динамика 76
Меню  
  • Каталог
    • Двигатели  
      • Двигатели ТМЗ  
        • Двигатели ТМЗ для автомобилей
        • Двигатели ТМЗ для тракторов
        • Специальные двигатели ТМЗ
        • Промышленные двигатели ТМЗ
      • Двигатели ЯМЗ  
        • ЯМЗ 236
        • ЯМЗ 238
        • ЯМЗ 240
        • ЯМЗ 751
        • ЯМЗ 840
        • ЯМЗ 850
        • ЯМЗ 656
        • ЯМЗ 658
        • ЯМЗ 534
        • ЯМЗ 536
        • ЯМЗ 650
        • Двигатели ЯМЗ для электростанций
      • Двигатели КАМАЗ
      • Двигатели ММЗ
      • Двигатели индивидуальной сборки
      • Комплекты переоборудования
    • Запчасти WEICHAI  
      • Основные запчасти двигателя  
        • Клапаны и толкатели
        • Шатуны
        • Вал коленчатый и маховик
        • Вал распределительный
        • Цилиндро-поршневая группа
      • Система питания  
        • Форсунки
        • Турбокомпрессор
      • Система смазки  
        • Насос масляный
      • Головка блока
      • Ремкомплекты
      • Система охлаждения  
        • Насос водяной
        • Муфта вязкостная и крыльчатка
      • Фильтры
      • Электрооборудование  
        • Генератор
        • Стартер
    • Запчасти ЯМЗ, ТМЗ (V-образные)  
      • Основные запчасти двигателя  
        • Блок двигателя и комплектующие
        • Валы распределительные и клапаны
        • Головка блока и комплектующие
        • Цилиндро-поршневая группа
        • Маховики и комплектующие
        • Валы коленчатые и комплектующие
        • Шатуны и комплектующие
      • Система питания  
        • Коллекторы и патрубки
        • Топливные трубопроводы
        • Турбокомпрессор
        • Топливные фильтры
      • Электрооборудование двигателя
      • Система охлаждения  
        • Вязкостные муфты и крыльчатки
        • Приводы вентилятора
        • Водяные насосы
        • Водяные трубы и термостаты
      • Коробки переключения передач  
        • 8 Ступенчатые КПП
        • 5 Ступенчатые КПП
        • 9 Ступенчатые КПП
        • Запасные части КПП ЯМЗ, ТМЗ
      • Система смазки  
        • Теплообменник и комплектующие
        • Масляные насосы
        • Фильтры масляные (ФГОМ, ФЦОМ)
      • Сцепление  
        • Запасные части механизма сцепления
        • Муфты (подшипники выжимные)
        • Корзины (диски нажимные)
        • Диски ведомые
      • Прочие запчасти двигателя  
        • Ремкомплекты
        • Привод агрегатов
        • Натяжные устройства
        • Трубки
    • Запчасти ЯМЗ-534, ЯМЗ-536  
      • Основные запчасти двигателя  
        • Цилиндро-поршневая группа
        • Головка блока цилиндров и комплектующие
        • Блок цилиндров и комплектующие
        • Вал коленчатый и маховик
        • Вал распределительный
        • Клапаны и толкатели
        • ГУР (Гидроусилитель руля)
        • Система рециркуляции отработавших газов
        • Выпускной коллектор
      • Система питания  
        • Коллекторы и патрубки
        • Топливные фильтры
        • Турбокомпрессор
        • Топливные трубопроводы
      • Система смазки  
        • Масляный картер поддон
        • Масляный насос
        • Теплообменник /Водо-масляный радиатор
        • Фильтры масляные (ФГОМ, ФЦОМ)
      • Пневмокомпрессор и натяжное
      • Система охлаждения  
        • Водяной насос
        • Водяные трубы и патрубки
        • Муфты вязкостные, приводы, крыльчатки
      • Ремкомплекты
      • Сцепление
      • Электрооборудование
    • Запчасти ЯМЗ-650, ЯМЗ-651, DCi-11  
      • Основные запчасти двигателя  
        • Цилиндро-поршневая группа
        • Головка блока цилиндров и комплектующие
        • Блок цилиндров и комплектующие
        • Вал коленчатый и маховик
        • Выпускной коллектор
        • Вал распределительный
        • Клапаны и толкатели
        • ГУР (Гидроусилитель руля)
        • Система рециркуляции отработавших газов
      • Система питания  
        • Коллекторы и патрубки
        • Топливные трубопроводы
        • Топливные фильтры
        • Турбокомпрессор
      • Система смазки  
        • Масляный картер / поддон
        • Масляный насос
        • Теплообменник / Водо-масляный радиатор
        • Фильтры масляные (ФГОМ, ФЦОМ)
      • Система охлаждения  
        • Водяной насос
        • Водяные трубы и патрубки
        • Муфты вязкостные, приводы, крыльчатки
      • Ремкомплекты
      • Пневмокомпрессор и натяжное
      • Электрооборудование
      • Сцепление
    • Топливная аппаратура  
      • ЯЗДА  
        • Распылители
        • ТНВД
        • Форсунки
        • Топливный насос низкого давления
        • Пары плунжерные
        • Муфта опережения впрыска топлива
        • Запчасти и комплектующие ТНВД
      • НЗТА
      • АЗПИ  
        • Распылители
        • Форсунки
      • BOSCH
    • Запчасти УРАЛ  
      • Трансмиссия  
        • Коробка раздаточная
        • Передача карданная
        • Мост задний
        • Мост передний (ведущий)
        • Мост средний (промежуточный)
      • Кузов  
        • Дверь кабины
        • Капот, крылья, облицовка радиатора
        • Окно ветровое и заднее
        • Отопление и вентиляция кабины
        • Кабина
      • Механизмы управления  
        • Управление рулевое
        • Тормоза
      • Дополнительное оборудование  
        • Отбор мощности
        • Устройство седельное
      • Электрооборудование
      • Ходовая часть  
        • Колеса и ступицы
        • Ось передняя
        • Подвеска автомобиля
        • Рама
    • Запчасти МАЗ  
      • Трансмиссия  
        • Мост задний
        • Мост передний (ведущий)
        • Передача карданная
        • Мост средний (промежуточный)
      • Кузов  
        • Кабина
        • Дверь кабины
        • Детали основания кабины
        • Окно ветровое и заднее
        • Платформа
      • Механизмы управления  
        • Тормоза
        • Управление рулевое
      • Ходовая часть  
        • Колеса и ступицы
        • Ось передняя
        • Подвеска автомобиля
        • Рама
    • Запчасти КамАЗ  
      • Кузов  
        • Кабина
        • Капот, крылья, облицовка радиатора
        • Дверь кабины
        • Платформа
        • Окно ветровое и заднее
        • Устройство подъемное и опрокидывающее
        • Сиденье
        • Крыша кабины (крыша кузова)
        • Отопление и вентиляция кабины
      • Трансмиссия  
        • Коробка передач
        • Коробка раздаточная
        • Мост задний
        • Сцепление
        • Мост средний (промежуточный)
        • Передача карданная
        • Мост передний (ведущий)
      • Двигатель  
        • Основные запчасти двигателя
        • Система охлаждения
        • Система питания
        • Система смазки
      • Дополнительное оборудование  
        • Отбор мощности
        • Устройство седельное
      • Ходовая часть  
        • Подвеска автомобиля
        • Рама
        • Колеса и ступицы
        • Ось передняя
      • Механизмы управления  
        • Тормоза
        • Управление рулевое
      • Электрооборудование
    • Запчасти ММЗ
    • Ремни
  • Справочник
    • Грузовые автомобили
    • Автобусы
    • Сельхозтехника
    • Спецтехника
    • Двигатели
  • Как купить
    • Условия оплаты
    • Условия доставки
    • Гарантия на товар
    • Пункты выдачи
  • Услуги
    • Капитальный ремонт двигателей ЯМЗ
  • Акции
  • Статьи
  • Контакты
  • Компания
    • Реквизиты
    • Магазины
    • Оплата
    • Доставка
    • Лицензии и сертификаты
    • Новости
    • Вакансии
Избранное 0 Корзина 0
8-800-700-35-68

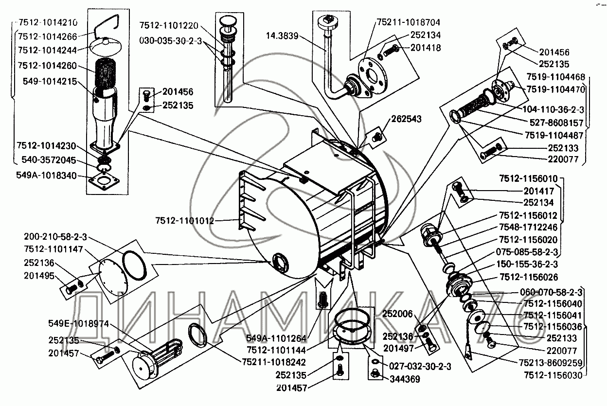
Бак топливный на БелАЗ-7512 (до 2002 г.)

Справочник
Главная
-
Автокаталог
-
Грузовые автомобили и прицепы
-
БелАЗ
-
БелАЗ-7512
Справочный каталог

Бак топливный — БелАЗ-7512:

027-032-30-2-3 030-035-30-2-3 060-070-58-2-3 075-085-58-2-3 104-110-36-2-3 14.3839 150-155-36-2-3 200-210-58-2-3 201417 201418 201456 201456 201457 201457 201495 201497 220077 220077 252006 252133 252133 252134 252134 252135 252135 252135 252135 252136 252136 262543 344369 527-8608157 540-3572045 549-1014215 549А-1018340 549А-1101264 549Е-1018974 7509-1018992 7512-1014210 7512-1014230 7512-1014244 7512-1014260 7512-1014266 7512-1101012 7512-1101144 7512-1101147 7512-1101220 7512-1156010 7512-1156012 7512-1156020 7512-1156026 7512-1156030 7512-1156036 7512-1156040 7512-1156041 7519-1104468 7519-1104470 7519-1104487 75211-1018242 75211-1018704 75213-8608259 75213-8608750 7548-1712246
в наличии
нет в наличии
масштаб

В наличии
Нет в наличии

Перечень комплектующих от Бак топливный на БелАЗ-7512

Схемы запчастей предназначены для справочных целей! Мы продаем не все запчасти от Бак топливный на БелАЗ-7512, представленные в этом списке.
Наличие на складах по деталям с ценой смотрите в карточке товара.
Артикул: 027-032-30-2-3
нет в наличии
Кольцо
Количество на схеме: 1
Информация
Кольцо
Количество
1
884104;
Артикул: 030-035-30-2-3
нет в наличии
Кольцо
Количество на схеме: 2
Информация
Кольцо
Количество
2
884105;
Артикул: 060-070-58-2-3
нет в наличии
Кольцо
Количество на схеме: 1
Информация
Кольцо
Количество
1
884107;
Артикул: 075-085-58-2-3
нет в наличии
Кольцо
Количество на схеме: 1
Информация
Кольцо
Количество
1
884108;
Артикул: 104-110-36-2-3
нет в наличии
Кольцо
Количество на схеме: 1
Информация
Кольцо
Количество
1
884102;
Артикул: 14-3839
нет в наличии
Датчик уровня
Количество на схеме: 2
Информация
Датчик уровня
Количество
2
884097;
Артикул: 150-155-36-2-3
нет в наличии
Кольцо
Количество на схеме: 1
Информация
Кольцо
Количество
1
884106;
Артикул: 200-210-58-2-3
нет в наличии
Кольцо
Количество на схеме: 2
Информация
Кольцо
Количество
2
884103;
Артикул: 201417
нет в наличии
Болт
Количество на схеме: 8
Информация
Болт
Количество
8
884092;
Покрытие
без покрытия
Артикул: 201418
нет в наличии
Болт
Количество на схеме: 10
Информация
Болт
Количество
10
884095;
Покрытие
без покрытия
Артикул: 201456
нет в наличии
Болт
Количество на схеме: 10
Информация
Болт
Количество
10
884091;
Покрытие
без покрытия
Артикул: 201457
нет в наличии
Болт
Количество на схеме: 2
Информация
Болт
Количество
2
884093;
Покрытие
без покрытия
Артикул: 201495
нет в наличии
Болт
Количество на схеме: 1
Информация
Болт
Количество
1
884090;
Покрытие
без покрытия
Артикул: 201497
нет в наличии
Болт
Количество на схеме: 1
Информация
Болт
Количество
1
884094;
Покрытие
без покрытия
Артикул: 220077
нет в наличии
Винт
Количество на схеме: 7
Информация
Винт
Количество
7
884096;
Покрытие
без покрытия
Артикул: 252006
нет в наличии
Шайба
Количество на схеме: 1
Информация
Шайба
Количество
1
884140;
Покрытие
без покрытия
Артикул: 252133
нет в наличии
Шайба
Количество на схеме: 7
Информация
Шайба
Количество
7
884137;
Покрытие
без покрытия
Артикул: 252134
нет в наличии
Шайба
Количество на схеме: 18
Информация
Шайба
Количество
18
884138;
Покрытие
без покрытия
Артикул: 252135
нет в наличии
Шайба
Количество на схеме: 2
Информация
Шайба
Количество
2
884139;
Покрытие
без покрытия
Артикул: 252136
нет в наличии
Шайба
Количество на схеме: 2
Информация
Шайба
Количество
2
884141;
Покрытие
без покрытия
Артикул: 262543
нет в наличии
Пробка
Количество на схеме: 1
Информация
Пробка
Количество
1
884124;
Покрытие
без покрытия
Артикул: 344369
нет в наличии
Пробка
Количество на схеме: 1
Информация
Пробка
Количество
1
884122;
Покрытие
без покрытия
Артикул: 527-8608157
нет в наличии
Каркас с сеткой в сборе
Количество на схеме: 1
Информация
Каркас с сеткой в сборе
Количество
1
884099;
Модель
527
Группа
Механизм опрокидывающий платформы автомобиля-самосвала
Подгруппа
Бак масляный
Порядковый номер детали
157
Артикул: 540-3572045
нет в наличии
Кольцо
Количество на схеме: 1
Информация
Кольцо
Количество
1
884109;
Модель
540
Группа
Тормоза
Подгруппа
3572
Порядковый номер детали
045
Артикул: 549-1014215
нет в наличии
Корпус
Количество на схеме: 1
Информация
Корпус
Количество
1
884110;
Модель
549
Группа
Двигатель
Подгруппа
Вентиляция масляного картера
Порядковый номер детали
215
Артикул: 549А-1018340
нет в наличии
Прокладка
Количество на схеме: 1
Информация
Прокладка
Количество
1
884125;
Модель
549А
Группа
Двигатель
Подгруппа
Маслопроводы
Порядковый номер детали
340
Артикул: 549А-1101264
нет в наличии
Пробка сливного крана
Количество на схеме: 2
Информация
Пробка сливного крана
Количество
2
884123;
Модель
549А
Группа
Cистема питания двигателя
Подгруппа
Бак топливный
Порядковый номер детали
264
Артикул: 549Е-1018974
нет в наличии
Электронагреватель
Количество на схеме: 2
Информация
Электронагреватель
Количество
2
884143;
Модель
549Е
Группа
Двигатель
Подгруппа
Маслопроводы
Порядковый номер детали
974
Артикул: 7509-1018992
нет в наличии
Крышка
Количество на схеме: 2
Информация
Крышка
Количество
2
884119;
Модель
7509
Группа
Двигатель
Подгруппа
Маслопроводы
Порядковый номер детали
992
Артикул: 7512-1014210
нет в наличии
Сапун в сборе
Количество на схеме: 1
Информация
Сапун в сборе
Количество
1
884129;
Модель
7512
Группа
Двигатель
Подгруппа
Вентиляция масляного картера
Порядковый номер детали
210
Артикул: 7512-1014230
нет в наличии
Отражатель
Количество на схеме: 1
Информация
Отражатель
Количество
1
884120;
Модель
7512
Группа
Двигатель
Подгруппа
Вентиляция масляного картера
Порядковый номер детали
230
Артикул: 7512-1014244
нет в наличии
Крышка
Количество на схеме: 1
Информация
Крышка
Количество
1
884118;
Модель
7512
Группа
Двигатель
Подгруппа
Вентиляция масляного картера
Порядковый номер детали
244
Артикул: 7512-1014260
нет в наличии
Фильтр
Количество на схеме: 1
Информация
Фильтр
Количество
1
884132;
Модель
7512
Группа
Двигатель
Подгруппа
Вентиляция масляного картера
Порядковый номер детали
260
Артикул: 7512-1014266
нет в наличии
Замок
Количество на схеме: 1
Информация
Замок
Количество
1
884098;
Модель
7512
Группа
Двигатель
Подгруппа
Вентиляция масляного картера
Порядковый номер детали
266
Артикул: 7512-1101012
нет в наличии
Корпус бака
Количество на схеме: 1
Информация
Корпус бака
Количество
1
884111;
Модель
7512
Группа
Cистема питания двигателя
Подгруппа
Бак топливный
Порядковый номер детали
012
Артикул: 7512-1101144
нет в наличии
Крышка
Количество на схеме: 1
Информация
Крышка
Количество
1
884116;
Модель
7512
Группа
Cистема питания двигателя
Подгруппа
Бак топливный
Порядковый номер детали
144
Артикул: 7512-1101147
нет в наличии
Крышка
Количество на схеме: 1
Информация
Крышка
Количество
1
884117;
Модель
7512
Группа
Cистема питания двигателя
Подгруппа
Бак топливный
Порядковый номер детали
147
Артикул: 7512-1101220
нет в наличии
Щуп
Количество на схеме: 1
Информация
Щуп
Количество
1
884142;
Модель
7512
Группа
Cистема питания двигателя
Подгруппа
Бак топливный
Порядковый номер детали
220
Артикул: 7512-1156010
нет в наличии
Клапан в сборе
Количество на схеме: 1
Информация
Клапан в сборе
Количество
1
884101;
Модель
7512
Группа
Cистема питания двигателя
Подгруппа
Клапан топливный обратный
Порядковый номер детали
010
Артикул: 7512-1156012
нет в наличии
Корпус клапана
Количество на схеме: 1
Информация
Корпус клапана
Количество
1
884112;
Модель
7512
Группа
Cистема питания двигателя
Подгруппа
Клапан топливный обратный
Порядковый номер детали
012
Артикул: 7512-1156020
нет в наличии
Клапан
Количество на схеме: 1
Информация
Клапан
Количество
1
884100;
Модель
7512
Группа
Cистема питания двигателя
Подгруппа
Клапан топливный обратный
Порядковый номер детали
020
Артикул: 7512-1156026
нет в наличии
Фланец
Количество на схеме: 1
Информация
Фланец
Количество
1
884133;
Модель
7512
Группа
Cистема питания двигателя
Подгруппа
Клапан топливный обратный
Порядковый номер детали
026
Артикул: 7512-1156030
нет в наличии
Крышка в сборе
Количество на схеме: 1
Информация
Крышка в сборе
Количество
1
884113;
Модель
7512
Группа
Cистема питания двигателя
Подгруппа
Клапан топливный обратный
Порядковый номер детали
030
Артикул: 7512-1156036
нет в наличии
Ручка
Количество на схеме: 1
Информация
Ручка
Количество
1
884128;
Модель
7512
Группа
Cистема питания двигателя
Подгруппа
Клапан топливный обратный
Порядковый номер детали
036
Артикул: 7512-1156040
нет в наличии
Крышка
Количество на схеме: 1
Информация
Крышка
Количество
1
884114;
Модель
7512
Группа
Cистема питания двигателя
Подгруппа
Клапан топливный обратный
Порядковый номер детали
040
Артикул: 7512-1156041
нет в наличии
Крышка
Количество на схеме: 1
Информация
Крышка
Количество
1
884115;
Модель
7512
Группа
Cистема питания двигателя
Подгруппа
Клапан топливный обратный
Порядковый номер детали
041
Артикул: 7519-1104468
нет в наличии
Трубопровод
Количество на схеме: 1
Информация
Трубопровод
Количество
1
884131;
Модель
7519
Группа
Cистема питания двигателя
Подгруппа
Трубопроводы топливные
Порядковый номер детали
468
Артикул: 7519-1104470
нет в наличии
Труба
Количество на схеме: 1
Информация
Труба
Количество
1
884130;
Модель
7519
Группа
Cистема питания двигателя
Подгруппа
Трубопроводы топливные
Порядковый номер детали
470
Артикул: 7519-1104487
нет в наличии
Фланец прижимной
Количество на схеме: 1
Информация
Фланец прижимной
Количество
1
884134;
Модель
7519
Группа
Cистема питания двигателя
Подгруппа
Трубопроводы топливные
Порядковый номер детали
487
Артикул: 75211-1018242
нет в наличии
Прокладка
Количество на схеме: 2
Информация
Прокладка
Количество
2
884126;
Модель
75211
Группа
Двигатель
Подгруппа
Маслопроводы
Порядковый номер детали
242
Артикул: 75211-1018704
нет в наличии
Фланец
Количество на схеме: 2
Информация
Фланец
Количество
2
884135;
Модель
75211
Группа
Двигатель
Подгруппа
Маслопроводы
Порядковый номер детали
704
Артикул: 75213-8608259
нет в наличии
Пластина
Количество на схеме: 1
Информация
Пластина
Количество
1
884121;
Модель
75213
Группа
Механизм опрокидывающий платформы автомобиля-самосвала
Подгруппа
Бак масляный
Порядковый номер детали
259
Артикул: 75213-8608750
нет в наличии
Цепочка
Количество на схеме: 1
Информация
Цепочка
Количество
1
884136;
Модель
75213
Группа
Механизм опрокидывающий платформы автомобиля-самосвала
Подгруппа
Бак масляный
Порядковый номер детали
750
Артикул: 7548-1712246
нет в наличии
Пружина
Количество на схеме: 1
Информация
Пружина
Количество
1
884127;
Модель
7548
Группа
Коробка передач
Подгруппа
1712
Порядковый номер детали
246
  • Грузовые автомобили
  • Автобусы
  • Сельхозтехника
  • Спецтехника
  • Двигатели
Получить оптовый прайс-лист
Скачать прайс-лист от 08.05.2026 16:00
Специальное предложение от 08.05.2026 17:00
Производители:


  • WEICHAI
  • Автодизель ПАО (ЯМЗ)
  • Тутаевский МЗ
  • ЯЗДА
  • УралАЗ
  • МАЗ
  • АЗПИ
  • BOSCH
  • ММЗ
  • ШААЗ
  • FEDERAL MOGUL
  • ПРАМО
  • Мотордеталь
  • ТАИМ
  • АвтоКрАЗ
  • БЕЛКАРД
  • CZ Strakonice
  • КамАЗ
  • БЗА
  • ЧМЗ
  • BMZ
Новости
Все новости
25 марта 2024
Флагманский седельный тягач «Валдай 45» на выставке «TransRussia»
10 марта 2024
Современные автобусы «CITYMAX 9» и ЛиАЗ-5292 CNG
25 февраля 2024
Серийное производство средних дизельных двигателей повышенной мощности от ЯМЗ
Статьи
Все статьи
Датчики двигателя: за что они отвечают, признаки неисправности и как не прогадать с выбором
Двигатели ЯМЗ-534: история, технические характеристики и области применения
Двигатели ЯМЗ 650: углублённый технический обзор и история
Компания
О компании
Реквизиты
Новости
Политика
Магазины
Информация
Условия оплаты
Условия доставки
Гарантия на товар
Обмен и возврат товара
Помощь
Как оформить заказ
Полезные статьи
Бренды
Пункты выдачи
Оставайтесь на связи
  • Вконтакте
  • YouTube
  • Одноклассники
  • Google Plus
Увидели ошибку?
Выделите, нажав Ctrl + Enter
Наши контакты
8-800-700-35-68
sales@din76.ru
г. Ярославль, Ленинградский пр-т 33, ТЦ "ОМЕГА"
2026 © ООО «Динамика 76» - Все права защищены ООО "Динамика 76"
Предложения на сайте не являются публичной офертой.
На сайте обнаружена ошибка

Текст с ошибкой