Избранное 0 Корзина 0 Личный кабинет
logo
Каталог
Каталог
  • Справочник
    • Грузовые автомобили
    • Автобусы
    • Сельхозтехника
    • Спецтехника
    • Двигатели
  • Доставка
  • Оплата
  • О компании
    • Реквизиты
    • Магазины
    • Оплата
    • Доставка
    • Лицензии и сертификаты
    • Новости
    • Вакансии
  • Контакты
Отправить заявку
Личный кабинет
8 (800) 700-35-68
sales@din76.ru
Избранное 0 Корзина 0
8 (800) 700-35-68
Оптовый прайс-лист
Каталог
  • Двигатели
  • Запчасти WEICHAI
  • Запчасти ЯМЗ, ТМЗ (V-образные)
  • Запчасти ЯМЗ-534, ЯМЗ-536
  • Запчасти ЯМЗ-650, ЯМЗ-651, DCi-11
  • Топливная аппаратура
  • Запчасти УРАЛ
  • Запчасти МАЗ
  • Запчасти КамАЗ
  • Запчасти ММЗ
  • Ремни
Автокаталог (справочник)
  • Доставка
  • Оплата
  • О компании
  • Контакты
8 (800) 700-35-68
Написать в Whatsapp
sales@din76.ru
Динамика 76
Меню  
  • Каталог
    • Двигатели  
      • Двигатели ТМЗ  
        • Двигатели ТМЗ для автомобилей
        • Двигатели ТМЗ для тракторов
        • Специальные двигатели ТМЗ
        • Промышленные двигатели ТМЗ
      • Двигатели ЯМЗ  
        • ЯМЗ 236
        • ЯМЗ 238
        • ЯМЗ 240
        • ЯМЗ 751
        • ЯМЗ 840
        • ЯМЗ 850
        • ЯМЗ 656
        • ЯМЗ 658
        • ЯМЗ 534
        • ЯМЗ 536
        • ЯМЗ 650
        • Двигатели ЯМЗ для электростанций
      • Двигатели КАМАЗ
      • Двигатели ММЗ
      • Двигатели индивидуальной сборки
      • Комплекты переоборудования
    • Запчасти WEICHAI  
      • Основные запчасти двигателя  
        • Клапаны и толкатели
        • Шатуны
        • Вал коленчатый и маховик
        • Вал распределительный
        • Цилиндро-поршневая группа
      • Система питания  
        • Форсунки
        • Турбокомпрессор
      • Система смазки  
        • Насос масляный
      • Головка блока
      • Ремкомплекты
      • Система охлаждения  
        • Насос водяной
        • Муфта вязкостная и крыльчатка
      • Фильтры
      • Электрооборудование  
        • Генератор
        • Стартер
    • Запчасти ЯМЗ, ТМЗ (V-образные)  
      • Основные запчасти двигателя  
        • Блок двигателя и комплектующие
        • Валы распределительные и клапаны
        • Головка блока и комплектующие
        • Цилиндро-поршневая группа
        • Маховики и комплектующие
        • Валы коленчатые и комплектующие
        • Шатуны и комплектующие
      • Система питания  
        • Коллекторы и патрубки
        • Топливные трубопроводы
        • Турбокомпрессор
        • Топливные фильтры
      • Электрооборудование двигателя
      • Система охлаждения  
        • Вязкостные муфты и крыльчатки
        • Приводы вентилятора
        • Водяные насосы
        • Водяные трубы и термостаты
      • Коробки переключения передач  
        • 8 Ступенчатые КПП
        • 5 Ступенчатые КПП
        • 9 Ступенчатые КПП
        • Запасные части КПП ЯМЗ, ТМЗ
      • Система смазки  
        • Теплообменник и комплектующие
        • Масляные насосы
        • Фильтры масляные (ФГОМ, ФЦОМ)
      • Сцепление  
        • Запасные части механизма сцепления
        • Муфты (подшипники выжимные)
        • Корзины (диски нажимные)
        • Диски ведомые
      • Прочие запчасти двигателя  
        • Ремкомплекты
        • Привод агрегатов
        • Натяжные устройства
        • Трубки
    • Запчасти ЯМЗ-534, ЯМЗ-536  
      • Основные запчасти двигателя  
        • Цилиндро-поршневая группа
        • Головка блока цилиндров и комплектующие
        • Блок цилиндров и комплектующие
        • Вал коленчатый и маховик
        • Вал распределительный
        • Клапаны и толкатели
        • ГУР (Гидроусилитель руля)
        • Система рециркуляции отработавших газов
        • Выпускной коллектор
      • Система питания  
        • Коллекторы и патрубки
        • Топливные фильтры
        • Турбокомпрессор
        • Топливные трубопроводы
      • Система смазки  
        • Масляный картер поддон
        • Масляный насос
        • Теплообменник /Водо-масляный радиатор
        • Фильтры масляные (ФГОМ, ФЦОМ)
      • Пневмокомпрессор и натяжное
      • Система охлаждения  
        • Водяной насос
        • Водяные трубы и патрубки
        • Муфты вязкостные, приводы, крыльчатки
      • Ремкомплекты
      • Сцепление
      • Электрооборудование
    • Запчасти ЯМЗ-650, ЯМЗ-651, DCi-11  
      • Основные запчасти двигателя  
        • Цилиндро-поршневая группа
        • Головка блока цилиндров и комплектующие
        • Блок цилиндров и комплектующие
        • Вал коленчатый и маховик
        • Выпускной коллектор
        • Вал распределительный
        • Клапаны и толкатели
        • ГУР (Гидроусилитель руля)
        • Система рециркуляции отработавших газов
      • Система питания  
        • Коллекторы и патрубки
        • Топливные трубопроводы
        • Топливные фильтры
        • Турбокомпрессор
      • Система смазки  
        • Масляный картер / поддон
        • Масляный насос
        • Теплообменник / Водо-масляный радиатор
        • Фильтры масляные (ФГОМ, ФЦОМ)
      • Система охлаждения  
        • Водяной насос
        • Водяные трубы и патрубки
        • Муфты вязкостные, приводы, крыльчатки
      • Ремкомплекты
      • Пневмокомпрессор и натяжное
      • Электрооборудование
      • Сцепление
    • Топливная аппаратура  
      • ЯЗДА  
        • Распылители
        • ТНВД
        • Форсунки
        • Топливный насос низкого давления
        • Пары плунжерные
        • Муфта опережения впрыска топлива
        • Запчасти и комплектующие ТНВД
      • НЗТА
      • АЗПИ  
        • Распылители
        • Форсунки
      • BOSCH
    • Запчасти УРАЛ  
      • Трансмиссия  
        • Коробка раздаточная
        • Передача карданная
        • Мост задний
        • Мост передний (ведущий)
        • Мост средний (промежуточный)
      • Кузов  
        • Дверь кабины
        • Капот, крылья, облицовка радиатора
        • Окно ветровое и заднее
        • Отопление и вентиляция кабины
        • Кабина
      • Механизмы управления  
        • Управление рулевое
        • Тормоза
      • Дополнительное оборудование  
        • Отбор мощности
        • Устройство седельное
      • Электрооборудование
      • Ходовая часть  
        • Колеса и ступицы
        • Ось передняя
        • Подвеска автомобиля
        • Рама
    • Запчасти МАЗ  
      • Трансмиссия  
        • Мост задний
        • Мост передний (ведущий)
        • Передача карданная
        • Мост средний (промежуточный)
      • Кузов  
        • Кабина
        • Дверь кабины
        • Детали основания кабины
        • Окно ветровое и заднее
        • Платформа
      • Механизмы управления  
        • Тормоза
        • Управление рулевое
      • Ходовая часть  
        • Колеса и ступицы
        • Ось передняя
        • Подвеска автомобиля
        • Рама
    • Запчасти КамАЗ  
      • Кузов  
        • Кабина
        • Капот, крылья, облицовка радиатора
        • Дверь кабины
        • Платформа
        • Окно ветровое и заднее
        • Устройство подъемное и опрокидывающее
        • Сиденье
        • Крыша кабины (крыша кузова)
        • Отопление и вентиляция кабины
      • Трансмиссия  
        • Коробка передач
        • Коробка раздаточная
        • Мост задний
        • Сцепление
        • Мост средний (промежуточный)
        • Передача карданная
        • Мост передний (ведущий)
      • Двигатель  
        • Основные запчасти двигателя
        • Система охлаждения
        • Система питания
        • Система смазки
      • Дополнительное оборудование  
        • Отбор мощности
        • Устройство седельное
      • Ходовая часть  
        • Подвеска автомобиля
        • Рама
        • Колеса и ступицы
        • Ось передняя
      • Механизмы управления  
        • Тормоза
        • Управление рулевое
      • Электрооборудование
    • Запчасти ММЗ
    • Ремни
  • Справочник
    • Грузовые автомобили
    • Автобусы
    • Сельхозтехника
    • Спецтехника
    • Двигатели
  • Как купить
    • Условия оплаты
    • Условия доставки
    • Гарантия на товар
    • Пункты выдачи
  • Услуги
    • Капитальный ремонт двигателей ЯМЗ
  • Акции
  • Статьи
  • Контакты
  • Компания
    • Реквизиты
    • Магазины
    • Оплата
    • Доставка
    • Лицензии и сертификаты
    • Новости
    • Вакансии
Избранное 0 Корзина 0
8-800-700-35-68

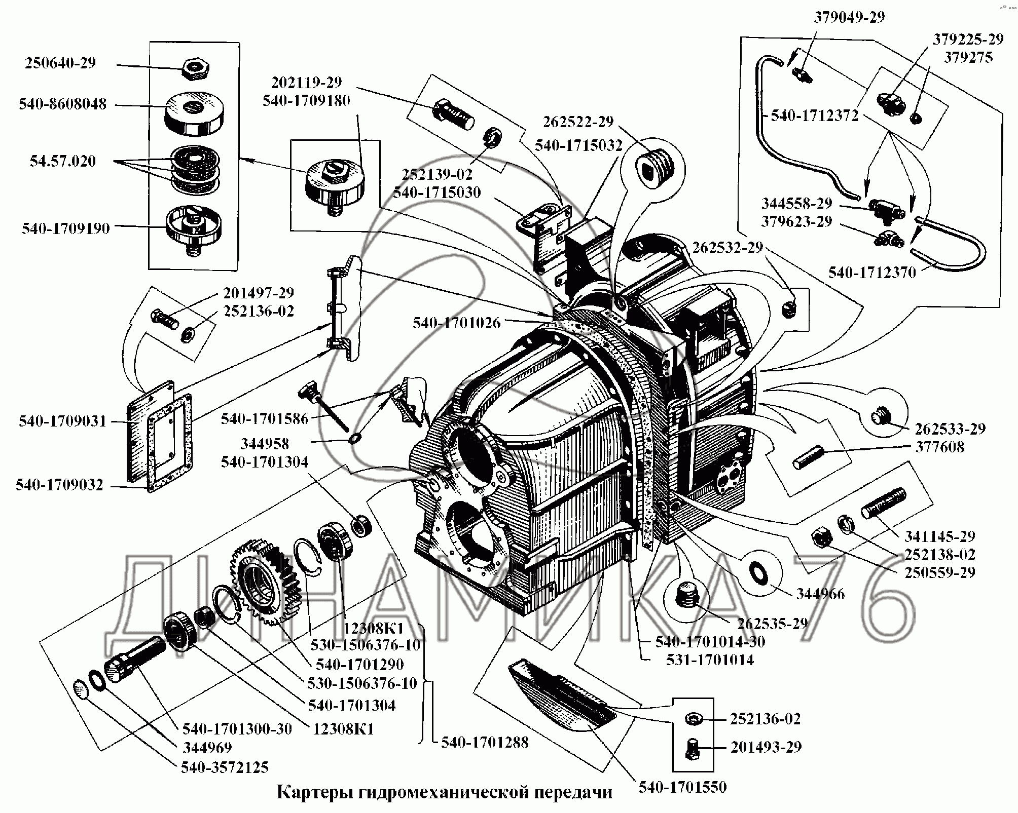
Картеры гидромеханической передачи на БелАЗ-540А (до 1975 г.)

Справочник
Главная
-
Автокаталог
-
Грузовые автомобили и прицепы
-
БелАЗ
-
БелАЗ-540А
Справочный каталог

Картеры гидромеханической передачи — БелАЗ-540А:

12308К1 12308К1 201493-29 201497-29 202119-29 250559-29 250640-29 252136-02 252136-02 252138-02 252139-02 262522-29 262533-29 262533-29 262535-29 262535-29 262535-29 341145-29 344558-29 344958 344966 344969 377608 379049-29 379225-29 379275 379623-29 530-1506376-10 530-1506376-10 531-1701014 54.57.020 540-1701014-30 540-1701014-30 540-1701026 540-1701288 540-1701290 540-1701300-30 540-1701304 540-1701304 540-1701550 540-1701586 540-1709031 540-1709032 540-1709180 540-1709190 540-1712370 540-1712372 540-1715030 540-1715032 540-3572125 540-8608048
в наличии
нет в наличии
масштаб

В наличии
Нет в наличии

Перечень комплектующих от Картеры гидромеханической передачи на БелАЗ-540А

Схемы запчастей предназначены для справочных целей! Мы продаем не все запчасти от Картеры гидромеханической передачи на БелАЗ-540А, представленные в этом списке.
Наличие на складах по деталям с ценой смотрите в карточке товара.
Артикул: 12308К1
нет в наличии
Подшипник
Количество на схеме: 2
Информация
Подшипник
Количество
2
Артикул: 201493-29
нет в наличии
Болт
Количество на схеме: 2
Информация
Болт
Количество
2
Покрытие
цинкование и пассивирование (цинковое с хроматированием)
Артикул: 201497-29
нет в наличии
Болт
Количество на схеме: 8
Информация
Болт
Количество
8
Покрытие
цинкование и пассивирование (цинковое с хроматированием)
Артикул: 202119-29
нет в наличии
Болт
Количество на схеме: 16
Информация
Болт
Количество
16
Покрытие
цинкование и пассивирование (цинковое с хроматированием)
Артикул: 250559-29
нет в наличии
Гайка
Количество на схеме: 16
Информация
Гайка
Количество
16
Покрытие
цинкование и пассивирование (цинковое с хроматированием)
Артикул: 250640-29
нет в наличии
Гайка
Количество на схеме: 1
Информация
Гайка
Количество
1
Покрытие
цинкование и пассивирование (цинковое с хроматированием)
Артикул: 252136-02
нет в наличии
Шайба пружинная
Количество на схеме: 10
Информация
Шайба пружинная
Количество
10
Покрытие
без покрытия
Артикул: 252138-02
нет в наличии
Шайба
Количество на схеме: 16
Информация
Шайба
Количество
16
Покрытие
без покрытия
Артикул: 252139-02
нет в наличии
Шайба пружинная
Количество на схеме: 16
Информация
Шайба пружинная
Количество
16
Покрытие
без покрытия
Артикул: 262522-29
нет в наличии
Пробка
Количество на схеме: 1
Информация
Пробка
Количество
1
Покрытие
цинкование и пассивирование (цинковое с хроматированием)
Артикул: 262533-29
нет в наличии
Пробка
Количество на схеме: 9
Информация
Пробка
Количество
9
Покрытие
цинкование и пассивирование (цинковое с хроматированием)
Артикул: 262535-29
нет в наличии
Пробка
Количество на схеме: 1
Информация
Пробка
Количество
1
Покрытие
цинкование и пассивирование (цинковое с хроматированием)
Артикул: 341145-29
нет в наличии
Шпилька
Количество на схеме: 29
Информация
Шпилька
Количество
29
Покрытие
цинкование и пассивирование (цинковое с хроматированием)
Артикул: 344558-29
нет в наличии
Тройник
Количество на схеме: 1
Информация
Тройник
Количество
1
Покрытие
цинкование и пассивирование (цинковое с хроматированием)
Артикул: 344958
нет в наличии
Кольцо
Количество на схеме: 1
Информация
Кольцо
Количество
1
Покрытие
без покрытия
Артикул: 344966
нет в наличии
Кольцо (0034496600)
Количество на схеме: 1
Информация
Кольцо (0034496600)
Количество
1
Покрытие
без покрытия
Артикул: 344969
нет в наличии
Кольцо У-50х45-2 (34496900)
Количество на схеме: 1
Информация
Кольцо У-50х45-2 (34496900)
Количество
1
Покрытие
без покрытия
Артикул: 377608
нет в наличии
Штифт
Количество на схеме: 4
Информация
Штифт
Количество
4
Покрытие
без покрытия
Артикул: 379049-29
нет в наличии
Ниппель
Количество на схеме: 1
Информация
Ниппель
Количество
1
Покрытие
цинкование и пассивирование (цинковое с хроматированием)
Артикул: 379225-29
нет в наличии
Гайка
Количество на схеме: 4
Информация
Гайка
Количество
4
Покрытие
цинкование и пассивирование (цинковое с хроматированием)
Артикул: 379275
нет в наличии
Муфта
Количество на схеме: 4
Информация
Муфта
Количество
4
Покрытие
без покрытия
Артикул: 379623-29
нет в наличии
Угольник
Количество на схеме: 1
Информация
Угольник
Количество
1
Покрытие
цинкование и пассивирование (цинковое с хроматированием)
Артикул: 530-1506376-10
нет в наличии
Кольцо
Количество на схеме: 2
Информация
Кольцо
Количество
2
Модель
530
Подгруппа
1506
Порядковый номер детали
376
Дополнительно
Не взаимозаменяема с деталью, выпущенной ранее под этим же номером
Артикул: 531-1701014
нет в наличии
Картер в сборе
Количество на схеме: 1
Информация
Картер в сборе
Количество
1
Модель
531
Группа
Коробка передач
Подгруппа
Коробка передач
Порядковый номер детали
014
Артикул: 54-57-020
нет в наличии
Элемент фильтрующий
Количество на схеме: 3
Информация
Элемент фильтрующий
Количество
3
Артикул: 540-1701014-30
нет в наличии
Картер в сборе
Количество на схеме: 1
Информация
Картер в сборе
Количество
1
Модель
540
Группа
Коробка передач
Подгруппа
Коробка передач
Порядковый номер детали
014
Дополнительно
Не взаимозаменяема с деталью, выпущенной ранее под этим же номером
Артикул: 540-1701026
нет в наличии
Прокладка
Количество на схеме: 1
Информация
Прокладка
Количество
1
Модель
540
Группа
Коробка передач
Подгруппа
Коробка передач
Порядковый номер детали
026
Артикул: 540-1701288
нет в наличии
Шестерня в сборе
Количество на схеме: 1
Информация
Шестерня в сборе
Количество
1
Модель
540
Группа
Коробка передач
Подгруппа
Коробка передач
Порядковый номер детали
288
Артикул: 540-1701290
нет в наличии
Шестерня
Количество на схеме: 1
Информация
Шестерня
Количество
1
Модель
540
Группа
Коробка передач
Подгруппа
Коробка передач
Порядковый номер детали
290
Артикул: 540-1701300-30
нет в наличии
Ось
Количество на схеме: 1
Информация
Ось
Количество
1
Модель
540
Группа
Коробка передач
Подгруппа
Коробка передач
Порядковый номер детали
300
Дополнительно
Не взаимозаменяема с деталью, выпущенной ранее под этим же номером
Артикул: 540-1701304
нет в наличии
Втулка
Количество на схеме: 2
Информация
Втулка
Количество
2
Модель
540
Группа
Коробка передач
Подгруппа
Коробка передач
Порядковый номер детали
304
Артикул: 540-1701550
нет в наличии
Брызговик
Количество на схеме: 1
Информация
Брызговик
Количество
1
Модель
540
Группа
Коробка передач
Подгруппа
Коробка передач
Порядковый номер детали
550
Артикул: 540-1701586
нет в наличии
Указатель уровня масла
Количество на схеме: 1
Информация
Указатель уровня масла
Количество
1
Модель
540
Группа
Коробка передач
Подгруппа
Коробка передач
Порядковый номер детали
586
Артикул: 540-1709031
нет в наличии
Крышка
Количество на схеме: 1
Информация
Крышка
Количество
1
Модель
540
Группа
Коробка передач
Подгруппа
1709
Порядковый номер детали
031
Артикул: 540-1709032
нет в наличии
Прокладка
Количество на схеме: 1
Информация
Прокладка
Количество
1
Модель
540
Группа
Коробка передач
Подгруппа
1709
Порядковый номер детали
032
Артикул: 540-1709180
нет в наличии
Сапун в сборе
Количество на схеме: 1
Информация
Сапун в сборе
Количество
1
Модель
540
Группа
Коробка передач
Подгруппа
1709
Порядковый номер детали
180
Артикул: 540-1709190
нет в наличии
Штуцер в сборе
Количество на схеме: 1
Информация
Штуцер в сборе
Количество
1
Модель
540
Группа
Коробка передач
Подгруппа
1709
Порядковый номер детали
190
Артикул: 540-1712370
нет в наличии
Трубка
Количество на схеме: 1
Информация
Трубка
Количество
1
Модель
540
Группа
Коробка передач
Подгруппа
1712
Порядковый номер детали
370
Артикул: 540-1712372
нет в наличии
Труба
Количество на схеме: 1
Информация
Труба
Количество
1
Модель
540
Группа
Коробка передач
Подгруппа
1712
Порядковый номер детали
372
Артикул: 540-1715030
нет в наличии
Кронштейн
Количество на схеме: 4
Информация
Кронштейн
Количество
4
Модель
540
Группа
Коробка передач
Подгруппа
1715
Порядковый номер детали
030
Артикул: 540-1715032
нет в наличии
Прокладка
Количество на схеме: 8
Информация
Прокладка
Количество
8
Модель
540
Группа
Коробка передач
Подгруппа
1715
Порядковый номер детали
032
Артикул: 540-3572125
нет в наличии
Прокладка
Количество на схеме: 2
Информация
Прокладка
Количество
2
Модель
540
Группа
Тормоза
Подгруппа
3572
Порядковый номер детали
125
Артикул: 540-8608048
нет в наличии
Крышка
Количество на схеме: 1
Информация
Крышка
Количество
1
Модель
540
Группа
Механизм опрокидывающий платформы автомобиля-самосвала
Подгруппа
Бак масляный
Порядковый номер детали
048
  • Грузовые автомобили
  • Автобусы
  • Сельхозтехника
  • Спецтехника
  • Двигатели
Получить оптовый прайс-лист
Скачать прайс-лист от 07.05.2026 08:00
Специальное предложение от 06.05.2026 17:00
Производители:


  • WEICHAI
  • Автодизель ПАО (ЯМЗ)
  • Тутаевский МЗ
  • ЯЗДА
  • УралАЗ
  • МАЗ
  • АЗПИ
  • BOSCH
  • ММЗ
  • ШААЗ
  • FEDERAL MOGUL
  • ПРАМО
  • Мотордеталь
  • ТАИМ
  • АвтоКрАЗ
  • БЕЛКАРД
  • CZ Strakonice
  • КамАЗ
  • БЗА
  • ЧМЗ
  • BMZ
Новости
Все новости
25 марта 2024
Флагманский седельный тягач «Валдай 45» на выставке «TransRussia»
10 марта 2024
Современные автобусы «CITYMAX 9» и ЛиАЗ-5292 CNG
25 февраля 2024
Серийное производство средних дизельных двигателей повышенной мощности от ЯМЗ
Статьи
Все статьи
Датчики двигателя: за что они отвечают, признаки неисправности и как не прогадать с выбором
Двигатели ЯМЗ-534: история, технические характеристики и области применения
Двигатели ЯМЗ 650: углублённый технический обзор и история
Компания
О компании
Реквизиты
Новости
Политика
Магазины
Информация
Условия оплаты
Условия доставки
Гарантия на товар
Обмен и возврат товара
Помощь
Как оформить заказ
Полезные статьи
Бренды
Пункты выдачи
Оставайтесь на связи
  • Вконтакте
  • YouTube
  • Одноклассники
  • Google Plus
Увидели ошибку?
Выделите, нажав Ctrl + Enter
Наши контакты
8-800-700-35-68
sales@din76.ru
г. Ярославль, Ленинградский пр-т 33, ТЦ "ОМЕГА"
2026 © ООО «Динамика 76» - Все права защищены ООО "Динамика 76"
Предложения на сайте не являются публичной офертой.
На сайте обнаружена ошибка

Текст с ошибкой