Избранное 0 Корзина 0 Личный кабинет
logo
Каталог
Каталог
  • Справочник
    • Грузовые автомобили
    • Автобусы
    • Сельхозтехника
    • Спецтехника
    • Двигатели
  • Доставка
  • Оплата
  • О компании
    • Реквизиты
    • Магазины
    • Оплата
    • Доставка
    • Лицензии и сертификаты
    • Новости
    • Вакансии
  • Контакты
Отправить заявку
Личный кабинет
8 (800) 700-35-68
sales@din76.ru
Избранное 0 Корзина 0
8 (800) 700-35-68
Оптовый прайс-лист
Каталог
  • Двигатели
  • Запчасти WEICHAI
  • Запчасти ЯМЗ, ТМЗ (V-образные)
  • Запчасти ЯМЗ-534, ЯМЗ-536
  • Запчасти ЯМЗ-650, ЯМЗ-651, DCi-11
  • Топливная аппаратура
  • Запчасти УРАЛ
  • Запчасти МАЗ
  • Запчасти КамАЗ
  • Запчасти ММЗ
  • Ремни
Автокаталог (справочник)
  • Доставка
  • Оплата
  • О компании
  • Контакты
8 (800) 700-35-68
Написать в Whatsapp
sales@din76.ru
Динамика 76
Меню  
  • Каталог
    • Двигатели  
      • Двигатели ТМЗ  
        • Двигатели ТМЗ для автомобилей
        • Двигатели ТМЗ для тракторов
        • Специальные двигатели ТМЗ
        • Промышленные двигатели ТМЗ
      • Двигатели ЯМЗ  
        • ЯМЗ 236
        • ЯМЗ 238
        • ЯМЗ 240
        • ЯМЗ 751
        • ЯМЗ 840
        • ЯМЗ 850
        • ЯМЗ 656
        • ЯМЗ 658
        • ЯМЗ 534
        • ЯМЗ 536
        • ЯМЗ 650
        • Двигатели ЯМЗ для электростанций
      • Двигатели КАМАЗ
      • Двигатели ММЗ
      • Двигатели индивидуальной сборки
      • Комплекты переоборудования
    • Запчасти WEICHAI  
      • Основные запчасти двигателя  
        • Клапаны и толкатели
        • Шатуны
        • Вал коленчатый и маховик
        • Вал распределительный
        • Цилиндро-поршневая группа
      • Система питания  
        • Форсунки
        • Турбокомпрессор
      • Система смазки  
        • Насос масляный
      • Головка блока
      • Ремкомплекты
      • Система охлаждения  
        • Насос водяной
        • Муфта вязкостная и крыльчатка
      • Фильтры
      • Электрооборудование  
        • Генератор
        • Стартер
    • Запчасти ЯМЗ, ТМЗ (V-образные)  
      • Основные запчасти двигателя  
        • Блок двигателя и комплектующие
        • Валы распределительные и клапаны
        • Головка блока и комплектующие
        • Цилиндро-поршневая группа
        • Маховики и комплектующие
        • Валы коленчатые и комплектующие
        • Шатуны и комплектующие
      • Система питания  
        • Коллекторы и патрубки
        • Топливные трубопроводы
        • Турбокомпрессор
        • Топливные фильтры
      • Электрооборудование двигателя
      • Система охлаждения  
        • Вязкостные муфты и крыльчатки
        • Приводы вентилятора
        • Водяные насосы
        • Водяные трубы и термостаты
      • Коробки переключения передач  
        • 8 Ступенчатые КПП
        • 5 Ступенчатые КПП
        • 9 Ступенчатые КПП
        • Запасные части КПП ЯМЗ, ТМЗ
      • Система смазки  
        • Теплообменник и комплектующие
        • Масляные насосы
        • Фильтры масляные (ФГОМ, ФЦОМ)
      • Сцепление  
        • Запасные части механизма сцепления
        • Муфты (подшипники выжимные)
        • Корзины (диски нажимные)
        • Диски ведомые
      • Прочие запчасти двигателя  
        • Ремкомплекты
        • Привод агрегатов
        • Натяжные устройства
        • Трубки
    • Запчасти ЯМЗ-534, ЯМЗ-536  
      • Основные запчасти двигателя  
        • Цилиндро-поршневая группа
        • Головка блока цилиндров и комплектующие
        • Блок цилиндров и комплектующие
        • Вал коленчатый и маховик
        • Вал распределительный
        • Клапаны и толкатели
        • ГУР (Гидроусилитель руля)
        • Система рециркуляции отработавших газов
        • Выпускной коллектор
      • Система питания  
        • Коллекторы и патрубки
        • Топливные фильтры
        • Турбокомпрессор
        • Топливные трубопроводы
      • Система смазки  
        • Масляный картер поддон
        • Масляный насос
        • Теплообменник /Водо-масляный радиатор
        • Фильтры масляные (ФГОМ, ФЦОМ)
      • Пневмокомпрессор и натяжное
      • Система охлаждения  
        • Водяной насос
        • Водяные трубы и патрубки
        • Муфты вязкостные, приводы, крыльчатки
      • Ремкомплекты
      • Сцепление
      • Электрооборудование
    • Запчасти ЯМЗ-650, ЯМЗ-651, DCi-11  
      • Основные запчасти двигателя  
        • Цилиндро-поршневая группа
        • Головка блока цилиндров и комплектующие
        • Блок цилиндров и комплектующие
        • Вал коленчатый и маховик
        • Выпускной коллектор
        • Вал распределительный
        • Клапаны и толкатели
        • ГУР (Гидроусилитель руля)
        • Система рециркуляции отработавших газов
      • Система питания  
        • Коллекторы и патрубки
        • Топливные трубопроводы
        • Топливные фильтры
        • Турбокомпрессор
      • Система смазки  
        • Масляный картер / поддон
        • Масляный насос
        • Теплообменник / Водо-масляный радиатор
        • Фильтры масляные (ФГОМ, ФЦОМ)
      • Система охлаждения  
        • Водяной насос
        • Водяные трубы и патрубки
        • Муфты вязкостные, приводы, крыльчатки
      • Ремкомплекты
      • Пневмокомпрессор и натяжное
      • Электрооборудование
      • Сцепление
    • Топливная аппаратура  
      • ЯЗДА  
        • Распылители
        • ТНВД
        • Форсунки
        • Топливный насос низкого давления
        • Пары плунжерные
        • Муфта опережения впрыска топлива
        • Запчасти и комплектующие ТНВД
      • НЗТА
      • АЗПИ  
        • Распылители
        • Форсунки
      • BOSCH
    • Запчасти УРАЛ  
      • Трансмиссия  
        • Коробка раздаточная
        • Передача карданная
        • Мост задний
        • Мост передний (ведущий)
        • Мост средний (промежуточный)
      • Кузов  
        • Дверь кабины
        • Капот, крылья, облицовка радиатора
        • Окно ветровое и заднее
        • Отопление и вентиляция кабины
        • Кабина
      • Механизмы управления  
        • Управление рулевое
        • Тормоза
      • Дополнительное оборудование  
        • Отбор мощности
        • Устройство седельное
      • Электрооборудование
      • Ходовая часть  
        • Колеса и ступицы
        • Ось передняя
        • Подвеска автомобиля
        • Рама
    • Запчасти МАЗ  
      • Трансмиссия  
        • Мост задний
        • Мост передний (ведущий)
        • Передача карданная
        • Мост средний (промежуточный)
      • Кузов  
        • Кабина
        • Дверь кабины
        • Детали основания кабины
        • Окно ветровое и заднее
        • Платформа
      • Механизмы управления  
        • Тормоза
        • Управление рулевое
      • Ходовая часть  
        • Колеса и ступицы
        • Ось передняя
        • Подвеска автомобиля
        • Рама
    • Запчасти КамАЗ  
      • Кузов  
        • Кабина
        • Капот, крылья, облицовка радиатора
        • Дверь кабины
        • Платформа
        • Окно ветровое и заднее
        • Устройство подъемное и опрокидывающее
        • Сиденье
        • Крыша кабины (крыша кузова)
        • Отопление и вентиляция кабины
      • Трансмиссия  
        • Коробка передач
        • Коробка раздаточная
        • Мост задний
        • Сцепление
        • Мост средний (промежуточный)
        • Передача карданная
        • Мост передний (ведущий)
      • Двигатель  
        • Основные запчасти двигателя
        • Система охлаждения
        • Система питания
        • Система смазки
      • Дополнительное оборудование  
        • Отбор мощности
        • Устройство седельное
      • Ходовая часть  
        • Подвеска автомобиля
        • Рама
        • Колеса и ступицы
        • Ось передняя
      • Механизмы управления  
        • Тормоза
        • Управление рулевое
      • Электрооборудование
    • Запчасти ММЗ
    • Ремни
  • Справочник
    • Грузовые автомобили
    • Автобусы
    • Сельхозтехника
    • Спецтехника
    • Двигатели
  • Как купить
    • Условия оплаты
    • Условия доставки
    • Гарантия на товар
    • Пункты выдачи
  • Услуги
    • Капитальный ремонт двигателей ЯМЗ
  • Акции
  • Статьи
  • Контакты
  • Компания
    • Реквизиты
    • Магазины
    • Оплата
    • Доставка
    • Лицензии и сертификаты
    • Новости
    • Вакансии
Избранное 0 Корзина 0
8-800-700-35-68

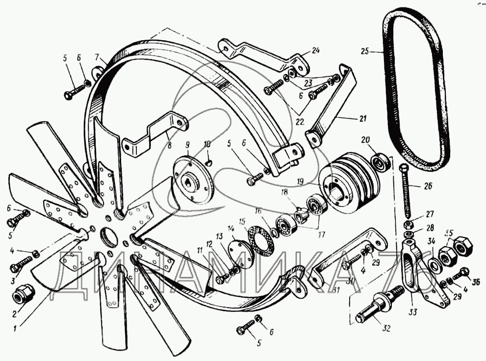
Вентилятор и кожух вентилятора на ЯМЗ-8423

Справочник
Главная
-
Автокаталог
-
Двигатели
-
ЯМЗ
-
ЯМЗ-8423
Справочный каталог

Вентилятор и кожух вентилятора — ЯМЗ-8423:

1 2 3 4 4 4 5 5 5 5 6 6 6 6 6 7 8 9 10 11 12 13 14 15 16 17 18 19 20 21 22 23 24 25 26 27 28 29 29 30 31 32 33 34 35 36
в наличии
нет в наличии
масштаб

В наличии
Нет в наличии

Перечень комплектующих от Вентилятор и кожух вентилятора на ЯМЗ-8423

Схемы запчастей предназначены для справочных целей! Мы продаем не все запчасти от Вентилятор и кожух вентилятора на ЯМЗ-8423, представленные в этом списке.
Наличие на складах по деталям с ценой смотрите в карточке товара.
1
1
Артикул: 8423-1308012
нет в наличии
Крыльчатка вентилятора в сборе
Количество на схеме: 1
Информация
Крыльчатка вентилятора в сборе
Количество
1
Модель
8423
Группа
Система охлаждения
Подгруппа
Вентилятор
Порядковый номер детали
012
2
2
Артикул: 311908-П29
нет в наличии
Гайка
Количество на схеме: 1
Информация
Гайка
Количество
1
Покрытие
цинкование и пассивирование (цинковое с хроматированием)
3
3
Артикул: 201676-П29
в наличии
Болт
Количество на схеме: 4
Информация
Болт
Количество
4
Покрытие
цинкование и пассивирование (цинковое с хроматированием)
Болт М10х1.25х25 крепления кронштейна трубок топливных УРАЛ (АО АЗ УРАЛ)
Артикул: 201676-П29
Болт М10х1.25х25 крепления кронштейна трубок топливных УРАЛ (АО АЗ УРАЛ)
Код для заказа: 00022473
Цена: 31 ₽/шт.
Под заказ
Болт М10х1.25х25 крепления кронштейна трубок топливных УРАЛ (АО АЗ УРАЛ)
Артикул: 201676-П29
Код для заказа: 00022473
Болт М10х1.25х25 крепления кронштейна трубок топливных УРАЛ (АО АЗ УРАЛ)
Цена: 31 ₽/шт.
Под заказ
4
4
Артикул: 252136-П2
в наличии
Шайба 10 пружинная
Количество на схеме: 8
Информация
Шайба 10 пружинная
Количество
8
Покрытие
фосфатирование и промасливание
Шайба 10.2х2.5 пружинная цинк ЭТНА
Артикул: 252136-П2
Шайба 10.2х2.5 пружинная цинк ЭТНА
Код для заказа: 00062958
Цена: 10 ₽/шт.
Под заказ
Шайба 10.2х2.5 пружинная цинк ЭТНА
Артикул: 252136-П2
Код для заказа: 00062958
Шайба 10.2х2.5 пружинная цинк ЭТНА
Цена: 10 ₽/шт.
Под заказ
Шайба гроверная 17,1х10,1х3,5
Артикул: 252136-П2
Шайба гроверная 17,1х10,1х3,5
Код для заказа: 00006018
Цена: 10 ₽/шт.
Под заказ
Шайба гроверная 17,1х10,1х3,5
Артикул: 252136-П2
Код для заказа: 00006018
Шайба гроверная 17,1х10,1х3,5
Цена: 10 ₽/шт.
Под заказ
5
5
Артикул: 201454-П29
в наличии
Болт М8х16
Количество на схеме: 4
Информация
Болт М8х16
Количество
4
Покрытие
цинкование и пассивирование (цинковое с хроматированием)
Болт М8х1.25х16 ЗИЛ-130 крепление кронштейна радиатора масл., ГАЗ-31029 фиксатора штоков КПП
Артикул: 201454-П29
Болт М8х1.25х16 ЗИЛ-130 крепление кронштейна радиатора масл., ГАЗ-31029 фиксатора штоков КПП
Код для заказа: 00005973
Цена: 26 ₽/шт.
Под заказ
Болт М8х1.25х16 ЗИЛ-130 крепление кронштейна радиатора масл., ГАЗ-31029 фиксатора штоков КПП
Артикул: 201454-П29
Код для заказа: 00005973
Болт М8х1.25х16 ЗИЛ-130 крепление кронштейна радиатора масл., ГАЗ-31029 фиксатора штоков КПП
Цена: 26 ₽/шт.
Под заказ
6
6
Артикул: 252135-П2
в наличии
Шайба пружинная
Количество на схеме: 6
Информация
Шайба пружинная
Количество
6
Покрытие
фосфатирование и промасливание
Шайба 8х2.5 ЯМЗ заглушки блока цилиндров АВТОДИЗЕЛЬ
Артикул: 252135-П2
Шайба 8х2.5 ЯМЗ заглушки блока цилиндров АВТОДИЗЕЛЬ
Код для заказа: 00006017
Цена: 3 ₽/шт.
Под заказ
Шайба 8х2.5 ЯМЗ заглушки блока цилиндров АВТОДИЗЕЛЬ
Артикул: 252135-П2
Код для заказа: 00006017
Шайба 8х2.5 ЯМЗ заглушки блока цилиндров АВТОДИЗЕЛЬ
Цена: 3 ₽/шт.
Под заказ
7
7
Артикул: 8423-1309010
нет в наличии
Кожух вентилятора в сборе
Количество на схеме: 1
Информация
Кожух вентилятора в сборе
Количество
1
Модель
8423
Группа
Система охлаждения
Подгруппа
Кожух вентилятора
Порядковый номер детали
010
8
8
Артикул: 8423-1309072
нет в наличии
Кронштейн кожуха правый нижний
Количество на схеме: 1
Информация
Кронштейн кожуха правый нижний
Количество
1
Модель
8423
Группа
Система охлаждения
Подгруппа
Кожух вентилятора
Порядковый номер детали
072
9
9
Артикул: 8423-1308652
нет в наличии
Ступица крыльчатки
Количество на схеме: 1
Информация
Ступица крыльчатки
Количество
1
Модель
8423
Группа
Система охлаждения
Подгруппа
Вентилятор
Порядковый номер детали
652
10
10
Артикул: 45-9824-6263
нет в наличии
Шпонка
Количество на схеме: 1
Информация
Шпонка
Количество
1
11
11
Артикул: 201420-П29
нет в наличии
Болт М6х20
Количество на схеме: 4
Информация
Болт М6х20
Количество
4
Покрытие
цинкование и пассивирование (цинковое с хроматированием)
12
12
Артикул: 252134-П2
в наличии
Шайба пружинная
Количество на схеме: 4
Информация
Шайба пружинная
Количество
4
Покрытие
фосфатирование и промасливание
ШАЙБА 6Х2 (ЯМЗ)
Артикул: 252134-П2
ШАЙБА 6Х2 (ЯМЗ)
Код для заказа: 00006016
Цена: 3 ₽/шт.
Под заказ
ШАЙБА 6Х2 (ЯМЗ)
Артикул: 252134-П2
Код для заказа: 00006016
ШАЙБА 6Х2 (ЯМЗ)
Цена: 3 ₽/шт.
Под заказ
13
13
Артикул: 252004-П29
в наличии
Шайба
Количество на схеме: 4
Информация
Шайба
Количество
4
Покрытие
цинкование и пассивирование (цинковое с хроматированием)
Шайба 6.0 УРАЛ кабины (АО АЗ УРАЛ)
Артикул: 252004-П29
Шайба 6.0 УРАЛ кабины (АО АЗ УРАЛ)
Код для заказа: 00002895
Цена: 12 ₽/шт.
В наличии: 41 шт.
- +
В корзинуВ корзине
Шайба 6.0 УРАЛ кабины (АО АЗ УРАЛ)
Артикул: 252004-П29
Код для заказа: 00002895
Шайба 6.0 УРАЛ кабины (АО АЗ УРАЛ)
Цена: 12 ₽/шт.
В наличии: 41 шт.
- +
В корзинуВ корзине
14
14
Артикул: 841-1308121
нет в наличии
Крышка шкива
Количество на схеме: 1
Информация
Крышка шкива
Количество
1
Модель
841
Группа
Система охлаждения
Подгруппа
Вентилятор
Порядковый номер детали
121
15
15
Артикул: 240Б-1308122
нет в наличии
Прокладка крышки
Количество на схеме: 1
Информация
Прокладка крышки
Количество
1
Модель
240Б
Группа
Система охлаждения
Подгруппа
Вентилятор
Порядковый номер детали
122
16
16
Артикул: 841-1308133
нет в наличии
Кольцо
Количество на схеме: 1
Информация
Кольцо
Количество
1
Модель
841
Группа
Система охлаждения
Подгруппа
Вентилятор
Порядковый номер детали
133
17
17
Артикул: 304К
нет в наличии
Подшипник шариковый радиальный однорядный 20х52х15
Количество на схеме: 2
Информация
Подшипник шариковый радиальный однорядный 20х52х15
Количество
2
18
18
Артикул: 841-1308825
нет в наличии
Маслоразбрызгиватель в сборе
Количество на схеме: 1
Информация
Маслоразбрызгиватель в сборе
Количество
1
Модель
841
Группа
Система охлаждения
Подгруппа
Вентилятор
Порядковый номер детали
825
19
19
Артикул: 841-1308112
нет в наличии
Шкив натяжного приспособления
Количество на схеме: 1
Информация
Шкив натяжного приспособления
Количество
1
Модель
841
Группа
Система охлаждения
Подгруппа
Вентилятор
Порядковый номер детали
112
20
20
Артикул: 240-1307090
в наличии
Манжета первичного вала в сборе
Количество на схеме: 1
Информация
Манжета первичного вала в сборе
Количество
1
Модель
240
Группа
Система охлаждения
Подгруппа
Насос водяной
Порядковый номер детали
090
Сальник МАЗ КПП вала первичного 2.2-25х42х10 РОСИЧЪ
Артикул: 240-1307090
Сальник МАЗ КПП вала первичного 2.2-25х42х10 РОСИЧЪ
Код для заказа: 00054132
Цена: 41 ₽/шт.
Под заказ
Сальник МАЗ КПП вала первичного 2.2-25х42х10 РОСИЧЪ
Артикул: 240-1307090
Код для заказа: 00054132
Сальник МАЗ КПП вала первичного 2.2-25х42х10 РОСИЧЪ
Цена: 41 ₽/шт.
Под заказ
МАНЖЕТА (25х42-1,2) ВОДЯНОГО НАСОСА
Артикул: 240-1307090
МАНЖЕТА (25х42-1,2) ВОДЯНОГО НАСОСА
Код для заказа: 00008031
Цена: 24 ₽/шт.
Под заказ
МАНЖЕТА (25х42-1,2) ВОДЯНОГО НАСОСА
Артикул: 240-1307090
Код для заказа: 00008031
МАНЖЕТА (25х42-1,2) ВОДЯНОГО НАСОСА
Цена: 24 ₽/шт.
Под заказ
21
21
Артикул: 8423-1309066
нет в наличии
Кронштейн кожуха левый верхний
Количество на схеме: 1
Информация
Кронштейн кожуха левый верхний
Количество
1
Модель
8423
Группа
Система охлаждения
Подгруппа
Кожух вентилятора
Порядковый номер детали
066
22
22
Артикул: 201458-П29
в наличии
Болт М8х25
Количество на схеме: 2
Информация
Болт М8х25
Количество
2
Покрытие
цинкование и пассивирование (цинковое с хроматированием)
Болт М8х1.25х25 ЗИЛ-433360 кронштейна радиатора масляного, ГАЗ-2410 крепление ГЦС ЭТНА
Артикул: 201458-П29
Болт М8х1.25х25 ЗИЛ-433360 кронштейна радиатора масляного, ГАЗ-2410 крепление ГЦС ЭТНА
Код для заказа: 00023015
Цена: 9 ₽/шт.
Под заказ
Болт М8х1.25х25 ЗИЛ-433360 кронштейна радиатора масляного, ГАЗ-2410 крепление ГЦС ЭТНА
Артикул: 201458-П29
Код для заказа: 00023015
Болт М8х1.25х25 ЗИЛ-433360 кронштейна радиатора масляного, ГАЗ-2410 крепление ГЦС ЭТНА
Цена: 9 ₽/шт.
Под заказ
23
23
Артикул: 252005-П29
в наличии
Шайба плоская
Количество на схеме: 2
Информация
Шайба плоская
Количество
2
Покрытие
цинкование и пассивирование (цинковое с хроматированием)
Шайба 8.0 УРАЛ кабины (АО АЗ УРАЛ)
Артикул: 252005-П29
Шайба 8.0 УРАЛ кабины (АО АЗ УРАЛ)
Код для заказа: 00006120
Цена: 17 ₽/шт.
Под заказ
Шайба 8.0 УРАЛ кабины (АО АЗ УРАЛ)
Артикул: 252005-П29
Код для заказа: 00006120
Шайба 8.0 УРАЛ кабины (АО АЗ УРАЛ)
Цена: 17 ₽/шт.
Под заказ
24
24
Артикул: 8423-1309064
нет в наличии
Кронштейн кожуха правый верхний
Количество на схеме: 1
Информация
Кронштейн кожуха правый верхний
Количество
1
Модель
8423
Группа
Система охлаждения
Подгруппа
Кожух вентилятора
Порядковый номер детали
064
25
25
Артикул: 240Б-1308020
нет в наличии
Ремень зубчатый
Количество на схеме: 3
Информация
Ремень зубчатый
Количество
3
Модель
240Б
Группа
Система охлаждения
Подгруппа
Вентилятор
Порядковый номер детали
020
26
26
Артикул: 310027-П29
нет в наличии
Болт
Количество на схеме: 1
Информация
Болт
Количество
1
Покрытие
цинкование и пассивирование (цинковое с хроматированием)
27
27
Артикул: 250515-П29
в наличии
Гайка
Количество на схеме: 1
Информация
Гайка
Количество
1
Покрытие
цинкование и пассивирование (цинковое с хроматированием)
Гайка М12*1,25-10
Артикул: 250515-П29
Гайка М12*1,25-10
Код для заказа: 00008613
Цена: 20 ₽/шт.
Под заказ
Гайка М12*1,25-10
Артикул: 250515-П29
Код для заказа: 00008613
Гайка М12*1,25-10
Цена: 20 ₽/шт.
Под заказ
28
28
Артикул: 252137-П2
в наличии
Шайба пружинная
Количество на схеме: 1
Информация
Шайба пружинная
Количество
1
Покрытие
фосфатирование и промасливание
ШАЙБА 12Х4 (ЯМЗ)
Артикул: 252137-П2
ШАЙБА 12Х4 (ЯМЗ)
Код для заказа: 00006019
Цена: 14 ₽/шт.
Под заказ
ШАЙБА 12Х4 (ЯМЗ)
Артикул: 252137-П2
Код для заказа: 00006019
ШАЙБА 12Х4 (ЯМЗ)
Цена: 14 ₽/шт.
Под заказ
29
29
Артикул: 252006-П29
нет в наличии
Шайба плоская
Количество на схеме: 4
Информация
Шайба плоская
Количество
4
Покрытие
цинкование и пассивирование (цинковое с хроматированием)
30
30
Артикул: 201678-П29
нет в наличии
Болт
Количество на схеме: 1
Информация
Болт
Количество
1
Покрытие
цинкование и пассивирование (цинковое с хроматированием)
31
31
Артикул: 8423-1309074
нет в наличии
Кронштейн кожуха левый нижний
Количество на схеме: 1
Информация
Кронштейн кожуха левый нижний
Количество
1
Модель
8423
Группа
Система охлаждения
Подгруппа
Кожух вентилятора
Порядковый номер детали
074
32
32
Артикул: 841-1308116
нет в наличии
Ось шкива
Количество на схеме: 1
Информация
Ось шкива
Количество
1
Модель
841
Группа
Система охлаждения
Подгруппа
Вентилятор
Порядковый номер детали
116
33
33
Артикул: 841-1308138
нет в наличии
Кронштейн натяжного приспособления
Количество на схеме: 1
Информация
Кронштейн натяжного приспособления
Количество
1
Модель
841
Группа
Система охлаждения
Подгруппа
Вентилятор
Порядковый номер детали
138
34
34
Артикул: 312214-П29
нет в наличии
Шайба 22
Количество на схеме: 1
Информация
Шайба 22
Количество
1
Покрытие
цинкование и пассивирование (цинковое с хроматированием)
35
35
Артикул: 250659-П29
в наличии
Гайка М22х1,5-6Н
Количество на схеме: 2
Информация
Гайка М22х1,5-6Н
Количество
2
Покрытие
цинкование и пассивирование (цинковое с хроматированием)
ГАЙКА М22Х1,5 (ЯМЗ)
Артикул: 250659-П29
ГАЙКА М22Х1,5 (ЯМЗ)
Код для заказа: 00002893
Цена: 182 ₽/шт.
Под заказ
ГАЙКА М22Х1,5 (ЯМЗ)
Артикул: 250659-П29
Код для заказа: 00002893
ГАЙКА М22Х1,5 (ЯМЗ)
Цена: 182 ₽/шт.
Под заказ
36
36
Артикул: 201688-П29
нет в наличии
Болт
Количество на схеме: 3
Информация
Болт
Количество
3
Покрытие
цинкование и пассивирование (цинковое с хроматированием)
  • Грузовые автомобили
  • Автобусы
  • Сельхозтехника
  • Спецтехника
  • Двигатели
Получить оптовый прайс-лист
Скачать прайс-лист от 07.05.2026 12:00
Специальное предложение от 07.05.2026 09:00
Производители:


  • WEICHAI
  • Автодизель ПАО (ЯМЗ)
  • Тутаевский МЗ
  • ЯЗДА
  • УралАЗ
  • МАЗ
  • АЗПИ
  • BOSCH
  • ММЗ
  • ШААЗ
  • FEDERAL MOGUL
  • ПРАМО
  • Мотордеталь
  • ТАИМ
  • АвтоКрАЗ
  • БЕЛКАРД
  • CZ Strakonice
  • КамАЗ
  • БЗА
  • ЧМЗ
  • BMZ
Новости
Все новости
25 марта 2024
Флагманский седельный тягач «Валдай 45» на выставке «TransRussia»
10 марта 2024
Современные автобусы «CITYMAX 9» и ЛиАЗ-5292 CNG
25 февраля 2024
Серийное производство средних дизельных двигателей повышенной мощности от ЯМЗ
Статьи
Все статьи
Датчики двигателя: за что они отвечают, признаки неисправности и как не прогадать с выбором
Двигатели ЯМЗ-534: история, технические характеристики и области применения
Двигатели ЯМЗ 650: углублённый технический обзор и история
Компания
О компании
Реквизиты
Новости
Политика
Магазины
Информация
Условия оплаты
Условия доставки
Гарантия на товар
Обмен и возврат товара
Помощь
Как оформить заказ
Полезные статьи
Бренды
Пункты выдачи
Оставайтесь на связи
  • Вконтакте
  • YouTube
  • Одноклассники
  • Google Plus
Увидели ошибку?
Выделите, нажав Ctrl + Enter
Наши контакты
8-800-700-35-68
sales@din76.ru
г. Ярославль, Ленинградский пр-т 33, ТЦ "ОМЕГА"
2026 © ООО «Динамика 76» - Все права защищены ООО "Динамика 76"
Предложения на сайте не являются публичной офертой.
На сайте обнаружена ошибка

Текст с ошибкой