Избранное 0 Корзина 0 Личный кабинет
logo
Каталог
Каталог
  • Справочник
    • Грузовые автомобили
    • Автобусы
    • Сельхозтехника
    • Спецтехника
    • Двигатели
  • Доставка
  • Оплата
  • О компании
    • Реквизиты
    • Магазины
    • Оплата
    • Доставка
    • Лицензии и сертификаты
    • Новости
    • Вакансии
  • Контакты
Отправить заявку
Личный кабинет
8 (800) 700-35-68
sales@din76.ru
Избранное 0 Корзина 0
8 (800) 700-35-68
Оптовый прайс-лист
Каталог
  • Двигатели
  • Запчасти WEICHAI
  • Запчасти ЯМЗ, ТМЗ (V-образные)
  • Запчасти ЯМЗ-534, ЯМЗ-536
  • Запчасти ЯМЗ-650, ЯМЗ-651, DCi-11
  • Топливная аппаратура
  • Запчасти УРАЛ
  • Запчасти МАЗ
  • Запчасти КамАЗ
  • Запчасти ММЗ
  • Ремни
Автокаталог (справочник)
  • Доставка
  • Оплата
  • О компании
  • Контакты
8 (800) 700-35-68
Написать в Whatsapp
sales@din76.ru
Динамика 76
Меню  
  • Каталог
    • Двигатели  
      • Двигатели ТМЗ  
        • Двигатели ТМЗ для автомобилей
        • Двигатели ТМЗ для тракторов
        • Специальные двигатели ТМЗ
        • Промышленные двигатели ТМЗ
      • Двигатели ЯМЗ  
        • ЯМЗ 236
        • ЯМЗ 238
        • ЯМЗ 240
        • ЯМЗ 751
        • ЯМЗ 840
        • ЯМЗ 850
        • ЯМЗ 656
        • ЯМЗ 658
        • ЯМЗ 534
        • ЯМЗ 536
        • ЯМЗ 650
        • Двигатели ЯМЗ для электростанций
      • Двигатели КАМАЗ
      • Двигатели ММЗ
      • Двигатели индивидуальной сборки
      • Комплекты переоборудования
    • Запчасти WEICHAI  
      • Основные запчасти двигателя  
        • Клапаны и толкатели
        • Шатуны
        • Вал коленчатый и маховик
        • Вал распределительный
        • Цилиндро-поршневая группа
      • Система питания  
        • Форсунки
        • Турбокомпрессор
      • Система смазки  
        • Насос масляный
      • Головка блока
      • Ремкомплекты
      • Система охлаждения  
        • Насос водяной
        • Муфта вязкостная и крыльчатка
      • Фильтры
      • Электрооборудование  
        • Генератор
        • Стартер
    • Запчасти ЯМЗ, ТМЗ (V-образные)  
      • Основные запчасти двигателя  
        • Блок двигателя и комплектующие
        • Валы распределительные и клапаны
        • Головка блока и комплектующие
        • Цилиндро-поршневая группа
        • Маховики и комплектующие
        • Валы коленчатые и комплектующие
        • Шатуны и комплектующие
      • Система питания  
        • Коллекторы и патрубки
        • Топливные трубопроводы
        • Турбокомпрессор
        • Топливные фильтры
      • Электрооборудование двигателя
      • Система охлаждения  
        • Вязкостные муфты и крыльчатки
        • Приводы вентилятора
        • Водяные насосы
        • Водяные трубы и термостаты
      • Коробки переключения передач  
        • 8 Ступенчатые КПП
        • 5 Ступенчатые КПП
        • 9 Ступенчатые КПП
        • Запасные части КПП ЯМЗ, ТМЗ
      • Система смазки  
        • Теплообменник и комплектующие
        • Масляные насосы
        • Фильтры масляные (ФГОМ, ФЦОМ)
      • Сцепление  
        • Запасные части механизма сцепления
        • Муфты (подшипники выжимные)
        • Корзины (диски нажимные)
        • Диски ведомые
      • Прочие запчасти двигателя  
        • Ремкомплекты
        • Привод агрегатов
        • Натяжные устройства
        • Трубки
    • Запчасти ЯМЗ-534, ЯМЗ-536  
      • Основные запчасти двигателя  
        • Цилиндро-поршневая группа
        • Головка блока цилиндров и комплектующие
        • Блок цилиндров и комплектующие
        • Вал коленчатый и маховик
        • Вал распределительный
        • Клапаны и толкатели
        • ГУР (Гидроусилитель руля)
        • Система рециркуляции отработавших газов
        • Выпускной коллектор
      • Система питания  
        • Коллекторы и патрубки
        • Топливные фильтры
        • Турбокомпрессор
        • Топливные трубопроводы
      • Система смазки  
        • Масляный картер поддон
        • Масляный насос
        • Теплообменник /Водо-масляный радиатор
        • Фильтры масляные (ФГОМ, ФЦОМ)
      • Пневмокомпрессор и натяжное
      • Система охлаждения  
        • Водяной насос
        • Водяные трубы и патрубки
        • Муфты вязкостные, приводы, крыльчатки
      • Ремкомплекты
      • Сцепление
      • Электрооборудование
    • Запчасти ЯМЗ-650, ЯМЗ-651, DCi-11  
      • Основные запчасти двигателя  
        • Цилиндро-поршневая группа
        • Головка блока цилиндров и комплектующие
        • Блок цилиндров и комплектующие
        • Вал коленчатый и маховик
        • Выпускной коллектор
        • Вал распределительный
        • Клапаны и толкатели
        • ГУР (Гидроусилитель руля)
        • Система рециркуляции отработавших газов
      • Система питания  
        • Коллекторы и патрубки
        • Топливные трубопроводы
        • Топливные фильтры
        • Турбокомпрессор
      • Система смазки  
        • Масляный картер / поддон
        • Масляный насос
        • Теплообменник / Водо-масляный радиатор
        • Фильтры масляные (ФГОМ, ФЦОМ)
      • Система охлаждения  
        • Водяной насос
        • Водяные трубы и патрубки
        • Муфты вязкостные, приводы, крыльчатки
      • Ремкомплекты
      • Пневмокомпрессор и натяжное
      • Электрооборудование
      • Сцепление
    • Топливная аппаратура  
      • ЯЗДА  
        • Распылители
        • ТНВД
        • Форсунки
        • Топливный насос низкого давления
        • Пары плунжерные
        • Муфта опережения впрыска топлива
        • Запчасти и комплектующие ТНВД
      • НЗТА
      • АЗПИ  
        • Распылители
        • Форсунки
      • BOSCH
    • Запчасти УРАЛ  
      • Трансмиссия  
        • Коробка раздаточная
        • Передача карданная
        • Мост задний
        • Мост передний (ведущий)
        • Мост средний (промежуточный)
      • Кузов  
        • Дверь кабины
        • Капот, крылья, облицовка радиатора
        • Окно ветровое и заднее
        • Отопление и вентиляция кабины
        • Кабина
      • Механизмы управления  
        • Управление рулевое
        • Тормоза
      • Дополнительное оборудование  
        • Отбор мощности
        • Устройство седельное
      • Электрооборудование
      • Ходовая часть  
        • Колеса и ступицы
        • Ось передняя
        • Подвеска автомобиля
        • Рама
    • Запчасти МАЗ  
      • Трансмиссия  
        • Мост задний
        • Мост передний (ведущий)
        • Передача карданная
        • Мост средний (промежуточный)
      • Кузов  
        • Кабина
        • Дверь кабины
        • Детали основания кабины
        • Окно ветровое и заднее
        • Платформа
      • Механизмы управления  
        • Тормоза
        • Управление рулевое
      • Ходовая часть  
        • Колеса и ступицы
        • Ось передняя
        • Подвеска автомобиля
        • Рама
    • Запчасти КамАЗ  
      • Кузов  
        • Кабина
        • Капот, крылья, облицовка радиатора
        • Дверь кабины
        • Платформа
        • Окно ветровое и заднее
        • Устройство подъемное и опрокидывающее
        • Сиденье
        • Крыша кабины (крыша кузова)
        • Отопление и вентиляция кабины
      • Трансмиссия  
        • Коробка передач
        • Коробка раздаточная
        • Мост задний
        • Сцепление
        • Мост средний (промежуточный)
        • Передача карданная
        • Мост передний (ведущий)
      • Двигатель  
        • Основные запчасти двигателя
        • Система охлаждения
        • Система питания
        • Система смазки
      • Дополнительное оборудование  
        • Отбор мощности
        • Устройство седельное
      • Ходовая часть  
        • Подвеска автомобиля
        • Рама
        • Колеса и ступицы
        • Ось передняя
      • Механизмы управления  
        • Тормоза
        • Управление рулевое
      • Электрооборудование
    • Запчасти ММЗ
    • Ремни
  • Справочник
    • Грузовые автомобили
    • Автобусы
    • Сельхозтехника
    • Спецтехника
    • Двигатели
  • Как купить
    • Условия оплаты
    • Условия доставки
    • Гарантия на товар
    • Пункты выдачи
  • Услуги
    • Капитальный ремонт двигателей ЯМЗ
  • Акции
  • Статьи
  • Контакты
  • Компания
    • Реквизиты
    • Магазины
    • Оплата
    • Доставка
    • Лицензии и сертификаты
    • Новости
    • Вакансии
Избранное 0 Корзина 0
8-800-700-35-68

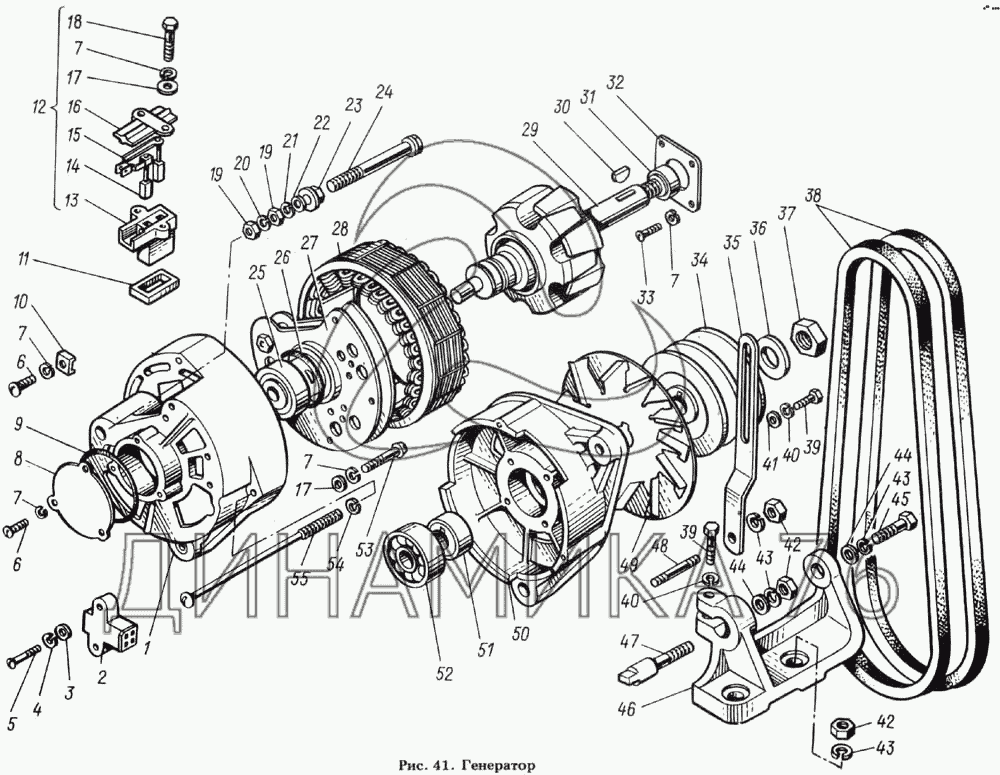
Генератор на ЯМЗ-8423.10

Справочник
Главная
-
Автокаталог
-
Двигатели
-
ЯМЗ
-
ЯМЗ-8423.10
Справочный каталог

Генератор — ЯМЗ-8423.10:

5702.3701010 5702.3701300 5702.3701400 1 2 3 4 5 6 6 7 7 7 7 7 8 9 10 11 12 13 14 15 16 17 17 18 19 19 20 21 22 23 24 25 26 27 28 29 31 32 33 34 35 36 37 38 39 39 40 40 41 42 42 43 43 43 44 44 45 46 47 48 49 50 51 52 53 54 55
в наличии
нет в наличии
масштаб

В наличии
Нет в наличии

Перечень комплектующих от Генератор на ЯМЗ-8423.10

Схемы запчастей предназначены для справочных целей! Мы продаем не все запчасти от Генератор на ЯМЗ-8423.10, представленные в этом списке.
Наличие на складах по деталям с ценой смотрите в карточке товара.
Артикул: 5702-3701010
нет в наличии
Генератор в сборе
Количество на схеме: 1
Информация
Генератор в сборе
Количество
1
Модель
5702
Группа
Электрооборудование
Подгруппа
Генератор
Порядковый номер детали
010
Артикул: 5702-3701300
нет в наличии
Крышка со стороны контактных колец в сборе
Количество на схеме: 1
Информация
Крышка со стороны контактных колец в сборе
Количество
1
Модель
5702
Группа
Электрооборудование
Подгруппа
Генератор
Порядковый номер детали
300
Артикул: 5702-3701400
нет в наличии
Крышка со стороны привода в сборе
Количество на схеме: 1
Информация
Крышка со стороны привода в сборе
Количество
1
Модель
5702
Группа
Электрооборудование
Подгруппа
Генератор
Порядковый номер детали
400
1
1
Артикул: 5702-3701301
нет в наличии
Крышка со стороны контактных колец
Количество на схеме: 1
Информация
Крышка со стороны контактных колец
Количество
1
Модель
5702
Группа
Электрооборудование
Подгруппа
Генератор
Порядковый номер детали
301
2
2
Артикул: 3802-3701306
нет в наличии
Колодка
Количество на схеме: 1
Информация
Колодка
Количество
1
Модель
3802
Группа
Электрооборудование
Подгруппа
Генератор
Порядковый номер детали
306
3
3
Артикул: МП-40028
нет в наличии
Шайба
Количество на схеме: 2
Информация
Шайба
Количество
2
4
4
Артикул: Х-1012-Т
нет в наличии
Шайба
Количество на схеме: 2
Информация
Шайба
Количество
2
5
5
Артикул: 8Х-4166
нет в наличии
Винт
Количество на схеме: 2
Информация
Винт
Количество
2
6
6
Артикул: 7Х-1542
нет в наличии
Винт
Количество на схеме: 4
Информация
Винт
Количество
4
7
7
Артикул: Х-4001-Т
нет в наличии
Шайба
Количество на схеме: 13
Информация
Шайба
Количество
13
8
8
Артикул: 5702-3701060
нет в наличии
Крышка подшипника
Количество на схеме: 1
Информация
Крышка подшипника
Количество
1
Модель
5702
Группа
Электрооборудование
Подгруппа
Генератор
Порядковый номер детали
060
9
9
Артикул: 19-3701008
нет в наличии
Кольцо уплотнительное
Количество на схеме: 1
Информация
Кольцо уплотнительное
Количество
1
Модель
19
Группа
Электрооборудование
Подгруппа
Генератор
Порядковый номер детали
008
10
10
Артикул: ВК14-3708053
нет в наличии
Скоба
Количество на схеме: 1
Информация
Скоба
Количество
1
Модель
ВК14
Группа
Электрооборудование
Подгруппа
Стартер
Порядковый номер детали
053
11
11
Артикул: 3802-3701007
нет в наличии
Прокладка уплотни-тельная
Количество на схеме: 1
Информация
Прокладка уплотни-тельная
Количество
1
Модель
3802
Группа
Электрооборудование
Подгруппа
Генератор
Порядковый номер детали
007
12
12
Артикул: Г250П1--3701010
нет в наличии
Щеткодержатель в сборе
Количество на схеме: 1
Информация
Щеткодержатель в сборе
Количество
1
Модель
Г250П1
Группа
Электрооборудование
Подгруппа
Генератор
Порядковый номер детали
010
13
13
Артикул: Г250П1-3701011
нет в наличии
Щеткодержатель
Количество на схеме: 1
Информация
Щеткодержатель
Количество
1
Модель
Г250П1
Группа
Электрооборудование
Подгруппа
Генератор
Порядковый номер детали
011
14
14
Артикул: Г250П1-3701020
нет в наличии
Щетка
Количество на схеме: 1
Информация
Щетка
Количество
1
Модель
Г250П1
Группа
Электрооборудование
Подгруппа
Генератор
Порядковый номер детали
020
15
15
Артикул: Г250П1-3701030
нет в наличии
Щетка
Количество на схеме: 1
Информация
Щетка
Количество
1
Модель
Г250П1
Группа
Электрооборудование
Подгруппа
Генератор
Порядковый номер детали
030
16
16
Артикул: Г250П1-3701012
нет в наличии
Крышка щеткодержателя
Количество на схеме: 1
Информация
Крышка щеткодержателя
Количество
1
Модель
Г250П1
Группа
Электрооборудование
Подгруппа
Генератор
Порядковый номер детали
012
17
17
Артикул: 8Х-1497
нет в наличии
Шайба
Количество на схеме: 5
Информация
Шайба
Количество
5
18
18
Артикул: Г250-3701016
нет в наличии
Болт специальный
Количество на схеме: 2
Информация
Болт специальный
Количество
2
Модель
Г250
Группа
Электрооборудование
Подгруппа
Генератор
Порядковый номер детали
016
19
19
Артикул: 8Х-1537
нет в наличии
Гайка
Количество на схеме: 2
Информация
Гайка
Количество
2
20
20
Артикул: МХ-0246-Т
нет в наличии
Шайба
Количество на схеме: 1
Информация
Шайба
Количество
1
21
21
Артикул: Х-4069-Т
нет в наличии
Шайба
Количество на схеме: 1
Информация
Шайба
Количество
1
22
22
Артикул: 1-МЮ-37-Т
нет в наличии
Шайба
Количество на схеме: 1
Информация
Шайба
Количество
1
23
23
Артикул: 3802-3701319
нет в наличии
Втулка
Количество на схеме: 1
Информация
Втулка
Количество
1
Модель
3802
Группа
Электрооборудование
Подгруппа
Генератор
Порядковый номер детали
319
24
24
Артикул: 3802-3701309
нет в наличии
Болт контактный
Количество на схеме: 1
Информация
Болт контактный
Количество
1
Модель
3802
Группа
Электрооборудование
Подгруппа
Генератор
Порядковый номер детали
309
25
25
Артикул: 6-180603К1С9
нет в наличии
Подшипник шариковый радиальный однорядный с двусторонним уплотнением 20х52х18
Количество на схеме: 1
Информация
Подшипник шариковый радиальный однорядный с двусторонним уплотнением 20х52х18
Количество
1
Покрытие
воронение
26
26
Артикул: 3802-3701308
нет в наличии
Кольцо уплотни-тельное
Количество на схеме: 1
Информация
Кольцо уплотни-тельное
Количество
1
Модель
3802
Группа
Электрооборудование
Подгруппа
Генератор
Порядковый номер детали
308
27
27
Артикул: ИАЕЮ-4352--14008
нет в наличии
Блок БПВ 7-100-02 выпрямительный
Количество на схеме: 1
Информация
Блок БПВ 7-100-02 выпрямительный
Количество
1
28
28
Артикул: 5702-3701100
нет в наличии
Статор
Количество на схеме: 1
Информация
Статор
Количество
1
Модель
5702
Группа
Электрооборудование
Подгруппа
Генератор
Порядковый номер детали
100
29
29
Артикул: 5702-3701200
нет в наличии
Ротор
Количество на схеме: 1
Информация
Ротор
Количество
1
Модель
5702
Группа
Электрооборудование
Подгруппа
Генератор
Порядковый номер детали
200
31
31
Артикул: 5702-3701214
нет в наличии
Втулка распорная
Количество на схеме: 1
Информация
Втулка распорная
Количество
1
Модель
5702
Группа
Электрооборудование
Подгруппа
Генератор
Порядковый номер детали
214
32
32
Артикул: 3802-3701404
нет в наличии
Шайба специальная
Количество на схеме: 1
Информация
Шайба специальная
Количество
1
Модель
3802
Группа
Электрооборудование
Подгруппа
Генератор
Порядковый номер детали
404
33
33
Артикул: 3802-3701406
нет в наличии
Винт специальный
Количество на схеме: 4
Информация
Винт специальный
Количество
4
Модель
3802
Группа
Электрооборудование
Подгруппа
Генератор
Порядковый номер детали
406
34
34
Артикул: 5702-3701051
нет в наличии
Шкив генератора
Количество на схеме: 1
Информация
Шкив генератора
Количество
1
Модель
5702
Группа
Электрооборудование
Подгруппа
Генератор
Порядковый номер детали
051
35
35
Артикул: 841-3701790
нет в наличии
Планка натяжная
Количество на схеме: 1
Информация
Планка натяжная
Количество
1
Модель
841
Группа
Электрооборудование
Подгруппа
Генератор
Порядковый номер детали
790
36
36
Артикул: МХ-0234-Т
нет в наличии
Шайба
Количество на схеме: 1
Информация
Шайба
Количество
1
37
37
Артикул: МХ-0235
нет в наличии
Гайка
Количество на схеме: 1
Информация
Гайка
Количество
1
38
38
Артикул: 84211-3701002
нет в наличии
Комплект ремней
Количество на схеме: 1
Информация
Комплект ремней
Количество
1
Модель
84211
Группа
Электрооборудование
Подгруппа
Генератор
Порядковый номер детали
002
39
39
Артикул: 201460-П29
нет в наличии
Болт М8х30
Количество на схеме: 2
Информация
Болт М8х30
Количество
2
Покрытие
цинкование и пассивирование (цинковое с хроматированием)
40
40
Артикул: 252135-П2
в наличии
Шайба пружинная
Количество на схеме: 2
Информация
Шайба пружинная
Количество
2
Покрытие
фосфатирование и промасливание
Шайба 8х2.5 ЯМЗ заглушки блока цилиндров АВТОДИЗЕЛЬ
Артикул: 252135-П2
Шайба 8х2.5 ЯМЗ заглушки блока цилиндров АВТОДИЗЕЛЬ
Код для заказа: 00006017
Цена: 3 ₽/шт.
Под заказ
Шайба 8х2.5 ЯМЗ заглушки блока цилиндров АВТОДИЗЕЛЬ
Артикул: 252135-П2
Код для заказа: 00006017
Шайба 8х2.5 ЯМЗ заглушки блока цилиндров АВТОДИЗЕЛЬ
Цена: 3 ₽/шт.
Под заказ
41
41
Артикул: 252038-П2
нет в наличии
Шайба
Количество на схеме: 1
Информация
Шайба
Количество
1
Покрытие
фосфатирование и промасливание
42
42
Артикул: 250517-П29
в наличии
Гайка
Количество на схеме: 4
Информация
Гайка
Количество
4
Покрытие
цинкование и пассивирование (цинковое с хроматированием)
ГАЙКА М10Х1,25 (ЯМЗ)
Артикул: 250517-П29
ГАЙКА М10Х1,25 (ЯМЗ)
Код для заказа: 00006010
Цена: 13 ₽/шт.
Под заказ
ГАЙКА М10Х1,25 (ЯМЗ)
Артикул: 250517-П29
Код для заказа: 00006010
ГАЙКА М10Х1,25 (ЯМЗ)
Цена: 13 ₽/шт.
Под заказ
43
43
Артикул: 252136-П2
в наличии
Шайба 10 пружинная
Количество на схеме: 3
Информация
Шайба 10 пружинная
Количество
3
Покрытие
фосфатирование и промасливание
Шайба 10.2х2.5 пружинная цинк ЭТНА
Артикул: 252136-П2
Шайба 10.2х2.5 пружинная цинк ЭТНА
Код для заказа: 00062958
Цена: 10 ₽/шт.
Под заказ
Шайба 10.2х2.5 пружинная цинк ЭТНА
Артикул: 252136-П2
Код для заказа: 00062958
Шайба 10.2х2.5 пружинная цинк ЭТНА
Цена: 10 ₽/шт.
Под заказ
Шайба гроверная 17,1х10,1х3,5
Артикул: 252136-П2
Шайба гроверная 17,1х10,1х3,5
Код для заказа: 00006018
Цена: 10 ₽/шт.
Под заказ
Шайба гроверная 17,1х10,1х3,5
Артикул: 252136-П2
Код для заказа: 00006018
Шайба гроверная 17,1х10,1х3,5
Цена: 10 ₽/шт.
Под заказ
44
44
Артикул: 252006-П29
нет в наличии
Шайба плоская
Количество на схеме: 2
Информация
Шайба плоская
Количество
2
Покрытие
цинкование и пассивирование (цинковое с хроматированием)
45
45
Артикул: 201682-П29
нет в наличии
Болт
Количество на схеме: 1
Информация
Болт
Количество
1
Покрытие
цинкование и пассивирование (цинковое с хроматированием)
46
46
Артикул: 8423-3701774
нет в наличии
Кронштейн крепления генератора
Количество на схеме: 1
Информация
Кронштейн крепления генератора
Количество
1
Модель
8423
Группа
Электрооборудование
Подгруппа
Генератор
Порядковый номер детали
774
47
47
Артикул: 841-3701780
нет в наличии
Палец крепления генератора
Количество на схеме: 1
Информация
Палец крепления генератора
Количество
1
Модель
841
Группа
Электрооборудование
Подгруппа
Генератор
Порядковый номер детали
780
48
48
Артикул: 216459-П29
нет в наличии
Шпилька
Количество на схеме: 1
Информация
Шпилька
Количество
1
Покрытие
цинкование и пассивирование (цинковое с хроматированием)
49
49
Артикул: 3802-3701055
нет в наличии
Вентилятор
Количество на схеме: 1
Информация
Вентилятор
Количество
1
Модель
3802
Группа
Электрооборудование
Подгруппа
Генератор
Порядковый номер детали
055
50
50
Артикул: 5702-3701401
нет в наличии
Крышка со стороны привода
Количество на схеме: 1
Информация
Крышка со стороны привода
Количество
1
Модель
5702
Группа
Электрооборудование
Подгруппа
Генератор
Порядковый номер детали
401
51
51
Артикул: 3802-3701054
нет в наличии
Втулка
Количество на схеме: 1
Информация
Втулка
Количество
1
Модель
3802
Группа
Электрооборудование
Подгруппа
Генератор
Порядковый номер детали
054
52
52
Артикул: 6-1180304КС9
нет в наличии
Подшипник шариковый
Количество на схеме: 1
Информация
Подшипник шариковый
Количество
1
Модель
6
Группа
Cистема питания двигателя
Подгруппа
1180
Порядковый номер детали
304
53
53
Артикул: МХ-0139
нет в наличии
Винт
Количество на схеме: 3
Информация
Винт
Количество
3
54
54
Артикул: Х-1482-Т
нет в наличии
Шайба
Количество на схеме: 3
Информация
Шайба
Количество
3
55
55
Артикул: 3802-3701061
нет в наличии
Винт стяжной
Количество на схеме: 3
Информация
Винт стяжной
Количество
3
Модель
3802
Группа
Электрооборудование
Подгруппа
Генератор
Порядковый номер детали
061
  • Грузовые автомобили
  • Автобусы
  • Сельхозтехника
  • Спецтехника
  • Двигатели
Получить оптовый прайс-лист
Скачать прайс-лист от 08.05.2026 12:00
Специальное предложение от 08.05.2026 09:00
Производители:


  • WEICHAI
  • Автодизель ПАО (ЯМЗ)
  • Тутаевский МЗ
  • ЯЗДА
  • УралАЗ
  • МАЗ
  • АЗПИ
  • BOSCH
  • ММЗ
  • ШААЗ
  • FEDERAL MOGUL
  • ПРАМО
  • Мотордеталь
  • ТАИМ
  • АвтоКрАЗ
  • БЕЛКАРД
  • CZ Strakonice
  • КамАЗ
  • БЗА
  • ЧМЗ
  • BMZ
Новости
Все новости
25 марта 2024
Флагманский седельный тягач «Валдай 45» на выставке «TransRussia»
10 марта 2024
Современные автобусы «CITYMAX 9» и ЛиАЗ-5292 CNG
25 февраля 2024
Серийное производство средних дизельных двигателей повышенной мощности от ЯМЗ
Статьи
Все статьи
Датчики двигателя: за что они отвечают, признаки неисправности и как не прогадать с выбором
Двигатели ЯМЗ-534: история, технические характеристики и области применения
Двигатели ЯМЗ 650: углублённый технический обзор и история
Компания
О компании
Реквизиты
Новости
Политика
Магазины
Информация
Условия оплаты
Условия доставки
Гарантия на товар
Обмен и возврат товара
Помощь
Как оформить заказ
Полезные статьи
Бренды
Пункты выдачи
Оставайтесь на связи
  • Вконтакте
  • YouTube
  • Одноклассники
  • Google Plus
Увидели ошибку?
Выделите, нажав Ctrl + Enter
Наши контакты
8-800-700-35-68
sales@din76.ru
г. Ярославль, Ленинградский пр-т 33, ТЦ "ОМЕГА"
2026 © ООО «Динамика 76» - Все права защищены ООО "Динамика 76"
Предложения на сайте не являются публичной офертой.
На сайте обнаружена ошибка

Текст с ошибкой