Избранное 0 Корзина 0 Личный кабинет
logo
Каталог
Каталог
  • Справочник
    • Грузовые автомобили
    • Автобусы
    • Сельхозтехника
    • Спецтехника
    • Двигатели
  • Доставка
  • Оплата
  • О компании
    • Реквизиты
    • Магазины
    • Оплата
    • Доставка
    • Лицензии и сертификаты
    • Новости
    • Вакансии
  • Контакты
Отправить заявку
Личный кабинет
8 (800) 700-35-68
sales@din76.ru
Избранное 0 Корзина 0
8 (800) 700-35-68
Оптовый прайс-лист
Каталог
  • Двигатели
  • Запчасти WEICHAI
  • Запчасти ЯМЗ, ТМЗ (V-образные)
  • Запчасти ЯМЗ-534, ЯМЗ-536
  • Запчасти ЯМЗ-650, ЯМЗ-651, DCi-11
  • Топливная аппаратура
  • Запчасти УРАЛ
  • Запчасти МАЗ
  • Запчасти КамАЗ
  • Запчасти ММЗ
  • Ремни
Автокаталог (справочник)
  • Доставка
  • Оплата
  • О компании
  • Контакты
8 (800) 700-35-68
Написать в Whatsapp
sales@din76.ru
Динамика 76
Меню  
  • Каталог
    • Двигатели  
      • Двигатели ТМЗ  
        • Двигатели ТМЗ для автомобилей
        • Двигатели ТМЗ для тракторов
        • Специальные двигатели ТМЗ
        • Промышленные двигатели ТМЗ
      • Двигатели ЯМЗ  
        • ЯМЗ 236
        • ЯМЗ 238
        • ЯМЗ 240
        • ЯМЗ 751
        • ЯМЗ 840
        • ЯМЗ 850
        • ЯМЗ 656
        • ЯМЗ 658
        • ЯМЗ 534
        • ЯМЗ 536
        • ЯМЗ 650
        • Двигатели ЯМЗ для электростанций
      • Двигатели КАМАЗ
      • Двигатели ММЗ
      • Двигатели индивидуальной сборки
      • Комплекты переоборудования
    • Запчасти WEICHAI  
      • Основные запчасти двигателя  
        • Клапаны и толкатели
        • Шатуны
        • Вал коленчатый и маховик
        • Вал распределительный
        • Цилиндро-поршневая группа
      • Система питания  
        • Форсунки
        • Турбокомпрессор
      • Система смазки  
        • Насос масляный
      • Головка блока
      • Ремкомплекты
      • Система охлаждения  
        • Насос водяной
        • Муфта вязкостная и крыльчатка
      • Фильтры
      • Электрооборудование  
        • Генератор
        • Стартер
    • Запчасти ЯМЗ, ТМЗ (V-образные)  
      • Основные запчасти двигателя  
        • Блок двигателя и комплектующие
        • Валы распределительные и клапаны
        • Головка блока и комплектующие
        • Цилиндро-поршневая группа
        • Маховики и комплектующие
        • Валы коленчатые и комплектующие
        • Шатуны и комплектующие
      • Система питания  
        • Коллекторы и патрубки
        • Топливные трубопроводы
        • Турбокомпрессор
        • Топливные фильтры
      • Электрооборудование двигателя
      • Система охлаждения  
        • Вязкостные муфты и крыльчатки
        • Приводы вентилятора
        • Водяные насосы
        • Водяные трубы и термостаты
      • Коробки переключения передач  
        • 8 Ступенчатые КПП
        • 5 Ступенчатые КПП
        • 9 Ступенчатые КПП
        • Запасные части КПП ЯМЗ, ТМЗ
      • Система смазки  
        • Теплообменник и комплектующие
        • Масляные насосы
        • Фильтры масляные (ФГОМ, ФЦОМ)
      • Сцепление  
        • Запасные части механизма сцепления
        • Муфты (подшипники выжимные)
        • Корзины (диски нажимные)
        • Диски ведомые
      • Прочие запчасти двигателя  
        • Ремкомплекты
        • Привод агрегатов
        • Натяжные устройства
        • Трубки
    • Запчасти ЯМЗ-534, ЯМЗ-536  
      • Основные запчасти двигателя  
        • Цилиндро-поршневая группа
        • Головка блока цилиндров и комплектующие
        • Блок цилиндров и комплектующие
        • Вал коленчатый и маховик
        • Вал распределительный
        • Клапаны и толкатели
        • ГУР (Гидроусилитель руля)
        • Система рециркуляции отработавших газов
        • Выпускной коллектор
      • Система питания  
        • Коллекторы и патрубки
        • Топливные фильтры
        • Турбокомпрессор
        • Топливные трубопроводы
      • Система смазки  
        • Масляный картер поддон
        • Масляный насос
        • Теплообменник /Водо-масляный радиатор
        • Фильтры масляные (ФГОМ, ФЦОМ)
      • Пневмокомпрессор и натяжное
      • Система охлаждения  
        • Водяной насос
        • Водяные трубы и патрубки
        • Муфты вязкостные, приводы, крыльчатки
      • Ремкомплекты
      • Сцепление
      • Электрооборудование
    • Запчасти ЯМЗ-650, ЯМЗ-651, DCi-11  
      • Основные запчасти двигателя  
        • Цилиндро-поршневая группа
        • Головка блока цилиндров и комплектующие
        • Блок цилиндров и комплектующие
        • Вал коленчатый и маховик
        • Выпускной коллектор
        • Вал распределительный
        • Клапаны и толкатели
        • ГУР (Гидроусилитель руля)
        • Система рециркуляции отработавших газов
      • Система питания  
        • Коллекторы и патрубки
        • Топливные трубопроводы
        • Топливные фильтры
        • Турбокомпрессор
      • Система смазки  
        • Масляный картер / поддон
        • Масляный насос
        • Теплообменник / Водо-масляный радиатор
        • Фильтры масляные (ФГОМ, ФЦОМ)
      • Система охлаждения  
        • Водяной насос
        • Водяные трубы и патрубки
        • Муфты вязкостные, приводы, крыльчатки
      • Ремкомплекты
      • Пневмокомпрессор и натяжное
      • Электрооборудование
      • Сцепление
    • Топливная аппаратура  
      • ЯЗДА  
        • Распылители
        • ТНВД
        • Форсунки
        • Топливный насос низкого давления
        • Пары плунжерные
        • Муфта опережения впрыска топлива
        • Запчасти и комплектующие ТНВД
      • НЗТА
      • АЗПИ  
        • Распылители
        • Форсунки
      • BOSCH
    • Запчасти УРАЛ  
      • Трансмиссия  
        • Коробка раздаточная
        • Передача карданная
        • Мост задний
        • Мост передний (ведущий)
        • Мост средний (промежуточный)
      • Кузов  
        • Дверь кабины
        • Капот, крылья, облицовка радиатора
        • Окно ветровое и заднее
        • Отопление и вентиляция кабины
        • Кабина
      • Механизмы управления  
        • Управление рулевое
        • Тормоза
      • Дополнительное оборудование  
        • Отбор мощности
        • Устройство седельное
      • Электрооборудование
      • Ходовая часть  
        • Колеса и ступицы
        • Ось передняя
        • Подвеска автомобиля
        • Рама
    • Запчасти МАЗ  
      • Трансмиссия  
        • Мост задний
        • Мост передний (ведущий)
        • Передача карданная
        • Мост средний (промежуточный)
      • Кузов  
        • Кабина
        • Дверь кабины
        • Детали основания кабины
        • Окно ветровое и заднее
        • Платформа
      • Механизмы управления  
        • Тормоза
        • Управление рулевое
      • Ходовая часть  
        • Колеса и ступицы
        • Ось передняя
        • Подвеска автомобиля
        • Рама
    • Запчасти КамАЗ  
      • Кузов  
        • Кабина
        • Капот, крылья, облицовка радиатора
        • Дверь кабины
        • Платформа
        • Окно ветровое и заднее
        • Устройство подъемное и опрокидывающее
        • Сиденье
        • Крыша кабины (крыша кузова)
        • Отопление и вентиляция кабины
      • Трансмиссия  
        • Коробка передач
        • Коробка раздаточная
        • Мост задний
        • Сцепление
        • Мост средний (промежуточный)
        • Передача карданная
        • Мост передний (ведущий)
      • Двигатель  
        • Основные запчасти двигателя
        • Система охлаждения
        • Система питания
        • Система смазки
      • Дополнительное оборудование  
        • Отбор мощности
        • Устройство седельное
      • Ходовая часть  
        • Подвеска автомобиля
        • Рама
        • Колеса и ступицы
        • Ось передняя
      • Механизмы управления  
        • Тормоза
        • Управление рулевое
      • Электрооборудование
    • Запчасти ММЗ
    • Ремни
  • Справочник
    • Грузовые автомобили
    • Автобусы
    • Сельхозтехника
    • Спецтехника
    • Двигатели
  • Как купить
    • Условия оплаты
    • Условия доставки
    • Гарантия на товар
    • Пункты выдачи
  • Услуги
    • Капитальный ремонт двигателей ЯМЗ
  • Акции
  • Статьи
  • Контакты
  • Компания
    • Реквизиты
    • Магазины
    • Оплата
    • Доставка
    • Лицензии и сертификаты
    • Новости
    • Вакансии
Избранное 0 Корзина 0
8-800-700-35-68

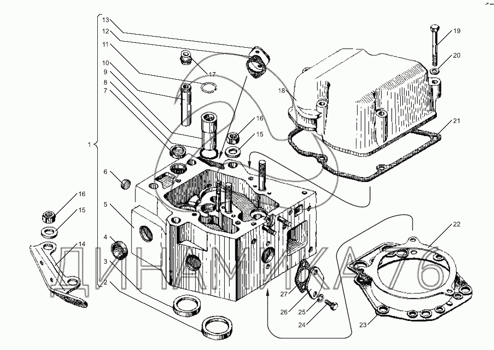
Индивидуальная головка цилиндра на ЯМЗ-7511 (2005) (до 2005 г.)

Справочник
Главная
-
Автокаталог
-
Двигатели
-
ЯМЗ
-
ЯМЗ-7511 (2005)
Справочный каталог

Индивидуальная головка цилиндра — ЯМЗ-7511 (2005):

1 1 2 3 4 5 6 7 8 9 10 11 12 13 14 14 15 15 16 16 17 18 19 20 21 22 22 22 22 23 24 25 26 27
в наличии
нет в наличии
масштаб

В наличии
Нет в наличии

Перечень комплектующих от Индивидуальная головка цилиндра на ЯМЗ-7511 (2005)

Схемы запчастей предназначены для справочных целей! Мы продаем не все запчасти от Индивидуальная головка цилиндра на ЯМЗ-7511 (2005), представленные в этом списке.
Наличие на складах по деталям с ценой смотрите в карточке товара.
1
1
Артикул: 7511-1003012
нет в наличии
Головка цилиндра с втулками в сборе
Количество на схеме: 8
Информация
Головка цилиндра с втулками в сборе
Количество
8
Модель
7511
Группа
Двигатель
Подгруппа
Головка блока цилиндров
Порядковый номер детали
012
1
1
Артикул: 7511-1003013
в наличии
Головка цилиндра в сборе (для запасных частей)
Количество на схеме: 8
Информация
Головка цилиндра в сборе (для запасных частей)
Количество
8
Модель
7511
Группа
Двигатель
Подгруппа
Головка блока цилиндров
Порядковый номер детали
013
Головка цилиндров(раздельная)
Артикул: 7511-1003013
Головка цилиндров(раздельная)
Код для заказа: 00008143
Цена: 13 530 ₽/шт.
Под заказ
Головка цилиндров(раздельная)
Артикул: 7511-1003013
Код для заказа: 00008143
Головка цилиндров(раздельная)
Цена: 13 530 ₽/шт.
Под заказ
2
2
Артикул: 7511-1003108
в наличии
Седло впускного клапана
Количество на схеме: 8
Информация
Седло впускного клапана
Количество
8
Модель
7511
Группа
Двигатель
Подгруппа
Головка блока цилиндров
Порядковый номер детали
108
СЕДЛО ВПУСКНОГО КЛАПАНА (ЯМЗ)
Артикул: 7511-1003108
СЕДЛО ВПУСКНОГО КЛАПАНА (ЯМЗ)
Код для заказа: 00003208
Цена: 489 ₽/шт.
В наличии: 2 шт.
- +
В корзинуВ корзине
СЕДЛО ВПУСКНОГО КЛАПАНА (ЯМЗ)
Артикул: 7511-1003108
Код для заказа: 00003208
СЕДЛО ВПУСКНОГО КЛАПАНА (ЯМЗ)
Цена: 489 ₽/шт.
В наличии: 2 шт.
- +
В корзинуВ корзине
3
3
Артикул: 7511-1003110
в наличии
Седло выпускного клапана
Количество на схеме: 8
Информация
Седло выпускного клапана
Количество
8
Модель
7511
Группа
Двигатель
Подгруппа
Головка блока цилиндров
Порядковый номер детали
110
СЕДЛО ВЫПУСКНОГО КЛАПАНА (ЯМЗ)
Артикул: 7511-1003110
СЕДЛО ВЫПУСКНОГО КЛАПАНА (ЯМЗ)
Код для заказа: 00003210
Цена: 1 098 ₽/шт.
Под заказ
СЕДЛО ВЫПУСКНОГО КЛАПАНА (ЯМЗ)
Артикул: 7511-1003110
Код для заказа: 00003210
СЕДЛО ВЫПУСКНОГО КЛАПАНА (ЯМЗ)
Цена: 1 098 ₽/шт.
Под заказ
4
4
Артикул: 313992-П
в наличии
Заглушка
Количество на схеме: 16
Информация
Заглушка
Количество
16
Покрытие
без покрытия
ЗАГЛУШКА 35 (ЯМЗ)
Артикул: 313992-П
ЗАГЛУШКА 35 (ЯМЗ)
Код для заказа: 00003046
Цена: 205 ₽/шт.
Под заказ
ЗАГЛУШКА 35 (ЯМЗ)
Артикул: 313992-П
Код для заказа: 00003046
ЗАГЛУШКА 35 (ЯМЗ)
Цена: 205 ₽/шт.
Под заказ
5
5
Артикул: 7511-1003014
нет в наличии
Головка цилиндра с вставкой в сборе
Количество на схеме: 8
Информация
Головка цилиндра с вставкой в сборе
Количество
8
Модель
7511
Группа
Двигатель
Подгруппа
Головка блока цилиндров
Порядковый номер детали
014
6
6
Артикул: 7511-1003436
нет в наличии
Заглушка
Количество на схеме: 8
Информация
Заглушка
Количество
8
Модель
7511
Группа
Двигатель
Подгруппа
Головка блока цилиндров
Порядковый номер детали
436
7
7
Артикул: 313934-П
в наличии
Заглушка
Количество на схеме: 8
Информация
Заглушка
Количество
8
Покрытие
без покрытия
Заглушка ЯМЗ головки блока малая d=28 (ЯМЗ)
Артикул: 313934-П
Заглушка ЯМЗ головки блока малая d=28 (ЯМЗ)
Код для заказа: 00003044
Цена: 189 ₽/шт.
Под заказ
Заглушка ЯМЗ головки блока малая d=28 (ЯМЗ)
Артикул: 313934-П
Код для заказа: 00003044
Заглушка ЯМЗ головки блока малая d=28 (ЯМЗ)
Цена: 189 ₽/шт.
Под заказ
8
8
Артикул: 25-3111-6148
нет в наличии
Кольцо 029-035-36-2-5
Количество на схеме: 8
Информация
Кольцо 029-035-36-2-5
Количество
8
9
9
Артикул: 7511-1003112
в наличии
Стакан форсунки
Количество на схеме: 8
Информация
Стакан форсунки
Количество
8
Модель
7511
Группа
Двигатель
Подгруппа
Головка блока цилиндров
Порядковый номер детали
112
Стакан ЯМЗ-7511 форсунки раздельной ГБЦ АВТОДИЗЕЛЬ
Артикул: 7511-1003112
Стакан ЯМЗ-7511 форсунки раздельной ГБЦ АВТОДИЗЕЛЬ
Код для заказа: 00003213
Цена: 1 141 ₽/шт.
Под заказ
Стакан ЯМЗ-7511 форсунки раздельной ГБЦ АВТОДИЗЕЛЬ
Артикул: 7511-1003112
Код для заказа: 00003213
Стакан ЯМЗ-7511 форсунки раздельной ГБЦ АВТОДИЗЕЛЬ
Цена: 1 141 ₽/шт.
Под заказ
10
10
Артикул: 236-1007032-Б
в наличии
Втулка клапана направляющая
Количество на схеме: 16
Информация
Втулка клапана направляющая
Количество
16
Модель
236
Группа
Двигатель
Подгруппа
Клапана и толкатели
Порядковый номер детали
032
Втулка ЯМЗ клапана направляющая(не развернутая) АВТОДИЗЕЛЬ
Артикул: 236-1007032-Б
Втулка ЯМЗ клапана направляющая(не развернутая) АВТОДИЗЕЛЬ
Код для заказа: 00005238
Цена: 296 ₽/шт.
Под заказ
Втулка ЯМЗ клапана направляющая(не развернутая) АВТОДИЗЕЛЬ
Артикул: 236-1007032-Б
Код для заказа: 00005238
Втулка ЯМЗ клапана направляющая(не развернутая) АВТОДИЗЕЛЬ
Цена: 296 ₽/шт.
Под заказ
11
11
Артикул: 7511-1003115
нет в наличии
Кольцо запорное
Количество на схеме: 8
Информация
Кольцо запорное
Количество
8
Модель
7511
Группа
Двигатель
Подгруппа
Головка блока цилиндров
Порядковый номер детали
115
12
12
Артикул: 236-1011296
в наличии
Прокладка переднего фланца
Количество на схеме: 8
Информация
Прокладка переднего фланца
Количество
8
Модель
236
Группа
Двигатель
Подгруппа
Насос масляный
Порядковый номер детали
296
Прокладка ЯМЗ насоса масляного
Артикул: 236-1011296
Прокладка ЯМЗ насоса масляного
Код для заказа: 00005841
Цена: 21 ₽/шт.
Под заказ
Прокладка ЯМЗ насоса масляного
Артикул: 236-1011296
Код для заказа: 00005841
Прокладка ЯМЗ насоса масляного
Цена: 21 ₽/шт.
Под заказ
13
13
Артикул: 236-1002402
нет в наличии
Заглушка
Количество на схеме: 8
Информация
Заглушка
Количество
8
Модель
236
Группа
Двигатель
Подгруппа
Блок цилиндров
Порядковый номер детали
402
14
14
Артикул: 7511-1003330
нет в наличии
Рым
Количество на схеме: 2
Информация
Рым
Количество
2
Модель
7511
Группа
Двигатель
Подгруппа
Головка блока цилиндров
Порядковый номер детали
330
14
14
Артикул: 7511-1003331
нет в наличии
Рым
Количество на схеме: 2
Информация
Рым
Количество
2
Модель
7511
Группа
Двигатель
Подгруппа
Головка блока цилиндров
Порядковый номер детали
331
15
15
Артикул: 312399-П29
нет в наличии
Шайба
Количество на схеме: 48
Информация
Шайба
Количество
48
Покрытие
цинкование и пассивирование (цинковое с хроматированием)
16
16
Артикул: 311423-П5
в наличии
Гайка
Количество на схеме: 48
Информация
Гайка
Количество
48
Покрытие
омеднение
Гайка М16х1.5хH16S24 головки блока ЯМЗ АВТОДИЗЕЛЬ
Артикул: 311423-П5
Гайка М16х1.5хH16S24 головки блока ЯМЗ АВТОДИЗЕЛЬ
Код для заказа: 00002960
Цена: 126 ₽/шт.
Под заказ
Гайка М16х1.5хH16S24 головки блока ЯМЗ АВТОДИЗЕЛЬ
Артикул: 311423-П5
Код для заказа: 00002960
Гайка М16х1.5хH16S24 головки блока ЯМЗ АВТОДИЗЕЛЬ
Цена: 126 ₽/шт.
Под заказ
Гайка М16х1.5хH16S24 головки блока
Артикул: 311423-П5
Гайка М16х1.5хH16S24 головки блока
Код для заказа: 00009032
Цена: 67 ₽/шт.
Под заказ
Гайка М16х1.5хH16S24 головки блока
Артикул: 311423-П5
Код для заказа: 00009032
Гайка М16х1.5хH16S24 головки блока
Цена: 67 ₽/шт.
Под заказ
17
17
Артикул: 236-1007262
в наличии
Манжета уплотнительная впускного клапана в сборе
Количество на схеме: 8
Информация
Манжета уплотнительная впускного клапана в сборе
Количество
8
Модель
236
Группа
Двигатель
Подгруппа
Клапана и толкатели
Порядковый номер детали
262
Манжета уплотнительная клапана с кольцом и пружиной красная МБС
Артикул: 236-1007262
Манжета уплотнительная клапана с кольцом и пружиной красная МБС
Код для заказа: 00009985
Цена: 160 ₽/шт.
В наличии: 4 шт.
- +
В корзинуВ корзине
Манжета уплотнительная клапана с кольцом и пружиной красная МБС
Артикул: 236-1007262
Код для заказа: 00009985
Манжета уплотнительная клапана с кольцом и пружиной красная МБС
Цена: 160 ₽/шт.
В наличии: 4 шт.
- +
В корзинуВ корзине
Манжета уплотнительная клапана ЯМЗ зеленая МБС
Артикул: 236-1007262
Манжета уплотнительная клапана ЯМЗ зеленая МБС
Код для заказа: 00009986
Цена: 160 ₽/шт.
В наличии: 15 шт.
- +
В корзинуВ корзине
Манжета уплотнительная клапана ЯМЗ зеленая МБС
Артикул: 236-1007262
Код для заказа: 00009986
Манжета уплотнительная клапана ЯМЗ зеленая МБС
Цена: 160 ₽/шт.
В наличии: 15 шт.
- +
В корзинуВ корзине
Манжета уплотнительная клапана ЯМЗ с кольцом и пружиной черная МБС
Артикул: 236-1007262
Манжета уплотнительная клапана ЯМЗ с кольцом и пружиной черная МБС
Код для заказа: 00008494
Цена: 160 ₽/шт.
Под заказ
Манжета уплотнительная клапана ЯМЗ с кольцом и пружиной черная МБС
Артикул: 236-1007262
Код для заказа: 00008494
Манжета уплотнительная клапана ЯМЗ с кольцом и пружиной черная МБС
Цена: 160 ₽/шт.
Под заказ
18
18
Артикул: 7511-1003264
нет в наличии
Крышка головки цилиндра
Количество на схеме: 7
Информация
Крышка головки цилиндра
Количество
7
Модель
7511
Группа
Двигатель
Подгруппа
Головка блока цилиндров
Порядковый номер детали
264
19
19
Артикул: 200274-П29
в наличии
Болт М8х75
Количество на схеме: 40
Информация
Болт М8х75
Количество
40
Покрытие
цинкование и пассивирование (цинковое с хроматированием)
Болт М8х1,25х75 крепления крышки головки блока цилиндров АВТОДИЗЕЛЬ
Артикул: 200274-П29
Болт М8х1,25х75 крепления крышки головки блока цилиндров АВТОДИЗЕЛЬ
Код для заказа: 00005965
Цена: 33 ₽/шт.
Под заказ
Болт М8х1,25х75 крепления крышки головки блока цилиндров АВТОДИЗЕЛЬ
Артикул: 200274-П29
Код для заказа: 00005965
Болт М8х1,25х75 крепления крышки головки блока цилиндров АВТОДИЗЕЛЬ
Цена: 33 ₽/шт.
Под заказ
20
20
Артикул: 252005-П29
в наличии
Шайба плоская
Количество на схеме: 40
Информация
Шайба плоская
Количество
40
Покрытие
цинкование и пассивирование (цинковое с хроматированием)
Шайба 8.0 УРАЛ кабины (АО АЗ УРАЛ)
Артикул: 252005-П29
Шайба 8.0 УРАЛ кабины (АО АЗ УРАЛ)
Код для заказа: 00006120
Цена: 17 ₽/шт.
Под заказ
Шайба 8.0 УРАЛ кабины (АО АЗ УРАЛ)
Артикул: 252005-П29
Код для заказа: 00006120
Шайба 8.0 УРАЛ кабины (АО АЗ УРАЛ)
Цена: 17 ₽/шт.
Под заказ
21
21
Артикул: 7511-1003270
в наличии
Прокладка крышки головки
Количество на схеме: 8
Информация
Прокладка крышки головки
Количество
8
Модель
7511
Группа
Двигатель
Подгруппа
Головка блока цилиндров
Порядковый номер детали
270
Прокладка крышки клапанной ЯМЗ-7511 на раздельную ГБЦ
Артикул: 7511-1003270
Прокладка крышки клапанной ЯМЗ-7511 на раздельную ГБЦ
Код для заказа: 00008144
Цена: 39 ₽/шт.
Под заказ
Прокладка крышки клапанной ЯМЗ-7511 на раздельную ГБЦ
Артикул: 7511-1003270
Код для заказа: 00008144
Прокладка крышки клапанной ЯМЗ-7511 на раздельную ГБЦ
Цена: 39 ₽/шт.
Под заказ
22
22
Артикул: 7511-1003212-10
нет в наличии
Прокладка головки цилиндра толщиной 1,1-0,06 мм
Количество на схеме: 8
Информация
Прокладка головки цилиндра толщиной 1,1-0,06 мм
Количество
8
Примечание
3
Модель
7511
Группа
Двигатель
Подгруппа
Головка блока цилиндров
Порядковый номер детали
212
Дополнительно
Не взаимозаменяема с деталью, выпущенной ранее под этим же номером
22
22
Артикул: 7511-1003212-20
в наличии
Прокладка головки цилиндра толщиной 1,3-0,06 мм
Количество на схеме: 8
Информация
Прокладка головки цилиндра толщиной 1,3-0,06 мм
Количество
8
Примечание
3
Модель
7511
Группа
Двигатель
Подгруппа
Головка блока цилиндров
Порядковый номер детали
212
Дополнительно
Не взаимозаменяема с деталью, выпущенной ранее под этим же номером
Прокладка головки блока ЯМЗ-7511.10 АВТОДИЗЕЛЬ
Артикул: 7511-1003212-20
Прокладка головки блока ЯМЗ-7511.10 АВТОДИЗЕЛЬ
Код для заказа: 00003223
Цена: 186 ₽/шт.
В наличии: 5 шт.
- +
В корзинуВ корзине
Прокладка головки блока ЯМЗ-7511.10 АВТОДИЗЕЛЬ
Артикул: 7511-1003212-20
Код для заказа: 00003223
Прокладка головки блока ЯМЗ-7511.10 АВТОДИЗЕЛЬ
Цена: 186 ₽/шт.
В наличии: 5 шт.
- +
В корзинуВ корзине
22
22
Артикул: 7511-1003212-30
в наличии
Прокладка головки цилиндра толщиной 1,5-0,08 мм
Количество на схеме: 8
Информация
Прокладка головки цилиндра толщиной 1,5-0,08 мм
Количество
8
Примечание
3
Модель
7511
Группа
Двигатель
Подгруппа
Головка блока цилиндров
Порядковый номер детали
212
Дополнительно
Не взаимозаменяема с деталью, выпущенной ранее под этим же номером
Прокладка головки блока ЯМЗ-7511.10 h=1.5 0.08мм (инд. ГБЦ) АВТОДИЗЕЛЬ
Артикул: 7511-1003212-30
Прокладка головки блока ЯМЗ-7511.10 h=1.5 0.08мм (инд. ГБЦ) АВТОДИЗЕЛЬ
Код для заказа: 00003224
Цена: 224 ₽/шт.
Под заказ
Прокладка головки блока ЯМЗ-7511.10 h=1.5 0.08мм (инд. ГБЦ) АВТОДИЗЕЛЬ
Артикул: 7511-1003212-30
Код для заказа: 00003224
Прокладка головки блока ЯМЗ-7511.10 h=1.5 0.08мм (инд. ГБЦ) АВТОДИЗЕЛЬ
Цена: 224 ₽/шт.
Под заказ
22
22
Артикул: 7511-1003212-40
в наличии
Прокладка головки цилиндра толщиной 1,7-0,08 мм
Количество на схеме: 8
Информация
Прокладка головки цилиндра толщиной 1,7-0,08 мм
Количество
8
Примечание
3
Модель
7511
Группа
Двигатель
Подгруппа
Головка блока цилиндров
Порядковый номер детали
212
Дополнительно
Не взаимозаменяема с деталью, выпущенной ранее под этим же номером
Прокладка головки блока ЯМЗ-7511.10 h=1.7 0.08мм (инд. ГБЦ) (ЯМЗ)
Артикул: 7511-1003212-40
Прокладка головки блока ЯМЗ-7511.10 h=1.7 0.08мм (инд. ГБЦ) (ЯМЗ)
Код для заказа: 00003225
Цена: 313 ₽/шт.
Под заказ
Прокладка головки блока ЯМЗ-7511.10 h=1.7 0.08мм (инд. ГБЦ) (ЯМЗ)
Артикул: 7511-1003212-40
Код для заказа: 00003225
Прокладка головки блока ЯМЗ-7511.10 h=1.7 0.08мм (инд. ГБЦ) (ЯМЗ)
Цена: 313 ₽/шт.
Под заказ
23
23
Артикул: 7511-1003213
в наличии
Прокладка уплотнительная головки цилиндра
Количество на схеме: 8
Информация
Прокладка уплотнительная головки цилиндра
Количество
8
Модель
7511
Группа
Двигатель
Подгруппа
Головка блока цилиндров
Порядковый номер детали
213
Прокладка ЯМЗ-7511 головки блока раздельная (резина)
Артикул: 7511-1003213
Прокладка ЯМЗ-7511 головки блока раздельная (резина)
Код для заказа: 00008690
Цена: 28 ₽/шт.
В наличии: 673 шт.
- +
В корзинуВ корзине
Прокладка ЯМЗ-7511 головки блока раздельная (резина)
Артикул: 7511-1003213
Код для заказа: 00008690
Прокладка ЯМЗ-7511 головки блока раздельная (резина)
Цена: 28 ₽/шт.
В наличии: 673 шт.
- +
В корзинуВ корзине
Прокладка головки блока ЯМЗ-7511 инд. ГБЦ (фторкаучук)
Артикул: 7511-1003213
Прокладка головки блока ЯМЗ-7511 инд. ГБЦ (фторкаучук)
Код для заказа: 00005933
Цена: 1 189 ₽/шт.
Под заказ
Прокладка головки блока ЯМЗ-7511 инд. ГБЦ (фторкаучук)
Артикул: 7511-1003213
Код для заказа: 00005933
Прокладка головки блока ЯМЗ-7511 инд. ГБЦ (фторкаучук)
Цена: 1 189 ₽/шт.
Под заказ
Прокладка ГБЦ (фторсиликон)
Артикул: 7511-1003213
Прокладка ГБЦ (фторсиликон)
Код для заказа: 00067877
Цена: 1 189 ₽/шт.
Под заказ
Прокладка ГБЦ (фторсиликон)
Артикул: 7511-1003213
Код для заказа: 00067877
Прокладка ГБЦ (фторсиликон)
Цена: 1 189 ₽/шт.
Под заказ
24
24
Артикул: 201454-П29
в наличии
Болт М8х16
Количество на схеме: 32
Информация
Болт М8х16
Количество
32
Покрытие
цинкование и пассивирование (цинковое с хроматированием)
Болт М8х1.25х16 ЗИЛ-130 крепление кронштейна радиатора масл., ГАЗ-31029 фиксатора штоков КПП
Артикул: 201454-П29
Болт М8х1.25х16 ЗИЛ-130 крепление кронштейна радиатора масл., ГАЗ-31029 фиксатора штоков КПП
Код для заказа: 00005973
Цена: 26 ₽/шт.
Под заказ
Болт М8х1.25х16 ЗИЛ-130 крепление кронштейна радиатора масл., ГАЗ-31029 фиксатора штоков КПП
Артикул: 201454-П29
Код для заказа: 00005973
Болт М8х1.25х16 ЗИЛ-130 крепление кронштейна радиатора масл., ГАЗ-31029 фиксатора штоков КПП
Цена: 26 ₽/шт.
Под заказ
25
25
Артикул: 252135-П2
в наличии
Шайба пружинная
Количество на схеме: 32
Информация
Шайба пружинная
Количество
32
Покрытие
фосфатирование и промасливание
Шайба 8х2.5 ЯМЗ заглушки блока цилиндров АВТОДИЗЕЛЬ
Артикул: 252135-П2
Шайба 8х2.5 ЯМЗ заглушки блока цилиндров АВТОДИЗЕЛЬ
Код для заказа: 00006017
Цена: 3 ₽/шт.
Под заказ
Шайба 8х2.5 ЯМЗ заглушки блока цилиндров АВТОДИЗЕЛЬ
Артикул: 252135-П2
Код для заказа: 00006017
Шайба 8х2.5 ЯМЗ заглушки блока цилиндров АВТОДИЗЕЛЬ
Цена: 3 ₽/шт.
Под заказ
26
26
Артикул: 236-1002404
в наличии
Заглушка
Количество на схеме: 8
Информация
Заглушка
Количество
8
Модель
236
Группа
Двигатель
Подгруппа
Блок цилиндров
Порядковый номер детали
404
Заглушка ЯМЗ водяного канала АВТОДИЗЕЛЬ
Артикул: 236-1002404
Заглушка ЯМЗ водяного канала АВТОДИЗЕЛЬ
Код для заказа: 00003179
Цена: 162 ₽/шт.
В наличии: 10 шт.
- +
В корзинуВ корзине
Заглушка ЯМЗ водяного канала АВТОДИЗЕЛЬ
Артикул: 236-1002404
Код для заказа: 00003179
Заглушка ЯМЗ водяного канала АВТОДИЗЕЛЬ
Цена: 162 ₽/шт.
В наличии: 10 шт.
- +
В корзинуВ корзине
27
27
Артикул: 201-1306075-A
нет в наличии
Прокладка
Количество на схеме: 8
Информация
Прокладка
Количество
8
Модель
201
Группа
Система охлаждения
Подгруппа
Термостат
Порядковый номер детали
075
Дополнительно
Конструкция детали модернизирована, но сохранена взаимозаменяемость с ранее выпущенными
  • Грузовые автомобили
  • Автобусы
  • Сельхозтехника
  • Спецтехника
  • Двигатели
Получить оптовый прайс-лист
Скачать прайс-лист от 06.05.2026 16:00
Специальное предложение от 06.05.2026 17:00
Производители:


  • WEICHAI
  • Автодизель ПАО (ЯМЗ)
  • Тутаевский МЗ
  • ЯЗДА
  • УралАЗ
  • МАЗ
  • АЗПИ
  • BOSCH
  • ММЗ
  • ШААЗ
  • FEDERAL MOGUL
  • ПРАМО
  • Мотордеталь
  • ТАИМ
  • АвтоКрАЗ
  • БЕЛКАРД
  • CZ Strakonice
  • КамАЗ
  • БЗА
  • ЧМЗ
  • BMZ
Новости
Все новости
25 марта 2024
Флагманский седельный тягач «Валдай 45» на выставке «TransRussia»
10 марта 2024
Современные автобусы «CITYMAX 9» и ЛиАЗ-5292 CNG
25 февраля 2024
Серийное производство средних дизельных двигателей повышенной мощности от ЯМЗ
Статьи
Все статьи
Датчики двигателя: за что они отвечают, признаки неисправности и как не прогадать с выбором
Двигатели ЯМЗ-534: история, технические характеристики и области применения
Двигатели ЯМЗ 650: углублённый технический обзор и история
Компания
О компании
Реквизиты
Новости
Политика
Магазины
Информация
Условия оплаты
Условия доставки
Гарантия на товар
Обмен и возврат товара
Помощь
Как оформить заказ
Полезные статьи
Бренды
Пункты выдачи
Оставайтесь на связи
  • Вконтакте
  • YouTube
  • Одноклассники
  • Google Plus
Увидели ошибку?
Выделите, нажав Ctrl + Enter
Наши контакты
8-800-700-35-68
sales@din76.ru
г. Ярославль, Ленинградский пр-т 33, ТЦ "ОМЕГА"
2026 © ООО «Динамика 76» - Все права защищены ООО "Динамика 76"
Предложения на сайте не являются публичной офертой.
На сайте обнаружена ошибка

Текст с ошибкой