Избранное 0 Корзина 0 Личный кабинет
logo
Каталог
Каталог
  • Справочник
    • Грузовые автомобили
    • Автобусы
    • Сельхозтехника
    • Спецтехника
    • Двигатели
  • Доставка
  • Оплата
  • О компании
    • Реквизиты
    • Магазины
    • Оплата
    • Доставка
    • Лицензии и сертификаты
    • Новости
    • Вакансии
  • Контакты
Отправить заявку
Личный кабинет
8 (800) 700-35-68
sales@din76.ru
Избранное 0 Корзина 0
8 (800) 700-35-68
Оптовый прайс-лист
Каталог
  • Двигатели
  • Запчасти WEICHAI
  • Запчасти ЯМЗ, ТМЗ (V-образные)
  • Запчасти ЯМЗ-534, ЯМЗ-536
  • Запчасти ЯМЗ-650, ЯМЗ-651, DCi-11
  • Топливная аппаратура
  • Запчасти УРАЛ
  • Запчасти МАЗ
  • Запчасти КамАЗ
  • Запчасти ММЗ
  • Ремни
Автокаталог (справочник)
  • Доставка
  • Оплата
  • О компании
  • Контакты
8 (800) 700-35-68
Написать в Whatsapp
sales@din76.ru
Динамика 76
Меню  
  • Каталог
    • Двигатели  
      • Двигатели ТМЗ  
        • Двигатели ТМЗ для автомобилей
        • Двигатели ТМЗ для тракторов
        • Специальные двигатели ТМЗ
        • Промышленные двигатели ТМЗ
      • Двигатели ЯМЗ  
        • ЯМЗ 236
        • ЯМЗ 238
        • ЯМЗ 240
        • ЯМЗ 751
        • ЯМЗ 840
        • ЯМЗ 850
        • ЯМЗ 656
        • ЯМЗ 658
        • ЯМЗ 534
        • ЯМЗ 536
        • ЯМЗ 650
        • Двигатели ЯМЗ для электростанций
      • Двигатели КАМАЗ
      • Двигатели ММЗ
      • Двигатели индивидуальной сборки
      • Комплекты переоборудования
    • Запчасти WEICHAI  
      • Основные запчасти двигателя  
        • Клапаны и толкатели
        • Шатуны
        • Вал коленчатый и маховик
        • Вал распределительный
        • Цилиндро-поршневая группа
      • Система питания  
        • Форсунки
        • Турбокомпрессор
      • Система смазки  
        • Насос масляный
      • Головка блока
      • Ремкомплекты
      • Система охлаждения  
        • Насос водяной
        • Муфта вязкостная и крыльчатка
      • Фильтры
      • Электрооборудование  
        • Генератор
        • Стартер
    • Запчасти ЯМЗ, ТМЗ (V-образные)  
      • Основные запчасти двигателя  
        • Блок двигателя и комплектующие
        • Валы распределительные и клапаны
        • Головка блока и комплектующие
        • Цилиндро-поршневая группа
        • Маховики и комплектующие
        • Валы коленчатые и комплектующие
        • Шатуны и комплектующие
      • Система питания  
        • Коллекторы и патрубки
        • Топливные трубопроводы
        • Турбокомпрессор
        • Топливные фильтры
      • Электрооборудование двигателя
      • Система охлаждения  
        • Вязкостные муфты и крыльчатки
        • Приводы вентилятора
        • Водяные насосы
        • Водяные трубы и термостаты
      • Коробки переключения передач  
        • 8 Ступенчатые КПП
        • 5 Ступенчатые КПП
        • 9 Ступенчатые КПП
        • Запасные части КПП ЯМЗ, ТМЗ
      • Система смазки  
        • Теплообменник и комплектующие
        • Масляные насосы
        • Фильтры масляные (ФГОМ, ФЦОМ)
      • Сцепление  
        • Запасные части механизма сцепления
        • Муфты (подшипники выжимные)
        • Корзины (диски нажимные)
        • Диски ведомые
      • Прочие запчасти двигателя  
        • Ремкомплекты
        • Привод агрегатов
        • Натяжные устройства
        • Трубки
    • Запчасти ЯМЗ-534, ЯМЗ-536  
      • Основные запчасти двигателя  
        • Цилиндро-поршневая группа
        • Головка блока цилиндров и комплектующие
        • Блок цилиндров и комплектующие
        • Вал коленчатый и маховик
        • Вал распределительный
        • Клапаны и толкатели
        • ГУР (Гидроусилитель руля)
        • Система рециркуляции отработавших газов
        • Выпускной коллектор
      • Система питания  
        • Коллекторы и патрубки
        • Топливные фильтры
        • Турбокомпрессор
        • Топливные трубопроводы
      • Система смазки  
        • Масляный картер поддон
        • Масляный насос
        • Теплообменник /Водо-масляный радиатор
        • Фильтры масляные (ФГОМ, ФЦОМ)
      • Пневмокомпрессор и натяжное
      • Система охлаждения  
        • Водяной насос
        • Водяные трубы и патрубки
        • Муфты вязкостные, приводы, крыльчатки
      • Ремкомплекты
      • Сцепление
      • Электрооборудование
    • Запчасти ЯМЗ-650, ЯМЗ-651, DCi-11  
      • Основные запчасти двигателя  
        • Цилиндро-поршневая группа
        • Головка блока цилиндров и комплектующие
        • Блок цилиндров и комплектующие
        • Вал коленчатый и маховик
        • Выпускной коллектор
        • Вал распределительный
        • Клапаны и толкатели
        • ГУР (Гидроусилитель руля)
        • Система рециркуляции отработавших газов
      • Система питания  
        • Коллекторы и патрубки
        • Топливные трубопроводы
        • Топливные фильтры
        • Турбокомпрессор
      • Система смазки  
        • Масляный картер / поддон
        • Масляный насос
        • Теплообменник / Водо-масляный радиатор
        • Фильтры масляные (ФГОМ, ФЦОМ)
      • Система охлаждения  
        • Водяной насос
        • Водяные трубы и патрубки
        • Муфты вязкостные, приводы, крыльчатки
      • Ремкомплекты
      • Пневмокомпрессор и натяжное
      • Электрооборудование
      • Сцепление
    • Топливная аппаратура  
      • ЯЗДА  
        • Распылители
        • ТНВД
        • Форсунки
        • Топливный насос низкого давления
        • Пары плунжерные
        • Муфта опережения впрыска топлива
        • Запчасти и комплектующие ТНВД
      • НЗТА
      • АЗПИ  
        • Распылители
        • Форсунки
      • BOSCH
    • Запчасти УРАЛ  
      • Трансмиссия  
        • Коробка раздаточная
        • Передача карданная
        • Мост задний
        • Мост передний (ведущий)
        • Мост средний (промежуточный)
      • Кузов  
        • Дверь кабины
        • Капот, крылья, облицовка радиатора
        • Окно ветровое и заднее
        • Отопление и вентиляция кабины
        • Кабина
      • Механизмы управления  
        • Управление рулевое
        • Тормоза
      • Дополнительное оборудование  
        • Отбор мощности
        • Устройство седельное
      • Электрооборудование
      • Ходовая часть  
        • Колеса и ступицы
        • Ось передняя
        • Подвеска автомобиля
        • Рама
    • Запчасти МАЗ  
      • Трансмиссия  
        • Мост задний
        • Мост передний (ведущий)
        • Передача карданная
        • Мост средний (промежуточный)
      • Кузов  
        • Кабина
        • Дверь кабины
        • Детали основания кабины
        • Окно ветровое и заднее
        • Платформа
      • Механизмы управления  
        • Тормоза
        • Управление рулевое
      • Ходовая часть  
        • Колеса и ступицы
        • Ось передняя
        • Подвеска автомобиля
        • Рама
    • Запчасти КамАЗ  
      • Кузов  
        • Кабина
        • Капот, крылья, облицовка радиатора
        • Дверь кабины
        • Платформа
        • Окно ветровое и заднее
        • Устройство подъемное и опрокидывающее
        • Сиденье
        • Крыша кабины (крыша кузова)
        • Отопление и вентиляция кабины
      • Трансмиссия  
        • Коробка передач
        • Коробка раздаточная
        • Мост задний
        • Сцепление
        • Мост средний (промежуточный)
        • Передача карданная
        • Мост передний (ведущий)
      • Двигатель  
        • Основные запчасти двигателя
        • Система охлаждения
        • Система питания
        • Система смазки
      • Дополнительное оборудование  
        • Отбор мощности
        • Устройство седельное
      • Ходовая часть  
        • Подвеска автомобиля
        • Рама
        • Колеса и ступицы
        • Ось передняя
      • Механизмы управления  
        • Тормоза
        • Управление рулевое
      • Электрооборудование
    • Запчасти ММЗ
    • Ремни
  • Справочник
    • Грузовые автомобили
    • Автобусы
    • Сельхозтехника
    • Спецтехника
    • Двигатели
  • Как купить
    • Условия оплаты
    • Условия доставки
    • Гарантия на товар
    • Пункты выдачи
  • Услуги
    • Капитальный ремонт двигателей ЯМЗ
  • Акции
  • Статьи
  • Контакты
  • Компания
    • Реквизиты
    • Магазины
    • Оплата
    • Доставка
    • Лицензии и сертификаты
    • Новости
    • Вакансии
Избранное 0 Корзина 0
8-800-700-35-68

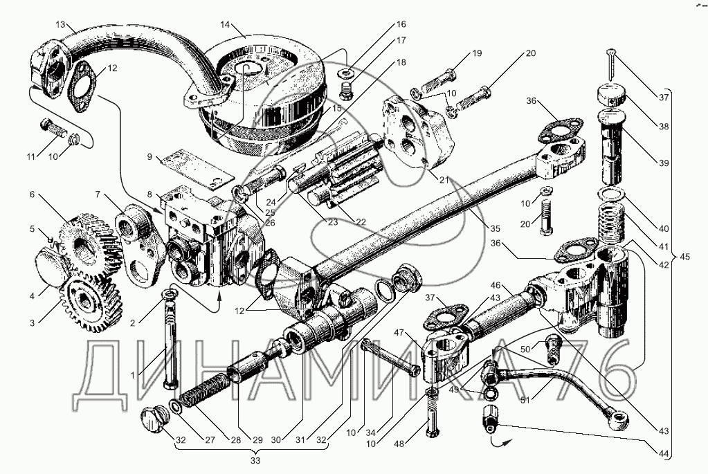
Насос масляный на ЯМЗ-6581.10 (Евро 3) (до 2007 г.)

Справочник
Главная
-
Автокаталог
-
Двигатели
-
ЯМЗ
-
ЯМЗ-6581.10 (Евро 3)
Справочный каталог

Насос масляный — ЯМЗ-6581.10 (Евро 3):

7511.1011014-01 7511.1011015-10 1 2 3 4 4 6 7 8 9 10 10 10 10 10 11 12 12 13 14 15 16 17 18 19 20 20 21 22 23 24 25 26 27 28 29 30 31 32 32 33 34 35 36 36 37 37 38 39 40 41 42 43 43 44 45 46 47 48 49 50 51
в наличии
нет в наличии
масштаб

В наличии
Нет в наличии

Перечень комплектующих от Насос масляный на ЯМЗ-6581.10 (Евро 3)

Схемы запчастей предназначены для справочных целей! Мы продаем не все запчасти от Насос масляный на ЯМЗ-6581.10 (Евро 3), представленные в этом списке.
Наличие на складах по деталям с ценой смотрите в карточке товара.
Артикул: 7511-1011014-01
в наличии
Насос масляный в сборе
Количество на схеме: 1
Информация
Насос масляный в сборе
Количество
1
Модель
7511
Группа
Двигатель
Подгруппа
Насос масляный
Порядковый номер детали
014
Насос масляный ЯМЗ-7511,236НЕ,236ДЕ АВТОДИЗЕЛЬ
Артикул: 7511-1011014-01
Насос масляный ЯМЗ-7511,236НЕ,236ДЕ АВТОДИЗЕЛЬ
Код для заказа: 00003632
Цена: 11 075 ₽/шт.
В наличии: 1 шт.
- +
В корзинуВ корзине
Насос масляный ЯМЗ-7511,236НЕ,236ДЕ АВТОДИЗЕЛЬ
Артикул: 7511-1011014-01
Код для заказа: 00003632
Насос масляный ЯМЗ-7511,236НЕ,236ДЕ АВТОДИЗЕЛЬ
Цена: 11 075 ₽/шт.
В наличии: 1 шт.
- +
В корзинуВ корзине
Насос масляный ЯМЗ-7511,236НЕ,236ДЕ (Аналог РФ)
Артикул: 7511-1011014-01
Насос масляный ЯМЗ-7511,236НЕ,236ДЕ (Аналог РФ)
Код для заказа: 00008843
Цена: 5 600 ₽/шт.
Под заказ
Насос масляный ЯМЗ-7511,236НЕ,236ДЕ (Аналог РФ)
Артикул: 7511-1011014-01
Код для заказа: 00008843
Насос масляный ЯМЗ-7511,236НЕ,236ДЕ (Аналог РФ)
Цена: 5 600 ₽/шт.
Под заказ
Артикул: 7511-1011015-10
нет в наличии
Корпус насоса в сборе
Количество на схеме: 1
Информация
Корпус насоса в сборе
Количество
1
Модель
7511
Группа
Двигатель
Подгруппа
Насос масляный
Порядковый номер детали
015
Дополнительно
Не взаимозаменяема с деталью, выпущенной ранее под этим же номером
1
1
Артикул: 310254-П2
в наличии
Болт
Количество на схеме: 2
Информация
Болт
Количество
2
Покрытие
фосфатирование и промасливание
Болт М10х115 ЯМЗ насоса масляного АВТОДИЗЕЛЬ
Артикул: 310254-П2
Болт М10х115 ЯМЗ насоса масляного АВТОДИЗЕЛЬ
Код для заказа: 00002942
Цена: 213 ₽/шт.
Под заказ
Болт М10х115 ЯМЗ насоса масляного АВТОДИЗЕЛЬ
Артикул: 310254-П2
Код для заказа: 00002942
Болт М10х115 ЯМЗ насоса масляного АВТОДИЗЕЛЬ
Цена: 213 ₽/шт.
Под заказ
2
2
Артикул: 252136-П2
в наличии
Шайба 10 пружинная
Количество на схеме: 2
Информация
Шайба 10 пружинная
Количество
2
Покрытие
фосфатирование и промасливание
Шайба 10.2х2.5 пружинная цинк ЭТНА
Артикул: 252136-П2
Шайба 10.2х2.5 пружинная цинк ЭТНА
Код для заказа: 00062958
Цена: 10 ₽/шт.
Под заказ
Шайба 10.2х2.5 пружинная цинк ЭТНА
Артикул: 252136-П2
Код для заказа: 00062958
Шайба 10.2х2.5 пружинная цинк ЭТНА
Цена: 10 ₽/шт.
Под заказ
Шайба гроверная 17,1х10,1х3,5
Артикул: 252136-П2
Шайба гроверная 17,1х10,1х3,5
Код для заказа: 00006018
Цена: 10 ₽/шт.
Под заказ
Шайба гроверная 17,1х10,1х3,5
Артикул: 252136-П2
Код для заказа: 00006018
Шайба гроверная 17,1х10,1х3,5
Цена: 10 ₽/шт.
Под заказ
3
3
Артикул: 238Б-1011230
нет в наличии
Шестерня ведомая привода
Количество на схеме: 1
Информация
Шестерня ведомая привода
Количество
1
Модель
238Б
Группа
Двигатель
Подгруппа
Насос масляный
Порядковый номер детали
230
4
4
Артикул: 236-1011217-В2
нет в наличии
Фланец упорный
Количество на схеме: 1
Информация
Фланец упорный
Количество
1
Модель
236
Группа
Двигатель
Подгруппа
Насос масляный
Порядковый номер детали
217
4
4
Артикул: 236-1011217-В2
нет в наличии
Фланец упорный
Количество на схеме: 1
Информация
Фланец упорный
Количество
1
Модель
236
Группа
Двигатель
Подгруппа
Насос масляный
Порядковый номер детали
217
6
6
Артикул: 236-1011202-А
в наличии
Шестерня промежуточная привода
Количество на схеме: 1
Информация
Шестерня промежуточная привода
Количество
1
Модель
236
Группа
Двигатель
Подгруппа
Насос масляный
Порядковый номер детали
202
Шестерня промежуточная масляного насоса
Артикул: 236-1011202-А
Шестерня промежуточная масляного насоса
Код для заказа: 00008877
Цена: 2 555 ₽/шт.
Под заказ
Шестерня промежуточная масляного насоса
Артикул: 236-1011202-А
Код для заказа: 00008877
Шестерня промежуточная масляного насоса
Цена: 2 555 ₽/шт.
Под заказ
7
7
Артикул: 236-1011208wB
нет в наличии
Ось промежуточной шестерни
Количество на схеме: 1
Информация
Ось промежуточной шестерни
Количество
1
Модель
236
Группа
Двигатель
Подгруппа
Насос масляный
Порядковый номер детали
208
Дополнительно
деталь новой конструкций НЕ взаимозаменяема с деталями прежних конструкций
8
8
Артикул: 7511-1011018-10
нет в наличии
Корпус насоса со втулками в сборе
Количество на схеме: 1
Информация
Корпус насоса со втулками в сборе
Количество
1
Модель
7511
Группа
Двигатель
Подгруппа
Насос масляный
Порядковый номер детали
018
Дополнительно
Не взаимозаменяема с деталью, выпущенной ранее под этим же номером
9
9
Артикул: 236-1011380
в наличии
Прокладка регулировочная
Количество на схеме: 2
Информация
Прокладка регулировочная
Количество
2
Модель
236
Группа
Двигатель
Подгруппа
Насос масляный
Порядковый номер детали
380
Прокладка ЯМЗ регулировочная масляного насоса МАЗ,УРАЛ АВТОДИЗЕЛЬ
Артикул: 236-1011380
Прокладка ЯМЗ регулировочная масляного насоса МАЗ,УРАЛ АВТОДИЗЕЛЬ
Код для заказа: 00003715
Цена: 56 ₽/шт.
Под заказ
Прокладка ЯМЗ регулировочная масляного насоса МАЗ,УРАЛ АВТОДИЗЕЛЬ
Артикул: 236-1011380
Код для заказа: 00003715
Прокладка ЯМЗ регулировочная масляного насоса МАЗ,УРАЛ АВТОДИЗЕЛЬ
Цена: 56 ₽/шт.
Под заказ
10
10
Артикул: 252135-П2
в наличии
Шайба пружинная
Количество на схеме: 14
Информация
Шайба пружинная
Количество
14
Покрытие
фосфатирование и промасливание
Шайба 8х2.5 ЯМЗ заглушки блока цилиндров АВТОДИЗЕЛЬ
Артикул: 252135-П2
Шайба 8х2.5 ЯМЗ заглушки блока цилиндров АВТОДИЗЕЛЬ
Код для заказа: 00006017
Цена: 3 ₽/шт.
Под заказ
Шайба 8х2.5 ЯМЗ заглушки блока цилиндров АВТОДИЗЕЛЬ
Артикул: 252135-П2
Код для заказа: 00006017
Шайба 8х2.5 ЯМЗ заглушки блока цилиндров АВТОДИЗЕЛЬ
Цена: 3 ₽/шт.
Под заказ
11
11
Артикул: 201458-П29
в наличии
Болт М8х25
Количество на схеме: 2
Информация
Болт М8х25
Количество
2
Покрытие
цинкование и пассивирование (цинковое с хроматированием)
Болт М8х1.25х25 ЗИЛ-433360 кронштейна радиатора масляного, ГАЗ-2410 крепление ГЦС ЭТНА
Артикул: 201458-П29
Болт М8х1.25х25 ЗИЛ-433360 кронштейна радиатора масляного, ГАЗ-2410 крепление ГЦС ЭТНА
Код для заказа: 00023015
Цена: 9 ₽/шт.
Под заказ
Болт М8х1.25х25 ЗИЛ-433360 кронштейна радиатора масляного, ГАЗ-2410 крепление ГЦС ЭТНА
Артикул: 201458-П29
Код для заказа: 00023015
Болт М8х1.25х25 ЗИЛ-433360 кронштейна радиатора масляного, ГАЗ-2410 крепление ГЦС ЭТНА
Цена: 9 ₽/шт.
Под заказ
12
12
Артикул: 236-1011296
в наличии
Прокладка переднего фланца
Количество на схеме: 3
Информация
Прокладка переднего фланца
Количество
3
Модель
236
Группа
Двигатель
Подгруппа
Насос масляный
Порядковый номер детали
296
Прокладка ЯМЗ насоса масляного
Артикул: 236-1011296
Прокладка ЯМЗ насоса масляного
Код для заказа: 00005841
Цена: 21 ₽/шт.
Под заказ
Прокладка ЯМЗ насоса масляного
Артикул: 236-1011296
Код для заказа: 00005841
Прокладка ЯМЗ насоса масляного
Цена: 21 ₽/шт.
Под заказ
13
13
Артикул: 238Ф-1011400-В2
в наличии
Труба всасывающая с фланцами
Количество на схеме: 1
Информация
Труба всасывающая с фланцами
Количество
1
Модель
238Ф
Группа
Двигатель
Подгруппа
Насос масляный
Порядковый номер детали
400
Труба ЯМЗ всасывающая масляного насоса АВТОДИЗЕЛЬ
Артикул: 238Ф-1011400-В2
Труба ЯМЗ всасывающая масляного насоса АВТОДИЗЕЛЬ
Код для заказа: 00003732
Цена: 1 798 ₽/шт.
Под заказ
Труба ЯМЗ всасывающая масляного насоса АВТОДИЗЕЛЬ
Артикул: 238Ф-1011400-В2
Код для заказа: 00003732
Труба ЯМЗ всасывающая масляного насоса АВТОДИЗЕЛЬ
Цена: 1 798 ₽/шт.
Под заказ
14
14
Артикул: 238Ф-1011300-А
нет в наличии
Чашка заборника в сборе
Количество на схеме: 1
Информация
Чашка заборника в сборе
Количество
1
Модель
238Ф
Группа
Двигатель
Подгруппа
Насос масляный
Порядковый номер детали
300
15
15
Артикул: 204А-1011310-В
в наличии
Сетка заборника в сборе
Количество на схеме: 1
Информация
Сетка заборника в сборе
Количество
1
Модель
204А
Группа
Двигатель
Подгруппа
Насос масляный
Порядковый номер детали
310
СЕТКА (ЯМЗ)
Артикул: 204А-1011310-В
СЕТКА (ЯМЗ)
Код для заказа: 00003690
Цена: 294 ₽/шт.
Под заказ
СЕТКА (ЯМЗ)
Артикул: 204А-1011310-В
Код для заказа: 00003690
СЕТКА (ЯМЗ)
Цена: 294 ₽/шт.
Под заказ
16
16
Артикул: 252005-П2
нет в наличии
Шайба 8
Количество на схеме: 2
Информация
Шайба 8
Количество
2
Покрытие
фосфатирование и промасливание
17
17
Артикул: 201473-П29
нет в наличии
Болт
Количество на схеме: 2
Информация
Болт
Количество
2
Покрытие
цинкование и пассивирование (цинковое с хроматированием)
18
18
Артикул: 204А-1011318-Б
нет в наличии
Крючок крепления сетки
Количество на схеме: 1
Информация
Крючок крепления сетки
Количество
1
Модель
204А
Группа
Двигатель
Подгруппа
Насос масляный
Порядковый номер детали
318
19
19
Артикул: 201466-П2
нет в наличии
Болт М8х45
Количество на схеме: 2
Информация
Болт М8х45
Количество
2
Покрытие
фосфатирование и промасливание
20
20
Артикул: 201464-П2
нет в наличии
Болт М8х40
Количество на схеме: 4
Информация
Болт М8х40
Количество
4
Покрытие
фосфатирование и промасливание
21
21
Артикул: 238Б-1011019-Б
нет в наличии
Крышка масляного насоса со втулками в сборе
Количество на схеме: 1
Информация
Крышка масляного насоса со втулками в сборе
Количество
1
Модель
238Б
Группа
Двигатель
Подгруппа
Насос масляный
Порядковый номер детали
019
22
22
Артикул: 7511-1011030
нет в наличии
Шестерня подачи масла ведомая
Количество на схеме: 1
Информация
Шестерня подачи масла ведомая
Количество
1
Модель
7511
Группа
Двигатель
Подгруппа
Насос масляный
Порядковый номер детали
030
23
23
Артикул: 7511-1011040
нет в наличии
Шестерня подачи масла ведущая
Количество на схеме: 1
Информация
Шестерня подачи масла ведущая
Количество
1
Модель
7511
Группа
Двигатель
Подгруппа
Насос масляный
Порядковый номер детали
040
24
24
Артикул: 45-9824-6257
нет в наличии
Шпонка
Количество на схеме: 1
Информация
Шпонка
Количество
1
25
25
Артикул: 310156-П2
нет в наличии
Болт
Количество на схеме: 2
Информация
Болт
Количество
2
Покрытие
фосфатирование и промасливание
26
26
Артикул: 252137-П2
в наличии
Шайба пружинная
Количество на схеме: 2
Информация
Шайба пружинная
Количество
2
Покрытие
фосфатирование и промасливание
ШАЙБА 12Х4 (ЯМЗ)
Артикул: 252137-П2
ШАЙБА 12Х4 (ЯМЗ)
Код для заказа: 00006019
Цена: 14 ₽/шт.
Под заказ
ШАЙБА 12Х4 (ЯМЗ)
Артикул: 252137-П2
Код для заказа: 00006019
ШАЙБА 12Х4 (ЯМЗ)
Цена: 14 ₽/шт.
Под заказ
27
27
Артикул: 312347-П29
нет в наличии
Шайба
Количество на схеме: 3
Информация
Шайба
Количество
3
Покрытие
цинкование и пассивирование (цинковое с хроматированием)
28
28
Артикул: 238Б-1011058
нет в наличии
Пружина
Количество на схеме: 1
Информация
Пружина
Количество
1
Модель
238Б
Группа
Двигатель
Подгруппа
Насос масляный
Порядковый номер детали
058
29
29
Артикул: 238Б-1011054
нет в наличии
Клапан
Количество на схеме: 1
Информация
Клапан
Количество
1
Модель
238Б
Группа
Двигатель
Подгруппа
Насос масляный
Порядковый номер детали
054
30
30
Артикул: 2385-1011050
нет в наличии
Корпус клапана
Количество на схеме: 1
Информация
Корпус клапана
Количество
1
Модель
2385
Группа
Двигатель
Подгруппа
Насос масляный
Порядковый номер детали
050
31
31
Артикул: 238Б-1011066
нет в наличии
Прокладка
Количество на схеме: 2
Информация
Прокладка
Количество
2
Модель
238Б
Группа
Двигатель
Подгруппа
Насос масляный
Порядковый номер детали
066
32
32
Артикул: 236-1012067
нет в наличии
Пробка перепускного клапана
Количество на схеме: 2
Информация
Пробка перепускного клапана
Количество
2
Модель
236
Группа
Двигатель
Подгруппа
Насос масляный грубой очистки (полнопоточный ф.)
Порядковый номер детали
067
33
33
Артикул: 2385-1011048
нет в наличии
Клапан редукционный в сборе
Количество на схеме: 1
Информация
Клапан редукционный в сборе
Количество
1
Модель
2385
Группа
Двигатель
Подгруппа
Насос масляный
Порядковый номер детали
048
34
34
Артикул: 200274-П29
в наличии
Болт М8х75
Количество на схеме: 2
Информация
Болт М8х75
Количество
2
Покрытие
цинкование и пассивирование (цинковое с хроматированием)
Болт М8х1,25х75 крепления крышки головки блока цилиндров АВТОДИЗЕЛЬ
Артикул: 200274-П29
Болт М8х1,25х75 крепления крышки головки блока цилиндров АВТОДИЗЕЛЬ
Код для заказа: 00005965
Цена: 33 ₽/шт.
Под заказ
Болт М8х1,25х75 крепления крышки головки блока цилиндров АВТОДИЗЕЛЬ
Артикул: 200274-П29
Код для заказа: 00005965
Болт М8х1,25х75 крепления крышки головки блока цилиндров АВТОДИЗЕЛЬ
Цена: 33 ₽/шт.
Под заказ
35
35
Артикул: 238Б-1011350-Б
в наличии
Труба отводящая насоса в сборе
Количество на схеме: 1
Информация
Труба отводящая насоса в сборе
Количество
1
Модель
238Б
Группа
Двигатель
Подгруппа
Насос масляный
Порядковый номер детали
350
ТРУБА ОТВОДЯЩАЯ НАСОСА В СБОРЕ (ЯМЗ)
Артикул: 238Б-1011350-Б
ТРУБА ОТВОДЯЩАЯ НАСОСА В СБОРЕ (ЯМЗ)
Код для заказа: 00003697
Цена: 2 525 ₽/шт.
Под заказ
ТРУБА ОТВОДЯЩАЯ НАСОСА В СБОРЕ (ЯМЗ)
Артикул: 238Б-1011350-Б
Код для заказа: 00003697
ТРУБА ОТВОДЯЩАЯ НАСОСА В СБОРЕ (ЯМЗ)
Цена: 2 525 ₽/шт.
Под заказ
36
36
Артикул: 236-1011358-A
нет в наличии
Прокладка
Количество на схеме: 3
Информация
Прокладка
Количество
3
Модель
236
Группа
Двигатель
Подгруппа
Насос масляный
Порядковый номер детали
358
Дополнительно
Конструкция детали модернизирована, но сохранена взаимозаменяемость с ранее выпущенными
37
37
Артикул: 258071-П29
нет в наличии
Шплинт
Количество на схеме: 1
Информация
Шплинт
Количество
1
Покрытие
цинкование и пассивирование (цинковое с хроматированием)
38
38
Артикул: 236-1011073
нет в наличии
Колпачок
Количество на схеме: 1
Информация
Колпачок
Количество
1
Модель
236
Группа
Двигатель
Подгруппа
Насос масляный
Порядковый номер детали
073
39
39
Артикул: 240-1011055
нет в наличии
Клапан
Количество на схеме: 1
Информация
Клапан
Количество
1
Модель
240
Группа
Двигатель
Подгруппа
Насос масляный
Порядковый номер детали
055
40
40
Артикул: 312668-П
нет в наличии
Шайба
Количество на схеме: 4
Информация
Шайба
Количество
4
Покрытие
без покрытия
41
41
Артикул: 240-1011057
нет в наличии
Пружина клапана дифференциального
Количество на схеме: 1
Информация
Пружина клапана дифференциального
Количество
1
Модель
240
Группа
Двигатель
Подгруппа
Насос масляный
Порядковый номер детали
057
42
42
Артикул: 238Б-1011060
нет в наличии
Корпус клапана
Количество на схеме: 1
Информация
Корпус клапана
Количество
1
Модель
238Б
Группа
Двигатель
Подгруппа
Насос масляный
Порядковый номер детали
060
43
43
Артикул: 240-1005586
в наличии
Кольцо уплотнительное
Количество на схеме: 2
Информация
Кольцо уплотнительное
Количество
2
Модель
240
Группа
Двигатель
Подгруппа
Вал коленчатый и маховик
Порядковый номер детали
586
Кольцо ЯМЗ уплотнительное теплообменника силикон
Артикул: 240-1005586
Кольцо ЯМЗ уплотнительное теплообменника силикон
Код для заказа: 00008010
Цена: 26 ₽/шт.
В наличии: 3 шт.
- +
В корзинуВ корзине
Кольцо ЯМЗ уплотнительное теплообменника силикон
Артикул: 240-1005586
Код для заказа: 00008010
Кольцо ЯМЗ уплотнительное теплообменника силикон
Цена: 26 ₽/шт.
В наличии: 3 шт.
- +
В корзинуВ корзине
44
44
Артикул: 314681-П29
нет в наличии
Штуцер
Количество на схеме: 2
Информация
Штуцер
Количество
2
Покрытие
цинкование и пассивирование (цинковое с хроматированием)
45
45
Артикул: 2385-1011056
нет в наличии
Клапан дифференциальный в сборе
Количество на схеме: 1
Информация
Клапан дифференциальный в сборе
Количество
1
Модель
2385
Группа
Двигатель
Подгруппа
Насос масляный
Порядковый номер детали
056
46
46
Артикул: 238Б-1011065
в наличии
Труба отводящая
Количество на схеме: 1
Информация
Труба отводящая
Количество
1
Модель
238Б
Группа
Двигатель
Подгруппа
Насос масляный
Порядковый номер детали
065
ТРУБА ОТВОДЯЩАЯ (ЯМЗ)
Артикул: 238Б-1011065
ТРУБА ОТВОДЯЩАЯ (ЯМЗ)
Код для заказа: 00003656
Цена: 294 ₽/шт.
В наличии: 1 шт.
- +
В корзинуВ корзине
ТРУБА ОТВОДЯЩАЯ (ЯМЗ)
Артикул: 238Б-1011065
Код для заказа: 00003656
ТРУБА ОТВОДЯЩАЯ (ЯМЗ)
Цена: 294 ₽/шт.
В наличии: 1 шт.
- +
В корзинуВ корзине
47
47
Артикул: 238Б-1011069
в наличии
Фланец
Количество на схеме: 1
Информация
Фланец
Количество
1
Модель
238Б
Группа
Двигатель
Подгруппа
Насос масляный
Порядковый номер детали
069
Фланец дифференциального клапана МАЗ,УРАЛ КРАЗ АВТОДИЗЕЛЬ
Артикул: 238Б-1011069
Фланец дифференциального клапана МАЗ,УРАЛ КРАЗ АВТОДИЗЕЛЬ
Код для заказа: 00003659
Цена: 1 751 ₽/шт.
Под заказ
Фланец дифференциального клапана МАЗ,УРАЛ КРАЗ АВТОДИЗЕЛЬ
Артикул: 238Б-1011069
Код для заказа: 00003659
Фланец дифференциального клапана МАЗ,УРАЛ КРАЗ АВТОДИЗЕЛЬ
Цена: 1 751 ₽/шт.
Под заказ
48
48
Артикул: 200270-П2
нет в наличии
Болт М8х55
Количество на схеме: 4
Информация
Болт М8х55
Количество
4
Покрытие
фосфатирование и промасливание
49
49
Артикул: 312326-П34
в наличии
Шайба уплотнительная
Количество на схеме: 4
Информация
Шайба уплотнительная
Количество
4
Покрытие
Шайба 14.2х19.0х1.2 медная (ЯМЗ)
Артикул: 312326-П34
Шайба 14.2х19.0х1.2 медная (ЯМЗ)
Код для заказа: 00002979
Цена: 94 ₽/шт.
В наличии: 191 шт.
- +
В корзинуВ корзине
Шайба 14.2х19.0х1.2 медная (ЯМЗ)
Артикул: 312326-П34
Код для заказа: 00002979
Шайба 14.2х19.0х1.2 медная (ЯМЗ)
Цена: 94 ₽/шт.
В наличии: 191 шт.
- +
В корзинуВ корзине
50
50
Артикул: 310096-П2
нет в наличии
Болт специальный М14х1,5х30
Количество на схеме: 2
Информация
Болт специальный М14х1,5х30
Количество
2
Покрытие
фосфатирование и промасливание
51
51
Артикул: 238Б-1011098
в наличии
Труба соединительная в сборе
Количество на схеме: 1
Информация
Труба соединительная в сборе
Количество
1
Модель
238Б
Группа
Двигатель
Подгруппа
Насос масляный
Порядковый номер детали
098
Трубка ЯМЗ-236БЕ,НЕ,7601,7511 соединительная АВТОДИЗЕЛЬ
Артикул: 238Б-1011098
Трубка ЯМЗ-236БЕ,НЕ,7601,7511 соединительная АВТОДИЗЕЛЬ
Код для заказа: 00003665
Цена: 974 ₽/шт.
В наличии: 1 шт.
- +
В корзинуВ корзине
Трубка ЯМЗ-236БЕ,НЕ,7601,7511 соединительная АВТОДИЗЕЛЬ
Артикул: 238Б-1011098
Код для заказа: 00003665
Трубка ЯМЗ-236БЕ,НЕ,7601,7511 соединительная АВТОДИЗЕЛЬ
Цена: 974 ₽/шт.
В наличии: 1 шт.
- +
В корзинуВ корзине
  • Грузовые автомобили
  • Автобусы
  • Сельхозтехника
  • Спецтехника
  • Двигатели
Получить оптовый прайс-лист
Скачать прайс-лист от 07.05.2026 16:00
Специальное предложение от 07.05.2026 17:00
Производители:


  • WEICHAI
  • Автодизель ПАО (ЯМЗ)
  • Тутаевский МЗ
  • ЯЗДА
  • УралАЗ
  • МАЗ
  • АЗПИ
  • BOSCH
  • ММЗ
  • ШААЗ
  • FEDERAL MOGUL
  • ПРАМО
  • Мотордеталь
  • ТАИМ
  • АвтоКрАЗ
  • БЕЛКАРД
  • CZ Strakonice
  • КамАЗ
  • БЗА
  • ЧМЗ
  • BMZ
Новости
Все новости
25 марта 2024
Флагманский седельный тягач «Валдай 45» на выставке «TransRussia»
10 марта 2024
Современные автобусы «CITYMAX 9» и ЛиАЗ-5292 CNG
25 февраля 2024
Серийное производство средних дизельных двигателей повышенной мощности от ЯМЗ
Статьи
Все статьи
Датчики двигателя: за что они отвечают, признаки неисправности и как не прогадать с выбором
Двигатели ЯМЗ-534: история, технические характеристики и области применения
Двигатели ЯМЗ 650: углублённый технический обзор и история
Компания
О компании
Реквизиты
Новости
Политика
Магазины
Информация
Условия оплаты
Условия доставки
Гарантия на товар
Обмен и возврат товара
Помощь
Как оформить заказ
Полезные статьи
Бренды
Пункты выдачи
Оставайтесь на связи
  • Вконтакте
  • YouTube
  • Одноклассники
  • Google Plus
Увидели ошибку?
Выделите, нажав Ctrl + Enter
Наши контакты
8-800-700-35-68
sales@din76.ru
г. Ярославль, Ленинградский пр-т 33, ТЦ "ОМЕГА"
2026 © ООО «Динамика 76» - Все права защищены ООО "Динамика 76"
Предложения на сайте не являются публичной офертой.
На сайте обнаружена ошибка

Текст с ошибкой