Избранное 0 Корзина 0 Личный кабинет
logo
Каталог
Каталог
  • Справочник
    • Грузовые автомобили
    • Автобусы
    • Сельхозтехника
    • Спецтехника
    • Двигатели
  • Доставка
  • Оплата
  • О компании
    • Реквизиты
    • Магазины
    • Оплата
    • Доставка
    • Лицензии и сертификаты
    • Новости
    • Вакансии
  • Контакты
Отправить заявку
Личный кабинет
8 (800) 700-35-68
sales@din76.ru
Избранное 0 Корзина 0
8 (800) 700-35-68
Оптовый прайс-лист
Каталог
  • Двигатели
  • Запчасти WEICHAI
  • Запчасти ЯМЗ, ТМЗ (V-образные)
  • Запчасти ЯМЗ-534, ЯМЗ-536
  • Запчасти ЯМЗ-650, ЯМЗ-651, DCi-11
  • Топливная аппаратура
  • Запчасти УРАЛ
  • Запчасти МАЗ
  • Запчасти КамАЗ
  • Запчасти ММЗ
  • Ремни
Автокаталог (справочник)
  • Доставка
  • Оплата
  • О компании
  • Контакты
8 (800) 700-35-68
Написать в Whatsapp
sales@din76.ru
Динамика 76
Меню  
  • Каталог
    • Двигатели  
      • Двигатели ТМЗ  
        • Двигатели ТМЗ для автомобилей
        • Двигатели ТМЗ для тракторов
        • Специальные двигатели ТМЗ
        • Промышленные двигатели ТМЗ
      • Двигатели ЯМЗ  
        • ЯМЗ 236
        • ЯМЗ 238
        • ЯМЗ 240
        • ЯМЗ 751
        • ЯМЗ 840
        • ЯМЗ 850
        • ЯМЗ 656
        • ЯМЗ 658
        • ЯМЗ 534
        • ЯМЗ 536
        • ЯМЗ 650
        • Двигатели ЯМЗ для электростанций
      • Двигатели КАМАЗ
      • Двигатели ММЗ
      • Двигатели индивидуальной сборки
      • Комплекты переоборудования
    • Запчасти WEICHAI  
      • Основные запчасти двигателя  
        • Клапаны и толкатели
        • Шатуны
        • Вал коленчатый и маховик
        • Вал распределительный
        • Цилиндро-поршневая группа
      • Система питания  
        • Форсунки
        • Турбокомпрессор
      • Система смазки  
        • Насос масляный
      • Головка блока
      • Ремкомплекты
      • Система охлаждения  
        • Насос водяной
        • Муфта вязкостная и крыльчатка
      • Фильтры
      • Электрооборудование  
        • Генератор
        • Стартер
    • Запчасти ЯМЗ, ТМЗ (V-образные)  
      • Основные запчасти двигателя  
        • Блок двигателя и комплектующие
        • Валы распределительные и клапаны
        • Головка блока и комплектующие
        • Цилиндро-поршневая группа
        • Маховики и комплектующие
        • Валы коленчатые и комплектующие
        • Шатуны и комплектующие
      • Система питания  
        • Коллекторы и патрубки
        • Топливные трубопроводы
        • Турбокомпрессор
        • Топливные фильтры
      • Электрооборудование двигателя
      • Система охлаждения  
        • Вязкостные муфты и крыльчатки
        • Приводы вентилятора
        • Водяные насосы
        • Водяные трубы и термостаты
      • Коробки переключения передач  
        • 8 Ступенчатые КПП
        • 5 Ступенчатые КПП
        • 9 Ступенчатые КПП
        • Запасные части КПП ЯМЗ, ТМЗ
      • Система смазки  
        • Теплообменник и комплектующие
        • Масляные насосы
        • Фильтры масляные (ФГОМ, ФЦОМ)
      • Сцепление  
        • Запасные части механизма сцепления
        • Муфты (подшипники выжимные)
        • Корзины (диски нажимные)
        • Диски ведомые
      • Прочие запчасти двигателя  
        • Ремкомплекты
        • Привод агрегатов
        • Натяжные устройства
        • Трубки
    • Запчасти ЯМЗ-534, ЯМЗ-536  
      • Основные запчасти двигателя  
        • Цилиндро-поршневая группа
        • Головка блока цилиндров и комплектующие
        • Блок цилиндров и комплектующие
        • Вал коленчатый и маховик
        • Вал распределительный
        • Клапаны и толкатели
        • ГУР (Гидроусилитель руля)
        • Система рециркуляции отработавших газов
        • Выпускной коллектор
      • Система питания  
        • Коллекторы и патрубки
        • Топливные фильтры
        • Турбокомпрессор
        • Топливные трубопроводы
      • Система смазки  
        • Масляный картер поддон
        • Масляный насос
        • Теплообменник /Водо-масляный радиатор
        • Фильтры масляные (ФГОМ, ФЦОМ)
      • Пневмокомпрессор и натяжное
      • Система охлаждения  
        • Водяной насос
        • Водяные трубы и патрубки
        • Муфты вязкостные, приводы, крыльчатки
      • Ремкомплекты
      • Сцепление
      • Электрооборудование
    • Запчасти ЯМЗ-650, ЯМЗ-651, DCi-11  
      • Основные запчасти двигателя  
        • Цилиндро-поршневая группа
        • Головка блока цилиндров и комплектующие
        • Блок цилиндров и комплектующие
        • Вал коленчатый и маховик
        • Выпускной коллектор
        • Вал распределительный
        • Клапаны и толкатели
        • ГУР (Гидроусилитель руля)
        • Система рециркуляции отработавших газов
      • Система питания  
        • Коллекторы и патрубки
        • Топливные трубопроводы
        • Топливные фильтры
        • Турбокомпрессор
      • Система смазки  
        • Масляный картер / поддон
        • Масляный насос
        • Теплообменник / Водо-масляный радиатор
        • Фильтры масляные (ФГОМ, ФЦОМ)
      • Система охлаждения  
        • Водяной насос
        • Водяные трубы и патрубки
        • Муфты вязкостные, приводы, крыльчатки
      • Ремкомплекты
      • Пневмокомпрессор и натяжное
      • Электрооборудование
      • Сцепление
    • Топливная аппаратура  
      • ЯЗДА  
        • Распылители
        • ТНВД
        • Форсунки
        • Топливный насос низкого давления
        • Пары плунжерные
        • Муфта опережения впрыска топлива
        • Запчасти и комплектующие ТНВД
      • НЗТА
      • АЗПИ  
        • Распылители
        • Форсунки
      • BOSCH
    • Запчасти УРАЛ  
      • Трансмиссия  
        • Коробка раздаточная
        • Передача карданная
        • Мост задний
        • Мост передний (ведущий)
        • Мост средний (промежуточный)
      • Кузов  
        • Дверь кабины
        • Капот, крылья, облицовка радиатора
        • Окно ветровое и заднее
        • Отопление и вентиляция кабины
        • Кабина
      • Механизмы управления  
        • Управление рулевое
        • Тормоза
      • Дополнительное оборудование  
        • Отбор мощности
        • Устройство седельное
      • Электрооборудование
      • Ходовая часть  
        • Колеса и ступицы
        • Ось передняя
        • Подвеска автомобиля
        • Рама
    • Запчасти МАЗ  
      • Трансмиссия  
        • Мост задний
        • Мост передний (ведущий)
        • Передача карданная
        • Мост средний (промежуточный)
      • Кузов  
        • Кабина
        • Дверь кабины
        • Детали основания кабины
        • Окно ветровое и заднее
        • Платформа
      • Механизмы управления  
        • Тормоза
        • Управление рулевое
      • Ходовая часть  
        • Колеса и ступицы
        • Ось передняя
        • Подвеска автомобиля
        • Рама
    • Запчасти КамАЗ  
      • Кузов  
        • Кабина
        • Капот, крылья, облицовка радиатора
        • Дверь кабины
        • Платформа
        • Окно ветровое и заднее
        • Устройство подъемное и опрокидывающее
        • Сиденье
        • Крыша кабины (крыша кузова)
        • Отопление и вентиляция кабины
      • Трансмиссия  
        • Коробка передач
        • Коробка раздаточная
        • Мост задний
        • Сцепление
        • Мост средний (промежуточный)
        • Передача карданная
        • Мост передний (ведущий)
      • Двигатель  
        • Основные запчасти двигателя
        • Система охлаждения
        • Система питания
        • Система смазки
      • Дополнительное оборудование  
        • Отбор мощности
        • Устройство седельное
      • Ходовая часть  
        • Подвеска автомобиля
        • Рама
        • Колеса и ступицы
        • Ось передняя
      • Механизмы управления  
        • Тормоза
        • Управление рулевое
      • Электрооборудование
    • Запчасти ММЗ
    • Ремни
  • Справочник
    • Грузовые автомобили
    • Автобусы
    • Сельхозтехника
    • Спецтехника
    • Двигатели
  • Как купить
    • Условия оплаты
    • Условия доставки
    • Гарантия на товар
    • Пункты выдачи
  • Услуги
    • Капитальный ремонт двигателей ЯМЗ
  • Акции
  • Статьи
  • Контакты
  • Компания
    • Реквизиты
    • Магазины
    • Оплата
    • Доставка
    • Лицензии и сертификаты
    • Новости
    • Вакансии
Избранное 0 Корзина 0
8-800-700-35-68

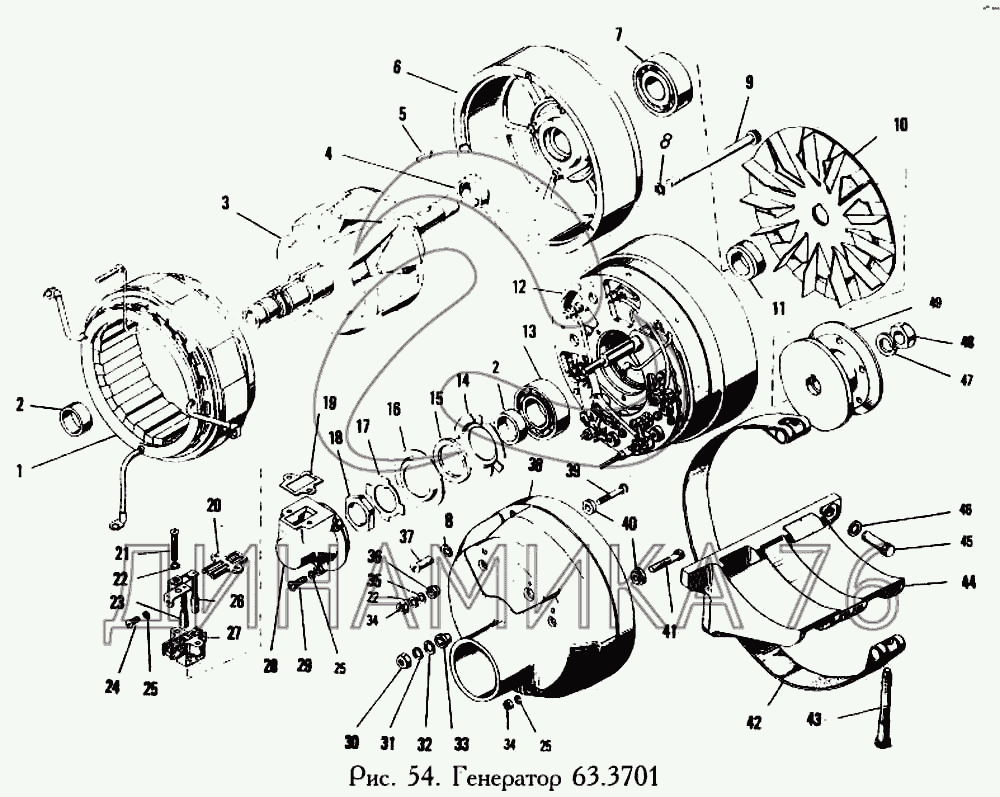
Генератор 63.3701 на ЯМЗ-240 (до 1998 г.)

Справочник
Главная
-
Автокаталог
-
Двигатели
-
ЯМЗ
-
ЯМЗ-240
Справочный каталог

Генератор 63.3701 — ЯМЗ-240:

63.3701 1 2 2 3 4 5 6 7 8 8 9 10 11 12 13 14 15 16 17 18 20 21 22 22 23 24 25 25 25 26 27 28 29 30 31 32 33 34 34 35 36 37 38 39 40 41 42 43 44 45 46 47 48 49
в наличии
нет в наличии
масштаб

В наличии
Нет в наличии

Перечень комплектующих от Генератор 63.3701 на ЯМЗ-240

Схемы запчастей предназначены для справочных целей! Мы продаем не все запчасти от Генератор 63.3701 на ЯМЗ-240, представленные в этом списке.
Наличие на складах по деталям с ценой смотрите в карточке товара.
Артикул: 63-3701
в наличии
Генератор в сборе
Количество на схеме: 1
Информация
Генератор в сборе
Количество
1
Вес в кг.
22,5;
Генератор БЕЛАЗ ЯМЗ-240 28В 150А
Артикул: 63-3701
Генератор БЕЛАЗ ЯМЗ-240 28В 150А
Код для заказа: 00008800
Цена: 48 831 ₽/шт.
Под заказ
Генератор БЕЛАЗ ЯМЗ-240 28В 150А
Артикул: 63-3701
Код для заказа: 00008800
Генератор БЕЛАЗ ЯМЗ-240 28В 150А
Цена: 48 831 ₽/шт.
Под заказ
1
1
Артикул: Г263А-3701100-А
нет в наличии
Статор в сборе
Количество на схеме: 1
Информация
Статор в сборе
Количество
1
Вес в кг.
;
Модель
Г263А
Группа
Электрооборудование
Подгруппа
Генератор
Порядковый номер детали
100
2
2
Артикул: Г256-3701003
нет в наличии
Втулка
Количество на схеме: 2
Информация
Втулка
Количество
2
Вес в кг.
0,024;
Модель
Г256
Группа
Электрооборудование
Подгруппа
Генератор
Порядковый номер детали
003
3
3
Артикул: Г256-3701200-Б
нет в наличии
Ротор в сборе
Количество на схеме: 1
Информация
Ротор в сборе
Количество
1
Вес в кг.
7,6;
Модель
Г256
Группа
Электрооборудование
Подгруппа
Генератор
Порядковый номер детали
200
4
4
Артикул: Г256-3701005
нет в наличии
Кольцо упорное
Количество на схеме: 1
Информация
Кольцо упорное
Количество
1
Вес в кг.
0,024;
Модель
Г256
Группа
Электрооборудование
Подгруппа
Генератор
Порядковый номер детали
005
5
5
Артикул: Х-4148
нет в наличии
Шпонка сегментная
Количество на схеме: 1
Информация
Шпонка сегментная
Количество
1
Вес в кг.
;
6
6
Артикул: Г263-3701400
нет в наличии
Крышка со стороны привода в сборе
Количество на схеме: 1
Информация
Крышка со стороны привода в сборе
Количество
1
Вес в кг.
3;
Модель
Г263
Группа
Электрооборудование
Подгруппа
Генератор
Порядковый номер детали
400
7
7
Артикул: 6-305А
нет в наличии
Подшипник шариковый радиальный однорядный 25х62х17
Количество на схеме: 1
Информация
Подшипник шариковый радиальный однорядный 25х62х17
Количество
1
Вес в кг.
;
8
8
Артикул: Х-4069
нет в наличии
Шайба
Количество на схеме: 6
Информация
Шайба
Количество
6
Вес в кг.
;
9
9
Артикул: Г290-3701080
нет в наличии
Болт стяжной
Количество на схеме: 3
Информация
Болт стяжной
Количество
3
Вес в кг.
0,42;
Модель
Г290
Группа
Электрооборудование
Подгруппа
Генератор
Порядковый номер детали
080
10
10
Артикул: Г290А-3701055
нет в наличии
Вентилятор в сборе
Количество на схеме: 1
Информация
Вентилятор в сборе
Количество
1
Вес в кг.
0,65;
Модель
Г290А
Группа
Электрооборудование
Подгруппа
Генератор
Порядковый номер детали
055
11
11
Артикул: Г256-3701054
нет в наличии
Втулка
Количество на схеме: 1
Информация
Втулка
Количество
1
Вес в кг.
0,06;
Модель
Г256
Группа
Электрооборудование
Подгруппа
Генератор
Порядковый номер детали
054
12
12
Артикул: Г263А-3701300
нет в наличии
Крышка в сборе
Количество на схеме: 1
Информация
Крышка в сборе
Количество
1
Вес в кг.
2,615;
Модель
Г263А
Группа
Электрооборудование
Подгруппа
Генератор
Порядковый номер детали
300
13
13
Артикул: 6-206АК
нет в наличии
Подшипник шариковый радиальный однорядный 30х62х16
Количество на схеме: 1
Информация
Подшипник шариковый радиальный однорядный 30х62х16
Количество
1
Вес в кг.
;
14
14
Артикул: Г290-3701022
нет в наличии
Держатель сальника внутренний
Количество на схеме: 1
Информация
Держатель сальника внутренний
Количество
1
Вес в кг.
0,018;
Модель
Г290
Группа
Электрооборудование
Подгруппа
Генератор
Порядковый номер детали
022
15
15
Артикул: Г256-3701021
нет в наличии
Кольцо войлочное
Количество на схеме: 1
Информация
Кольцо войлочное
Количество
1
Вес в кг.
;
Модель
Г256
Группа
Электрооборудование
Подгруппа
Генератор
Порядковый номер детали
021
16
16
Артикул: Г290-3701023
нет в наличии
Держатель сальника наружный
Количество на схеме: 1
Информация
Держатель сальника наружный
Количество
1
Вес в кг.
0,0165;
Модель
Г290
Группа
Электрооборудование
Подгруппа
Генератор
Порядковый номер детали
023
17
17
Артикул: Г256-3701013
нет в наличии
Шайба стопорная
Количество на схеме: 1
Информация
Шайба стопорная
Количество
1
Вес в кг.
0,0045;
Модель
Г256
Группа
Электрооборудование
Подгруппа
Генератор
Порядковый номер детали
013
18
18
Артикул: Г256-3701042
нет в наличии
Гайка
Количество на схеме: 1
Информация
Гайка
Количество
1
Вес в кг.
0,03;
Модель
Г256
Группа
Электрооборудование
Подгруппа
Генератор
Порядковый номер детали
042
20
20
Артикул: Г250А1-3701012
нет в наличии
Крышка щеткодержателя
Количество на схеме: 1
Информация
Крышка щеткодержателя
Количество
1
Вес в кг.
0,004;
Модель
Г250А1
Группа
Электрооборудование
Подгруппа
Генератор
Порядковый номер детали
012
21
21
Артикул: М42-3728009
нет в наличии
Винт
Количество на схеме: 2
Информация
Винт
Количество
2
Вес в кг.
;
Модель
М42
Группа
Электрооборудование
Подгруппа
3728
Порядковый номер детали
009
22
22
Артикул: МП-41081
нет в наличии
Шайба пружинная
Количество на схеме: 4
Информация
Шайба пружинная
Количество
4
Вес в кг.
;
23
23
Артикул: Г263А-3701030
нет в наличии
Щетка в сборе
Количество на схеме: 1
Информация
Щетка в сборе
Количество
1
Вес в кг.
0,0085;
Модель
Г263А
Группа
Электрооборудование
Подгруппа
Генератор
Порядковый номер детали
030
24
24
Артикул: Х-4237
нет в наличии
Винт
Количество на схеме: 1
Информация
Винт
Количество
1
Вес в кг.
;
25
25
Артикул: Х-4001
нет в наличии
Шайба пружинная
Количество на схеме: 5
Информация
Шайба пружинная
Количество
5
Вес в кг.
;
26
26
Артикул: Г263А-3701020
нет в наличии
Щетка в сборе
Количество на схеме: 1
Информация
Щетка в сборе
Количество
1
Вес в кг.
0,005;
Модель
Г263А
Группа
Электрооборудование
Подгруппа
Генератор
Порядковый номер детали
020
27
27
Артикул: Г250А-1-3701011
нет в наличии
Щеткодержатель
Количество на схеме: 1
Информация
Щеткодержатель
Количество
1
Вес в кг.
0,015;
Модель
Г250А 1
Группа
Электрооборудование
Подгруппа
Генератор
Порядковый номер детали
011
28
28
Артикул: Г256-3701002
нет в наличии
Основание щеткодержателя
Количество на схеме: 1
Информация
Основание щеткодержателя
Количество
1
Вес в кг.
0,275;
Модель
Г256
Группа
Электрооборудование
Подгруппа
Генератор
Порядковый номер детали
002
29
29
Артикул: НО-0603
нет в наличии
Винт
Количество на схеме: 3
Информация
Винт
Количество
3
Вес в кг.
;
30
30
Артикул: 8Х-1537М
нет в наличии
Гайка
Количество на схеме: 1
Информация
Гайка
Количество
1
Вес в кг.
;
31
31
Артикул: МХ-0246
нет в наличии
Шайба
Количество на схеме: 1
Информация
Шайба
Количество
1
Вес в кг.
;
32
32
Артикул: СТ221-3708013
нет в наличии
Шайба
Количество на схеме: 1
Информация
Шайба
Количество
1
Вес в кг.
;
Модель
СТ221
Группа
Электрооборудование
Подгруппа
Стартер
Порядковый номер детали
013
33
33
Артикул: Г287-3701319
нет в наличии
Втулка изоляционная
Количество на схеме: 1
Информация
Втулка изоляционная
Количество
1
Вес в кг.
0,003;
Модель
Г287
Группа
Электрооборудование
Подгруппа
Генератор
Порядковый номер детали
319
34
34
Артикул: МП-90118
нет в наличии
Гайка
Количество на схеме: 2
Информация
Гайка
Количество
2
Вес в кг.
;
35
35
Артикул: МХ-0276
нет в наличии
Шайба
Количество на схеме: 3
Информация
Шайба
Количество
3
Вес в кг.
0,0005;
36
36
Артикул: Г250А1-3701319
нет в наличии
Втулка изоляционная
Количество на схеме: 2
Информация
Втулка изоляционная
Количество
2
Вес в кг.
0,002;
Модель
Г250А1
Группа
Электрооборудование
Подгруппа
Генератор
Порядковый номер детали
319
37
37
Артикул: Г214-3701407
нет в наличии
Винт
Количество на схеме: 3
Информация
Винт
Количество
3
Вес в кг.
;
Модель
Г214
Группа
Электрооборудование
Подгруппа
Генератор
Порядковый номер детали
407
38
38
Артикул: 633701640
нет в наличии
Кожух
Количество на схеме: 1
Информация
Кожух
Количество
1
Вес в кг.
;
Группа
Дверь задка кузова
Подгруппа
6337
Порядковый номер детали
016
39
39
Артикул: Г12-3701191-Б
нет в наличии
Болт контактный
Количество на схеме: 1
Информация
Болт контактный
Количество
1
Вес в кг.
;
Модель
Г12
Группа
Электрооборудование
Подгруппа
Генератор
Порядковый номер детали
191
40
40
Артикул: Г26-3701133
нет в наличии
Втулка изоляционная
Количество на схеме: 2
Информация
Втулка изоляционная
Количество
2
Вес в кг.
0,002;
Модель
Г26
Группа
Электрооборудование
Подгруппа
Генератор
Порядковый номер детали
133
41
41
Артикул: Г12-3701181-Б
нет в наличии
Болт контактный
Количество на схеме: 1
Информация
Болт контактный
Количество
1
Вес в кг.
;
Модель
Г12
Группа
Электрооборудование
Подгруппа
Генератор
Порядковый номер детали
181
42
42
Артикул: 240-3701706-В
в наличии
Хомут
Количество на схеме: 2
Информация
Хомут
Количество
2
Вес в кг.
0,422;
Модель
240
Группа
Электрооборудование
Подгруппа
Генератор
Порядковый номер детали
706
Хомут ЯМЗ крепления генератора АВТОДИЗЕЛЬ
Артикул: 240-3701706-В
Хомут ЯМЗ крепления генератора АВТОДИЗЕЛЬ
Код для заказа: 00005083
Цена: 510 ₽/шт.
Под заказ
Хомут ЯМЗ крепления генератора АВТОДИЗЕЛЬ
Артикул: 240-3701706-В
Код для заказа: 00005083
Хомут ЯМЗ крепления генератора АВТОДИЗЕЛЬ
Цена: 510 ₽/шт.
Под заказ
43
43
Артикул: 240-3708720
в наличии
Болт
Количество на схеме: 2
Информация
Болт
Количество
2
Вес в кг.
0,075;
Модель
240
Группа
Электрооборудование
Подгруппа
Стартер
Порядковый номер детали
720
БОЛТ (ЯМЗ)
Артикул: 240-3708720
БОЛТ (ЯМЗ)
Код для заказа: 00005123
Цена: 209 ₽/шт.
Под заказ
БОЛТ (ЯМЗ)
Артикул: 240-3708720
Код для заказа: 00005123
БОЛТ (ЯМЗ)
Цена: 209 ₽/шт.
Под заказ
44
44
Артикул: 240-3701774-А2
нет в наличии
Кронштейн
Количество на схеме: 1
Информация
Кронштейн
Количество
1
Вес в кг.
3,6;
Модель
240
Группа
Электрооборудование
Подгруппа
Генератор
Порядковый номер детали
774
45
45
Артикул: 310209-П29
нет в наличии
Болт М12х1,25х30
Количество на схеме: 3
Информация
Болт М12х1,25х30
Количество
3
Вес в кг.
0,036;
Покрытие
цинкование и пассивирование (цинковое с хроматированием)
46
46
Артикул: 252137-П2
в наличии
Шайба пружинная
Количество на схеме: 3
Информация
Шайба пружинная
Количество
3
Вес в кг.
0,006;
Покрытие
фосфатирование и промасливание
ШАЙБА 12Х4 (ЯМЗ)
Артикул: 252137-П2
ШАЙБА 12Х4 (ЯМЗ)
Код для заказа: 00006019
Цена: 14 ₽/шт.
Под заказ
ШАЙБА 12Х4 (ЯМЗ)
Артикул: 252137-П2
Код для заказа: 00006019
ШАЙБА 12Х4 (ЯМЗ)
Цена: 14 ₽/шт.
Под заказ
47
47
Артикул: МХ-0234
нет в наличии
Шайба пружинная
Количество на схеме: 1
Информация
Шайба пружинная
Количество
1
Вес в кг.
0,007;
48
48
Артикул: МХ-0235А
нет в наличии
Гайка
Количество на схеме: 1
Информация
Гайка
Количество
1
Вес в кг.
;
49
49
Артикул: Г263-3701050
нет в наличии
Фланец
Количество на схеме: 1
Информация
Фланец
Количество
1
Вес в кг.
0,86;
Модель
Г263
Группа
Электрооборудование
Подгруппа
Генератор
Порядковый номер детали
050
  • Грузовые автомобили
  • Автобусы
  • Сельхозтехника
  • Спецтехника
  • Двигатели
Получить оптовый прайс-лист
Скачать прайс-лист от 07.05.2026 16:00
Специальное предложение от 07.05.2026 17:00
Производители:


  • WEICHAI
  • Автодизель ПАО (ЯМЗ)
  • Тутаевский МЗ
  • ЯЗДА
  • УралАЗ
  • МАЗ
  • АЗПИ
  • BOSCH
  • ММЗ
  • ШААЗ
  • FEDERAL MOGUL
  • ПРАМО
  • Мотордеталь
  • ТАИМ
  • АвтоКрАЗ
  • БЕЛКАРД
  • CZ Strakonice
  • КамАЗ
  • БЗА
  • ЧМЗ
  • BMZ
Новости
Все новости
25 марта 2024
Флагманский седельный тягач «Валдай 45» на выставке «TransRussia»
10 марта 2024
Современные автобусы «CITYMAX 9» и ЛиАЗ-5292 CNG
25 февраля 2024
Серийное производство средних дизельных двигателей повышенной мощности от ЯМЗ
Статьи
Все статьи
Датчики двигателя: за что они отвечают, признаки неисправности и как не прогадать с выбором
Двигатели ЯМЗ-534: история, технические характеристики и области применения
Двигатели ЯМЗ 650: углублённый технический обзор и история
Компания
О компании
Реквизиты
Новости
Политика
Магазины
Информация
Условия оплаты
Условия доставки
Гарантия на товар
Обмен и возврат товара
Помощь
Как оформить заказ
Полезные статьи
Бренды
Пункты выдачи
Оставайтесь на связи
  • Вконтакте
  • YouTube
  • Одноклассники
  • Google Plus
Увидели ошибку?
Выделите, нажав Ctrl + Enter
Наши контакты
8-800-700-35-68
sales@din76.ru
г. Ярославль, Ленинградский пр-т 33, ТЦ "ОМЕГА"
2026 © ООО «Динамика 76» - Все права защищены ООО "Динамика 76"
Предложения на сайте не являются публичной офертой.
На сайте обнаружена ошибка

Текст с ошибкой