Избранное 0 Корзина 0 Личный кабинет
logo
Каталог
Каталог
  • Справочник
    • Грузовые автомобили
    • Автобусы
    • Сельхозтехника
    • Спецтехника
    • Двигатели
  • Доставка
  • Оплата
  • О компании
    • Реквизиты
    • Магазины
    • Оплата
    • Доставка
    • Лицензии и сертификаты
    • Новости
    • Вакансии
  • Контакты
Отправить заявку
Личный кабинет
8 (800) 700-35-68
sales@din76.ru
Избранное 0 Корзина 0
8 (800) 700-35-68
Оптовый прайс-лист
Каталог
  • Двигатели
  • Запчасти WEICHAI
  • Запчасти ЯМЗ, ТМЗ (V-образные)
  • Запчасти ЯМЗ-534, ЯМЗ-536
  • Запчасти ЯМЗ-650, ЯМЗ-651, DCi-11
  • Топливная аппаратура
  • Запчасти УРАЛ
  • Запчасти МАЗ
  • Запчасти КамАЗ
  • Запчасти ММЗ
  • Ремни
Автокаталог (справочник)
  • Доставка
  • Оплата
  • О компании
  • Контакты
8 (800) 700-35-68
Написать в Whatsapp
sales@din76.ru
Динамика 76
Меню  
  • Каталог
    • Двигатели  
      • Двигатели ТМЗ  
        • Двигатели ТМЗ для автомобилей
        • Двигатели ТМЗ для тракторов
        • Специальные двигатели ТМЗ
        • Промышленные двигатели ТМЗ
      • Двигатели ЯМЗ  
        • ЯМЗ 236
        • ЯМЗ 238
        • ЯМЗ 240
        • ЯМЗ 751
        • ЯМЗ 840
        • ЯМЗ 850
        • ЯМЗ 656
        • ЯМЗ 658
        • ЯМЗ 534
        • ЯМЗ 536
        • ЯМЗ 650
        • Двигатели ЯМЗ для электростанций
      • Двигатели КАМАЗ
      • Двигатели ММЗ
      • Двигатели индивидуальной сборки
      • Комплекты переоборудования
    • Запчасти WEICHAI  
      • Основные запчасти двигателя  
        • Клапаны и толкатели
        • Шатуны
        • Вал коленчатый и маховик
        • Вал распределительный
        • Цилиндро-поршневая группа
      • Система питания  
        • Форсунки
        • Турбокомпрессор
      • Система смазки  
        • Насос масляный
      • Головка блока
      • Ремкомплекты
      • Система охлаждения  
        • Насос водяной
        • Муфта вязкостная и крыльчатка
      • Фильтры
      • Электрооборудование  
        • Генератор
        • Стартер
    • Запчасти ЯМЗ, ТМЗ (V-образные)  
      • Основные запчасти двигателя  
        • Блок двигателя и комплектующие
        • Валы распределительные и клапаны
        • Головка блока и комплектующие
        • Цилиндро-поршневая группа
        • Маховики и комплектующие
        • Валы коленчатые и комплектующие
        • Шатуны и комплектующие
      • Система питания  
        • Коллекторы и патрубки
        • Топливные трубопроводы
        • Турбокомпрессор
        • Топливные фильтры
      • Электрооборудование двигателя
      • Система охлаждения  
        • Вязкостные муфты и крыльчатки
        • Приводы вентилятора
        • Водяные насосы
        • Водяные трубы и термостаты
      • Коробки переключения передач  
        • 8 Ступенчатые КПП
        • 5 Ступенчатые КПП
        • 9 Ступенчатые КПП
        • Запасные части КПП ЯМЗ, ТМЗ
      • Система смазки  
        • Теплообменник и комплектующие
        • Масляные насосы
        • Фильтры масляные (ФГОМ, ФЦОМ)
      • Сцепление  
        • Запасные части механизма сцепления
        • Муфты (подшипники выжимные)
        • Корзины (диски нажимные)
        • Диски ведомые
      • Прочие запчасти двигателя  
        • Ремкомплекты
        • Привод агрегатов
        • Натяжные устройства
        • Трубки
    • Запчасти ЯМЗ-534, ЯМЗ-536  
      • Основные запчасти двигателя  
        • Цилиндро-поршневая группа
        • Головка блока цилиндров и комплектующие
        • Блок цилиндров и комплектующие
        • Вал коленчатый и маховик
        • Вал распределительный
        • Клапаны и толкатели
        • ГУР (Гидроусилитель руля)
        • Система рециркуляции отработавших газов
        • Выпускной коллектор
      • Система питания  
        • Коллекторы и патрубки
        • Топливные фильтры
        • Турбокомпрессор
        • Топливные трубопроводы
      • Система смазки  
        • Масляный картер поддон
        • Масляный насос
        • Теплообменник /Водо-масляный радиатор
        • Фильтры масляные (ФГОМ, ФЦОМ)
      • Пневмокомпрессор и натяжное
      • Система охлаждения  
        • Водяной насос
        • Водяные трубы и патрубки
        • Муфты вязкостные, приводы, крыльчатки
      • Ремкомплекты
      • Сцепление
      • Электрооборудование
    • Запчасти ЯМЗ-650, ЯМЗ-651, DCi-11  
      • Основные запчасти двигателя  
        • Цилиндро-поршневая группа
        • Головка блока цилиндров и комплектующие
        • Блок цилиндров и комплектующие
        • Вал коленчатый и маховик
        • Выпускной коллектор
        • Вал распределительный
        • Клапаны и толкатели
        • ГУР (Гидроусилитель руля)
        • Система рециркуляции отработавших газов
      • Система питания  
        • Коллекторы и патрубки
        • Топливные трубопроводы
        • Топливные фильтры
        • Турбокомпрессор
      • Система смазки  
        • Масляный картер / поддон
        • Масляный насос
        • Теплообменник / Водо-масляный радиатор
        • Фильтры масляные (ФГОМ, ФЦОМ)
      • Система охлаждения  
        • Водяной насос
        • Водяные трубы и патрубки
        • Муфты вязкостные, приводы, крыльчатки
      • Ремкомплекты
      • Пневмокомпрессор и натяжное
      • Электрооборудование
      • Сцепление
    • Топливная аппаратура  
      • ЯЗДА  
        • Распылители
        • ТНВД
        • Форсунки
        • Топливный насос низкого давления
        • Пары плунжерные
        • Муфта опережения впрыска топлива
        • Запчасти и комплектующие ТНВД
      • НЗТА
      • АЗПИ  
        • Распылители
        • Форсунки
      • BOSCH
    • Запчасти УРАЛ  
      • Трансмиссия  
        • Коробка раздаточная
        • Передача карданная
        • Мост задний
        • Мост передний (ведущий)
        • Мост средний (промежуточный)
      • Кузов  
        • Дверь кабины
        • Капот, крылья, облицовка радиатора
        • Окно ветровое и заднее
        • Отопление и вентиляция кабины
        • Кабина
      • Механизмы управления  
        • Управление рулевое
        • Тормоза
      • Дополнительное оборудование  
        • Отбор мощности
        • Устройство седельное
      • Электрооборудование
      • Ходовая часть  
        • Колеса и ступицы
        • Ось передняя
        • Подвеска автомобиля
        • Рама
    • Запчасти МАЗ  
      • Трансмиссия  
        • Мост задний
        • Мост передний (ведущий)
        • Передача карданная
        • Мост средний (промежуточный)
      • Кузов  
        • Кабина
        • Дверь кабины
        • Детали основания кабины
        • Окно ветровое и заднее
        • Платформа
      • Механизмы управления  
        • Тормоза
        • Управление рулевое
      • Ходовая часть  
        • Колеса и ступицы
        • Ось передняя
        • Подвеска автомобиля
        • Рама
    • Запчасти КамАЗ  
      • Кузов  
        • Кабина
        • Капот, крылья, облицовка радиатора
        • Дверь кабины
        • Платформа
        • Окно ветровое и заднее
        • Устройство подъемное и опрокидывающее
        • Сиденье
        • Крыша кабины (крыша кузова)
        • Отопление и вентиляция кабины
      • Трансмиссия  
        • Коробка передач
        • Коробка раздаточная
        • Мост задний
        • Сцепление
        • Мост средний (промежуточный)
        • Передача карданная
        • Мост передний (ведущий)
      • Двигатель  
        • Основные запчасти двигателя
        • Система охлаждения
        • Система питания
        • Система смазки
      • Дополнительное оборудование  
        • Отбор мощности
        • Устройство седельное
      • Ходовая часть  
        • Подвеска автомобиля
        • Рама
        • Колеса и ступицы
        • Ось передняя
      • Механизмы управления  
        • Тормоза
        • Управление рулевое
      • Электрооборудование
    • Запчасти ММЗ
    • Ремни
  • Справочник
    • Грузовые автомобили
    • Автобусы
    • Сельхозтехника
    • Спецтехника
    • Двигатели
  • Как купить
    • Условия оплаты
    • Условия доставки
    • Гарантия на товар
    • Пункты выдачи
  • Услуги
    • Капитальный ремонт двигателей ЯМЗ
  • Акции
  • Статьи
  • Контакты
  • Компания
    • Реквизиты
    • Магазины
    • Оплата
    • Доставка
    • Лицензии и сертификаты
    • Новости
    • Вакансии
Избранное 0 Корзина 0
8-800-700-35-68

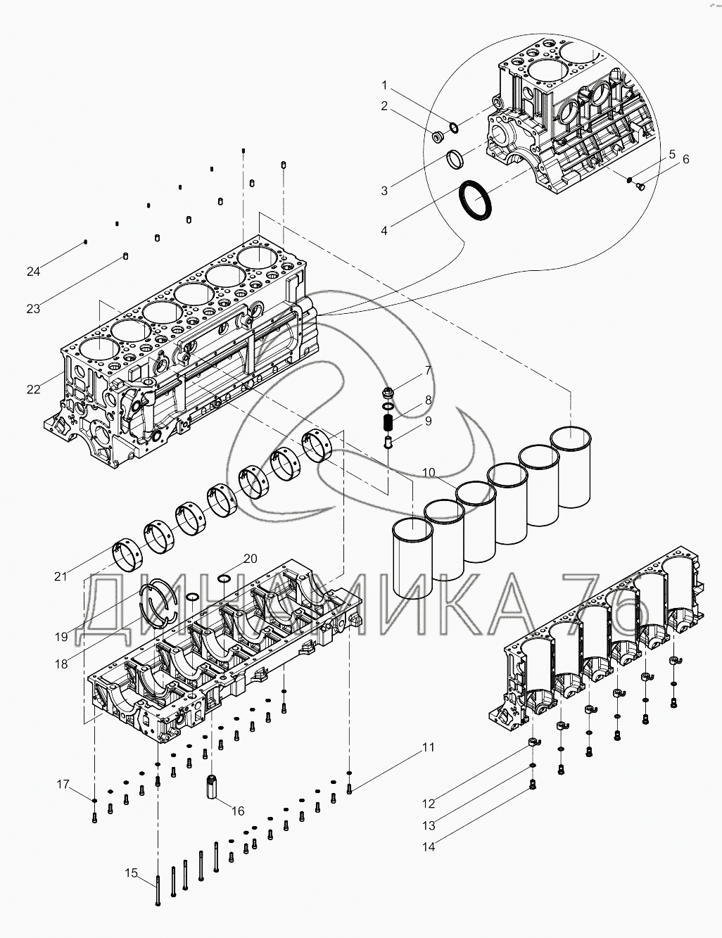
Engine Block Group на WP10 DHL10Q0213

Справочник
Главная
-
Автокаталог
-
Двигатели
-
Weichai
-
WP10 DHL10Q0213
Справочный каталог

Engine Block Group — WP10 DHL10Q0213:

1 2 3 4 5 6 7 8 9 10 11 12 13 14 15 16 17 18 19 20 21 22 23 24
в наличии
нет в наличии
масштаб

В наличии
Нет в наличии

Перечень комплектующих от Engine Block Group на WP10 DHL10Q0213

Схемы запчастей предназначены для справочных целей! Мы продаем не все запчасти от Engine Block Group на WP10 DHL10Q0213, представленные в этом списке.
Наличие на складах по деталям с ценой смотрите в карточке товара.
1
1
Артикул: 612600010735
нет в наличии
Кольцо упорное
Количество на схеме: 1
Информация
Кольцо упорное
Количество
1
Группа
Дверь кабины (передняя)
Подгруппа
6126
Порядковый номер детали
000
2
2
Артикул: 61460070011S
нет в наличии
Rear plug of the main oil passage
Количество на схеме: 1
Информация
Rear plug of the main oil passage
Количество
1
Группа
Дверь кабины (передняя)
Подгруппа
6146
Порядковый номер детали
007
3
3
Артикул: 90003989288
нет в наличии
Пробка чашеобразная
Количество на схеме: 1
Информация
Пробка чашеобразная
Количество
1
Подгруппа
9000
Порядковый номер детали
398
Дополнительно
Не взаимозаменяема с деталью, выпущенной ранее под этим же номером
4
4
Артикул: 61500010100
нет в наличии
Сальник коленвала задний
Количество на схеме: 1
Информация
Сальник коленвала задний
Количество
1
Группа
Дверь кабины (передняя)
Подгруппа
6150
Порядковый номер детали
001
Дополнительно
Не взаимозаменяема с деталью, выпущенной ранее под этим же номером
5
5
Артикул: 612600050042
нет в наличии
Seal washer
Количество на схеме: 1
Информация
Seal washer
Количество
1
Группа
Дверь кабины (передняя)
Подгруппа
6126
Порядковый номер детали
000
6
6
Артикул: 612600011927
нет в наличии
Screw plug
Количество на схеме: 1
Информация
Screw plug
Количество
1
Группа
Дверь кабины (передняя)
Подгруппа
6126
Порядковый номер детали
000
Дополнительно
Не взаимозаменяема с деталью, выпущенной ранее под этим же номером
7
7
Артикул: 612600070160S
нет в наличии
Hexagon Screw Plug
Количество на схеме: 1
Информация
Hexagon Screw Plug
Количество
1
Группа
Дверь кабины (передняя)
Подгруппа
6126
Порядковый номер детали
000
8
8
Артикул: 614070068
нет в наличии
Пружина
Количество на схеме: 1
Информация
Пружина
Количество
1
Группа
Дверь кабины (передняя)
Подгруппа
6140
Порядковый номер детали
700
Дополнительно
Не взаимозаменяема с деталью, выпущенной ранее под этим же номером
9
9
Артикул: 614070069
в наличии
Клапан
Количество на схеме: 1
Информация
Клапан
Количество
1
Группа
Дверь кабины (передняя)
Подгруппа
6140
Порядковый номер детали
700
Дополнительно
Не взаимозаменяема с деталью, выпущенной ранее под этим же номером
Клапан предохранительный WEICHAI WD12
Артикул: 614070069
Клапан предохранительный WEICHAI WD12
Код для заказа: 00168535
Цена: 312 ₽/шт.
В наличии: 98 шт.
- +
В корзинуВ корзине
Клапан предохранительный WEICHAI WD12
Артикул: 614070069
Код для заказа: 00168535
Клапан предохранительный WEICHAI WD12
Цена: 312 ₽/шт.
В наличии: 98 шт.
- +
В корзинуВ корзине
10
10
Артикул: 612630010015
в наличии
Cylinder liner
Количество на схеме: 6
Информация
Cylinder liner
Количество
6
Группа
Дверь кабины (передняя)
Подгруппа
6126
Порядковый номер детали
300
Гильза цилиндра WP10.336E40
Артикул: 612630010015
Гильза цилиндра WP10.336E40
Код для заказа: 00168449
Цена: 1 560 ₽/шт.
Под заказ
Гильза цилиндра WP10.336E40
Артикул: 612630010015
Код для заказа: 00168449
Гильза цилиндра WP10.336E40
Цена: 1 560 ₽/шт.
Под заказ
11
11
Артикул: 90003862428
нет в наличии
Винт
Количество на схеме: 22
Информация
Винт
Количество
22
Подгруппа
9000
Порядковый номер детали
386
Дополнительно
Не взаимозаменяема с деталью, выпущенной ранее под этим же номером
12
12
Артикул: 612600010659
нет в наличии
Сопло распылителя
Количество на схеме: 6
Информация
Сопло распылителя
Количество
6
Группа
Дверь кабины (передняя)
Подгруппа
6126
Порядковый номер детали
000
13
13
Артикул: 90003098015
нет в наличии
Шайба уплотнительная
Количество на схеме: 6
Информация
Шайба уплотнительная
Количество
6
Подгруппа
9000
Порядковый номер детали
309
14
14
Артикул: 90003962621
нет в наличии
Болт
Количество на схеме: 6
Информация
Болт
Количество
6
Подгруппа
9000
Порядковый номер детали
396
Дополнительно
Не взаимозаменяема с деталью, выпущенной ранее под этим же номером
15
15
Артикул: 90003802493
нет в наличии
Болт
Количество на схеме: 5
Информация
Болт
Количество
5
Подгруппа
9000
Порядковый номер детали
380
Дополнительно
Не взаимозаменяема с деталью, выпущенной ранее под этим же номером
16
16
Артикул: AZ1500070097
нет в наличии
Контрольный клапан в сборе
Количество на схеме: 1
Информация
Контрольный клапан в сборе
Количество
1
Модель
A
Подгруппа
1500
Порядковый номер детали
070
Дополнительно
Не взаимозаменяема с деталью, выпущенной ранее под этим же номером
17
17
Артикул: 188250083
в наличии
Шайба
Количество на схеме: 22
Информация
Шайба
Количество
22
Группа
Коробка раздаточная
Подгруппа
1882
Порядковый номер детали
500
Дополнительно
Не взаимозаменяема с деталью, выпущенной ранее под этим же номером
Шайба трубки подачи масла ТКР WP7
Артикул: 188250083
Шайба трубки подачи масла ТКР WP7
Код для заказа: 00172925
Цена: 0 ₽/шт.
В наличии: 70 шт.
- +
В корзинуВ корзине
Шайба трубки подачи масла ТКР WP7
Артикул: 188250083
Код для заказа: 00172925
Шайба трубки подачи масла ТКР WP7
Цена: 0 ₽/шт.
В наличии: 70 шт.
- +
В корзинуВ корзине
18
18
Артикул: 612600013918
нет в наличии
Thrust washer
Количество на схеме: 2
Информация
Thrust washer
Количество
2
Группа
Дверь кабины (передняя)
Подгруппа
6126
Порядковый номер детали
000
Дополнительно
Не взаимозаменяема с деталью, выпущенной ранее под этим же номером
19
19
Артикул: 612600013917
нет в наличии
Thrust washer
Количество на схеме: 2
Информация
Thrust washer
Количество
2
Группа
Дверь кабины (передняя)
Подгруппа
6126
Порядковый номер детали
000
Дополнительно
Не взаимозаменяема с деталью, выпущенной ранее под этим же номером
20
20
Артикул: 81400010032
нет в наличии
Кольцо прокладочное
Количество на схеме: 2
Информация
Кольцо прокладочное
Количество
2
Группа
Отопление и вентиляция кабины
Подгруппа
8140
Порядковый номер детали
001
21
21
Артикул: 612600012208
в наличии
Main Bearing Set
Количество на схеме: 7
Информация
Main Bearing Set
Количество
7
Группа
Дверь кабины (передняя)
Подгруппа
6126
Порядковый номер детали
000
Дополнительно
Не взаимозаменяема с деталью, выпущенной ранее под этим же номером
Вкладыши коренные (верх+низ) комплект Weichai
Артикул: 612600012208
Вкладыши коренные (верх+низ) комплект Weichai
Код для заказа: 00168529
Цена: 1 163 ₽/шт.
Под заказ
Вкладыши коренные (верх+низ) комплект Weichai
Артикул: 612600012208
Код для заказа: 00168529
Вкладыши коренные (верх+низ) комплект Weichai
Цена: 1 163 ₽/шт.
Под заказ
22
22
Артикул: 1000509039
нет в наличии
crankcase assembly
Количество на схеме: 1
Информация
crankcase assembly
Количество
1
Группа
Двигатель
Подгруппа
Двигатель в сборе
Порядковый номер детали
509
Дополнительно
Не взаимозаменяема с деталью, выпущенной ранее под этим же номером
23
23
Артикул: 90003901604
нет в наличии
Вкладыш цилиндрический
Количество на схеме: 6
Информация
Вкладыш цилиндрический
Количество
6
Подгруппа
9000
Порядковый номер детали
390
Дополнительно
Не взаимозаменяема с деталью, выпущенной ранее под этим же номером
24
24
Артикул: 90003909626
нет в наличии
Вкладыш
Количество на схеме: 6
Информация
Вкладыш
Количество
6
Подгруппа
9000
Порядковый номер детали
390
Дополнительно
Не взаимозаменяема с деталью, выпущенной ранее под этим же номером
  • Грузовые автомобили
  • Автобусы
  • Сельхозтехника
  • Спецтехника
  • Двигатели
Получить оптовый прайс-лист
Скачать прайс-лист от 06.05.2026 16:00
Специальное предложение от 06.05.2026 17:00
Производители:


  • WEICHAI
  • Автодизель ПАО (ЯМЗ)
  • Тутаевский МЗ
  • ЯЗДА
  • УралАЗ
  • МАЗ
  • АЗПИ
  • BOSCH
  • ММЗ
  • ШААЗ
  • FEDERAL MOGUL
  • ПРАМО
  • Мотордеталь
  • ТАИМ
  • АвтоКрАЗ
  • БЕЛКАРД
  • CZ Strakonice
  • КамАЗ
  • БЗА
  • ЧМЗ
  • BMZ
Новости
Все новости
25 марта 2024
Флагманский седельный тягач «Валдай 45» на выставке «TransRussia»
10 марта 2024
Современные автобусы «CITYMAX 9» и ЛиАЗ-5292 CNG
25 февраля 2024
Серийное производство средних дизельных двигателей повышенной мощности от ЯМЗ
Статьи
Все статьи
Датчики двигателя: за что они отвечают, признаки неисправности и как не прогадать с выбором
Двигатели ЯМЗ-534: история, технические характеристики и области применения
Двигатели ЯМЗ 650: углублённый технический обзор и история
Компания
О компании
Реквизиты
Новости
Политика
Магазины
Информация
Условия оплаты
Условия доставки
Гарантия на товар
Обмен и возврат товара
Помощь
Как оформить заказ
Полезные статьи
Бренды
Пункты выдачи
Оставайтесь на связи
  • Вконтакте
  • YouTube
  • Одноклассники
  • Google Plus
Увидели ошибку?
Выделите, нажав Ctrl + Enter
Наши контакты
8-800-700-35-68
sales@din76.ru
г. Ярославль, Ленинградский пр-т 33, ТЦ "ОМЕГА"
2026 © ООО «Динамика 76» - Все права защищены ООО "Динамика 76"
Предложения на сайте не являются публичной офертой.
На сайте обнаружена ошибка

Текст с ошибкой