Избранное 0 Корзина 0 Личный кабинет
logo
Каталог
Каталог
  • Справочник
    • Грузовые автомобили
    • Автобусы
    • Сельхозтехника
    • Спецтехника
    • Двигатели
  • Доставка
  • Оплата
  • О компании
    • Реквизиты
    • Магазины
    • Оплата
    • Доставка
    • Лицензии и сертификаты
    • Новости
    • Вакансии
  • Контакты
Отправить заявку
Личный кабинет
8 (800) 700-35-68
sales@din76.ru
Избранное 0 Корзина 0
8 (800) 700-35-68
Оптовый прайс-лист
Каталог
  • Двигатели
  • Запчасти WEICHAI
  • Запчасти ЯМЗ, ТМЗ (V-образные)
  • Запчасти ЯМЗ-534, ЯМЗ-536
  • Запчасти ЯМЗ-650, ЯМЗ-651, DCi-11
  • Топливная аппаратура
  • Запчасти УРАЛ
  • Запчасти МАЗ
  • Запчасти КамАЗ
  • Запчасти ММЗ
  • Ремни
Автокаталог (справочник)
  • Доставка
  • Оплата
  • О компании
  • Контакты
8 (800) 700-35-68
Написать в Whatsapp
sales@din76.ru
Динамика 76
Меню  
  • Каталог
    • Двигатели  
      • Двигатели ТМЗ  
        • Двигатели ТМЗ для автомобилей
        • Двигатели ТМЗ для тракторов
        • Специальные двигатели ТМЗ
        • Промышленные двигатели ТМЗ
      • Двигатели ЯМЗ  
        • ЯМЗ 236
        • ЯМЗ 238
        • ЯМЗ 240
        • ЯМЗ 751
        • ЯМЗ 840
        • ЯМЗ 850
        • ЯМЗ 656
        • ЯМЗ 658
        • ЯМЗ 534
        • ЯМЗ 536
        • ЯМЗ 650
        • Двигатели ЯМЗ для электростанций
      • Двигатели КАМАЗ
      • Двигатели ММЗ
      • Двигатели индивидуальной сборки
      • Комплекты переоборудования
    • Запчасти WEICHAI  
      • Основные запчасти двигателя  
        • Клапаны и толкатели
        • Шатуны
        • Вал коленчатый и маховик
        • Вал распределительный
        • Цилиндро-поршневая группа
      • Система питания  
        • Форсунки
        • Турбокомпрессор
      • Система смазки  
        • Насос масляный
      • Головка блока
      • Ремкомплекты
      • Система охлаждения  
        • Насос водяной
        • Муфта вязкостная и крыльчатка
      • Фильтры
      • Электрооборудование  
        • Генератор
        • Стартер
    • Запчасти ЯМЗ, ТМЗ (V-образные)  
      • Основные запчасти двигателя  
        • Блок двигателя и комплектующие
        • Валы распределительные и клапаны
        • Головка блока и комплектующие
        • Цилиндро-поршневая группа
        • Маховики и комплектующие
        • Валы коленчатые и комплектующие
        • Шатуны и комплектующие
      • Система питания  
        • Коллекторы и патрубки
        • Топливные трубопроводы
        • Турбокомпрессор
        • Топливные фильтры
      • Электрооборудование двигателя
      • Система охлаждения  
        • Вязкостные муфты и крыльчатки
        • Приводы вентилятора
        • Водяные насосы
        • Водяные трубы и термостаты
      • Коробки переключения передач  
        • 8 Ступенчатые КПП
        • 5 Ступенчатые КПП
        • 9 Ступенчатые КПП
        • Запасные части КПП ЯМЗ, ТМЗ
      • Система смазки  
        • Теплообменник и комплектующие
        • Масляные насосы
        • Фильтры масляные (ФГОМ, ФЦОМ)
      • Сцепление  
        • Запасные части механизма сцепления
        • Муфты (подшипники выжимные)
        • Корзины (диски нажимные)
        • Диски ведомые
      • Прочие запчасти двигателя  
        • Ремкомплекты
        • Привод агрегатов
        • Натяжные устройства
        • Трубки
    • Запчасти ЯМЗ-534, ЯМЗ-536  
      • Основные запчасти двигателя  
        • Цилиндро-поршневая группа
        • Головка блока цилиндров и комплектующие
        • Блок цилиндров и комплектующие
        • Вал коленчатый и маховик
        • Вал распределительный
        • Клапаны и толкатели
        • ГУР (Гидроусилитель руля)
        • Система рециркуляции отработавших газов
        • Выпускной коллектор
      • Система питания  
        • Коллекторы и патрубки
        • Топливные фильтры
        • Турбокомпрессор
        • Топливные трубопроводы
      • Система смазки  
        • Масляный картер поддон
        • Масляный насос
        • Теплообменник /Водо-масляный радиатор
        • Фильтры масляные (ФГОМ, ФЦОМ)
      • Пневмокомпрессор и натяжное
      • Система охлаждения  
        • Водяной насос
        • Водяные трубы и патрубки
        • Муфты вязкостные, приводы, крыльчатки
      • Ремкомплекты
      • Сцепление
      • Электрооборудование
    • Запчасти ЯМЗ-650, ЯМЗ-651, DCi-11  
      • Основные запчасти двигателя  
        • Цилиндро-поршневая группа
        • Головка блока цилиндров и комплектующие
        • Блок цилиндров и комплектующие
        • Вал коленчатый и маховик
        • Выпускной коллектор
        • Вал распределительный
        • Клапаны и толкатели
        • ГУР (Гидроусилитель руля)
        • Система рециркуляции отработавших газов
      • Система питания  
        • Коллекторы и патрубки
        • Топливные трубопроводы
        • Топливные фильтры
        • Турбокомпрессор
      • Система смазки  
        • Масляный картер / поддон
        • Масляный насос
        • Теплообменник / Водо-масляный радиатор
        • Фильтры масляные (ФГОМ, ФЦОМ)
      • Система охлаждения  
        • Водяной насос
        • Водяные трубы и патрубки
        • Муфты вязкостные, приводы, крыльчатки
      • Ремкомплекты
      • Пневмокомпрессор и натяжное
      • Электрооборудование
      • Сцепление
    • Топливная аппаратура  
      • ЯЗДА  
        • Распылители
        • ТНВД
        • Форсунки
        • Топливный насос низкого давления
        • Пары плунжерные
        • Муфта опережения впрыска топлива
        • Запчасти и комплектующие ТНВД
      • НЗТА
      • АЗПИ  
        • Распылители
        • Форсунки
      • BOSCH
    • Запчасти УРАЛ  
      • Трансмиссия  
        • Коробка раздаточная
        • Передача карданная
        • Мост задний
        • Мост передний (ведущий)
        • Мост средний (промежуточный)
      • Кузов  
        • Дверь кабины
        • Капот, крылья, облицовка радиатора
        • Окно ветровое и заднее
        • Отопление и вентиляция кабины
        • Кабина
      • Механизмы управления  
        • Управление рулевое
        • Тормоза
      • Дополнительное оборудование  
        • Отбор мощности
        • Устройство седельное
      • Электрооборудование
      • Ходовая часть  
        • Колеса и ступицы
        • Ось передняя
        • Подвеска автомобиля
        • Рама
    • Запчасти МАЗ  
      • Трансмиссия  
        • Мост задний
        • Мост передний (ведущий)
        • Передача карданная
        • Мост средний (промежуточный)
      • Кузов  
        • Кабина
        • Дверь кабины
        • Детали основания кабины
        • Окно ветровое и заднее
        • Платформа
      • Механизмы управления  
        • Тормоза
        • Управление рулевое
      • Ходовая часть  
        • Колеса и ступицы
        • Ось передняя
        • Подвеска автомобиля
        • Рама
    • Запчасти КамАЗ  
      • Кузов  
        • Кабина
        • Капот, крылья, облицовка радиатора
        • Дверь кабины
        • Платформа
        • Окно ветровое и заднее
        • Устройство подъемное и опрокидывающее
        • Сиденье
        • Крыша кабины (крыша кузова)
        • Отопление и вентиляция кабины
      • Трансмиссия  
        • Коробка передач
        • Коробка раздаточная
        • Мост задний
        • Сцепление
        • Мост средний (промежуточный)
        • Передача карданная
        • Мост передний (ведущий)
      • Двигатель  
        • Основные запчасти двигателя
        • Система охлаждения
        • Система питания
        • Система смазки
      • Дополнительное оборудование  
        • Отбор мощности
        • Устройство седельное
      • Ходовая часть  
        • Подвеска автомобиля
        • Рама
        • Колеса и ступицы
        • Ось передняя
      • Механизмы управления  
        • Тормоза
        • Управление рулевое
      • Электрооборудование
    • Запчасти ММЗ
    • Ремни
  • Справочник
    • Грузовые автомобили
    • Автобусы
    • Сельхозтехника
    • Спецтехника
    • Двигатели
  • Как купить
    • Условия оплаты
    • Условия доставки
    • Гарантия на товар
    • Пункты выдачи
  • Услуги
    • Капитальный ремонт двигателей ЯМЗ
  • Акции
  • Статьи
  • Контакты
  • Компания
    • Реквизиты
    • Магазины
    • Оплата
    • Доставка
    • Лицензии и сертификаты
    • Новости
    • Вакансии
Избранное 0 Корзина 0
8-800-700-35-68

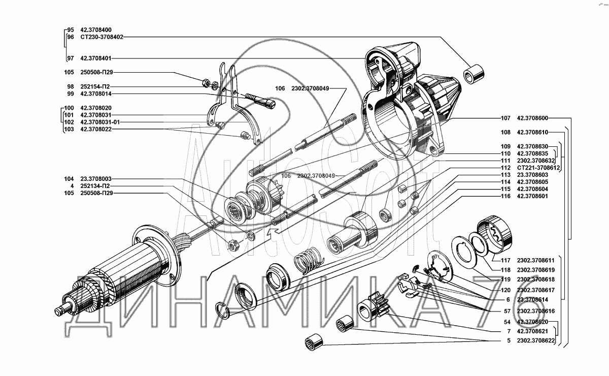
Стартер на УМЗ-4216 (Евро 3) (до 2008 г.)

Справочник
Главная
-
Автокаталог
-
Двигатели
-
УМЗ
-
УМЗ-4216 (Евро 3)
Справочный каталог

Стартер — УМЗ-4216 (Евро 3):

4 5 6 7 54 57 58 95 96 97 98 99 100 101 102 103 104 105 105 106 106 107 108 109 110 111 112 113 114 115 116 117 118 119 120
в наличии
нет в наличии
масштаб

В наличии
Нет в наличии

Перечень комплектующих от Стартер на УМЗ-4216 (Евро 3)

Схемы запчастей предназначены для справочных целей! Мы продаем не все запчасти от Стартер на УМЗ-4216 (Евро 3), представленные в этом списке.
Наличие на складах по деталям с ценой смотрите в карточке товара.
4
4
Артикул: 252134-П2
в наличии
Шайба 6 пружинная
Информация
Шайба 6 пружинная
ШАЙБА 6Х2 (ЯМЗ)
Артикул: 252134-П2
ШАЙБА 6Х2 (ЯМЗ)
Код для заказа: 00006016
Цена: 3 ₽/шт.
Под заказ
ШАЙБА 6Х2 (ЯМЗ)
Артикул: 252134-П2
Код для заказа: 00006016
ШАЙБА 6Х2 (ЯМЗ)
Цена: 3 ₽/шт.
Под заказ
5
5
Артикул: 2302-3708622
нет в наличии
Вкладыш
Количество на схеме: 2
Информация
Вкладыш
Количество
2
Модель
2302
Группа
Электрооборудование
Подгруппа
Стартер
Порядковый номер детали
622
6
6
Артикул: 23-3708614
нет в наличии
Пружина
Количество на схеме: 4
Информация
Пружина
Количество
4
Модель
23
Группа
Электрооборудование
Подгруппа
Стартер
Порядковый номер детали
614
7
7
Артикул: 42-3708621
нет в наличии
Шестерня
Информация
Шестерня
Группа
Электрооборудование
Подгруппа
Стартер
Порядковый номер детали
621
54
54
Артикул: 42-3708620
нет в наличии
Шестерня
Количество на схеме: 1
Информация
Шестерня
Количество
1
Модель
42
Группа
Электрооборудование
Подгруппа
Стартер
Порядковый номер детали
620
57
57
Артикул: 2302-3708616
нет в наличии
Колодка
Количество на схеме: 4
Информация
Колодка
Количество
4
Модель
2302
Группа
Электрооборудование
Подгруппа
Стартер
Порядковый номер детали
616
58
58
Артикул: 42-3708009
нет в наличии
Шайба регулировочная
Количество на схеме: 4
Информация
Шайба регулировочная
Количество
4
Модель
42
Группа
Электрооборудование
Подгруппа
Стартер
Порядковый номер детали
009
95
95
Артикул: 42-3708400
нет в наличии
Крышка со стороны привода в сборе
Количество на схеме: 1
Информация
Крышка со стороны привода в сборе
Количество
1
Модель
42
Группа
Электрооборудование
Подгруппа
Стартер
Порядковый номер детали
400
96
96
Артикул: СТ230-3708402
нет в наличии
Вкладыш
Количество на схеме: 1
Информация
Вкладыш
Количество
1
Модель
СТ230
Группа
Электрооборудование
Подгруппа
Стартер
Порядковый номер детали
402
97
97
Артикул: 42-3708401
нет в наличии
Крышка со стороны привода
Количество на схеме: 1
Информация
Крышка со стороны привода
Количество
1
Модель
42
Группа
Электрооборудование
Подгруппа
Стартер
Порядковый номер детали
401
98
98
Артикул: 252154-П2
нет в наличии
Шайба 6Л пружинная
Количество на схеме: 2
Информация
Шайба 6Л пружинная
Количество
2
Покрытие
фосфатирование и промасливание
99
99
Артикул: 42-3708014
нет в наличии
Ось рычага
Количество на схеме: 1
Информация
Ось рычага
Количество
1
Модель
42
Группа
Электрооборудование
Подгруппа
Стартер
Порядковый номер детали
014
100
100
Артикул: 42-3708020
нет в наличии
Рычаг включения привода в сборе
Количество на схеме: 1
Информация
Рычаг включения привода в сборе
Количество
1
Модель
42
Группа
Электрооборудование
Подгруппа
Стартер
Порядковый номер детали
020
101
101
Артикул: 42-3708031
нет в наличии
Пластина рычага левая
Количество на схеме: 1
Информация
Пластина рычага левая
Количество
1
Модель
42
Группа
Электрооборудование
Подгруппа
Стартер
Порядковый номер детали
031
102
102
Артикул: 42-3708031-01
нет в наличии
Пластина рычага правая
Количество на схеме: 1
Информация
Пластина рычага правая
Количество
1
Модель
42
Группа
Электрооборудование
Подгруппа
Стартер
Порядковый номер детали
031
103
103
Артикул: 42-3708022
нет в наличии
Палец
Количество на схеме: 2
Информация
Палец
Количество
2
Модель
42
Группа
Электрооборудование
Подгруппа
Стартер
Порядковый номер детали
022
104
104
Артикул: 23-3708003
нет в наличии
Шпилька стяжная
Количество на схеме: 2
Информация
Шпилька стяжная
Количество
2
Модель
23
Группа
Электрооборудование
Подгруппа
Стартер
Порядковый номер детали
003
105
105
Артикул: 250508-П29
в наличии
Гайка М6
Количество на схеме: 2
Информация
Гайка М6
Количество
2
Покрытие
цинкование и пассивирование (цинковое с хроматированием)
ГАЙКА М6-6Н.6.16 (ЯМЗ)
Артикул: 250508-П29
ГАЙКА М6-6Н.6.16 (ЯМЗ)
Код для заказа: 00006006
Цена: 13 ₽/шт.
Под заказ
ГАЙКА М6-6Н.6.16 (ЯМЗ)
Артикул: 250508-П29
Код для заказа: 00006006
ГАЙКА М6-6Н.6.16 (ЯМЗ)
Цена: 13 ₽/шт.
Под заказ
106
106
Артикул: 2302-3708049
нет в наличии
Трубка изоляционная
Количество на схеме: 2
Информация
Трубка изоляционная
Количество
2
Модель
2302
Группа
Электрооборудование
Подгруппа
Стартер
Порядковый номер детали
049
107
107
Артикул: 42-3708600
нет в наличии
Привод в сборе
Количество на схеме: 1
Информация
Привод в сборе
Количество
1
Модель
42
Группа
Электрооборудование
Подгруппа
Стартер
Порядковый номер детали
600
108
108
Артикул: 42-3708610
нет в наличии
Муфта привода в сборе
Количество на схеме: 1
Информация
Муфта привода в сборе
Количество
1
Модель
42
Группа
Электрооборудование
Подгруппа
Стартер
Порядковый номер детали
610
109
109
Артикул: 42-3708630
нет в наличии
Обойма с втулкой направляющей и вкладышем в сборе
Количество на схеме: 1
Информация
Обойма с втулкой направляющей и вкладышем в сборе
Количество
1
Модель
42
Группа
Электрооборудование
Подгруппа
Стартер
Порядковый номер детали
630
110
110
Артикул: 42-3708635
нет в наличии
Обойма с вкладышем в сборе
Количество на схеме: 1
Информация
Обойма с вкладышем в сборе
Количество
1
Модель
42
Группа
Электрооборудование
Подгруппа
Стартер
Порядковый номер детали
635
111
111
Артикул: 2302-3708632
нет в наличии
Вкладыш
Количество на схеме: 1
Информация
Вкладыш
Количество
1
Модель
2302
Группа
Электрооборудование
Подгруппа
Стартер
Порядковый номер детали
632
112
112
Артикул: СТ221-3708612
нет в наличии
Ролик
Количество на схеме: 4
Информация
Ролик
Количество
4
Модель
СТ221
Группа
Электрооборудование
Подгруппа
Стартер
Порядковый номер детали
612
113
113
Артикул: 23-3708603
нет в наличии
Пружина
Количество на схеме: 1
Информация
Пружина
Количество
1
Модель
23
Группа
Электрооборудование
Подгруппа
Стартер
Порядковый номер детали
603
114
114
Артикул: 42-3708605
нет в наличии
Кольцо поводковое
Количество на схеме: 1
Информация
Кольцо поводковое
Количество
1
Модель
42
Группа
Электрооборудование
Подгруппа
Стартер
Порядковый номер детали
605
115
115
Артикул: 42-3708604
нет в наличии
Кольцо упорное
Количество на схеме: 1
Информация
Кольцо упорное
Количество
1
Модель
42
Группа
Электрооборудование
Подгруппа
Стартер
Порядковый номер детали
604
116
116
Артикул: 42-3708601
нет в наличии
Кольцо запорное
Количество на схеме: 1
Информация
Кольцо запорное
Количество
1
Модель
42
Группа
Электрооборудование
Подгруппа
Стартер
Порядковый номер детали
601
117
117
Артикул: 2302-3708611
нет в наличии
Крышка муфты
Количество на схеме: 1
Информация
Крышка муфты
Количество
1
Модель
2302
Группа
Электрооборудование
Подгруппа
Стартер
Порядковый номер детали
611
118
118
Артикул: 2302-3708619
нет в наличии
Кольцо
Количество на схеме: 1
Информация
Кольцо
Количество
1
Модель
2302
Группа
Электрооборудование
Подгруппа
Стартер
Порядковый номер детали
619
119
119
Артикул: 2302-3708618
нет в наличии
Шайба специальная
Количество на схеме: 1
Информация
Шайба специальная
Количество
1
Модель
2302
Группа
Электрооборудование
Подгруппа
Стартер
Порядковый номер детали
618
120
120
Артикул: 2302-3708617
нет в наличии
Пластина
Количество на схеме: 1
Информация
Пластина
Количество
1
Модель
2302
Группа
Электрооборудование
Подгруппа
Стартер
Порядковый номер детали
617
  • Грузовые автомобили
  • Автобусы
  • Сельхозтехника
  • Спецтехника
  • Двигатели
Получить оптовый прайс-лист
Скачать прайс-лист от 08.05.2026 16:00
Специальное предложение от 08.05.2026 17:00
Производители:


  • WEICHAI
  • Автодизель ПАО (ЯМЗ)
  • Тутаевский МЗ
  • ЯЗДА
  • УралАЗ
  • МАЗ
  • АЗПИ
  • BOSCH
  • ММЗ
  • ШААЗ
  • FEDERAL MOGUL
  • ПРАМО
  • Мотордеталь
  • ТАИМ
  • АвтоКрАЗ
  • БЕЛКАРД
  • CZ Strakonice
  • КамАЗ
  • БЗА
  • ЧМЗ
  • BMZ
Новости
Все новости
25 марта 2024
Флагманский седельный тягач «Валдай 45» на выставке «TransRussia»
10 марта 2024
Современные автобусы «CITYMAX 9» и ЛиАЗ-5292 CNG
25 февраля 2024
Серийное производство средних дизельных двигателей повышенной мощности от ЯМЗ
Статьи
Все статьи
Датчики двигателя: за что они отвечают, признаки неисправности и как не прогадать с выбором
Двигатели ЯМЗ-534: история, технические характеристики и области применения
Двигатели ЯМЗ 650: углублённый технический обзор и история
Компания
О компании
Реквизиты
Новости
Политика
Магазины
Информация
Условия оплаты
Условия доставки
Гарантия на товар
Обмен и возврат товара
Помощь
Как оформить заказ
Полезные статьи
Бренды
Пункты выдачи
Оставайтесь на связи
  • Вконтакте
  • YouTube
  • Одноклассники
  • Google Plus
Увидели ошибку?
Выделите, нажав Ctrl + Enter
Наши контакты
8-800-700-35-68
sales@din76.ru
г. Ярославль, Ленинградский пр-т 33, ТЦ "ОМЕГА"
2026 © ООО «Динамика 76» - Все права защищены ООО "Динамика 76"
Предложения на сайте не являются публичной офертой.
На сайте обнаружена ошибка

Текст с ошибкой