Избранное 0 Корзина 0 Личный кабинет
logo
Каталог
Каталог
  • Справочник
    • Грузовые автомобили
    • Автобусы
    • Сельхозтехника
    • Спецтехника
    • Двигатели
  • Доставка
  • Оплата
  • О компании
    • Реквизиты
    • Магазины
    • Оплата
    • Доставка
    • Лицензии и сертификаты
    • Новости
    • Вакансии
  • Контакты
Отправить заявку
Личный кабинет
8 (800) 700-35-68
sales@din76.ru
Избранное 0 Корзина 0
8 (800) 700-35-68
Оптовый прайс-лист
Каталог
  • Двигатели
  • Запчасти WEICHAI
  • Запчасти ЯМЗ, ТМЗ (V-образные)
  • Запчасти ЯМЗ-534, ЯМЗ-536
  • Запчасти ЯМЗ-650, ЯМЗ-651, DCi-11
  • Топливная аппаратура
  • Запчасти УРАЛ
  • Запчасти МАЗ
  • Запчасти КамАЗ
  • Запчасти ММЗ
  • Ремни
Автокаталог (справочник)
  • Доставка
  • Оплата
  • О компании
  • Контакты
8 (800) 700-35-68
Написать в Whatsapp
sales@din76.ru
Динамика 76
Меню  
  • Каталог
    • Двигатели  
      • Двигатели ТМЗ  
        • Двигатели ТМЗ для автомобилей
        • Двигатели ТМЗ для тракторов
        • Специальные двигатели ТМЗ
        • Промышленные двигатели ТМЗ
      • Двигатели ЯМЗ  
        • ЯМЗ 236
        • ЯМЗ 238
        • ЯМЗ 240
        • ЯМЗ 751
        • ЯМЗ 840
        • ЯМЗ 850
        • ЯМЗ 656
        • ЯМЗ 658
        • ЯМЗ 534
        • ЯМЗ 536
        • ЯМЗ 650
        • Двигатели ЯМЗ для электростанций
      • Двигатели КАМАЗ
      • Двигатели ММЗ
      • Двигатели индивидуальной сборки
      • Комплекты переоборудования
    • Запчасти WEICHAI  
      • Основные запчасти двигателя  
        • Клапаны и толкатели
        • Шатуны
        • Вал коленчатый и маховик
        • Вал распределительный
        • Цилиндро-поршневая группа
      • Система питания  
        • Форсунки
        • Турбокомпрессор
      • Система смазки  
        • Насос масляный
      • Головка блока
      • Ремкомплекты
      • Система охлаждения  
        • Насос водяной
        • Муфта вязкостная и крыльчатка
      • Фильтры
      • Электрооборудование  
        • Генератор
        • Стартер
    • Запчасти ЯМЗ, ТМЗ (V-образные)  
      • Основные запчасти двигателя  
        • Блок двигателя и комплектующие
        • Валы распределительные и клапаны
        • Головка блока и комплектующие
        • Цилиндро-поршневая группа
        • Маховики и комплектующие
        • Валы коленчатые и комплектующие
        • Шатуны и комплектующие
      • Система питания  
        • Коллекторы и патрубки
        • Топливные трубопроводы
        • Турбокомпрессор
        • Топливные фильтры
      • Электрооборудование двигателя
      • Система охлаждения  
        • Вязкостные муфты и крыльчатки
        • Приводы вентилятора
        • Водяные насосы
        • Водяные трубы и термостаты
      • Коробки переключения передач  
        • 8 Ступенчатые КПП
        • 5 Ступенчатые КПП
        • 9 Ступенчатые КПП
        • Запасные части КПП ЯМЗ, ТМЗ
      • Система смазки  
        • Теплообменник и комплектующие
        • Масляные насосы
        • Фильтры масляные (ФГОМ, ФЦОМ)
      • Сцепление  
        • Запасные части механизма сцепления
        • Муфты (подшипники выжимные)
        • Корзины (диски нажимные)
        • Диски ведомые
      • Прочие запчасти двигателя  
        • Ремкомплекты
        • Привод агрегатов
        • Натяжные устройства
        • Трубки
    • Запчасти ЯМЗ-534, ЯМЗ-536  
      • Основные запчасти двигателя  
        • Цилиндро-поршневая группа
        • Головка блока цилиндров и комплектующие
        • Блок цилиндров и комплектующие
        • Вал коленчатый и маховик
        • Вал распределительный
        • Клапаны и толкатели
        • ГУР (Гидроусилитель руля)
        • Система рециркуляции отработавших газов
        • Выпускной коллектор
      • Система питания  
        • Коллекторы и патрубки
        • Топливные фильтры
        • Турбокомпрессор
        • Топливные трубопроводы
      • Система смазки  
        • Масляный картер поддон
        • Масляный насос
        • Теплообменник /Водо-масляный радиатор
        • Фильтры масляные (ФГОМ, ФЦОМ)
      • Пневмокомпрессор и натяжное
      • Система охлаждения  
        • Водяной насос
        • Водяные трубы и патрубки
        • Муфты вязкостные, приводы, крыльчатки
      • Ремкомплекты
      • Сцепление
      • Электрооборудование
    • Запчасти ЯМЗ-650, ЯМЗ-651, DCi-11  
      • Основные запчасти двигателя  
        • Цилиндро-поршневая группа
        • Головка блока цилиндров и комплектующие
        • Блок цилиндров и комплектующие
        • Вал коленчатый и маховик
        • Выпускной коллектор
        • Вал распределительный
        • Клапаны и толкатели
        • ГУР (Гидроусилитель руля)
        • Система рециркуляции отработавших газов
      • Система питания  
        • Коллекторы и патрубки
        • Топливные трубопроводы
        • Топливные фильтры
        • Турбокомпрессор
      • Система смазки  
        • Масляный картер / поддон
        • Масляный насос
        • Теплообменник / Водо-масляный радиатор
        • Фильтры масляные (ФГОМ, ФЦОМ)
      • Система охлаждения  
        • Водяной насос
        • Водяные трубы и патрубки
        • Муфты вязкостные, приводы, крыльчатки
      • Ремкомплекты
      • Пневмокомпрессор и натяжное
      • Электрооборудование
      • Сцепление
    • Топливная аппаратура  
      • ЯЗДА  
        • Распылители
        • ТНВД
        • Форсунки
        • Топливный насос низкого давления
        • Пары плунжерные
        • Муфта опережения впрыска топлива
        • Запчасти и комплектующие ТНВД
      • НЗТА
      • АЗПИ  
        • Распылители
        • Форсунки
      • BOSCH
    • Запчасти УРАЛ  
      • Трансмиссия  
        • Коробка раздаточная
        • Передача карданная
        • Мост задний
        • Мост передний (ведущий)
        • Мост средний (промежуточный)
      • Кузов  
        • Дверь кабины
        • Капот, крылья, облицовка радиатора
        • Окно ветровое и заднее
        • Отопление и вентиляция кабины
        • Кабина
      • Механизмы управления  
        • Управление рулевое
        • Тормоза
      • Дополнительное оборудование  
        • Отбор мощности
        • Устройство седельное
      • Электрооборудование
      • Ходовая часть  
        • Колеса и ступицы
        • Ось передняя
        • Подвеска автомобиля
        • Рама
    • Запчасти МАЗ  
      • Трансмиссия  
        • Мост задний
        • Мост передний (ведущий)
        • Передача карданная
        • Мост средний (промежуточный)
      • Кузов  
        • Кабина
        • Дверь кабины
        • Детали основания кабины
        • Окно ветровое и заднее
        • Платформа
      • Механизмы управления  
        • Тормоза
        • Управление рулевое
      • Ходовая часть  
        • Колеса и ступицы
        • Ось передняя
        • Подвеска автомобиля
        • Рама
    • Запчасти КамАЗ  
      • Кузов  
        • Кабина
        • Капот, крылья, облицовка радиатора
        • Дверь кабины
        • Платформа
        • Окно ветровое и заднее
        • Устройство подъемное и опрокидывающее
        • Сиденье
        • Крыша кабины (крыша кузова)
        • Отопление и вентиляция кабины
      • Трансмиссия  
        • Коробка передач
        • Коробка раздаточная
        • Мост задний
        • Сцепление
        • Мост средний (промежуточный)
        • Передача карданная
        • Мост передний (ведущий)
      • Двигатель  
        • Основные запчасти двигателя
        • Система охлаждения
        • Система питания
        • Система смазки
      • Дополнительное оборудование  
        • Отбор мощности
        • Устройство седельное
      • Ходовая часть  
        • Подвеска автомобиля
        • Рама
        • Колеса и ступицы
        • Ось передняя
      • Механизмы управления  
        • Тормоза
        • Управление рулевое
      • Электрооборудование
    • Запчасти ММЗ
    • Ремни
  • Справочник
    • Грузовые автомобили
    • Автобусы
    • Сельхозтехника
    • Спецтехника
    • Двигатели
  • Как купить
    • Условия оплаты
    • Условия доставки
    • Гарантия на товар
    • Пункты выдачи
  • Услуги
    • Капитальный ремонт двигателей ЯМЗ
  • Акции
  • Статьи
  • Контакты
  • Компания
    • Реквизиты
    • Магазины
    • Оплата
    • Доставка
    • Лицензии и сертификаты
    • Новости
    • Вакансии
Избранное 0 Корзина 0
8-800-700-35-68

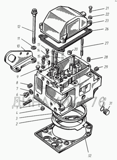
Головка цилиндра на ТМЗ-8437.10 (до 2010 г.)

Справочник
Главная
-
Автокаталог
-
Двигатели
-
ТМЗ
-
ТМЗ-8437.10
Справочный каталог

Головка цилиндра — ТМЗ-8437.10:

840.1003010-20 840.1003013-20 1 2 3 4 6 7 8 9 10 11 12 13 14 15 16 17 18 19 20 21 22 23 26 27 28 29 30 31 32
в наличии
нет в наличии
масштаб

В наличии
Нет в наличии

Перечень комплектующих от Головка цилиндра на ТМЗ-8437.10

Схемы запчастей предназначены для справочных целей! Мы продаем не все запчасти от Головка цилиндра на ТМЗ-8437.10, представленные в этом списке.
Наличие на складах по деталям с ценой смотрите в карточке товара.
Артикул: 840-1003010-20
в наличии
Головка цилиндра с клапанами
Количество на схеме: 8
Информация
Головка цилиндра с клапанами
Количество
8
Модель
840
Группа
Двигатель
Подгруппа
Головка блока цилиндров
Порядковый номер детали
010
Дополнительно
Не взаимозаменяема с деталью, выпущенной ранее под этим же номером
Головка ТМЗ блока цилиндров в сборе с клапанами (ПАО ТМЗ)
Артикул: 840-1003010-20
Головка ТМЗ блока цилиндров в сборе с клапанами (ПАО ТМЗ)
Код для заказа: 00005318
Цена: 38 444 ₽/шт.
Под заказ
Головка ТМЗ блока цилиндров в сборе с клапанами (ПАО ТМЗ)
Артикул: 840-1003010-20
Код для заказа: 00005318
Головка ТМЗ блока цилиндров в сборе с клапанами (ПАО ТМЗ)
Цена: 38 444 ₽/шт.
Под заказ
Артикул: 840-1003013-20
нет в наличии
Головка цилиндра без клапанов для запасных частей
Количество на схеме: 8
Информация
Головка цилиндра без клапанов для запасных частей
Количество
8
Модель
840
Группа
Двигатель
Подгруппа
Головка блока цилиндров
Порядковый номер детали
013
Дополнительно
Не взаимозаменяема с деталью, выпущенной ранее под этим же номером
1
1
Артикул: 840-1003014-40
нет в наличии
Головка цилиндра
Количество на схеме: 8
Информация
Головка цилиндра
Количество
8
Модель
840
Группа
Двигатель
Подгруппа
Головка блока цилиндров
Порядковый номер детали
014
Дополнительно
Не взаимозаменяема с деталью, выпущенной ранее под этим же номером
2
2
Артикул: 840-1003212-30
в наличии
Прокладка головки
Количество на схеме: 8
Информация
Прокладка головки
Количество
8
Модель
840
Группа
Двигатель
Подгруппа
Головка блока цилиндров
Порядковый номер детали
212
Дополнительно
Не взаимозаменяема с деталью, выпущенной ранее под этим же номером
Прокладка головки блока ЯМЗ-8401,8421 АВТОДИЗЕЛЬ
Артикул: 840-1003212-30
Прокладка головки блока ЯМЗ-8401,8421 АВТОДИЗЕЛЬ
Код для заказа: 00003228
Цена: 225 ₽/шт.
Под заказ
Прокладка головки блока ЯМЗ-8401,8421 АВТОДИЗЕЛЬ
Артикул: 840-1003212-30
Код для заказа: 00003228
Прокладка головки блока ЯМЗ-8401,8421 АВТОДИЗЕЛЬ
Цена: 225 ₽/шт.
Под заказ
3
3
Артикул: 840-1003466
в наличии
Кольцо уплотнительное
Количество на схеме: 8
Информация
Кольцо уплотнительное
Количество
8
Модель
840
Группа
Двигатель
Подгруппа
Головка блока цилиндров
Порядковый номер детали
466
Кольцо газового стыка
Артикул: 840-1003466
Кольцо газового стыка
Код для заказа: 00008813
Цена: 437 ₽/шт.
Под заказ
Кольцо газового стыка
Артикул: 840-1003466
Код для заказа: 00008813
Кольцо газового стыка
Цена: 437 ₽/шт.
Под заказ
4
4
Артикул: 316613-П29
нет в наличии
Ввертыш М10х1,25-6Н-М 16х1,5-6gх26
Количество на схеме: 16
Информация
Ввертыш М10х1,25-6Н-М 16х1,5-6gх26
Количество
16
Покрытие
цинкование и пассивирование (цинковое с хроматированием)
6
6
Артикул: 316603-П29
нет в наличии
Ввертыш М10х1-6Н-М16х1,5-6gх20,5
Количество на схеме: 8
Информация
Ввертыш М10х1-6Н-М16х1,5-6gх20,5
Количество
8
Покрытие
цинкование и пассивирование (цинковое с хроматированием)
7
7
Артикул: 201-1015624
в наличии
Шайба уплотнительная 16х22х2
Количество на схеме: 8
Информация
Шайба уплотнительная 16х22х2
Количество
8
Модель
201
Группа
Двигатель
Подгруппа
Подогреватель пусковой двигателя
Порядковый номер детали
624
Прокладка пробка ФГОТ
Артикул: 201-1015624
Прокладка пробка ФГОТ
Код для заказа: 00008466
Цена: 95 ₽/шт.
Под заказ
Прокладка пробка ФГОТ
Артикул: 201-1015624
Код для заказа: 00008466
Прокладка пробка ФГОТ
Цена: 95 ₽/шт.
Под заказ
8
8
Артикул: 316612-П29
нет в наличии
Ввертыш М8-6Н-М14-6gх21
Количество на схеме: 16
Информация
Ввертыш М8-6Н-М14-6gх21
Количество
16
Покрытие
цинкование и пассивирование (цинковое с хроматированием)
9
9
Артикул: 316121-П29
в наличии
Пробка К1/4
Количество на схеме: 8
Информация
Пробка К1/4
Количество
8
Покрытие
цинкование и пассивирование (цинковое с хроматированием)
Пробка ЯМЗ крышки Ф.Т.О.Т АВТОДИЗЕЛЬ
Артикул: 316121-П29
Пробка ЯМЗ крышки Ф.Т.О.Т АВТОДИЗЕЛЬ
Код для заказа: 00003083
Цена: 101 ₽/шт.
Под заказ
Пробка ЯМЗ крышки Ф.Т.О.Т АВТОДИЗЕЛЬ
Артикул: 316121-П29
Код для заказа: 00003083
Пробка ЯМЗ крышки Ф.Т.О.Т АВТОДИЗЕЛЬ
Цена: 101 ₽/шт.
Под заказ
10
10
Артикул: 841-1002350/351
нет в наличии
Рым левый/правый
Количество на схеме: 2/2
Информация
Рым левый/правый
Количество
2/2
Модель
841
Группа
Двигатель
Подгруппа
Блок цилиндров
Порядковый номер детали
350
Дополнительно
Не взаимозаменяема с деталью, выпущенной ранее под этим же номером
11
11
Артикул: 312693-П29
нет в наличии
Шайба 16
Количество на схеме: 48
Информация
Шайба 16
Количество
48
Покрытие
цинкование и пассивирование (цинковое с хроматированием)
12
12
Артикул: 840-1003016-01
в наличии
Болт крепления головки цилиндра
Количество на схеме: 48
Информация
Болт крепления головки цилиндра
Количество
48
Модель
840
Группа
Двигатель
Подгруппа
Головка блока цилиндров
Порядковый номер детали
016
Болт крепления головки цилиндра ТМЗ
Артикул: 840-1003016-01
Болт крепления головки цилиндра ТМЗ
Код для заказа: 00007296
Цена: 1 396 ₽/шт.
Под заказ
Болт крепления головки цилиндра ТМЗ
Артикул: 840-1003016-01
Код для заказа: 00007296
Болт крепления головки цилиндра ТМЗ
Цена: 1 396 ₽/шт.
Под заказ
13
13
Артикул: 201454-П29
в наличии
Болт М8-6gх16
Количество на схеме: 8
Информация
Болт М8-6gх16
Количество
8
Покрытие
цинкование и пассивирование (цинковое с хроматированием)
Болт М8х1.25х16 ЗИЛ-130 крепление кронштейна радиатора масл., ГАЗ-31029 фиксатора штоков КПП
Артикул: 201454-П29
Болт М8х1.25х16 ЗИЛ-130 крепление кронштейна радиатора масл., ГАЗ-31029 фиксатора штоков КПП
Код для заказа: 00005973
Цена: 26 ₽/шт.
Под заказ
Болт М8х1.25х16 ЗИЛ-130 крепление кронштейна радиатора масл., ГАЗ-31029 фиксатора штоков КПП
Артикул: 201454-П29
Код для заказа: 00005973
Болт М8х1.25х16 ЗИЛ-130 крепление кронштейна радиатора масл., ГАЗ-31029 фиксатора штоков КПП
Цена: 26 ₽/шт.
Под заказ
14
14
Артикул: 312638-П
нет в наличии
Шайба 8
Количество на схеме: 8
Информация
Шайба 8
Количество
8
Покрытие
без покрытия
15
15
Артикул: 840-1104918
нет в наличии
Ниппель
Количество на схеме: 8
Информация
Ниппель
Количество
8
Модель
840
Группа
Cистема питания двигателя
Подгруппа
Трубопроводы топливные
Порядковый номер детали
918
16
16
Артикул: 312482-П34
в наличии
Шайба 10
Количество на схеме: 8
Информация
Шайба 10
Количество
8
Покрытие
Шайба 10.2х14.0х1.5 ЯМЗ крепления трубки топливной медная
Артикул: 312482-П34
Шайба 10.2х14.0х1.5 ЯМЗ крепления трубки топливной медная
Код для заказа: 00002996
Цена: 86 ₽/шт.
В наличии: 47 шт.
- +
В корзинуВ корзине
Шайба 10.2х14.0х1.5 ЯМЗ крепления трубки топливной медная
Артикул: 312482-П34
Код для заказа: 00002996
Шайба 10.2х14.0х1.5 ЯМЗ крепления трубки топливной медная
Цена: 86 ₽/шт.
В наличии: 47 шт.
- +
В корзинуВ корзине
17
17
Артикул: 258639-П
нет в наличии
Штифт 6х16
Количество на схеме: 16
Информация
Штифт 6х16
Количество
16
Покрытие
без покрытия
18
18
Артикул: 310469-П2
нет в наличии
Шпилька крепления оси коромысла М12х(1,75-6g)/(1,25-6g)х85
Количество на схеме: 16
Информация
Шпилька крепления оси коромысла М12х(1,75-6g)/(1,25-6g)х85
Количество
16
Покрытие
фосфатирование и промасливание
19
19
Артикул: 310470-П2
нет в наличии
Шпилька крепления оси коромысла М12х(1,75-6g)/(1,25-6g)х55
Количество на схеме: 16
Информация
Шпилька крепления оси коромысла М12х(1,75-6g)/(1,25-6g)х55
Количество
16
Покрытие
фосфатирование и промасливание
20
20
Артикул: 840-1007095
нет в наличии
Втулка-штифт
Количество на схеме: 32
Информация
Втулка-штифт
Количество
32
Модель
840
Группа
Двигатель
Подгруппа
Клапана и толкатели
Порядковый номер детали
095
21
21
Артикул: 201464-П29
нет в наличии
Болт М8х35
Количество на схеме: 32
Информация
Болт М8х35
Количество
32
Покрытие
цинкование и пассивирование (цинковое с хроматированием)
22
22
Артикул: 252005-П29
в наличии
Шайба 8
Количество на схеме: 32
Информация
Шайба 8
Количество
32
Покрытие
цинкование и пассивирование (цинковое с хроматированием)
Шайба 8.0 УРАЛ кабины (АО АЗ УРАЛ)
Артикул: 252005-П29
Шайба 8.0 УРАЛ кабины (АО АЗ УРАЛ)
Код для заказа: 00006120
Цена: 17 ₽/шт.
Под заказ
Шайба 8.0 УРАЛ кабины (АО АЗ УРАЛ)
Артикул: 252005-П29
Код для заказа: 00006120
Шайба 8.0 УРАЛ кабины (АО АЗ УРАЛ)
Цена: 17 ₽/шт.
Под заказ
23
23
Артикул: 840-1003264
в наличии
Крышка головки цилиндра
Количество на схеме: 7
Информация
Крышка головки цилиндра
Количество
7
Модель
840
Группа
Двигатель
Подгруппа
Головка блока цилиндров
Порядковый номер детали
264
Крышка ГБЦ дв.ЯМЗ-840,8424,8481,850 АВТОДИЗЕЛЬ
Артикул: 840-1003264
Крышка ГБЦ дв.ЯМЗ-840,8424,8481,850 АВТОДИЗЕЛЬ
Код для заказа: 00003252
Цена: 2 744 ₽/шт.
Под заказ
Крышка ГБЦ дв.ЯМЗ-840,8424,8481,850 АВТОДИЗЕЛЬ
Артикул: 840-1003264
Код для заказа: 00003252
Крышка ГБЦ дв.ЯМЗ-840,8424,8481,850 АВТОДИЗЕЛЬ
Цена: 2 744 ₽/шт.
Под заказ
26
26
Артикул: 840-1003270
в наличии
Прокладка крышки головки цилиндра
Количество на схеме: 8
Информация
Прокладка крышки головки цилиндра
Количество
8
Модель
840
Группа
Двигатель
Подгруппа
Головка блока цилиндров
Порядковый номер детали
270
Прокладка крышки клапанной ЯМЗ-840
Артикул: 840-1003270
Прокладка крышки клапанной ЯМЗ-840
Код для заказа: 00005942
Цена: 109 ₽/шт.
Под заказ
Прокладка крышки клапанной ЯМЗ-840
Артикул: 840-1003270
Код для заказа: 00005942
Прокладка крышки клапанной ЯМЗ-840
Цена: 109 ₽/шт.
Под заказ
27
27
Артикул: 310471-П2
нет в наличии
Шпилька крепления скобы форсунки М10х(1,5-6g)/(1,25-6g)х63
Количество на схеме: 8
Информация
Шпилька крепления скобы форсунки М10х(1,5-6g)/(1,25-6g)х63
Количество
8
Покрытие
фосфатирование и промасливание
28
28
Артикул: 316628-П29
нет в наличии
Ввертыш М8-6Н-М14-6gх26
Количество на схеме: 32
Информация
Ввертыш М8-6Н-М14-6gх26
Количество
32
Покрытие
цинкование и пассивирование (цинковое с хроматированием)
29
29
Артикул: 316627-П
нет в наличии
Ввертыш М10-6Н-М16х1.5-6gх26
Количество на схеме: 16
Информация
Ввертыш М10-6Н-М16х1.5-6gх26
Количество
16
Покрытие
без покрытия
30
30
Артикул: 238Н-1723031
нет в наличии
Кольцо уплотнительное
Количество на схеме: 32
Информация
Кольцо уплотнительное
Количество
32
Модель
238Н
Группа
Коробка передач
Подгруппа
1723
Порядковый номер детали
031
31
31
Артикул: 840-1003436
нет в наличии
Заглушка
Количество на схеме: 32
Информация
Заглушка
Количество
32
Модель
840
Группа
Двигатель
Подгруппа
Головка блока цилиндров
Порядковый номер детали
436
32
32
Артикул: 840-1003213-02
в наличии
Прокладка уплотнительная
Количество на схеме: 8
Информация
Прокладка уплотнительная
Количество
8
Модель
840
Группа
Двигатель
Подгруппа
Головка блока цилиндров
Порядковый номер детали
213
Прокладка головки блока металл фторсиликон Н/О
Артикул: 840-1003213-02
Прокладка головки блока металл фторсиликон Н/О
Код для заказа: 00005941
Цена: 1 613 ₽/шт.
Под заказ
Прокладка головки блока металл фторсиликон Н/О
Артикул: 840-1003213-02
Код для заказа: 00005941
Прокладка головки блока металл фторсиликон Н/О
Цена: 1 613 ₽/шт.
Под заказ
  • Грузовые автомобили
  • Автобусы
  • Сельхозтехника
  • Спецтехника
  • Двигатели
Получить оптовый прайс-лист
Скачать прайс-лист от 07.05.2026 16:00
Специальное предложение от 07.05.2026 17:00
Производители:


  • WEICHAI
  • Автодизель ПАО (ЯМЗ)
  • Тутаевский МЗ
  • ЯЗДА
  • УралАЗ
  • МАЗ
  • АЗПИ
  • BOSCH
  • ММЗ
  • ШААЗ
  • FEDERAL MOGUL
  • ПРАМО
  • Мотордеталь
  • ТАИМ
  • АвтоКрАЗ
  • БЕЛКАРД
  • CZ Strakonice
  • КамАЗ
  • БЗА
  • ЧМЗ
  • BMZ
Новости
Все новости
25 марта 2024
Флагманский седельный тягач «Валдай 45» на выставке «TransRussia»
10 марта 2024
Современные автобусы «CITYMAX 9» и ЛиАЗ-5292 CNG
25 февраля 2024
Серийное производство средних дизельных двигателей повышенной мощности от ЯМЗ
Статьи
Все статьи
Датчики двигателя: за что они отвечают, признаки неисправности и как не прогадать с выбором
Двигатели ЯМЗ-534: история, технические характеристики и области применения
Двигатели ЯМЗ 650: углублённый технический обзор и история
Компания
О компании
Реквизиты
Новости
Политика
Магазины
Информация
Условия оплаты
Условия доставки
Гарантия на товар
Обмен и возврат товара
Помощь
Как оформить заказ
Полезные статьи
Бренды
Пункты выдачи
Оставайтесь на связи
  • Вконтакте
  • YouTube
  • Одноклассники
  • Google Plus
Увидели ошибку?
Выделите, нажав Ctrl + Enter
Наши контакты
8-800-700-35-68
sales@din76.ru
г. Ярославль, Ленинградский пр-т 33, ТЦ "ОМЕГА"
2026 © ООО «Динамика 76» - Все права защищены ООО "Динамика 76"
Предложения на сайте не являются публичной офертой.
На сайте обнаружена ошибка

Текст с ошибкой