Избранное 0 Корзина 0 Личный кабинет
logo
Каталог
Каталог
  • Справочник
    • Грузовые автомобили
    • Автобусы
    • Сельхозтехника
    • Спецтехника
    • Двигатели
  • Доставка
  • Оплата
  • О компании
    • Реквизиты
    • Магазины
    • Оплата
    • Доставка
    • Лицензии и сертификаты
    • Новости
    • Вакансии
  • Контакты
Отправить заявку
Личный кабинет
8 (800) 700-35-68
sales@din76.ru
Избранное 0 Корзина 0
8 (800) 700-35-68
Оптовый прайс-лист
Каталог
  • Двигатели
  • Запчасти WEICHAI
  • Запчасти ЯМЗ, ТМЗ (V-образные)
  • Запчасти ЯМЗ-534, ЯМЗ-536
  • Запчасти ЯМЗ-650, ЯМЗ-651, DCi-11
  • Топливная аппаратура
  • Запчасти УРАЛ
  • Запчасти МАЗ
  • Запчасти КамАЗ
  • Запчасти ММЗ
  • Ремни
Автокаталог (справочник)
  • Доставка
  • Оплата
  • О компании
  • Контакты
8 (800) 700-35-68
Написать в Whatsapp
sales@din76.ru
Динамика 76
Меню  
  • Каталог
    • Двигатели  
      • Двигатели ТМЗ  
        • Двигатели ТМЗ для автомобилей
        • Двигатели ТМЗ для тракторов
        • Специальные двигатели ТМЗ
        • Промышленные двигатели ТМЗ
      • Двигатели ЯМЗ  
        • ЯМЗ 236
        • ЯМЗ 238
        • ЯМЗ 240
        • ЯМЗ 751
        • ЯМЗ 840
        • ЯМЗ 850
        • ЯМЗ 656
        • ЯМЗ 658
        • ЯМЗ 534
        • ЯМЗ 536
        • ЯМЗ 650
        • Двигатели ЯМЗ для электростанций
      • Двигатели КАМАЗ
      • Двигатели ММЗ
      • Двигатели индивидуальной сборки
      • Комплекты переоборудования
    • Запчасти WEICHAI  
      • Основные запчасти двигателя  
        • Клапаны и толкатели
        • Шатуны
        • Вал коленчатый и маховик
        • Вал распределительный
        • Цилиндро-поршневая группа
      • Система питания  
        • Форсунки
        • Турбокомпрессор
      • Система смазки  
        • Насос масляный
      • Головка блока
      • Ремкомплекты
      • Система охлаждения  
        • Насос водяной
        • Муфта вязкостная и крыльчатка
      • Фильтры
      • Электрооборудование  
        • Генератор
        • Стартер
    • Запчасти ЯМЗ, ТМЗ (V-образные)  
      • Основные запчасти двигателя  
        • Блок двигателя и комплектующие
        • Валы распределительные и клапаны
        • Головка блока и комплектующие
        • Цилиндро-поршневая группа
        • Маховики и комплектующие
        • Валы коленчатые и комплектующие
        • Шатуны и комплектующие
      • Система питания  
        • Коллекторы и патрубки
        • Топливные трубопроводы
        • Турбокомпрессор
        • Топливные фильтры
      • Электрооборудование двигателя
      • Система охлаждения  
        • Вязкостные муфты и крыльчатки
        • Приводы вентилятора
        • Водяные насосы
        • Водяные трубы и термостаты
      • Коробки переключения передач  
        • 8 Ступенчатые КПП
        • 5 Ступенчатые КПП
        • 9 Ступенчатые КПП
        • Запасные части КПП ЯМЗ, ТМЗ
      • Система смазки  
        • Теплообменник и комплектующие
        • Масляные насосы
        • Фильтры масляные (ФГОМ, ФЦОМ)
      • Сцепление  
        • Запасные части механизма сцепления
        • Муфты (подшипники выжимные)
        • Корзины (диски нажимные)
        • Диски ведомые
      • Прочие запчасти двигателя  
        • Ремкомплекты
        • Привод агрегатов
        • Натяжные устройства
        • Трубки
    • Запчасти ЯМЗ-534, ЯМЗ-536  
      • Основные запчасти двигателя  
        • Цилиндро-поршневая группа
        • Головка блока цилиндров и комплектующие
        • Блок цилиндров и комплектующие
        • Вал коленчатый и маховик
        • Вал распределительный
        • Клапаны и толкатели
        • ГУР (Гидроусилитель руля)
        • Система рециркуляции отработавших газов
        • Выпускной коллектор
      • Система питания  
        • Коллекторы и патрубки
        • Топливные фильтры
        • Турбокомпрессор
        • Топливные трубопроводы
      • Система смазки  
        • Масляный картер поддон
        • Масляный насос
        • Теплообменник /Водо-масляный радиатор
        • Фильтры масляные (ФГОМ, ФЦОМ)
      • Пневмокомпрессор и натяжное
      • Система охлаждения  
        • Водяной насос
        • Водяные трубы и патрубки
        • Муфты вязкостные, приводы, крыльчатки
      • Ремкомплекты
      • Сцепление
      • Электрооборудование
    • Запчасти ЯМЗ-650, ЯМЗ-651, DCi-11  
      • Основные запчасти двигателя  
        • Цилиндро-поршневая группа
        • Головка блока цилиндров и комплектующие
        • Блок цилиндров и комплектующие
        • Вал коленчатый и маховик
        • Выпускной коллектор
        • Вал распределительный
        • Клапаны и толкатели
        • ГУР (Гидроусилитель руля)
        • Система рециркуляции отработавших газов
      • Система питания  
        • Коллекторы и патрубки
        • Топливные трубопроводы
        • Топливные фильтры
        • Турбокомпрессор
      • Система смазки  
        • Масляный картер / поддон
        • Масляный насос
        • Теплообменник / Водо-масляный радиатор
        • Фильтры масляные (ФГОМ, ФЦОМ)
      • Система охлаждения  
        • Водяной насос
        • Водяные трубы и патрубки
        • Муфты вязкостные, приводы, крыльчатки
      • Ремкомплекты
      • Пневмокомпрессор и натяжное
      • Электрооборудование
      • Сцепление
    • Топливная аппаратура  
      • ЯЗДА  
        • Распылители
        • ТНВД
        • Форсунки
        • Топливный насос низкого давления
        • Пары плунжерные
        • Муфта опережения впрыска топлива
        • Запчасти и комплектующие ТНВД
      • НЗТА
      • АЗПИ  
        • Распылители
        • Форсунки
      • BOSCH
    • Запчасти УРАЛ  
      • Трансмиссия  
        • Коробка раздаточная
        • Передача карданная
        • Мост задний
        • Мост передний (ведущий)
        • Мост средний (промежуточный)
      • Кузов  
        • Дверь кабины
        • Капот, крылья, облицовка радиатора
        • Окно ветровое и заднее
        • Отопление и вентиляция кабины
        • Кабина
      • Механизмы управления  
        • Управление рулевое
        • Тормоза
      • Дополнительное оборудование  
        • Отбор мощности
        • Устройство седельное
      • Электрооборудование
      • Ходовая часть  
        • Колеса и ступицы
        • Ось передняя
        • Подвеска автомобиля
        • Рама
    • Запчасти МАЗ  
      • Трансмиссия  
        • Мост задний
        • Мост передний (ведущий)
        • Передача карданная
        • Мост средний (промежуточный)
      • Кузов  
        • Кабина
        • Дверь кабины
        • Детали основания кабины
        • Окно ветровое и заднее
        • Платформа
      • Механизмы управления  
        • Тормоза
        • Управление рулевое
      • Ходовая часть  
        • Колеса и ступицы
        • Ось передняя
        • Подвеска автомобиля
        • Рама
    • Запчасти КамАЗ  
      • Кузов  
        • Кабина
        • Капот, крылья, облицовка радиатора
        • Дверь кабины
        • Платформа
        • Окно ветровое и заднее
        • Устройство подъемное и опрокидывающее
        • Сиденье
        • Крыша кабины (крыша кузова)
        • Отопление и вентиляция кабины
      • Трансмиссия  
        • Коробка передач
        • Коробка раздаточная
        • Мост задний
        • Сцепление
        • Мост средний (промежуточный)
        • Передача карданная
        • Мост передний (ведущий)
      • Двигатель  
        • Основные запчасти двигателя
        • Система охлаждения
        • Система питания
        • Система смазки
      • Дополнительное оборудование  
        • Отбор мощности
        • Устройство седельное
      • Ходовая часть  
        • Подвеска автомобиля
        • Рама
        • Колеса и ступицы
        • Ось передняя
      • Механизмы управления  
        • Тормоза
        • Управление рулевое
      • Электрооборудование
    • Запчасти ММЗ
    • Ремни
  • Справочник
    • Грузовые автомобили
    • Автобусы
    • Сельхозтехника
    • Спецтехника
    • Двигатели
  • Как купить
    • Условия оплаты
    • Условия доставки
    • Гарантия на товар
    • Пункты выдачи
  • Услуги
    • Капитальный ремонт двигателей ЯМЗ
  • Акции
  • Статьи
  • Контакты
  • Компания
    • Реквизиты
    • Магазины
    • Оплата
    • Доставка
    • Лицензии и сертификаты
    • Новости
    • Вакансии
Избранное 0 Корзина 0
8-800-700-35-68

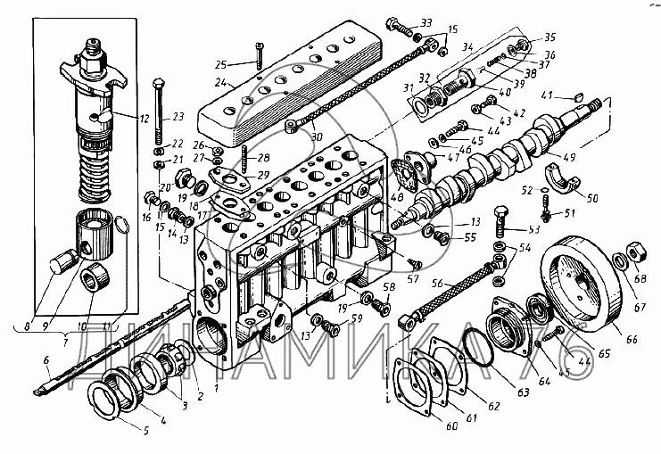
Топливный насос высокого давления на Дизели ТМЗ-8421 - 85227 (до 2007 г.)

Справочник
Главная
-
Автокаталог
-
Двигатели
-
ТМЗ
-
Дизели ТМЗ-8421 - 85227
Справочный каталог

Топливный насос высокого давления — Дизели ТМЗ-8421 - 85227:

17.1111005 17.1111005-10 17.1111005-20 17.1111005-30 17.1111005-40 171.1111005 171.1111005-10 171.1111005-20 171.1111005-30 171.1111005-40 171.1111005-50 1 2 3 4 5 6 7 8 9 10 11 12 13 13 13 14 15 15 16 17 18 19 19 20 21 22 23 24 25 26 27 28 29 30 31 32 33 34 35 36 37 38 38 39 40 41 42 43 44 44 45 45 46 47 48 49 50 51 52 53 54 55 56 57 58 59 60 61 62 63 64 65 66 67 68
в наличии
нет в наличии
масштаб

В наличии
Нет в наличии

Перечень комплектующих от Топливный насос высокого давления на Дизели ТМЗ-8421 - 85227

Схемы запчастей предназначены для справочных целей! Мы продаем не все запчасти от Топливный насос высокого давления на Дизели ТМЗ-8421 - 85227, представленные в этом списке.
Наличие на складах по деталям с ценой смотрите в карточке товара.
Артикул: 17-1111005
нет в наличии
Топливный насос высокого давления в сборе
Количество на схеме: 1
Информация
Топливный насос высокого давления в сборе
Количество
1
Примечание
33
Модель
17
Группа
Cистема питания двигателя
Подгруппа
Насос топливный высокого давления
Порядковый номер детали
005
Артикул: 17-1111005-10
нет в наличии
Топливный насос высокого давления в сборе
Количество на схеме: 1
Информация
Топливный насос высокого давления в сборе
Количество
1
Примечание
33
Модель
17
Группа
Cистема питания двигателя
Подгруппа
Насос топливный высокого давления
Порядковый номер детали
005
Дополнительно
Не взаимозаменяема с деталью, выпущенной ранее под этим же номером
Артикул: 17-1111005-20
нет в наличии
Топливный насос высокого давления в сборе
Количество на схеме: 1
Информация
Топливный насос высокого давления в сборе
Количество
1
Примечание
33
Модель
17
Группа
Cистема питания двигателя
Подгруппа
Насос топливный высокого давления
Порядковый номер детали
005
Дополнительно
Не взаимозаменяема с деталью, выпущенной ранее под этим же номером
Артикул: 17-1111005-30
нет в наличии
Топливный насос высокого давления в сборе
Количество на схеме: 1
Информация
Топливный насос высокого давления в сборе
Количество
1
Примечание
33
Модель
17
Группа
Cистема питания двигателя
Подгруппа
Насос топливный высокого давления
Порядковый номер детали
005
Дополнительно
Не взаимозаменяема с деталью, выпущенной ранее под этим же номером
Артикул: 17-1111005-40
нет в наличии
Топливный насос высокого давления в сборе
Количество на схеме: 1
Информация
Топливный насос высокого давления в сборе
Количество
1
Примечание
33
Модель
17
Группа
Cистема питания двигателя
Подгруппа
Насос топливный высокого давления
Порядковый номер детали
005
Дополнительно
Не взаимозаменяема с деталью, выпущенной ранее под этим же номером
Артикул: 171-1111005
нет в наличии
Топливный насос высокого давления в сборе
Количество на схеме: 1
Информация
Топливный насос высокого давления в сборе
Количество
1
Примечание
33
Модель
171
Группа
Cистема питания двигателя
Подгруппа
Насос топливный высокого давления
Порядковый номер детали
005
Артикул: 171-1111005-10
в наличии
Топливный насос высокого давления в сборе
Количество на схеме: 1
Информация
Топливный насос высокого давления в сборе
Количество
1
Примечание
33
Модель
171
Группа
Cистема питания двигателя
Подгруппа
Насос топливный высокого давления
Порядковый номер детали
005
Дополнительно
Не взаимозаменяема с деталью, выпущенной ранее под этим же номером
ТНВД ТМЗ-8481.10/.10-01/-8423.10/-8482.10/-01 вм. 423., -10, -20, -30 ЯЗДА
Артикул: 171-1111005-10
ТНВД ТМЗ-8481.10/.10-01/-8423.10/-8482.10/-01 вм. 423., -10, -20, -30 ЯЗДА
Код для заказа: 00001215
Цена: 99 273 ₽/шт.
Под заказ
ТНВД ТМЗ-8481.10/.10-01/-8423.10/-8482.10/-01 вм. 423., -10, -20, -30 ЯЗДА
Артикул: 171-1111005-10
Код для заказа: 00001215
ТНВД ТМЗ-8481.10/.10-01/-8423.10/-8482.10/-01 вм. 423., -10, -20, -30 ЯЗДА
Цена: 99 273 ₽/шт.
Под заказ
Артикул: 171-1111005-20
нет в наличии
Топливный насос высокого давления в сборе
Количество на схеме: 1
Информация
Топливный насос высокого давления в сборе
Количество
1
Примечание
33
Модель
171
Группа
Cистема питания двигателя
Подгруппа
Насос топливный высокого давления
Порядковый номер детали
005
Дополнительно
Не взаимозаменяема с деталью, выпущенной ранее под этим же номером
Артикул: 171-1111005-30
нет в наличии
Топливный насос высокого давления в сборе
Количество на схеме: 1
Информация
Топливный насос высокого давления в сборе
Количество
1
Примечание
33
Модель
171
Группа
Cистема питания двигателя
Подгруппа
Насос топливный высокого давления
Порядковый номер детали
005
Дополнительно
Не взаимозаменяема с деталью, выпущенной ранее под этим же номером
Артикул: 171-1111005-40
нет в наличии
Топливный насос высокого давления в сборе
Количество на схеме: 1
Информация
Топливный насос высокого давления в сборе
Количество
1
Примечание
33
Модель
171
Группа
Cистема питания двигателя
Подгруппа
Насос топливный высокого давления
Порядковый номер детали
005
Дополнительно
Не взаимозаменяема с деталью, выпущенной ранее под этим же номером
Артикул: 171-1111005-50
нет в наличии
Топливный насос высокого давления в сборе
Количество на схеме: 1
Информация
Топливный насос высокого давления в сборе
Количество
1
Примечание
33
Модель
171
Группа
Cистема питания двигателя
Подгруппа
Насос топливный высокого давления
Порядковый номер детали
005
Дополнительно
Не взаимозаменяема с деталью, выпущенной ранее под этим же номером
1
1
Артикул: 17-1111021
нет в наличии
Корпус топливного насоса с втулками рейки
Количество на схеме: 1
Информация
Корпус топливного насоса с втулками рейки
Количество
1
Модель
17
Группа
Cистема питания двигателя
Подгруппа
Насос топливный высокого давления
Порядковый номер детали
021
2
2
Артикул: 42-1111087
нет в наличии
Шайба дистанционная
Количество на схеме: 2
Информация
Шайба дистанционная
Количество
2
Модель
42
Группа
Cистема питания двигателя
Подгруппа
Насос топливный высокого давления
Порядковый номер детали
087
3
3
Артикул: 6-7506А
нет в наличии
Подшипник кулачкового вала
Количество на схеме: 2
Информация
Подшипник кулачкового вала
Количество
2
4
4
Артикул: 42-1111077
нет в наличии
Втулка подшипника
Количество на схеме: 1
Информация
Втулка подшипника
Количество
1
Модель
42
Группа
Cистема питания двигателя
Подгруппа
Насос топливный высокого давления
Порядковый номер детали
077
5
5
Артикул: 42-1111082
нет в наличии
Кольцо упорное
Количество на схеме: 1
Информация
Кольцо упорное
Количество
1
Модель
42
Группа
Cистема питания двигателя
Подгруппа
Насос топливный высокого давления
Порядковый номер детали
082
6
6
Артикул: 42-1111181-02
нет в наличии
Рейка насоса
Количество на схеме: 1
Информация
Рейка насоса
Количество
1
Модель
42
Группа
Cистема питания двигателя
Подгруппа
Насос топливный высокого давления
Порядковый номер детали
181
7
7
Артикул: 17-1111110
в наличии
Толкатель плунжера в сборе
Количество на схеме: 8
Информация
Толкатель плунжера в сборе
Количество
8
Модель
17
Группа
Cистема питания двигателя
Подгруппа
Насос топливный высокого давления
Порядковый номер детали
110
Толкатель плунжера (ЯЗДА)
Артикул: 17-1111110
Толкатель плунжера (ЯЗДА)
Код для заказа: 00001503
Цена: 1 639 ₽/шт.
Под заказ
Толкатель плунжера (ЯЗДА)
Артикул: 17-1111110
Код для заказа: 00001503
Толкатель плунжера (ЯЗДА)
Цена: 1 639 ₽/шт.
Под заказ
8
8
Артикул: 42-1111124
нет в наличии
Ось ролика
Количество на схеме: 8
Информация
Ось ролика
Количество
8
Модель
42
Группа
Cистема питания двигателя
Подгруппа
Насос топливный высокого давления
Порядковый номер детали
124
9
9
Артикул: 17-1111114
нет в наличии
Толкатель плунжера
Количество на схеме: 8
Информация
Толкатель плунжера
Количество
8
Модель
17
Группа
Cистема питания двигателя
Подгруппа
Насос топливный высокого давления
Порядковый номер детали
114
10
10
Артикул: 17-1111118
нет в наличии
Ролик толкателя
Количество на схеме: 8
Информация
Ролик толкателя
Количество
8
Модель
17
Группа
Cистема питания двигателя
Подгруппа
Насос топливный высокого давления
Порядковый номер детали
118
11
11
Артикул: 17-1111115
нет в наличии
Кольцо стопорное
Количество на схеме: 8
Информация
Кольцо стопорное
Количество
8
Модель
17
Группа
Cистема питания двигателя
Подгруппа
Насос топливный высокого давления
Порядковый номер детали
115
12
12
Артикул: 17-1111130
нет в наличии
Секция топливного насоса (в сборе)
Количество на схеме: 8
Информация
Секция топливного насоса (в сборе)
Количество
8
Модель
17
Группа
Cистема питания двигателя
Подгруппа
Насос топливный высокого давления
Порядковый номер детали
130
13
13
Артикул: 852619-П
нет в наличии
Шайба
Количество на схеме: 3
Информация
Шайба
Количество
3
Покрытие
без покрытия
14
14
Артикул: 42-1111902
нет в наличии
Ввертыш
Количество на схеме: 1
Информация
Ввертыш
Количество
1
Модель
42
Группа
Cистема питания двигателя
Подгруппа
Насос топливный высокого давления
Порядковый номер детали
902
15
15
Артикул: 312482-П
нет в наличии
Прокладка
Количество на схеме: 5
Информация
Прокладка
Количество
5
Покрытие
без покрытия
16
16
Артикул: 316126-П29
нет в наличии
Пробка
Количество на схеме: 1
Информация
Пробка
Количество
1
Покрытие
цинкование и пассивирование (цинковое с хроматированием)
17
17
Артикул: 42-1111386
нет в наличии
Прокладка регулировочная
Количество на схеме: 32
Информация
Прокладка регулировочная
Количество
32
Примечание
36
Модель
42
Группа
Cистема питания двигателя
Подгруппа
Насос топливный высокого давления
Порядковый номер детали
386
18
18
Артикул: 42-1111385-01
нет в наличии
Прокладка регулировочная
Количество на схеме: 48
Информация
Прокладка регулировочная
Количество
48
Примечание
36
Модель
42
Группа
Cистема питания двигателя
Подгруппа
Насос топливный высокого давления
Порядковый номер детали
385
19
19
Артикул: 312768-П
в наличии
Прокладка
Количество на схеме: 3
Информация
Прокладка
Количество
3
Покрытие
без покрытия
ПРОКЛАДКА (ЯМЗ)
Артикул: 312768-П
ПРОКЛАДКА (ЯМЗ)
Код для заказа: 00003029
Цена: 123 ₽/шт.
Под заказ
ПРОКЛАДКА (ЯМЗ)
Артикул: 312768-П
Код для заказа: 00003029
ПРОКЛАДКА (ЯМЗ)
Цена: 123 ₽/шт.
Под заказ
20
20
Артикул: 316186-П29
нет в наличии
Пробка
Количество на схеме: 1
Информация
Пробка
Количество
1
Покрытие
цинкование и пассивирование (цинковое с хроматированием)
21
21
Артикул: 312355-П29
нет в наличии
Шайба
Количество на схеме: 4
Информация
Шайба
Количество
4
Покрытие
цинкование и пассивирование (цинковое с хроматированием)
22
22
Артикул: 252136-П2
в наличии
Шайба 10.ОТ
Количество на схеме: 4
Информация
Шайба 10.ОТ
Количество
4
Покрытие
фосфатирование и промасливание
Шайба 10.2х2.5 пружинная цинк ЭТНА
Артикул: 252136-П2
Шайба 10.2х2.5 пружинная цинк ЭТНА
Код для заказа: 00062958
Цена: 10 ₽/шт.
Под заказ
Шайба 10.2х2.5 пружинная цинк ЭТНА
Артикул: 252136-П2
Код для заказа: 00062958
Шайба 10.2х2.5 пружинная цинк ЭТНА
Цена: 10 ₽/шт.
Под заказ
Шайба гроверная 17,1х10,1х3,5
Артикул: 252136-П2
Шайба гроверная 17,1х10,1х3,5
Код для заказа: 00006018
Цена: 10 ₽/шт.
Под заказ
Шайба гроверная 17,1х10,1х3,5
Артикул: 252136-П2
Код для заказа: 00006018
Шайба гроверная 17,1х10,1х3,5
Цена: 10 ₽/шт.
Под заказ
23
23
Артикул: 200461-П29
в наличии
Болт М10х90
Количество на схеме: 4
Информация
Болт М10х90
Количество
4
Покрытие
цинкование и пассивирование (цинковое с хроматированием)
Болт М10х1.25х80 крепления ТНВД (Е2) АВТОДИЗЕЛЬ
Артикул: 200461-П29
Болт М10х1.25х80 крепления ТНВД (Е2) АВТОДИЗЕЛЬ
Код для заказа: 00002855
Цена: 164 ₽/шт.
Под заказ
Болт М10х1.25х80 крепления ТНВД (Е2) АВТОДИЗЕЛЬ
Артикул: 200461-П29
Код для заказа: 00002855
Болт М10х1.25х80 крепления ТНВД (Е2) АВТОДИЗЕЛЬ
Цена: 164 ₽/шт.
Под заказ
24
24
Артикул: 42-1111412
нет в наличии
Крышка защитная
Количество на схеме: 1
Информация
Крышка защитная
Количество
1
Модель
42
Группа
Cистема питания двигателя
Подгруппа
Насос топливный высокого давления
Порядковый номер детали
412
25
25
Артикул: 42-1111414
нет в наличии
Винт крепления крышки
Количество на схеме: 4
Информация
Винт крепления крышки
Количество
4
Модель
42
Группа
Cистема питания двигателя
Подгруппа
Насос топливный высокого давления
Порядковый номер детали
414
26
26
Артикул: 250517-П29
в наличии
Гайка М10х1,25-6Н
Количество на схеме: 16
Информация
Гайка М10х1,25-6Н
Количество
16
Покрытие
цинкование и пассивирование (цинковое с хроматированием)
ГАЙКА М10Х1,25 (ЯМЗ)
Артикул: 250517-П29
ГАЙКА М10Х1,25 (ЯМЗ)
Код для заказа: 00006010
Цена: 13 ₽/шт.
Под заказ
ГАЙКА М10Х1,25 (ЯМЗ)
Артикул: 250517-П29
Код для заказа: 00006010
ГАЙКА М10Х1,25 (ЯМЗ)
Цена: 13 ₽/шт.
Под заказ
27
27
Артикул: 252156-П29
нет в наличии
Шайба 10. Л
Количество на схеме: 16
Информация
Шайба 10. Л
Количество
16
Покрытие
цинкование и пассивирование (цинковое с хроматированием)
28
28
Артикул: 852301
нет в наличии
Шпилька
Количество на схеме: 16
Информация
Шпилька
Количество
16
Покрытие
без покрытия
29
29
Артикул: 17-1111375
нет в наличии
Фланец нажимной
Количество на схеме: 8
Информация
Фланец нажимной
Количество
8
Модель
17
Группа
Cистема питания двигателя
Подгруппа
Насос топливный высокого давления
Порядковый номер детали
375
30
30
Артикул: 8421-1111538
нет в наличии
Трубка подвода воздуха
Количество на схеме: 1
Информация
Трубка подвода воздуха
Количество
1
Модель
8421
Группа
Cистема питания двигателя
Подгруппа
Насос топливный высокого давления
Порядковый номер детали
538
31
31
Артикул: 312630-П
в наличии
Прокладка 20х24х1,5
Количество на схеме: 1
Информация
Прокладка 20х24х1,5
Количество
1
Покрытие
без покрытия
Шайба 20.3х24.0х1.5 ЯМЗ клапана перепускного ФТОТ медная
Артикул: 312630-П
Шайба 20.3х24.0х1.5 ЯМЗ клапана перепускного ФТОТ медная
Код для заказа: 00003012
Цена: 58 ₽/шт.
В наличии: 1 шт.
- +
В корзинуВ корзине
Шайба 20.3х24.0х1.5 ЯМЗ клапана перепускного ФТОТ медная
Артикул: 312630-П
Код для заказа: 00003012
Шайба 20.3х24.0х1.5 ЯМЗ клапана перепускного ФТОТ медная
Цена: 58 ₽/шт.
В наличии: 1 шт.
- +
В корзинуВ корзине
32
32
Артикул: 42-1111032
нет в наличии
Ввертыш экранированный
Количество на схеме: 1
Информация
Ввертыш экранированный
Количество
1
Модель
42
Группа
Cистема питания двигателя
Подгруппа
Насос топливный высокого давления
Порядковый номер детали
032
33
33
Артикул: 310122-П29
в наличии
Болт М10х1х22
Количество на схеме: 2
Информация
Болт М10х1х22
Количество
2
Покрытие
цинкование и пассивирование (цинковое с хроматированием)
Болт-штуцер М10х1.0х21 МАЗ крепления трубки дренажной к ТНВД АВТОДИЗЕЛЬ
Артикул: 310122-П29
Болт-штуцер М10х1.0х21 МАЗ крепления трубки дренажной к ТНВД АВТОДИЗЕЛЬ
Код для заказа: 00002927
Цена: 171 ₽/шт.
Под заказ
Болт-штуцер М10х1.0х21 МАЗ крепления трубки дренажной к ТНВД АВТОДИЗЕЛЬ
Артикул: 310122-П29
Код для заказа: 00002927
Болт-штуцер М10х1.0х21 МАЗ крепления трубки дренажной к ТНВД АВТОДИЗЕЛЬ
Цена: 171 ₽/шт.
Под заказ
34
34
Артикул: 6007-1111282-01
нет в наличии
Клапан перепускной (в сборе)
Количество на схеме: 1
Информация
Клапан перепускной (в сборе)
Количество
1
Модель
6007
Группа
Cистема питания двигателя
Подгруппа
Насос топливный высокого давления
Порядковый номер детали
282
35
35
Артикул: 852893-П15
нет в наличии
Пробка клапана
Количество на схеме: 1
Информация
Пробка клапана
Количество
1
Покрытие
оксидирование (окисное)
36
36
Артикул: 852205
в наличии
Прокладка
Количество на схеме: 1
Информация
Прокладка
Количество
1
Покрытие
без покрытия
Шайба 10.0х14.0х1.5 КАМАЗ,ЯМЗ медная (плоская)
Артикул: 852205
Шайба 10.0х14.0х1.5 КАМАЗ,ЯМЗ медная (плоская)
Код для заказа: 00062946
Цена: 9 ₽/шт.
Под заказ
Шайба 10.0х14.0х1.5 КАМАЗ,ЯМЗ медная (плоская)
Артикул: 852205
Код для заказа: 00062946
Шайба 10.0х14.0х1.5 КАМАЗ,ЯМЗ медная (плоская)
Цена: 9 ₽/шт.
Под заказ
37
37
Артикул: 852210
нет в наличии
Шайба регулировочная
Количество на схеме: 4
Информация
Шайба регулировочная
Количество
4
Примечание
36
Покрытие
без покрытия
38
38
Артикул: 60-1111289-10
нет в наличии
Пружина клапана
Количество на схеме: 1
Информация
Пружина клапана
Количество
1
Модель
60
Группа
Cистема питания двигателя
Подгруппа
Насос топливный высокого давления
Порядковый номер детали
289
Дополнительно
Не взаимозаменяема с деталью, выпущенной ранее под этим же номером
38
38
Артикул: 60-1111289-12
нет в наличии
Пружина клапана
Количество на схеме: 1
Информация
Пружина клапана
Количество
1
Модель
60
Группа
Cистема питания двигателя
Подгруппа
Насос топливный высокого давления
Порядковый номер детали
289
Дополнительно
Не взаимозаменяема с деталью, выпущенной ранее под этим же номером
39
39
Артикул: 60-1111152
нет в наличии
Клапан
Количество на схеме: 1
Информация
Клапан
Количество
1
Модель
60
Группа
Cистема питания двигателя
Подгруппа
Насос топливный высокого давления
Порядковый номер детали
152
40
40
Артикул: 6007-1111285-10
нет в наличии
Корпус клапана
Количество на схеме: 1
Информация
Корпус клапана
Количество
1
Модель
6007
Группа
Cистема питания двигателя
Подгруппа
Насос топливный высокого давления
Порядковый номер детали
285
Дополнительно
Не взаимозаменяема с деталью, выпущенной ранее под этим же номером
41
41
Артикул: 852802
нет в наличии
Шпонка сегментная
Количество на схеме: 1
Информация
Шпонка сегментная
Количество
1
Покрытие
без покрытия
42
42
Артикул: 201420-П15
нет в наличии
Болт М6х20
Количество на схеме: 1
Информация
Болт М6х20
Количество
1
Покрытие
оксидирование (окисное)
43
43
Артикул: 250608-П15
нет в наличии
Гайка М6
Количество на схеме: 1
Информация
Гайка М6
Количество
1
Покрытие
оксидирование (окисное)
44
44
Артикул: 201458-П29
в наличии
Болт М8-6gх25
Количество на схеме: 2
Информация
Болт М8-6gх25
Количество
2
Покрытие
цинкование и пассивирование (цинковое с хроматированием)
Болт М8х1.25х25 ЗИЛ-433360 кронштейна радиатора масляного, ГАЗ-2410 крепление ГЦС ЭТНА
Артикул: 201458-П29
Болт М8х1.25х25 ЗИЛ-433360 кронштейна радиатора масляного, ГАЗ-2410 крепление ГЦС ЭТНА
Код для заказа: 00023015
Цена: 9 ₽/шт.
Под заказ
Болт М8х1.25х25 ЗИЛ-433360 кронштейна радиатора масляного, ГАЗ-2410 крепление ГЦС ЭТНА
Артикул: 201458-П29
Код для заказа: 00023015
Болт М8х1.25х25 ЗИЛ-433360 кронштейна радиатора масляного, ГАЗ-2410 крепление ГЦС ЭТНА
Цена: 9 ₽/шт.
Под заказ
45
45
Артикул: 252135-П2
в наличии
Шайба 8.Т
Количество на схеме: 2
Информация
Шайба 8.Т
Количество
2
Покрытие
фосфатирование и промасливание
Шайба 8х2.5 ЯМЗ заглушки блока цилиндров АВТОДИЗЕЛЬ
Артикул: 252135-П2
Шайба 8х2.5 ЯМЗ заглушки блока цилиндров АВТОДИЗЕЛЬ
Код для заказа: 00006017
Цена: 3 ₽/шт.
Под заказ
Шайба 8х2.5 ЯМЗ заглушки блока цилиндров АВТОДИЗЕЛЬ
Артикул: 252135-П2
Код для заказа: 00006017
Шайба 8х2.5 ЯМЗ заглушки блока цилиндров АВТОДИЗЕЛЬ
Цена: 3 ₽/шт.
Под заказ
46
46
Артикул: 312700-П29
нет в наличии
Шайба
Количество на схеме: 2
Информация
Шайба
Количество
2
Покрытие
цинкование и пассивирование (цинковое с хроматированием)
47
47
Артикул: 42-1111186
в наличии
Крышка рейки
Количество на схеме: 1
Информация
Крышка рейки
Количество
1
Модель
42
Группа
Cистема питания двигателя
Подгруппа
Насос топливный высокого давления
Порядковый номер детали
186
Крышка (ЯЗДА)
Артикул: 42-1111186
Крышка (ЯЗДА)
Код для заказа: 00002092
Цена: 449 ₽/шт.
Под заказ
Крышка (ЯЗДА)
Артикул: 42-1111186
Код для заказа: 00002092
Крышка (ЯЗДА)
Цена: 449 ₽/шт.
Под заказ
48
48
Артикул: 421-1111869-10
нет в наличии
Прокладка
Количество на схеме: 1
Информация
Прокладка
Количество
1
Модель
421
Группа
Cистема питания двигателя
Подгруппа
Насос топливный высокого давления
Порядковый номер детали
869
Дополнительно
Не взаимозаменяема с деталью, выпущенной ранее под этим же номером
49
49
Артикул: 17-1111055
в наличии
Вал кулачковый
Количество на схеме: 1
Информация
Вал кулачковый
Количество
1
Модель
17
Группа
Cистема питания двигателя
Подгруппа
Насос топливный высокого давления
Порядковый номер детали
055
Вал кулачковый ТНВД 17,171 ЯЗДА
Артикул: 17-1111055
Вал кулачковый ТНВД 17,171 ЯЗДА
Код для заказа: 00001104
Цена: 6 746 ₽/шт.
Под заказ
Вал кулачковый ТНВД 17,171 ЯЗДА
Артикул: 17-1111055
Код для заказа: 00001104
Вал кулачковый ТНВД 17,171 ЯЗДА
Цена: 6 746 ₽/шт.
Под заказ
50
50
Артикул: 42-1111063-10
нет в наличии
Опора кулачкового вала
Количество на схеме: 2
Информация
Опора кулачкового вала
Количество
2
Модель
42
Группа
Cистема питания двигателя
Подгруппа
Насос топливный высокого давления
Порядковый номер детали
063
Дополнительно
Не взаимозаменяема с деталью, выпущенной ранее под этим же номером
51
51
Артикул: 42-1111065
нет в наличии
Болт опоры кулачкового вала
Количество на схеме: 4
Информация
Болт опоры кулачкового вала
Количество
4
Модель
42
Группа
Cистема питания двигателя
Подгруппа
Насос топливный высокого давления
Порядковый номер детали
065
52
52
Артикул: 2531112015
нет в наличии
Кольцо 007-010-19-2-1
Количество на схеме: 4
Информация
Кольцо 007-010-19-2-1
Количество
4
Группа
Мост средний
Подгруппа
2531
Порядковый номер детали
112
Дополнительно
Не взаимозаменяема с деталью, выпущенной ранее под этим же номером
53
53
Артикул: 310264-П29
в наличии
Болт М16х1,5х37
Количество на схеме: 2
Информация
Болт М16х1,5х37
Количество
2
Покрытие
цинкование и пассивирование (цинковое с хроматированием)
БОЛТ М16Х1.5Х37 (ЯМЗ)
Артикул: 310264-П29
БОЛТ М16Х1.5Х37 (ЯМЗ)
Код для заказа: 00002943
Цена: 430 ₽/шт.
Под заказ
БОЛТ М16Х1.5Х37 (ЯМЗ)
Артикул: 310264-П29
Код для заказа: 00002943
БОЛТ М16Х1.5Х37 (ЯМЗ)
Цена: 430 ₽/шт.
Под заказ
54
54
Артикул: 201-1015624
в наличии
Шайба уплотнительная 16х22х2
Количество на схеме: 4
Информация
Шайба уплотнительная 16х22х2
Количество
4
Модель
201
Группа
Двигатель
Подгруппа
Подогреватель пусковой двигателя
Порядковый номер детали
624
Прокладка пробка ФГОТ
Артикул: 201-1015624
Прокладка пробка ФГОТ
Код для заказа: 00008466
Цена: 95 ₽/шт.
Под заказ
Прокладка пробка ФГОТ
Артикул: 201-1015624
Код для заказа: 00008466
Прокладка пробка ФГОТ
Цена: 95 ₽/шт.
Под заказ
55
55
Артикул: 42-1111905
нет в наличии
Ввертыш
Количество на схеме: 1
Информация
Ввертыш
Количество
1
Модель
42
Группа
Cистема питания двигателя
Подгруппа
Насос топливный высокого давления
Порядковый номер детали
905
56
56
Артикул: 842-1111570
нет в наличии
Трубка
Количество на схеме: 1
Информация
Трубка
Количество
1
Модель
842
Группа
Cистема питания двигателя
Подгруппа
Насос топливный высокого давления
Порядковый номер детали
570
57
57
Артикул: 310952-П29
нет в наличии
Винт стопорный
Количество на схеме: 1
Информация
Винт стопорный
Количество
1
Покрытие
цинкование и пассивирование (цинковое с хроматированием)
58
58
Артикул: 316617-П29
нет в наличии
Ввертыш
Количество на схеме: 2
Информация
Ввертыш
Количество
2
Покрытие
цинкование и пассивирование (цинковое с хроматированием)
59
59
Артикул: 316619-П29
нет в наличии
Ввертыш
Количество на схеме: 1
Информация
Ввертыш
Количество
1
Покрытие
цинкование и пассивирование (цинковое с хроматированием)
60
60
Артикул: 42-1111080
нет в наличии
Прокладка регулировочная
Количество на схеме: 1
Информация
Прокладка регулировочная
Количество
1
Модель
42
Группа
Cистема питания двигателя
Подгруппа
Насос топливный высокого давления
Порядковый номер детали
080
61
61
Артикул: 42-1111079
нет в наличии
Прокладка регулировочная
Количество на схеме: 7
Информация
Прокладка регулировочная
Количество
7
Примечание
36
Модель
42
Группа
Cистема питания двигателя
Подгруппа
Насос топливный высокого давления
Порядковый номер детали
079
62
62
Артикул: 42-1111078
нет в наличии
Прокладка регулировочная
Количество на схеме: 3
Информация
Прокладка регулировочная
Количество
3
Примечание
36
Модель
42
Группа
Cистема питания двигателя
Подгруппа
Насос топливный высокого давления
Порядковый номер детали
078
63
63
Артикул: 2531112181
нет в наличии
Кольцо 068-074-36-2-1
Количество на схеме: 1
Информация
Кольцо 068-074-36-2-1
Количество
1
Группа
Мост средний
Подгруппа
2531
Порядковый номер детали
112
Дополнительно
Не взаимозаменяема с деталью, выпущенной ранее под этим же номером
64
64
Артикул: 172-1111072
нет в наличии
Крышка подшипника
Количество на схеме: 1
Информация
Крышка подшипника
Количество
1
Модель
172
Группа
Cистема питания двигателя
Подгруппа
Насос топливный высокого давления
Порядковый номер детали
072
65
65
Артикул: 42-1111090
нет в наличии
Манжета
Количество на схеме: 1
Информация
Манжета
Количество
1
Модель
42
Группа
Cистема питания двигателя
Подгруппа
Насос топливный высокого давления
Порядковый номер детали
090
66
66
Артикул: 42-1111332-11
в наличии
Маховик топливного насоса
Количество на схеме: 1
Информация
Маховик топливного насоса
Количество
1
Модель
42
Группа
Cистема питания двигателя
Подгруппа
Насос топливный высокого давления
Порядковый номер детали
332
Дополнительно
Не взаимозаменяема с деталью, выпущенной ранее под этим же номером
Маховик ТНВД (ЯЗДА)
Артикул: 42-1111332-11
Маховик ТНВД (ЯЗДА)
Код для заказа: 00002100
Цена: 3 057 ₽/шт.
Под заказ
Маховик ТНВД (ЯЗДА)
Артикул: 42-1111332-11
Код для заказа: 00002100
Маховик ТНВД (ЯЗДА)
Цена: 3 057 ₽/шт.
Под заказ
67
67
Артикул: 252161-П29
нет в наличии
Шайба 20.Л
Количество на схеме: 1
Информация
Шайба 20.Л
Количество
1
Покрытие
цинкование и пассивирование (цинковое с хроматированием)
68
68
Артикул: 250565-П29
нет в наличии
Гайка М20х1,5
Количество на схеме: 1
Информация
Гайка М20х1,5
Количество
1
Покрытие
цинкование и пассивирование (цинковое с хроматированием)
  • Грузовые автомобили
  • Автобусы
  • Сельхозтехника
  • Спецтехника
  • Двигатели
Получить оптовый прайс-лист
Скачать прайс-лист от 07.05.2026 16:00
Специальное предложение от 07.05.2026 17:00
Производители:


  • WEICHAI
  • Автодизель ПАО (ЯМЗ)
  • Тутаевский МЗ
  • ЯЗДА
  • УралАЗ
  • МАЗ
  • АЗПИ
  • BOSCH
  • ММЗ
  • ШААЗ
  • FEDERAL MOGUL
  • ПРАМО
  • Мотордеталь
  • ТАИМ
  • АвтоКрАЗ
  • БЕЛКАРД
  • CZ Strakonice
  • КамАЗ
  • БЗА
  • ЧМЗ
  • BMZ
Новости
Все новости
25 марта 2024
Флагманский седельный тягач «Валдай 45» на выставке «TransRussia»
10 марта 2024
Современные автобусы «CITYMAX 9» и ЛиАЗ-5292 CNG
25 февраля 2024
Серийное производство средних дизельных двигателей повышенной мощности от ЯМЗ
Статьи
Все статьи
Датчики двигателя: за что они отвечают, признаки неисправности и как не прогадать с выбором
Двигатели ЯМЗ-534: история, технические характеристики и области применения
Двигатели ЯМЗ 650: углублённый технический обзор и история
Компания
О компании
Реквизиты
Новости
Политика
Магазины
Информация
Условия оплаты
Условия доставки
Гарантия на товар
Обмен и возврат товара
Помощь
Как оформить заказ
Полезные статьи
Бренды
Пункты выдачи
Оставайтесь на связи
  • Вконтакте
  • YouTube
  • Одноклассники
  • Google Plus
Увидели ошибку?
Выделите, нажав Ctrl + Enter
Наши контакты
8-800-700-35-68
sales@din76.ru
г. Ярославль, Ленинградский пр-т 33, ТЦ "ОМЕГА"
2026 © ООО «Динамика 76» - Все права защищены ООО "Динамика 76"
Предложения на сайте не являются публичной офертой.
На сайте обнаружена ошибка

Текст с ошибкой