Избранное 0 Корзина 0 Личный кабинет
logo
Каталог
Каталог
  • Справочник
    • Грузовые автомобили
    • Автобусы
    • Сельхозтехника
    • Спецтехника
    • Двигатели
  • Доставка
  • Оплата
  • О компании
    • Реквизиты
    • Магазины
    • Оплата
    • Доставка
    • Лицензии и сертификаты
    • Новости
    • Вакансии
  • Контакты
Отправить заявку
Личный кабинет
8 (800) 700-35-68
sales@din76.ru
Избранное 0 Корзина 0
8 (800) 700-35-68
Оптовый прайс-лист
Каталог
  • Двигатели
  • Запчасти WEICHAI
  • Запчасти ЯМЗ, ТМЗ (V-образные)
  • Запчасти ЯМЗ-534, ЯМЗ-536
  • Запчасти ЯМЗ-650, ЯМЗ-651, DCi-11
  • Топливная аппаратура
  • Запчасти УРАЛ
  • Запчасти МАЗ
  • Запчасти КамАЗ
  • Запчасти ММЗ
  • Ремни
Автокаталог (справочник)
  • Доставка
  • Оплата
  • О компании
  • Контакты
8 (800) 700-35-68
Написать в Whatsapp
sales@din76.ru
Динамика 76
Меню  
  • Каталог
    • Двигатели  
      • Двигатели ТМЗ  
        • Двигатели ТМЗ для автомобилей
        • Двигатели ТМЗ для тракторов
        • Специальные двигатели ТМЗ
        • Промышленные двигатели ТМЗ
      • Двигатели ЯМЗ  
        • ЯМЗ 236
        • ЯМЗ 238
        • ЯМЗ 240
        • ЯМЗ 751
        • ЯМЗ 840
        • ЯМЗ 850
        • ЯМЗ 656
        • ЯМЗ 658
        • ЯМЗ 534
        • ЯМЗ 536
        • ЯМЗ 650
        • Двигатели ЯМЗ для электростанций
      • Двигатели КАМАЗ
      • Двигатели ММЗ
      • Двигатели индивидуальной сборки
      • Комплекты переоборудования
    • Запчасти WEICHAI  
      • Основные запчасти двигателя  
        • Клапаны и толкатели
        • Шатуны
        • Вал коленчатый и маховик
        • Вал распределительный
        • Цилиндро-поршневая группа
      • Система питания  
        • Форсунки
        • Турбокомпрессор
      • Система смазки  
        • Насос масляный
      • Головка блока
      • Ремкомплекты
      • Система охлаждения  
        • Насос водяной
        • Муфта вязкостная и крыльчатка
      • Фильтры
      • Электрооборудование  
        • Генератор
        • Стартер
    • Запчасти ЯМЗ, ТМЗ (V-образные)  
      • Основные запчасти двигателя  
        • Блок двигателя и комплектующие
        • Валы распределительные и клапаны
        • Головка блока и комплектующие
        • Цилиндро-поршневая группа
        • Маховики и комплектующие
        • Валы коленчатые и комплектующие
        • Шатуны и комплектующие
      • Система питания  
        • Коллекторы и патрубки
        • Топливные трубопроводы
        • Турбокомпрессор
        • Топливные фильтры
      • Электрооборудование двигателя
      • Система охлаждения  
        • Вязкостные муфты и крыльчатки
        • Приводы вентилятора
        • Водяные насосы
        • Водяные трубы и термостаты
      • Коробки переключения передач  
        • 8 Ступенчатые КПП
        • 5 Ступенчатые КПП
        • 9 Ступенчатые КПП
        • Запасные части КПП ЯМЗ, ТМЗ
      • Система смазки  
        • Теплообменник и комплектующие
        • Масляные насосы
        • Фильтры масляные (ФГОМ, ФЦОМ)
      • Сцепление  
        • Запасные части механизма сцепления
        • Муфты (подшипники выжимные)
        • Корзины (диски нажимные)
        • Диски ведомые
      • Прочие запчасти двигателя  
        • Ремкомплекты
        • Привод агрегатов
        • Натяжные устройства
        • Трубки
    • Запчасти ЯМЗ-534, ЯМЗ-536  
      • Основные запчасти двигателя  
        • Цилиндро-поршневая группа
        • Головка блока цилиндров и комплектующие
        • Блок цилиндров и комплектующие
        • Вал коленчатый и маховик
        • Вал распределительный
        • Клапаны и толкатели
        • ГУР (Гидроусилитель руля)
        • Система рециркуляции отработавших газов
        • Выпускной коллектор
      • Система питания  
        • Коллекторы и патрубки
        • Топливные фильтры
        • Турбокомпрессор
        • Топливные трубопроводы
      • Система смазки  
        • Масляный картер поддон
        • Масляный насос
        • Теплообменник /Водо-масляный радиатор
        • Фильтры масляные (ФГОМ, ФЦОМ)
      • Пневмокомпрессор и натяжное
      • Система охлаждения  
        • Водяной насос
        • Водяные трубы и патрубки
        • Муфты вязкостные, приводы, крыльчатки
      • Ремкомплекты
      • Сцепление
      • Электрооборудование
    • Запчасти ЯМЗ-650, ЯМЗ-651, DCi-11  
      • Основные запчасти двигателя  
        • Цилиндро-поршневая группа
        • Головка блока цилиндров и комплектующие
        • Блок цилиндров и комплектующие
        • Вал коленчатый и маховик
        • Выпускной коллектор
        • Вал распределительный
        • Клапаны и толкатели
        • ГУР (Гидроусилитель руля)
        • Система рециркуляции отработавших газов
      • Система питания  
        • Коллекторы и патрубки
        • Топливные трубопроводы
        • Топливные фильтры
        • Турбокомпрессор
      • Система смазки  
        • Масляный картер / поддон
        • Масляный насос
        • Теплообменник / Водо-масляный радиатор
        • Фильтры масляные (ФГОМ, ФЦОМ)
      • Система охлаждения  
        • Водяной насос
        • Водяные трубы и патрубки
        • Муфты вязкостные, приводы, крыльчатки
      • Ремкомплекты
      • Пневмокомпрессор и натяжное
      • Электрооборудование
      • Сцепление
    • Топливная аппаратура  
      • ЯЗДА  
        • Распылители
        • ТНВД
        • Форсунки
        • Топливный насос низкого давления
        • Пары плунжерные
        • Муфта опережения впрыска топлива
        • Запчасти и комплектующие ТНВД
      • НЗТА
      • АЗПИ  
        • Распылители
        • Форсунки
      • BOSCH
    • Запчасти УРАЛ  
      • Трансмиссия  
        • Коробка раздаточная
        • Передача карданная
        • Мост задний
        • Мост передний (ведущий)
        • Мост средний (промежуточный)
      • Кузов  
        • Дверь кабины
        • Капот, крылья, облицовка радиатора
        • Окно ветровое и заднее
        • Отопление и вентиляция кабины
        • Кабина
      • Механизмы управления  
        • Управление рулевое
        • Тормоза
      • Дополнительное оборудование  
        • Отбор мощности
        • Устройство седельное
      • Электрооборудование
      • Ходовая часть  
        • Колеса и ступицы
        • Ось передняя
        • Подвеска автомобиля
        • Рама
    • Запчасти МАЗ  
      • Трансмиссия  
        • Мост задний
        • Мост передний (ведущий)
        • Передача карданная
        • Мост средний (промежуточный)
      • Кузов  
        • Кабина
        • Дверь кабины
        • Детали основания кабины
        • Окно ветровое и заднее
        • Платформа
      • Механизмы управления  
        • Тормоза
        • Управление рулевое
      • Ходовая часть  
        • Колеса и ступицы
        • Ось передняя
        • Подвеска автомобиля
        • Рама
    • Запчасти КамАЗ  
      • Кузов  
        • Кабина
        • Капот, крылья, облицовка радиатора
        • Дверь кабины
        • Платформа
        • Окно ветровое и заднее
        • Устройство подъемное и опрокидывающее
        • Сиденье
        • Крыша кабины (крыша кузова)
        • Отопление и вентиляция кабины
      • Трансмиссия  
        • Коробка передач
        • Коробка раздаточная
        • Мост задний
        • Сцепление
        • Мост средний (промежуточный)
        • Передача карданная
        • Мост передний (ведущий)
      • Двигатель  
        • Основные запчасти двигателя
        • Система охлаждения
        • Система питания
        • Система смазки
      • Дополнительное оборудование  
        • Отбор мощности
        • Устройство седельное
      • Ходовая часть  
        • Подвеска автомобиля
        • Рама
        • Колеса и ступицы
        • Ось передняя
      • Механизмы управления  
        • Тормоза
        • Управление рулевое
      • Электрооборудование
    • Запчасти ММЗ
    • Ремни
  • Справочник
    • Грузовые автомобили
    • Автобусы
    • Сельхозтехника
    • Спецтехника
    • Двигатели
  • Как купить
    • Условия оплаты
    • Условия доставки
    • Гарантия на товар
    • Пункты выдачи
  • Услуги
    • Капитальный ремонт двигателей ЯМЗ
  • Акции
  • Статьи
  • Контакты
  • Компания
    • Реквизиты
    • Магазины
    • Оплата
    • Доставка
    • Лицензии и сертификаты
    • Новости
    • Вакансии
Избранное 0 Корзина 0
8-800-700-35-68

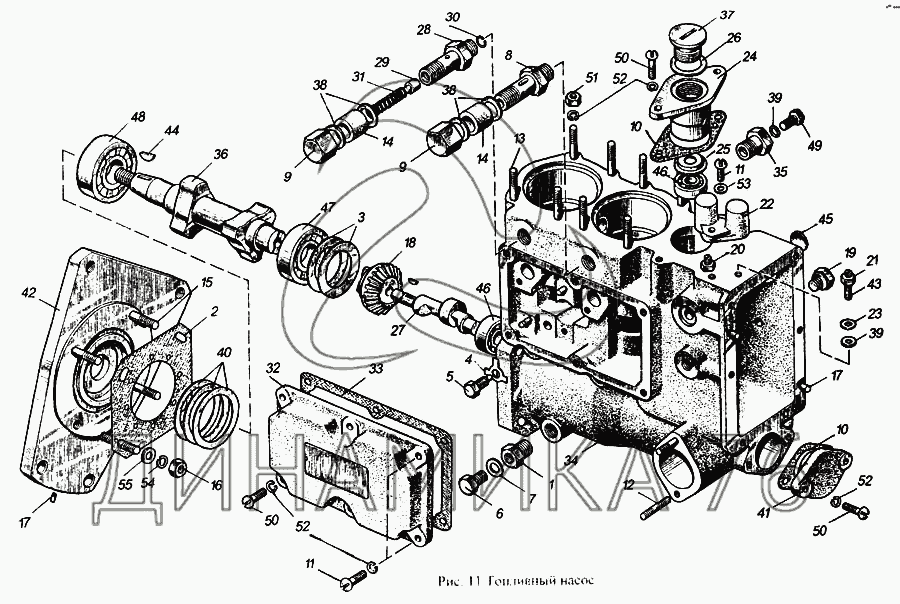
Топливный насос на Д-265 (до 1999 г.)

Справочник
Главная
-
Автокаталог
-
Двигатели
-
ММЗ
-
Д-265
Справочный каталог

Топливный насос — Д-265:

26.1111003 1 2 3 4 5 6 7 8 9 10 11 12 13 14 15 16 17 18 19 20 21 22 23 24 25 26 27 28 29 30 31 32 33 34 35 36 37 38 39 40 40 40 41 42 43 44 45 46 47 48 49 50 51 52 53 54 55
в наличии
нет в наличии
масштаб

В наличии
Нет в наличии

Перечень комплектующих от Топливный насос на Д-265

Схемы запчастей предназначены для справочных целей! Мы продаем не все запчасти от Топливный насос на Д-265, представленные в этом списке.
Наличие на складах по деталям с ценой смотрите в карточке товара.
Артикул: 26-1111003
нет в наличии
Топливный насос
Количество на схеме: 1
Информация
Топливный насос
Количество
1
Модель
26
Группа
Cистема питания двигателя
Подгруппа
Насос топливный высокого давления
Порядковый номер детали
003
1
1
Артикул: 21-1111026
нет в наличии
Втулка резьбовая
Количество на схеме: 1
Информация
Втулка резьбовая
Количество
1
Модель
21
Группа
Cистема питания двигателя
Подгруппа
Насос топливный высокого давления
Порядковый номер детали
026
2
2
Артикул: 21-1111076-01
нет в наличии
Прокладка уплотнительная
Количество на схеме: 1
Информация
Прокладка уплотнительная
Количество
1
Модель
21
Группа
Cистема питания двигателя
Подгруппа
Насос топливный высокого давления
Порядковый номер детали
076
3
3
Артикул: 21-1111078-01
нет в наличии
Прокладка регулировочная
Количество на схеме: 2
Информация
Прокладка регулировочная
Количество
2
Модель
21
Группа
Cистема питания двигателя
Подгруппа
Насос топливный высокого давления
Порядковый номер детали
078
4
4
Артикул: 21-1111126-06
нет в наличии
Шайба стопорная
Количество на схеме: 1
Информация
Шайба стопорная
Количество
1
Модель
21
Группа
Cистема питания двигателя
Подгруппа
Насос топливный высокого давления
Порядковый номер детали
126
5
5
Артикул: 21-1111127-07
нет в наличии
Винт установочный толкателя
Количество на схеме: 1
Информация
Винт установочный толкателя
Количество
1
Модель
21
Группа
Cистема питания двигателя
Подгруппа
Насос топливный высокого давления
Порядковый номер детали
127
6
6
Артикул: 21-1111207
нет в наличии
Пробка уровня масла
Количество на схеме: 1
Информация
Пробка уровня масла
Количество
1
Модель
21
Группа
Cистема питания двигателя
Подгруппа
Насос топливный высокого давления
Порядковый номер детали
207
7
7
Артикул: 21-1111211-01
нет в наличии
Прокладка
Количество на схеме: 1
Информация
Прокладка
Количество
1
Модель
21
Группа
Cистема питания двигателя
Подгруппа
Насос топливный высокого давления
Порядковый номер детали
211
8
8
Артикул: 21-1111246
нет в наличии
Шпилька штуцера подвода топлива
Количество на схеме: 1
Информация
Шпилька штуцера подвода топлива
Количество
1
Модель
21
Группа
Cистема питания двигателя
Подгруппа
Насос топливный высокого давления
Порядковый номер детали
246
9
9
Артикул: 21-1111248
нет в наличии
Гайка штуцера подвода топлива
Количество на схеме: 2
Информация
Гайка штуцера подвода топлива
Количество
2
Модель
21
Группа
Cистема питания двигателя
Подгруппа
Насос топливный высокого давления
Порядковый номер детали
248
10
10
Артикул: 21-1111304
нет в наличии
Прокладка
Количество на схеме: 2
Информация
Прокладка
Количество
2
Модель
21
Группа
Cистема питания двигателя
Подгруппа
Насос топливный высокого давления
Порядковый номер детали
304
11
11
Артикул: 21-1111349
нет в наличии
Винт
Количество на схеме: 3
Информация
Винт
Количество
3
Модель
21
Группа
Cистема питания двигателя
Подгруппа
Насос топливный высокого давления
Порядковый номер детали
349
12
12
Артикул: 21-1111355
нет в наличии
Шпилька
Количество на схеме: 2
Информация
Шпилька
Количество
2
Модель
21
Группа
Cистема питания двигателя
Подгруппа
Насос топливный высокого давления
Порядковый номер детали
355
13
13
Артикул: 21-1111356
нет в наличии
Шпилька
Количество на схеме: 8
Информация
Шпилька
Количество
8
Модель
21
Группа
Cистема питания двигателя
Подгруппа
Насос топливный высокого давления
Порядковый номер детали
356
14
14
Артикул: 21-1111378
нет в наличии
Заглушка транспортная
Количество на схеме: 2
Информация
Заглушка транспортная
Количество
2
Модель
21
Группа
Cистема питания двигателя
Подгруппа
Насос топливный высокого давления
Порядковый номер детали
378
15
15
Артикул: 21-1111383-01
нет в наличии
Шпилька крепления топливного насоса
Количество на схеме: 4
Информация
Шпилька крепления топливного насоса
Количество
4
Модель
21
Группа
Cистема питания двигателя
Подгруппа
Насос топливный высокого давления
Порядковый номер детали
383
16
16
Артикул: 21-1111389
нет в наличии
Гайка
Количество на схеме: 4
Информация
Гайка
Количество
4
Модель
21
Группа
Cистема питания двигателя
Подгруппа
Насос топливный высокого давления
Порядковый номер детали
389
17
17
Артикул: 21-1110042
нет в наличии
Штифт (допускается штифт 5h8х10)
Количество на схеме: 3
Информация
Штифт (допускается штифт 5h8х10)
Количество
3
Модель
21
Группа
Cистема питания двигателя
Подгруппа
Ограничитель частоты вращения коленчатого вала двигателя
Порядковый номер детали
042
18
18
Артикул: 21-1110064
нет в наличии
Шестерня ведущая
Количество на схеме: 1
Информация
Шестерня ведущая
Количество
1
Модель
21
Группа
Cистема питания двигателя
Подгруппа
Ограничитель частоты вращения коленчатого вала двигателя
Порядковый номер детали
064
19
19
Артикул: 21-1110188
нет в наличии
Пробка
Количество на схеме: 2
Информация
Пробка
Количество
2
Модель
21
Группа
Cистема питания двигателя
Подгруппа
Ограничитель частоты вращения коленчатого вала двигателя
Порядковый номер детали
188
20
20
Артикул: 21-1110361
нет в наличии
Винт регулировочный
Количество на схеме: 2
Информация
Винт регулировочный
Количество
2
Примечание
21
Модель
21
Группа
Cистема питания двигателя
Подгруппа
Ограничитель частоты вращения коленчатого вала двигателя
Порядковый номер детали
361
21
21
Артикул: 21-1110362
нет в наличии
Гайка
Количество на схеме: 2
Информация
Гайка
Количество
2
Модель
21
Группа
Cистема питания двигателя
Подгруппа
Ограничитель частоты вращения коленчатого вала двигателя
Порядковый номер детали
362
22
22
Артикул: 21-1110363
нет в наличии
Колпачок
Количество на схеме: 1
Информация
Колпачок
Количество
1
Модель
21
Группа
Cистема питания двигателя
Подгруппа
Ограничитель частоты вращения коленчатого вала двигателя
Порядковый номер детали
363
23
23
Артикул: 21-1110365
нет в наличии
Шайба
Количество на схеме: 2
Информация
Шайба
Количество
2
Модель
21
Группа
Cистема питания двигателя
Подгруппа
Ограничитель частоты вращения коленчатого вала двигателя
Порядковый номер детали
365
24
24
Артикул: 21-1110504-10
нет в наличии
Крышка верхняя регулятора
Количество на схеме: 1
Информация
Крышка верхняя регулятора
Количество
1
Модель
21
Группа
Cистема питания двигателя
Подгруппа
Ограничитель частоты вращения коленчатого вала двигателя
Порядковый номер детали
504
Дополнительно
Не взаимозаменяема с деталью, выпущенной ранее под этим же номером
25
25
Артикул: 21-1110512
нет в наличии
Лимб
Количество на схеме: 1
Информация
Лимб
Количество
1
Модель
21
Группа
Cистема питания двигателя
Подгруппа
Ограничитель частоты вращения коленчатого вала двигателя
Порядковый номер детали
512
26
26
Артикул: 21-1110513
нет в наличии
Прокладка
Количество на схеме: 1
Информация
Прокладка
Количество
1
Модель
21
Группа
Cистема питания двигателя
Подгруппа
Ограничитель частоты вращения коленчатого вала двигателя
Порядковый номер детали
513
27
27
Артикул: 21-1106341
нет в наличии
Вал привода топливоподкачивающего насоса
Количество на схеме: 1
Информация
Вал привода топливоподкачивающего насоса
Количество
1
Модель
21
Группа
Cистема питания двигателя
Подгруппа
Насос топливный низкого давления
Порядковый номер детали
341
28
28
Артикул: 21-1106424
нет в наличии
Корпус демпфера
Количество на схеме: 1
Информация
Корпус демпфера
Количество
1
Модель
21
Группа
Cистема питания двигателя
Подгруппа
Насос топливный низкого давления
Порядковый номер детали
424
29
29
Артикул: 21-1106425
нет в наличии
Поршень
Количество на схеме: 1
Информация
Поршень
Количество
1
Модель
21
Группа
Cистема питания двигателя
Подгруппа
Насос топливный низкого давления
Порядковый номер детали
425
30
30
Артикул: 21-1106426
нет в наличии
Кольцо стопорное
Количество на схеме: 1
Информация
Кольцо стопорное
Количество
1
Модель
21
Группа
Cистема питания двигателя
Подгруппа
Насос топливный низкого давления
Порядковый номер детали
426
31
31
Артикул: 21-1106427
нет в наличии
Пружина демпфера
Количество на схеме: 1
Информация
Пружина демпфера
Количество
1
Модель
21
Группа
Cистема питания двигателя
Подгруппа
Насос топливный низкого давления
Порядковый номер детали
427
32
32
Артикул: 22-1111100-10
нет в наличии
Крышка боковая с табличкой
Количество на схеме: 1
Информация
Крышка боковая с табличкой
Количество
1
Модель
22
Группа
Cистема питания двигателя
Подгруппа
Насос топливный высокого давления
Порядковый номер детали
100
Дополнительно
Не взаимозаменяема с деталью, выпущенной ранее под этим же номером
33
33
Артикул: 22-1111106
нет в наличии
Прокладка боковой крышки насоса
Количество на схеме: 1
Информация
Прокладка боковой крышки насоса
Количество
1
Модель
22
Группа
Cистема питания двигателя
Подгруппа
Насос топливный высокого давления
Порядковый номер детали
106
34
34
Артикул: 26-1111025
нет в наличии
Корпус насоса
Количество на схеме: 1
Информация
Корпус насоса
Количество
1
Модель
26
Группа
Cистема питания двигателя
Подгруппа
Насос топливный высокого давления
Порядковый номер детали
025
35
35
Артикул: 26-1111026
нет в наличии
Втулка резьбовая
Количество на схеме: 1
Информация
Втулка резьбовая
Количество
1
Модель
26
Группа
Cистема питания двигателя
Подгруппа
Насос топливный высокого давления
Порядковый номер детали
026
36
36
Артикул: 26-1111055
нет в наличии
Вал кулачковый
Количество на схеме: 1
Информация
Вал кулачковый
Количество
1
Модель
26
Группа
Cистема питания двигателя
Подгруппа
Насос топливный высокого давления
Порядковый номер детали
055
37
37
Артикул: 26-1110297
нет в наличии
Пробка
Количество на схеме: 1
Информация
Пробка
Количество
1
Модель
26
Группа
Cистема питания двигателя
Подгруппа
Ограничитель частоты вращения коленчатого вала двигателя
Порядковый номер детали
297
38
38
Артикул: 36-1104788-01
нет в наличии
Прокладка
Количество на схеме: 4
Информация
Прокладка
Количество
4
Модель
36
Группа
Cистема питания двигателя
Подгруппа
Трубопроводы топливные
Порядковый номер детали
788
39
39
Артикул: 48-1110369
нет в наличии
Кольцо уплотнительное
Количество на схеме: 3
Информация
Кольцо уплотнительное
Количество
3
Модель
48
Группа
Cистема питания двигателя
Подгруппа
Ограничитель частоты вращения коленчатого вала двигателя
Порядковый номер детали
369
40
40
Артикул: 54-1111078
нет в наличии
Прокладка регулировочная
Информация
Прокладка регулировочная
Модель
54
Группа
Cистема питания двигателя
Подгруппа
Насос топливный высокого давления
Порядковый номер детали
078
40
40
Артикул: 54-1111078-01
нет в наличии
Прокладка регулировочная
Информация
Прокладка регулировочная
Модель
54
Группа
Cистема питания двигателя
Подгруппа
Насос топливный высокого давления
Порядковый номер детали
078
40
40
Артикул: 54-1111078-02
нет в наличии
Прокладка регулировочная
Информация
Прокладка регулировочная
Модель
54
Группа
Cистема питания двигателя
Подгруппа
Насос топливный высокого давления
Порядковый номер детали
078
41
41
Артикул: 54-1111301
нет в наличии
Крышка привода
Количество на схеме: 1
Информация
Крышка привода
Количество
1
Модель
54
Группа
Cистема питания двигателя
Подгруппа
Насос топливный высокого давления
Порядковый номер детали
301
42
42
Артикул: 54-1111381-60
нет в наличии
Фланец установочный
Количество на схеме: 1
Информация
Фланец установочный
Количество
1
Модель
54
Группа
Cистема питания двигателя
Подгруппа
Насос топливный высокого давления
Порядковый номер детали
381
Дополнительно
Не взаимозаменяема с деталью, выпущенной ранее под этим же номером
43
43
Артикул: 54-1110361
нет в наличии
Винт регулировочный
Количество на схеме: 2
Информация
Винт регулировочный
Количество
2
Модель
54
Группа
Cистема питания двигателя
Подгруппа
Ограничитель частоты вращения коленчатого вала двигателя
Порядковый номер детали
361
44
44
Артикул: 4Х6,5
нет в наличии
Шпонка
Количество на схеме: 1
Информация
Шпонка
Количество
1
45
45
Артикул: 14-10кл-Хим-Окс-Прм
нет в наличии
Заглушка
Количество на схеме: 1
Информация
Заглушка
Количество
1
46
46
Артикул: 29
нет в наличии
Подшипник
Количество на схеме: 2
Информация
Подшипник
Количество
2
47
47
Артикул: 204
в наличии
Подшипник
Количество на схеме: 1
Информация
Подшипник
Количество
1
Подшипник гидромуфты КАМАЗ,системы охлаждения ЗИЛ-133
Артикул: 204
Подшипник гидромуфты КАМАЗ,системы охлаждения ЗИЛ-133
Код для заказа: 00045275
Цена: 89 ₽/шт.
Под заказ
Подшипник гидромуфты КАМАЗ,системы охлаждения ЗИЛ-133
Артикул: 204
Код для заказа: 00045275
Подшипник гидромуфты КАМАЗ,системы охлаждения ЗИЛ-133
Цена: 89 ₽/шт.
Под заказ
Подшипник гидромуфты КАМАЗ; системы охлаждения ЗИЛ-133 ГПЗ
Артикул: 204
Подшипник гидромуфты КАМАЗ; системы охлаждения ЗИЛ-133 ГПЗ
Код для заказа: 00045276
Цена: 103 ₽/шт.
Под заказ
Подшипник гидромуфты КАМАЗ; системы охлаждения ЗИЛ-133 ГПЗ
Артикул: 204
Код для заказа: 00045276
Подшипник гидромуфты КАМАЗ; системы охлаждения ЗИЛ-133 ГПЗ
Цена: 103 ₽/шт.
Под заказ
48
48
Артикул: 304
нет в наличии
Подшипник
Количество на схеме: 1
Информация
Подшипник
Количество
1
49
49
Артикул: М6Х14-88-016
нет в наличии
Болт
Количество на схеме: 1
Информация
Болт
Количество
1
50
50
Артикул: М6Х18-88-016
нет в наличии
Винт
Количество на схеме: 8
Информация
Винт
Количество
8
51
51
Артикул: М6-8-016
нет в наличии
Гайка
Количество на схеме: 8
Информация
Гайка
Количество
8
52
52
Артикул: 6-65Г-05
нет в наличии
Шайба
Количество на схеме: 18
Информация
Шайба
Количество
18
53
53
Артикул: 6-04-016
нет в наличии
Шайба
Количество на схеме: 1
Информация
Шайба
Количество
1
54
54
Артикул: 8-65Г-05
нет в наличии
Шайба
Количество на схеме: 4
Информация
Шайба
Количество
4
55
55
Артикул: 8Х2,5-06-016
нет в наличии
Шайба
Количество на схеме: 4
Информация
Шайба
Количество
4
  • Грузовые автомобили
  • Автобусы
  • Сельхозтехника
  • Спецтехника
  • Двигатели
Получить оптовый прайс-лист
Скачать прайс-лист от 08.05.2026 16:00
Специальное предложение от 08.05.2026 17:00
Производители:


  • WEICHAI
  • Автодизель ПАО (ЯМЗ)
  • Тутаевский МЗ
  • ЯЗДА
  • УралАЗ
  • МАЗ
  • АЗПИ
  • BOSCH
  • ММЗ
  • ШААЗ
  • FEDERAL MOGUL
  • ПРАМО
  • Мотордеталь
  • ТАИМ
  • АвтоКрАЗ
  • БЕЛКАРД
  • CZ Strakonice
  • КамАЗ
  • БЗА
  • ЧМЗ
  • BMZ
Новости
Все новости
25 марта 2024
Флагманский седельный тягач «Валдай 45» на выставке «TransRussia»
10 марта 2024
Современные автобусы «CITYMAX 9» и ЛиАЗ-5292 CNG
25 февраля 2024
Серийное производство средних дизельных двигателей повышенной мощности от ЯМЗ
Статьи
Все статьи
Датчики двигателя: за что они отвечают, признаки неисправности и как не прогадать с выбором
Двигатели ЯМЗ-534: история, технические характеристики и области применения
Двигатели ЯМЗ 650: углублённый технический обзор и история
Компания
О компании
Реквизиты
Новости
Политика
Магазины
Информация
Условия оплаты
Условия доставки
Гарантия на товар
Обмен и возврат товара
Помощь
Как оформить заказ
Полезные статьи
Бренды
Пункты выдачи
Оставайтесь на связи
  • Вконтакте
  • YouTube
  • Одноклассники
  • Google Plus
Увидели ошибку?
Выделите, нажав Ctrl + Enter
Наши контакты
8-800-700-35-68
sales@din76.ru
г. Ярославль, Ленинградский пр-т 33, ТЦ "ОМЕГА"
2026 © ООО «Динамика 76» - Все права защищены ООО "Динамика 76"
Предложения на сайте не являются публичной офертой.
На сайте обнаружена ошибка

Текст с ошибкой