Избранное 0 Корзина 0 Личный кабинет
logo
Каталог
Каталог
  • Справочник
    • Грузовые автомобили
    • Автобусы
    • Сельхозтехника
    • Спецтехника
    • Двигатели
  • Доставка
  • Оплата
  • О компании
    • Реквизиты
    • Магазины
    • Оплата
    • Доставка
    • Лицензии и сертификаты
    • Новости
    • Вакансии
  • Контакты
Отправить заявку
Личный кабинет
8 (800) 700-35-68
sales@din76.ru
Избранное 0 Корзина 0
8 (800) 700-35-68
Оптовый прайс-лист
Каталог
  • Двигатели
  • Запчасти WEICHAI
  • Запчасти ЯМЗ, ТМЗ (V-образные)
  • Запчасти ЯМЗ-534, ЯМЗ-536
  • Запчасти ЯМЗ-650, ЯМЗ-651, DCi-11
  • Топливная аппаратура
  • Запчасти УРАЛ
  • Запчасти МАЗ
  • Запчасти КамАЗ
  • Запчасти ММЗ
  • Ремни
Автокаталог (справочник)
  • Доставка
  • Оплата
  • О компании
  • Контакты
8 (800) 700-35-68
Написать в Whatsapp
sales@din76.ru
Динамика 76
Меню  
  • Каталог
    • Двигатели  
      • Двигатели ТМЗ  
        • Двигатели ТМЗ для автомобилей
        • Двигатели ТМЗ для тракторов
        • Специальные двигатели ТМЗ
        • Промышленные двигатели ТМЗ
      • Двигатели ЯМЗ  
        • ЯМЗ 236
        • ЯМЗ 238
        • ЯМЗ 240
        • ЯМЗ 751
        • ЯМЗ 840
        • ЯМЗ 850
        • ЯМЗ 656
        • ЯМЗ 658
        • ЯМЗ 534
        • ЯМЗ 536
        • ЯМЗ 650
        • Двигатели ЯМЗ для электростанций
      • Двигатели КАМАЗ
      • Двигатели ММЗ
      • Двигатели индивидуальной сборки
      • Комплекты переоборудования
    • Запчасти WEICHAI  
      • Основные запчасти двигателя  
        • Клапаны и толкатели
        • Шатуны
        • Вал коленчатый и маховик
        • Вал распределительный
        • Цилиндро-поршневая группа
      • Система питания  
        • Форсунки
        • Турбокомпрессор
      • Система смазки  
        • Насос масляный
      • Головка блока
      • Ремкомплекты
      • Система охлаждения  
        • Насос водяной
        • Муфта вязкостная и крыльчатка
      • Фильтры
      • Электрооборудование  
        • Генератор
        • Стартер
    • Запчасти ЯМЗ, ТМЗ (V-образные)  
      • Основные запчасти двигателя  
        • Блок двигателя и комплектующие
        • Валы распределительные и клапаны
        • Головка блока и комплектующие
        • Цилиндро-поршневая группа
        • Маховики и комплектующие
        • Валы коленчатые и комплектующие
        • Шатуны и комплектующие
      • Система питания  
        • Коллекторы и патрубки
        • Топливные трубопроводы
        • Турбокомпрессор
        • Топливные фильтры
      • Электрооборудование двигателя
      • Система охлаждения  
        • Вязкостные муфты и крыльчатки
        • Приводы вентилятора
        • Водяные насосы
        • Водяные трубы и термостаты
      • Коробки переключения передач  
        • 8 Ступенчатые КПП
        • 5 Ступенчатые КПП
        • 9 Ступенчатые КПП
        • Запасные части КПП ЯМЗ, ТМЗ
      • Система смазки  
        • Теплообменник и комплектующие
        • Масляные насосы
        • Фильтры масляные (ФГОМ, ФЦОМ)
      • Сцепление  
        • Запасные части механизма сцепления
        • Муфты (подшипники выжимные)
        • Корзины (диски нажимные)
        • Диски ведомые
      • Прочие запчасти двигателя  
        • Ремкомплекты
        • Привод агрегатов
        • Натяжные устройства
        • Трубки
    • Запчасти ЯМЗ-534, ЯМЗ-536  
      • Основные запчасти двигателя  
        • Цилиндро-поршневая группа
        • Головка блока цилиндров и комплектующие
        • Блок цилиндров и комплектующие
        • Вал коленчатый и маховик
        • Вал распределительный
        • Клапаны и толкатели
        • ГУР (Гидроусилитель руля)
        • Система рециркуляции отработавших газов
        • Выпускной коллектор
      • Система питания  
        • Коллекторы и патрубки
        • Топливные фильтры
        • Турбокомпрессор
        • Топливные трубопроводы
      • Система смазки  
        • Масляный картер поддон
        • Масляный насос
        • Теплообменник /Водо-масляный радиатор
        • Фильтры масляные (ФГОМ, ФЦОМ)
      • Пневмокомпрессор и натяжное
      • Система охлаждения  
        • Водяной насос
        • Водяные трубы и патрубки
        • Муфты вязкостные, приводы, крыльчатки
      • Ремкомплекты
      • Сцепление
      • Электрооборудование
    • Запчасти ЯМЗ-650, ЯМЗ-651, DCi-11  
      • Основные запчасти двигателя  
        • Цилиндро-поршневая группа
        • Головка блока цилиндров и комплектующие
        • Блок цилиндров и комплектующие
        • Вал коленчатый и маховик
        • Выпускной коллектор
        • Вал распределительный
        • Клапаны и толкатели
        • ГУР (Гидроусилитель руля)
        • Система рециркуляции отработавших газов
      • Система питания  
        • Коллекторы и патрубки
        • Топливные трубопроводы
        • Топливные фильтры
        • Турбокомпрессор
      • Система смазки  
        • Масляный картер / поддон
        • Масляный насос
        • Теплообменник / Водо-масляный радиатор
        • Фильтры масляные (ФГОМ, ФЦОМ)
      • Система охлаждения  
        • Водяной насос
        • Водяные трубы и патрубки
        • Муфты вязкостные, приводы, крыльчатки
      • Ремкомплекты
      • Пневмокомпрессор и натяжное
      • Электрооборудование
      • Сцепление
    • Топливная аппаратура  
      • ЯЗДА  
        • Распылители
        • ТНВД
        • Форсунки
        • Топливный насос низкого давления
        • Пары плунжерные
        • Муфта опережения впрыска топлива
        • Запчасти и комплектующие ТНВД
      • НЗТА
      • АЗПИ  
        • Распылители
        • Форсунки
      • BOSCH
    • Запчасти УРАЛ  
      • Трансмиссия  
        • Коробка раздаточная
        • Передача карданная
        • Мост задний
        • Мост передний (ведущий)
        • Мост средний (промежуточный)
      • Кузов  
        • Дверь кабины
        • Капот, крылья, облицовка радиатора
        • Окно ветровое и заднее
        • Отопление и вентиляция кабины
        • Кабина
      • Механизмы управления  
        • Управление рулевое
        • Тормоза
      • Дополнительное оборудование  
        • Отбор мощности
        • Устройство седельное
      • Электрооборудование
      • Ходовая часть  
        • Колеса и ступицы
        • Ось передняя
        • Подвеска автомобиля
        • Рама
    • Запчасти МАЗ  
      • Трансмиссия  
        • Мост задний
        • Мост передний (ведущий)
        • Передача карданная
        • Мост средний (промежуточный)
      • Кузов  
        • Кабина
        • Дверь кабины
        • Детали основания кабины
        • Окно ветровое и заднее
        • Платформа
      • Механизмы управления  
        • Тормоза
        • Управление рулевое
      • Ходовая часть  
        • Колеса и ступицы
        • Ось передняя
        • Подвеска автомобиля
        • Рама
    • Запчасти КамАЗ  
      • Кузов  
        • Кабина
        • Капот, крылья, облицовка радиатора
        • Дверь кабины
        • Платформа
        • Окно ветровое и заднее
        • Устройство подъемное и опрокидывающее
        • Сиденье
        • Крыша кабины (крыша кузова)
        • Отопление и вентиляция кабины
      • Трансмиссия  
        • Коробка передач
        • Коробка раздаточная
        • Мост задний
        • Сцепление
        • Мост средний (промежуточный)
        • Передача карданная
        • Мост передний (ведущий)
      • Двигатель  
        • Основные запчасти двигателя
        • Система охлаждения
        • Система питания
        • Система смазки
      • Дополнительное оборудование  
        • Отбор мощности
        • Устройство седельное
      • Ходовая часть  
        • Подвеска автомобиля
        • Рама
        • Колеса и ступицы
        • Ось передняя
      • Механизмы управления  
        • Тормоза
        • Управление рулевое
      • Электрооборудование
    • Запчасти ММЗ
    • Ремни
  • Справочник
    • Грузовые автомобили
    • Автобусы
    • Сельхозтехника
    • Спецтехника
    • Двигатели
  • Как купить
    • Условия оплаты
    • Условия доставки
    • Гарантия на товар
    • Пункты выдачи
  • Услуги
    • Капитальный ремонт двигателей ЯМЗ
  • Акции
  • Статьи
  • Контакты
  • Компания
    • Реквизиты
    • Магазины
    • Оплата
    • Доставка
    • Лицензии и сертификаты
    • Новости
    • Вакансии
Избранное 0 Корзина 0
8-800-700-35-68

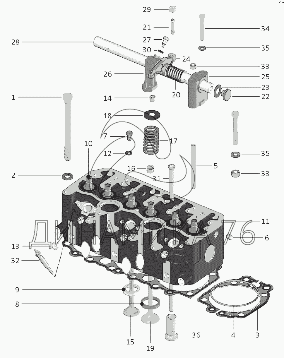
Установка головок цилиндров на Д-260S3A (до 2018 г.)

Справочник
Главная
-
Автокаталог
-
Двигатели
-
ММЗ
-
Д-260S3A
Справочный каталог

Установка головок цилиндров — Д-260S3A:

260-1003012-А2-01 260-1003013-А2-01 260-1007100-A 1 1 1 2 3 3 4 5 6 7 8 8 8 9 9 9 10 10 11 12 13 14 14 15 15 15 16 16 17 17 17 17 18 19 19 19 20 20 20 21 22 23 24 25 26 27 28 29 30 31 32 33 33 34 35 35 36 36
в наличии
нет в наличии
масштаб

В наличии
Нет в наличии

Перечень комплектующих от Установка головок цилиндров на Д-260S3A

Схемы запчастей предназначены для справочных целей! Мы продаем не все запчасти от Установка головок цилиндров на Д-260S3A, представленные в этом списке.
Наличие на складах по деталям с ценой смотрите в карточке товара.
Артикул: 260-1003012-А2-01
нет в наличии
ГОЛОВКА ЦИЛИНДРОВ
Количество на схеме: 2
Информация
ГОЛОВКА ЦИЛИНДРОВ
Количество
2
Модель
260
Группа
Двигатель
Подгруппа
Головка блока цилиндров
Порядковый номер детали
012
Артикул: 260-1003013-А2-01
нет в наличии
ГОЛОВКА ЦИЛИНДРОВ
Количество на схеме: 2
Информация
ГОЛОВКА ЦИЛИНДРОВ
Количество
2
Модель
260
Группа
Двигатель
Подгруппа
Головка блока цилиндров
Порядковый номер детали
013
Артикул: 260-1007100-A
нет в наличии
Механизм коромысел
Количество на схеме: 2
Информация
Механизм коромысел
Количество
2
Модель
260
Группа
Двигатель
Подгруппа
Клапана и толкатели
Порядковый номер детали
100
Дополнительно
Конструкция детали модернизирована, но сохранена взаимозаменяемость с ранее выпущенными
1
1
Артикул: 260-1003124-Б
в наличии
Болт
Количество на схеме: 26
Информация
Болт
Количество
26
Примечание
Для дизеля Д-260.1S3A, Д-260.2S3A
Модель
260
Группа
Двигатель
Подгруппа
Головка блока цилиндров
Порядковый номер детали
124
Болт Д-260 головки блока 145мм ММЗ
Артикул: 260-1003124-Б
Болт Д-260 головки блока 145мм ММЗ
Код для заказа: 00022293
Цена: 346 ₽/шт.
Под заказ
Болт Д-260 головки блока 145мм ММЗ
Артикул: 260-1003124-Б
Код для заказа: 00022293
Болт Д-260 головки блока 145мм ММЗ
Цена: 346 ₽/шт.
Под заказ
1
1
Артикул: 260-1003124-Д
нет в наличии
Болт
Количество на схеме: 26
Информация
Болт
Количество
26
Примечание
Для дизеля Д-260.4S3A
Модель
260
Группа
Двигатель
Подгруппа
Головка блока цилиндров
Порядковый номер детали
124
1
1
Артикул: 260-1003124-Д1
нет в наличии
Болт
Количество на схеме: 26
Информация
Болт
Количество
26
Примечание
Для дизеля Д-260.4S3A
Модель
260
Группа
Двигатель
Подгруппа
Головка блока цилиндров
Порядковый номер детали
124
2
2
Артикул: 245-1005128
нет в наличии
Шайба
Количество на схеме: 26
Информация
Шайба
Количество
26
Модель
245
Группа
Двигатель
Подгруппа
Вал коленчатый и маховик
Порядковый номер детали
128
3
3
Артикул: 260-1003020
нет в наличии
Прокладка головок
Количество на схеме: 1
Информация
Прокладка головок
Количество
1
Примечание
Для дизеля Д-260.1S3A, Д-260.2S3A, 714-63-09
Модель
260
Группа
Двигатель
Подгруппа
Головка блока цилиндров
Порядковый номер детали
020
3
3
Артикул: 263-1003020
в наличии
Прокладка головок
Количество на схеме: 1
Информация
Прокладка головок
Количество
1
Примечание
Для дизеля Д-260.4S3A, 719-73-08
Модель
263
Группа
Двигатель
Подгруппа
Головка блока цилиндров
Порядковый номер детали
020
Прокладка головки блока Д-260 ЕВРО на 3 цилиндра с металлическим каркасом
Артикул: 263-1003020
Прокладка головки блока Д-260 ЕВРО на 3 цилиндра с металлическим каркасом
Код для заказа: 00047377
Цена: 1 433 ₽/шт.
Под заказ
Прокладка головки блока Д-260 ЕВРО на 3 цилиндра с металлическим каркасом
Артикул: 263-1003020
Код для заказа: 00047377
Прокладка головки блока Д-260 ЕВРО на 3 цилиндра с металлическим каркасом
Цена: 1 433 ₽/шт.
Под заказ
4
4
Артикул: 260-1003031-А1
в наличии
Кольцо
Количество на схеме: 6
Информация
Кольцо
Количество
6
Примечание
Для дизеля Д-260.1S3A, Д-260.2S3A
Модель
260
Группа
Двигатель
Подгруппа
Головка блока цилиндров
Порядковый номер детали
031
Кольцо ЗИЛ Д-243,245,260 прокладки ГБЦ,фторопласт ММЗ
Артикул: 260-1003031-А1
Кольцо ЗИЛ Д-243,245,260 прокладки ГБЦ,фторопласт ММЗ
Код для заказа: 00033467
Цена: 118 ₽/шт.
Под заказ
Кольцо ЗИЛ Д-243,245,260 прокладки ГБЦ,фторопласт ММЗ
Артикул: 260-1003031-А1
Код для заказа: 00033467
Кольцо ЗИЛ Д-243,245,260 прокладки ГБЦ,фторопласт ММЗ
Цена: 118 ₽/шт.
Под заказ
5
5
Артикул: 240-1003112
нет в наличии
ШПИЛЬКА СТОЙКИ
Количество на схеме: 6
Информация
ШПИЛЬКА СТОЙКИ
Количество
6
Модель
240
Группа
Двигатель
Подгруппа
Головка блока цилиндров
Порядковый номер детали
112
6
6
Артикул: 240-1003037
в наличии
Заглушка
Количество на схеме: 4
Информация
Заглушка
Количество
4
Модель
240
Группа
Двигатель
Подгруппа
Головка блока цилиндров
Порядковый номер детали
037
Заглушка Д-245 блока цилиндров (бобышка) ММЗ
Артикул: 240-1003037
Заглушка Д-245 блока цилиндров (бобышка) ММЗ
Код для заказа: 00030808
Цена: 61 ₽/шт.
Под заказ
Заглушка Д-245 блока цилиндров (бобышка) ММЗ
Артикул: 240-1003037
Код для заказа: 00030808
Заглушка Д-245 блока цилиндров (бобышка) ММЗ
Цена: 61 ₽/шт.
Под заказ
7
7
Артикул: 240-1003281
в наличии
Пробка
Количество на схеме: 4
Информация
Пробка
Количество
4
Модель
240
Группа
Двигатель
Подгруппа
Головка блока цилиндров
Порядковый номер детали
281
Пробка Д-260 теплообменника ММЗ
Артикул: 240-1003281
Пробка Д-260 теплообменника ММЗ
Код для заказа: 00046746
Цена: 76 ₽/шт.
Под заказ
Пробка Д-260 теплообменника ММЗ
Артикул: 240-1003281
Код для заказа: 00046746
Пробка Д-260 теплообменника ММЗ
Цена: 76 ₽/шт.
Под заказ
8
8
Артикул: 245-1003018-Б1
в наличии
Седло клапана впускного
Количество на схеме: 6
Информация
Седло клапана впускного
Количество
6
Модель
245
Группа
Двигатель
Подгруппа
Головка блока цилиндров
Порядковый номер детали
018
Седло клапана ЗИЛ-5301 впускного ММЗ
Артикул: 245-1003018-Б1
Седло клапана ЗИЛ-5301 впускного ММЗ
Код для заказа: 00054466
Цена: 675 ₽/шт.
Под заказ
Седло клапана ЗИЛ-5301 впускного ММЗ
Артикул: 245-1003018-Б1
Код для заказа: 00054466
Седло клапана ЗИЛ-5301 впускного ММЗ
Цена: 675 ₽/шт.
Под заказ
8
8
Артикул: 245-1003018-Б2
нет в наличии
СЕДЛО КЛАПАНА ВПУСКНОГО
Количество на схеме: 6
Информация
СЕДЛО КЛАПАНА ВПУСКНОГО
Количество
6
Модель
245
Группа
Двигатель
Подгруппа
Головка блока цилиндров
Порядковый номер детали
018
8
8
Артикул: 245-1003018-Б6
нет в наличии
Седло клапана впускного
Количество на схеме: 6
Информация
Седло клапана впускного
Количество
6
Модель
245
Группа
Двигатель
Подгруппа
Головка блока цилиндров
Порядковый номер детали
018
9
9
Артикул: 245-1003019-Б1
в наличии
Седло клапана выпускного
Количество на схеме: 6
Информация
Седло клапана выпускного
Количество
6
Модель
245
Группа
Двигатель
Подгруппа
Головка блока цилиндров
Порядковый номер детали
019
Седло клапана ЗИЛ-5301 выпускного ММЗ
Артикул: 245-1003019-Б1
Седло клапана ЗИЛ-5301 выпускного ММЗ
Код для заказа: 00054467
Цена: 614 ₽/шт.
Под заказ
Седло клапана ЗИЛ-5301 выпускного ММЗ
Артикул: 245-1003019-Б1
Код для заказа: 00054467
Седло клапана ЗИЛ-5301 выпускного ММЗ
Цена: 614 ₽/шт.
Под заказ
9
9
Артикул: 245-1003019-Б2
нет в наличии
СЕДЛО КЛАПАНА ВЫПУСКНОГО
Количество на схеме: 6
Информация
СЕДЛО КЛАПАНА ВЫПУСКНОГО
Количество
6
Модель
245
Группа
Двигатель
Подгруппа
Головка блока цилиндров
Порядковый номер детали
019
9
9
Артикул: 245-1003019-Б6
нет в наличии
Седло клапана выпускного
Количество на схеме: 6
Информация
Седло клапана выпускного
Количество
6
Модель
245
Группа
Двигатель
Подгруппа
Головка блока цилиндров
Порядковый номер детали
019
10
10
Артикул: 263-1007032
нет в наличии
Втулка направляющая клапана
Количество на схеме: 12
Информация
Втулка направляющая клапана
Количество
12
Модель
263
Группа
Двигатель
Подгруппа
Клапана и толкатели
Порядковый номер детали
032
10
10
Артикул: К3-30-0257-10
нет в наличии
Втулка направляющая клапана
Количество на схеме: 12
Информация
Втулка направляющая клапана
Количество
12
11
11
Артикул: 260-1003015-А2-01
нет в наличии
ГОЛОВКА ЦИЛИНДРОВ
Количество на схеме: 2
Информация
ГОЛОВКА ЦИЛИНДРОВ
Количество
2
Модель
260
Группа
Двигатель
Подгруппа
Головка блока цилиндров
Порядковый номер детали
015
12
12
Артикул: 36-1104788
нет в наличии
Кольцо
Количество на схеме: 4
Информация
Кольцо
Количество
4
Модель
36
Группа
Cистема питания двигателя
Подгруппа
Трубопроводы топливные
Порядковый номер детали
788
13
13
Артикул: Д02-003-А
нет в наличии
Заглушка
Количество на схеме: 6
Информация
Заглушка
Количество
6
14
14
Артикул: 50-1007053-А1
нет в наличии
Сухарь клапана
Количество на схеме: 24
Информация
Сухарь клапана
Количество
24
Модель
50
Группа
Двигатель
Подгруппа
Клапана и толкатели
Порядковый номер детали
053
14
14
Артикул: 50-1007053-А2
нет в наличии
Сухарь клапана
Количество на схеме: 24
Информация
Сухарь клапана
Количество
24
Модель
50
Группа
Двигатель
Подгруппа
Клапана и толкатели
Порядковый номер детали
053
15
15
Артикул: 240-1007015
нет в наличии
Клапан
Количество на схеме: 6
Информация
Клапан
Количество
6
Модель
240
Группа
Двигатель
Подгруппа
Клапана и толкатели
Порядковый номер детали
015
15
15
Артикул: 240-1007015-В
нет в наличии
Клапан выпускной
Количество на схеме: 6
Информация
Клапан выпускной
Количество
6
Модель
240
Группа
Двигатель
Подгруппа
Клапана и толкатели
Порядковый номер детали
015
15
15
Артикул: 4753421198-ВМС
нет в наличии
Клапан
Количество на схеме: 6
Информация
Клапан
Количество
6
Группа
Оборудование дополнительное
Подгруппа
4753
Порядковый номер детали
421
Дополнительно
Не взаимозаменяема с деталью, выпущенной ранее под этим же номером
16
16
Артикул: 240-1007020-Б
нет в наличии
Манжета уплотнительная клапана
Количество на схеме: 12
Информация
Манжета уплотнительная клапана
Количество
12
Модель
240
Группа
Двигатель
Подгруппа
Клапана и толкатели
Порядковый номер детали
020
16
16
Артикул: 240-1007020-Б-В
нет в наличии
Манжета уплотнительная клапана
Количество на схеме: 12
Информация
Манжета уплотнительная клапана
Количество
12
Модель
240
Группа
Двигатель
Подгруппа
Клапана и толкатели
Порядковый номер детали
020
17
17
Артикул: 240-1007045-А
нет в наличии
Пружина клапана
Количество на схеме: 12
Информация
Пружина клапана
Количество
12
Модель
240
Группа
Двигатель
Подгруппа
Клапана и толкатели
Порядковый номер детали
045
17
17
Артикул: 240-1007045-А3
нет в наличии
Пружина клапана наружная
Количество на схеме: 12
Информация
Пружина клапана наружная
Количество
12
Модель
240
Группа
Двигатель
Подгруппа
Клапана и толкатели
Порядковый номер детали
045
17
17
Артикул: 240-1007045-А4
нет в наличии
Пружина клапана наружная
Количество на схеме: 12
Информация
Пружина клапана наружная
Количество
12
Модель
240
Группа
Двигатель
Подгруппа
Клапана и толкатели
Порядковый номер детали
045
17
17
Артикул: 240-1007045-А6
нет в наличии
ПРУЖИНА КЛАПАНА НАРУЖНАЯ
Количество на схеме: 12
Информация
ПРУЖИНА КЛАПАНА НАРУЖНАЯ
Количество
12
Модель
240
Группа
Двигатель
Подгруппа
Клапана и толкатели
Порядковый номер детали
045
18
18
Артикул: 240-1007048
нет в наличии
Тарелка пружин клапана
Количество на схеме: 12
Информация
Тарелка пружин клапана
Количество
12
Модель
240
Группа
Двигатель
Подгруппа
Клапана и толкатели
Порядковый номер детали
048
19
19
Артикул: 260-1007014
нет в наличии
Клапан впускной
Количество на схеме: 6
Информация
Клапан впускной
Количество
6
Модель
260
Группа
Двигатель
Подгруппа
Клапана и толкатели
Порядковый номер детали
014
19
19
Артикул: 260-1007014-В
нет в наличии
Клапан впускной
Количество на схеме: 6
Информация
Клапан впускной
Количество
6
Модель
260
Группа
Двигатель
Подгруппа
Клапана и толкатели
Порядковый номер детали
014
19
19
Артикул: 4753526630-SC
нет в наличии
Клапан впускной
Количество на схеме: ;
Информация
Клапан впускной
Количество
;
Подгруппа
4753
Порядковый номер детали
526
Дополнительно
Не взаимозаменяема с деталью, выпущенной ранее под этим же номером
20
20
Артикул: 50-1007103-А
нет в наличии
Пружина оси коромысел
Количество на схеме: 4
Информация
Пружина оси коромысел
Количество
4
Модель
50
Группа
Двигатель
Подгруппа
Клапана и толкатели
Порядковый номер детали
103
20
20
Артикул: 50-1007103-А1
нет в наличии
Пружина оси коромысел
Количество на схеме: 4
Информация
Пружина оси коромысел
Количество
4
Модель
50
Группа
Двигатель
Подгруппа
Клапана и толкатели
Порядковый номер детали
103
20
20
Артикул: 50-1007103-А2
нет в наличии
Пружина оси коромысел
Количество на схеме: 4
Информация
Пружина оси коромысел
Количество
4
Модель
50
Группа
Двигатель
Подгруппа
Клапана и толкатели
Порядковый номер детали
103
21
21
Артикул: 50-1007175-Б1
в наличии
Винт регулировочный
Количество на схеме: 12
Информация
Винт регулировочный
Количество
12
Модель
50
Группа
Двигатель
Подгруппа
Клапана и толкатели
Порядковый номер детали
175
Винт ЗИЛ-5301 рычага клапана регулировочный ММЗ
Артикул: 50-1007175-Б1
Винт ЗИЛ-5301 рычага клапана регулировочный ММЗ
Код для заказа: 00025546
Цена: 101 ₽/шт.
Под заказ
Винт ЗИЛ-5301 рычага клапана регулировочный ММЗ
Артикул: 50-1007175-Б1
Код для заказа: 00025546
Винт ЗИЛ-5301 рычага клапана регулировочный ММЗ
Цена: 101 ₽/шт.
Под заказ
22
22
Артикул: 50-1007182
нет в наличии
Пробка оси коромысел
Количество на схеме: 4
Информация
Пробка оси коромысел
Количество
4
Модель
50
Группа
Двигатель
Подгруппа
Клапана и толкатели
Порядковый номер детали
182
23
23
Артикул: 50-1007183
нет в наличии
Шайба пробки
Количество на схеме: 4
Информация
Шайба пробки
Количество
4
Модель
50
Группа
Двигатель
Подгруппа
Клапана и толкатели
Порядковый номер детали
183
24
24
Артикул: 50-1007212-А4
нет в наличии
Коромысло клапана со втулками
Количество на схеме: 12
Информация
Коромысло клапана со втулками
Количество
12
Модель
50
Группа
Двигатель
Подгруппа
Клапана и толкатели
Порядковый номер детали
212
25
25
Артикул: 240-1007151-Б
нет в наличии
Стойка оси коромысел крайняя
Количество на схеме: 4
Информация
Стойка оси коромысел крайняя
Количество
4
Модель
240
Группа
Двигатель
Подгруппа
Клапана и толкатели
Порядковый номер детали
151
26
26
Артикул: 240-1007152-Б
нет в наличии
Стойка оси коромысел средняя
Количество на схеме: 2
Информация
Стойка оси коромысел средняя
Количество
2
Модель
240
Группа
Двигатель
Подгруппа
Клапана и толкатели
Порядковый номер детали
152
27
27
Артикул: 240-1007185
нет в наличии
Фиксатор оси коромысел
Количество на схеме: 2
Информация
Фиксатор оси коромысел
Количество
2
Модель
240
Группа
Двигатель
Подгруппа
Клапана и толкатели
Порядковый номер детали
185
28
28
Артикул: 260-1007102-А
в наличии
Ось коромысел
Количество на схеме: 2
Информация
Ось коромысел
Количество
2
Модель
260
Группа
Двигатель
Подгруппа
Клапана и толкатели
Порядковый номер детали
102
Ось Д-260 коромысел ММЗ
Артикул: 260-1007102-А
Ось Д-260 коромысел ММЗ
Код для заказа: 00041768
Цена: 1 793 ₽/шт.
Под заказ
Ось Д-260 коромысел ММЗ
Артикул: 260-1007102-А
Код для заказа: 00041768
Ось Д-260 коромысел ММЗ
Цена: 1 793 ₽/шт.
Под заказ
29
29
Артикул: Д02-063
в наличии
Гайка
Количество на схеме: 12
Информация
Гайка
Количество
12
Гайка ЗИЛ Д-243,245,260 винта регулировки коромысла ММЗ
Артикул: Д02-063
Гайка ЗИЛ Д-243,245,260 винта регулировки коромысла ММЗ
Код для заказа: 00027231
Цена: 108 ₽/шт.
Под заказ
Гайка ЗИЛ Д-243,245,260 винта регулировки коромысла ММЗ
Артикул: Д02-063
Код для заказа: 00027231
Гайка ЗИЛ Д-243,245,260 винта регулировки коромысла ММЗ
Цена: 108 ₽/шт.
Под заказ
30
30
Артикул: 10-65Г-06
нет в наличии
Шайба
Количество на схеме: 2
Информация
Шайба
Количество
2
31
31
Артикул: 260-1007310/-А
нет в наличии
Штанга
Количество на схеме: 12
Информация
Штанга
Количество
12
Модель
260
Группа
Двигатель
Подгруппа
Клапана и толкатели
Порядковый номер детали
310
32
32
Артикул: 11-720-720
в наличии
Свеча накаливания
Количество на схеме: 6
Информация
Свеча накаливания
Количество
6
Свеча накаливания Д-245,Д-260 ЕВРО-2,ЕВРО-3 24V ММЗ
Артикул: 11-720-720
Свеча накаливания Д-245,Д-260 ЕВРО-2,ЕВРО-3 24V ММЗ
Код для заказа: 00054456
Цена: 1 013 ₽/шт.
Под заказ
Свеча накаливания Д-245,Д-260 ЕВРО-2,ЕВРО-3 24V ММЗ
Артикул: 11-720-720
Код для заказа: 00054456
Свеча накаливания Д-245,Д-260 ЕВРО-2,ЕВРО-3 24V ММЗ
Цена: 1 013 ₽/шт.
Под заказ
33
33
Артикул: М12-6Н-6-(S18)
нет в наличии
Гайка
Количество на схеме: 6
Информация
Гайка
Количество
6
34
34
Артикул: М12-6gx85-88-35-016
нет в наличии
Болт
Количество на схеме: 4
Информация
Болт
Количество
4
35
35
Артикул: А-12-01-08кп
нет в наличии
Шайба
Количество на схеме: 4
Информация
Шайба
Количество
4
36
36
Артикул: 240-1007375-А1
нет в наличии
Толкатель клапана
Количество на схеме: 12
Информация
Толкатель клапана
Количество
12
Модель
240
Группа
Двигатель
Подгруппа
Клапана и толкатели
Порядковый номер детали
375
36
36
Артикул: 240-1007375-А2
нет в наличии
Толкатель клапана
Количество на схеме: 12
Информация
Толкатель клапана
Количество
12
Модель
240
Группа
Двигатель
Подгруппа
Клапана и толкатели
Порядковый номер детали
375
  • Грузовые автомобили
  • Автобусы
  • Сельхозтехника
  • Спецтехника
  • Двигатели
Получить оптовый прайс-лист
Скачать прайс-лист от 08.05.2026 16:00
Специальное предложение от 08.05.2026 17:00
Производители:


  • WEICHAI
  • Автодизель ПАО (ЯМЗ)
  • Тутаевский МЗ
  • ЯЗДА
  • УралАЗ
  • МАЗ
  • АЗПИ
  • BOSCH
  • ММЗ
  • ШААЗ
  • FEDERAL MOGUL
  • ПРАМО
  • Мотордеталь
  • ТАИМ
  • АвтоКрАЗ
  • БЕЛКАРД
  • CZ Strakonice
  • КамАЗ
  • БЗА
  • ЧМЗ
  • BMZ
Новости
Все новости
25 марта 2024
Флагманский седельный тягач «Валдай 45» на выставке «TransRussia»
10 марта 2024
Современные автобусы «CITYMAX 9» и ЛиАЗ-5292 CNG
25 февраля 2024
Серийное производство средних дизельных двигателей повышенной мощности от ЯМЗ
Статьи
Все статьи
Датчики двигателя: за что они отвечают, признаки неисправности и как не прогадать с выбором
Двигатели ЯМЗ-534: история, технические характеристики и области применения
Двигатели ЯМЗ 650: углублённый технический обзор и история
Компания
О компании
Реквизиты
Новости
Политика
Магазины
Информация
Условия оплаты
Условия доставки
Гарантия на товар
Обмен и возврат товара
Помощь
Как оформить заказ
Полезные статьи
Бренды
Пункты выдачи
Оставайтесь на связи
  • Вконтакте
  • YouTube
  • Одноклассники
  • Google Plus
Увидели ошибку?
Выделите, нажав Ctrl + Enter
Наши контакты
8-800-700-35-68
sales@din76.ru
г. Ярославль, Ленинградский пр-т 33, ТЦ "ОМЕГА"
2026 © ООО «Динамика 76» - Все права защищены ООО "Динамика 76"
Предложения на сайте не являются публичной офертой.
На сайте обнаружена ошибка

Текст с ошибкой