Избранное 0 Корзина 0 Личный кабинет
logo
Каталог
Каталог
  • Справочник
    • Грузовые автомобили
    • Автобусы
    • Сельхозтехника
    • Спецтехника
    • Двигатели
  • Доставка
  • Оплата
  • О компании
    • Реквизиты
    • Магазины
    • Оплата
    • Доставка
    • Лицензии и сертификаты
    • Новости
    • Вакансии
  • Контакты
Отправить заявку
Личный кабинет
8 (800) 700-35-68
sales@din76.ru
Избранное 0 Корзина 0
8 (800) 700-35-68
Оптовый прайс-лист
Каталог
  • Двигатели
  • Запчасти WEICHAI
  • Запчасти ЯМЗ, ТМЗ (V-образные)
  • Запчасти ЯМЗ-534, ЯМЗ-536
  • Запчасти ЯМЗ-650, ЯМЗ-651, DCi-11
  • Топливная аппаратура
  • Запчасти УРАЛ
  • Запчасти МАЗ
  • Запчасти КамАЗ
  • Запчасти ММЗ
  • Ремни
Автокаталог (справочник)
  • Доставка
  • Оплата
  • О компании
  • Контакты
8 (800) 700-35-68
Написать в Whatsapp
sales@din76.ru
Динамика 76
Меню  
  • Каталог
    • Двигатели  
      • Двигатели ТМЗ  
        • Двигатели ТМЗ для автомобилей
        • Двигатели ТМЗ для тракторов
        • Специальные двигатели ТМЗ
        • Промышленные двигатели ТМЗ
      • Двигатели ЯМЗ  
        • ЯМЗ 236
        • ЯМЗ 238
        • ЯМЗ 240
        • ЯМЗ 751
        • ЯМЗ 840
        • ЯМЗ 850
        • ЯМЗ 656
        • ЯМЗ 658
        • ЯМЗ 534
        • ЯМЗ 536
        • ЯМЗ 650
        • Двигатели ЯМЗ для электростанций
      • Двигатели КАМАЗ
      • Двигатели ММЗ
      • Двигатели индивидуальной сборки
      • Комплекты переоборудования
    • Запчасти WEICHAI  
      • Основные запчасти двигателя  
        • Клапаны и толкатели
        • Шатуны
        • Вал коленчатый и маховик
        • Вал распределительный
        • Цилиндро-поршневая группа
      • Система питания  
        • Форсунки
        • Турбокомпрессор
      • Система смазки  
        • Насос масляный
      • Головка блока
      • Ремкомплекты
      • Система охлаждения  
        • Насос водяной
        • Муфта вязкостная и крыльчатка
      • Фильтры
      • Электрооборудование  
        • Генератор
        • Стартер
    • Запчасти ЯМЗ, ТМЗ (V-образные)  
      • Основные запчасти двигателя  
        • Блок двигателя и комплектующие
        • Валы распределительные и клапаны
        • Головка блока и комплектующие
        • Цилиндро-поршневая группа
        • Маховики и комплектующие
        • Валы коленчатые и комплектующие
        • Шатуны и комплектующие
      • Система питания  
        • Коллекторы и патрубки
        • Топливные трубопроводы
        • Турбокомпрессор
        • Топливные фильтры
      • Электрооборудование двигателя
      • Система охлаждения  
        • Вязкостные муфты и крыльчатки
        • Приводы вентилятора
        • Водяные насосы
        • Водяные трубы и термостаты
      • Коробки переключения передач  
        • 8 Ступенчатые КПП
        • 5 Ступенчатые КПП
        • 9 Ступенчатые КПП
        • Запасные части КПП ЯМЗ, ТМЗ
      • Система смазки  
        • Теплообменник и комплектующие
        • Масляные насосы
        • Фильтры масляные (ФГОМ, ФЦОМ)
      • Сцепление  
        • Запасные части механизма сцепления
        • Муфты (подшипники выжимные)
        • Корзины (диски нажимные)
        • Диски ведомые
      • Прочие запчасти двигателя  
        • Ремкомплекты
        • Привод агрегатов
        • Натяжные устройства
        • Трубки
    • Запчасти ЯМЗ-534, ЯМЗ-536  
      • Основные запчасти двигателя  
        • Цилиндро-поршневая группа
        • Головка блока цилиндров и комплектующие
        • Блок цилиндров и комплектующие
        • Вал коленчатый и маховик
        • Вал распределительный
        • Клапаны и толкатели
        • ГУР (Гидроусилитель руля)
        • Система рециркуляции отработавших газов
        • Выпускной коллектор
      • Система питания  
        • Коллекторы и патрубки
        • Топливные фильтры
        • Турбокомпрессор
        • Топливные трубопроводы
      • Система смазки  
        • Масляный картер поддон
        • Масляный насос
        • Теплообменник /Водо-масляный радиатор
        • Фильтры масляные (ФГОМ, ФЦОМ)
      • Пневмокомпрессор и натяжное
      • Система охлаждения  
        • Водяной насос
        • Водяные трубы и патрубки
        • Муфты вязкостные, приводы, крыльчатки
      • Ремкомплекты
      • Сцепление
      • Электрооборудование
    • Запчасти ЯМЗ-650, ЯМЗ-651, DCi-11  
      • Основные запчасти двигателя  
        • Цилиндро-поршневая группа
        • Головка блока цилиндров и комплектующие
        • Блок цилиндров и комплектующие
        • Вал коленчатый и маховик
        • Выпускной коллектор
        • Вал распределительный
        • Клапаны и толкатели
        • ГУР (Гидроусилитель руля)
        • Система рециркуляции отработавших газов
      • Система питания  
        • Коллекторы и патрубки
        • Топливные трубопроводы
        • Топливные фильтры
        • Турбокомпрессор
      • Система смазки  
        • Масляный картер / поддон
        • Масляный насос
        • Теплообменник / Водо-масляный радиатор
        • Фильтры масляные (ФГОМ, ФЦОМ)
      • Система охлаждения  
        • Водяной насос
        • Водяные трубы и патрубки
        • Муфты вязкостные, приводы, крыльчатки
      • Ремкомплекты
      • Пневмокомпрессор и натяжное
      • Электрооборудование
      • Сцепление
    • Топливная аппаратура  
      • ЯЗДА  
        • Распылители
        • ТНВД
        • Форсунки
        • Топливный насос низкого давления
        • Пары плунжерные
        • Муфта опережения впрыска топлива
        • Запчасти и комплектующие ТНВД
      • НЗТА
      • АЗПИ  
        • Распылители
        • Форсунки
      • BOSCH
    • Запчасти УРАЛ  
      • Трансмиссия  
        • Коробка раздаточная
        • Передача карданная
        • Мост задний
        • Мост передний (ведущий)
        • Мост средний (промежуточный)
      • Кузов  
        • Дверь кабины
        • Капот, крылья, облицовка радиатора
        • Окно ветровое и заднее
        • Отопление и вентиляция кабины
        • Кабина
      • Механизмы управления  
        • Управление рулевое
        • Тормоза
      • Дополнительное оборудование  
        • Отбор мощности
        • Устройство седельное
      • Электрооборудование
      • Ходовая часть  
        • Колеса и ступицы
        • Ось передняя
        • Подвеска автомобиля
        • Рама
    • Запчасти МАЗ  
      • Трансмиссия  
        • Мост задний
        • Мост передний (ведущий)
        • Передача карданная
        • Мост средний (промежуточный)
      • Кузов  
        • Кабина
        • Дверь кабины
        • Детали основания кабины
        • Окно ветровое и заднее
        • Платформа
      • Механизмы управления  
        • Тормоза
        • Управление рулевое
      • Ходовая часть  
        • Колеса и ступицы
        • Ось передняя
        • Подвеска автомобиля
        • Рама
    • Запчасти КамАЗ  
      • Кузов  
        • Кабина
        • Капот, крылья, облицовка радиатора
        • Дверь кабины
        • Платформа
        • Окно ветровое и заднее
        • Устройство подъемное и опрокидывающее
        • Сиденье
        • Крыша кабины (крыша кузова)
        • Отопление и вентиляция кабины
      • Трансмиссия  
        • Коробка передач
        • Коробка раздаточная
        • Мост задний
        • Сцепление
        • Мост средний (промежуточный)
        • Передача карданная
        • Мост передний (ведущий)
      • Двигатель  
        • Основные запчасти двигателя
        • Система охлаждения
        • Система питания
        • Система смазки
      • Дополнительное оборудование  
        • Отбор мощности
        • Устройство седельное
      • Ходовая часть  
        • Подвеска автомобиля
        • Рама
        • Колеса и ступицы
        • Ось передняя
      • Механизмы управления  
        • Тормоза
        • Управление рулевое
      • Электрооборудование
    • Запчасти ММЗ
    • Ремни
  • Справочник
    • Грузовые автомобили
    • Автобусы
    • Сельхозтехника
    • Спецтехника
    • Двигатели
  • Как купить
    • Условия оплаты
    • Условия доставки
    • Гарантия на товар
    • Пункты выдачи
  • Услуги
    • Капитальный ремонт двигателей ЯМЗ
  • Акции
  • Статьи
  • Контакты
  • Компания
    • Реквизиты
    • Магазины
    • Оплата
    • Доставка
    • Лицензии и сертификаты
    • Новости
    • Вакансии
Избранное 0 Корзина 0
8-800-700-35-68

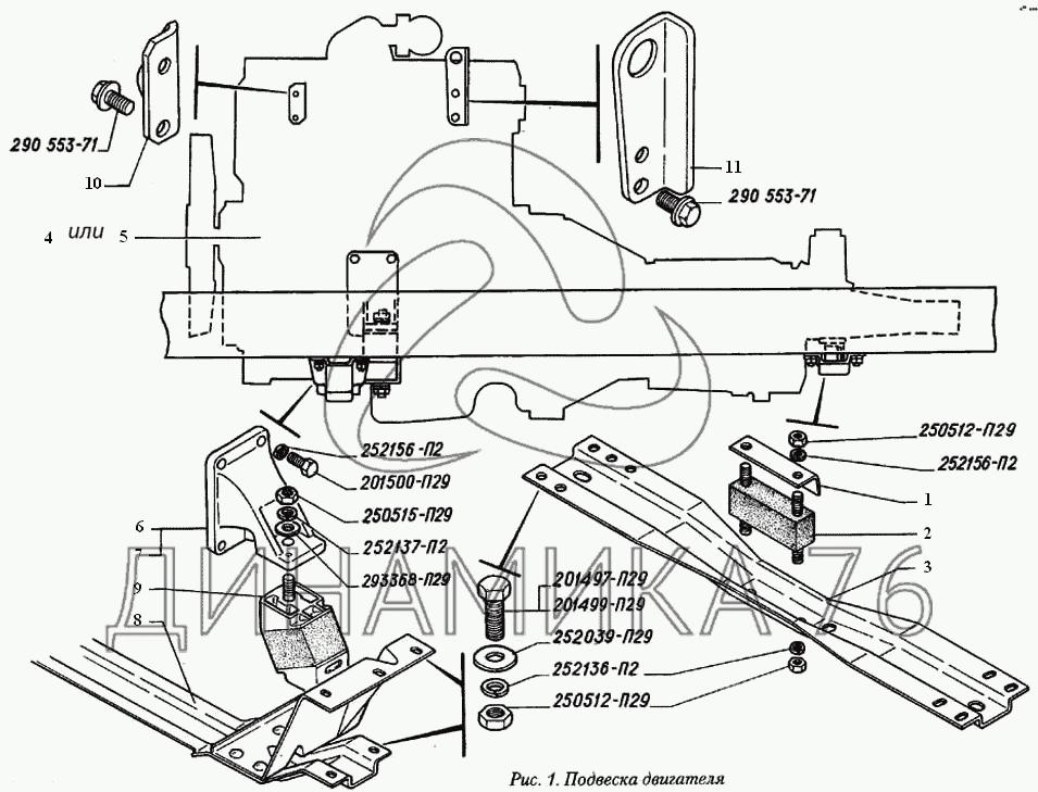
Подвеска двигателя на ГАЗ-560 (до 2004 г.)

Справочник
Главная
-
Автокаталог
-
Двигатели
-
ГАЗ
-
ГАЗ-560
Справочный каталог

Подвеска двигателя — ГАЗ-560:

201497-П29 201499-П29 201500-П29 250512-П29 250512-П29 250515-П29 252039-П29 252136-П2 252137-П2 252156-П2 252156-П2 290553-71 290553-71 293368-П29 1 2 3 4 5 6 7 8 9 10 11
в наличии
нет в наличии
масштаб

В наличии
Нет в наличии

Перечень комплектующих от Подвеска двигателя на ГАЗ-560

Схемы запчастей предназначены для справочных целей! Мы продаем не все запчасти от Подвеска двигателя на ГАЗ-560, представленные в этом списке.
Наличие на складах по деталям с ценой смотрите в карточке товара.
Артикул: 201497-П29
нет в наличии
Болт М10-6gх25 ОСТ 37.001.123-96
Информация
Болт М10-6gх25 ОСТ 37.001.123-96
Артикул: 201499-П29
в наличии
Болт М10-6gх30 ОСТ 37.001.123-96
Информация
Болт М10-6gх30 ОСТ 37.001.123-96
Болт М10х1.5х30
Артикул: 201499-П29
Болт М10х1.5х30
Код для заказа: 00002865
Цена: 40 ₽/шт.
В наличии: 72 шт.
- +
В корзинуВ корзине
Болт М10х1.5х30
Артикул: 201499-П29
Код для заказа: 00002865
Болт М10х1.5х30
Цена: 40 ₽/шт.
В наличии: 72 шт.
- +
В корзинуВ корзине
Артикул: 201500-П29
нет в наличии
Болт М10-6gх32 ОСТ 37.001.123-96
Информация
Болт М10-6gх32 ОСТ 37.001.123-96
Артикул: 250512-П29
в наличии
Гайка М10-6Н ОСТ 37.001.124-93
Информация
Гайка М10-6Н ОСТ 37.001.124-93
Гайка М10х1.5х8 ГАЗ-2410,3110,УРАЛ под ключ 17мм облиц.радиатора, топл.бака, ГЦС, РЦС
Артикул: 250512-П29
Гайка М10х1.5х8 ГАЗ-2410,3110,УРАЛ под ключ 17мм облиц.радиатора, топл.бака, ГЦС, РЦС
Код для заказа: 00008044
Цена: 20 ₽/шт.
Под заказ
Гайка М10х1.5х8 ГАЗ-2410,3110,УРАЛ под ключ 17мм облиц.радиатора, топл.бака, ГЦС, РЦС
Артикул: 250512-П29
Код для заказа: 00008044
Гайка М10х1.5х8 ГАЗ-2410,3110,УРАЛ под ключ 17мм облиц.радиатора, топл.бака, ГЦС, РЦС
Цена: 20 ₽/шт.
Под заказ
Артикул: 250515-П29
в наличии
Гайка М12х1,25-6Н ОСТ 37.001.124-93
Информация
Гайка М12х1,25-6Н ОСТ 37.001.124-93
Гайка М12*1,25-10
Артикул: 250515-П29
Гайка М12*1,25-10
Код для заказа: 00008613
Цена: 20 ₽/шт.
Под заказ
Гайка М12*1,25-10
Артикул: 250515-П29
Код для заказа: 00008613
Гайка М12*1,25-10
Цена: 20 ₽/шт.
Под заказ
Артикул: 252039-П29
нет в наличии
Шайба 10 ОСТ 37.001.144-96
Информация
Шайба 10 ОСТ 37.001.144-96
Артикул: 252136-П2
в наличии
Шайба 10 ОТ ОСТ 37.001.115-75
Информация
Шайба 10 ОТ ОСТ 37.001.115-75
Шайба 10.2х2.5 пружинная цинк ЭТНА
Артикул: 252136-П2
Шайба 10.2х2.5 пружинная цинк ЭТНА
Код для заказа: 00062958
Цена: 10 ₽/шт.
Под заказ
Шайба 10.2х2.5 пружинная цинк ЭТНА
Артикул: 252136-П2
Код для заказа: 00062958
Шайба 10.2х2.5 пружинная цинк ЭТНА
Цена: 10 ₽/шт.
Под заказ
Шайба гроверная 17,1х10,1х3,5
Артикул: 252136-П2
Шайба гроверная 17,1х10,1х3,5
Код для заказа: 00006018
Цена: 10 ₽/шт.
Под заказ
Шайба гроверная 17,1х10,1х3,5
Артикул: 252136-П2
Код для заказа: 00006018
Шайба гроверная 17,1х10,1х3,5
Цена: 10 ₽/шт.
Под заказ
Артикул: 252137-П2
в наличии
Шайба 12.ОТ ОСТ 37.001.115-75
Информация
Шайба 12.ОТ ОСТ 37.001.115-75
ШАЙБА 12Х4 (ЯМЗ)
Артикул: 252137-П2
ШАЙБА 12Х4 (ЯМЗ)
Код для заказа: 00006019
Цена: 14 ₽/шт.
Под заказ
ШАЙБА 12Х4 (ЯМЗ)
Артикул: 252137-П2
Код для заказа: 00006019
ШАЙБА 12Х4 (ЯМЗ)
Цена: 14 ₽/шт.
Под заказ
Артикул: 252156-П2
в наличии
Шайба 10Л ОСТ 37.001.115-75
Информация
Шайба 10Л ОСТ 37.001.115-75
ШАЙБА 10,1 (ЯМЗ)
Артикул: 252156-П2
ШАЙБА 10,1 (ЯМЗ)
Код для заказа: 00006021
Цена: 3 ₽/шт.
Под заказ
ШАЙБА 10,1 (ЯМЗ)
Артикул: 252156-П2
Код для заказа: 00006021
ШАЙБА 10,1 (ЯМЗ)
Цена: 3 ₽/шт.
Под заказ
Артикул: 290553-71
нет в наличии
Болт М8х 20 (3802419/0)
Информация
Болт М8х 20 (3802419/0)
Артикул: 293368-П29
нет в наличии
Шайба 12,5
Информация
Шайба 12,5
1
1
Артикул: 24-1001037
нет в наличии
Ограничитель
Информация
Ограничитель
Группа
Двигатель
Подгруппа
Подвеска двигателя (силового агрегата)
Порядковый номер детали
037
2
2
Артикул: 24-1001050-Б
нет в наличии
Подушка опоры двигателя задняя
Информация
Подушка опоры двигателя задняя
Группа
Двигатель
Подгруппа
Подвеска двигателя (силового агрегата)
Порядковый номер детали
050
3
3
Артикул: 3302-1001159
нет в наличии
Поперечина задней опоры двигателя
Информация
Поперечина задней опоры двигателя
Группа
Двигатель
Подгруппа
Подвеска двигателя (силового агрегата)
Порядковый номер детали
159
4
4
Артикул: 330242-1000300
нет в наличии
Двигатель
Информация
Двигатель
Группа
Двигатель
Подгруппа
Двигатель в сборе
Порядковый номер детали
300
5
5
Артикул: 330242-1000300-10
нет в наличии
Двигатель
Информация
Двигатель
Группа
Двигатель
Подгруппа
Двигатель в сборе
Порядковый номер детали
300
Дополнительно
Не взаимозаменяема с деталью, выпущенной ранее под этим же номером
6
6
Артикул: 330242-1001012
нет в наличии
Кронштейн двигателя со штифтом правый
Информация
Кронштейн двигателя со штифтом правый
Группа
Двигатель
Подгруппа
Подвеска двигателя (силового агрегата)
Порядковый номер детали
012
7
7
Артикул: 330242-1001013
нет в наличии
Кронштейн двигателя со штифтом левый
Информация
Кронштейн двигателя со штифтом левый
Группа
Двигатель
Подгруппа
Подвеска двигателя (силового агрегата)
Порядковый номер детали
013
8
8
Артикул: 330242-2801380
нет в наличии
Поперечина передней подвески двигателя
Информация
Поперечина передней подвески двигателя
Группа
Рама
Подгруппа
Рама
Порядковый номер детали
380
9
9
Артикул: 3306-1001020-01
нет в наличии
Подушка подвески двигателя передняя
Информация
Подушка подвески двигателя передняя
Группа
Двигатель
Подгруппа
Подвеска двигателя (силового агрегата)
Порядковый номер детали
020
10
10
Артикул: 562-1002343
нет в наличии
Серьга (2040070/2)
Информация
Серьга (2040070/2)
Группа
Двигатель
Подгруппа
Блок цилиндров
Порядковый номер детали
343
11
11
Артикул: 560-1002344
нет в наличии
Серьга (2203501/О)
Информация
Серьга (2203501/О)
Группа
Двигатель
Подгруппа
Блок цилиндров
Порядковый номер детали
344
  • Грузовые автомобили
  • Автобусы
  • Сельхозтехника
  • Спецтехника
  • Двигатели
Получить оптовый прайс-лист
Скачать прайс-лист от 07.05.2026 12:00
Специальное предложение от 07.05.2026 09:00
Производители:


  • WEICHAI
  • Автодизель ПАО (ЯМЗ)
  • Тутаевский МЗ
  • ЯЗДА
  • УралАЗ
  • МАЗ
  • АЗПИ
  • BOSCH
  • ММЗ
  • ШААЗ
  • FEDERAL MOGUL
  • ПРАМО
  • Мотордеталь
  • ТАИМ
  • АвтоКрАЗ
  • БЕЛКАРД
  • CZ Strakonice
  • КамАЗ
  • БЗА
  • ЧМЗ
  • BMZ
Новости
Все новости
25 марта 2024
Флагманский седельный тягач «Валдай 45» на выставке «TransRussia»
10 марта 2024
Современные автобусы «CITYMAX 9» и ЛиАЗ-5292 CNG
25 февраля 2024
Серийное производство средних дизельных двигателей повышенной мощности от ЯМЗ
Статьи
Все статьи
Датчики двигателя: за что они отвечают, признаки неисправности и как не прогадать с выбором
Двигатели ЯМЗ-534: история, технические характеристики и области применения
Двигатели ЯМЗ 650: углублённый технический обзор и история
Компания
О компании
Реквизиты
Новости
Политика
Магазины
Информация
Условия оплаты
Условия доставки
Гарантия на товар
Обмен и возврат товара
Помощь
Как оформить заказ
Полезные статьи
Бренды
Пункты выдачи
Оставайтесь на связи
  • Вконтакте
  • YouTube
  • Одноклассники
  • Google Plus
Увидели ошибку?
Выделите, нажав Ctrl + Enter
Наши контакты
8-800-700-35-68
sales@din76.ru
г. Ярославль, Ленинградский пр-т 33, ТЦ "ОМЕГА"
2026 © ООО «Динамика 76» - Все права защищены ООО "Динамика 76"
Предложения на сайте не являются публичной офертой.
На сайте обнаружена ошибка

Текст с ошибкой