Избранное 0 Корзина 0 Личный кабинет
logo
Каталог
Каталог
  • Справочник
    • Грузовые автомобили
    • Автобусы
    • Сельхозтехника
    • Спецтехника
    • Двигатели
  • Доставка
  • Оплата
  • О компании
    • Реквизиты
    • Магазины
    • Оплата
    • Доставка
    • Лицензии и сертификаты
    • Новости
    • Вакансии
  • Контакты
Отправить заявку
Личный кабинет
8 (800) 700-35-68
sales@din76.ru
Избранное 0 Корзина 0
8 (800) 700-35-68
Оптовый прайс-лист
Каталог
  • Двигатели
  • Запчасти WEICHAI
  • Запчасти ЯМЗ, ТМЗ (V-образные)
  • Запчасти ЯМЗ-534, ЯМЗ-536
  • Запчасти ЯМЗ-650, ЯМЗ-651, DCi-11
  • Топливная аппаратура
  • Запчасти УРАЛ
  • Запчасти МАЗ
  • Запчасти КамАЗ
  • Запчасти ММЗ
  • Ремни
Автокаталог (справочник)
  • Доставка
  • Оплата
  • О компании
  • Контакты
8 (800) 700-35-68
Написать в Whatsapp
sales@din76.ru
Динамика 76
Меню  
  • Каталог
    • Двигатели  
      • Двигатели ТМЗ  
        • Двигатели ТМЗ для автомобилей
        • Двигатели ТМЗ для тракторов
        • Специальные двигатели ТМЗ
        • Промышленные двигатели ТМЗ
      • Двигатели ЯМЗ  
        • ЯМЗ 236
        • ЯМЗ 238
        • ЯМЗ 240
        • ЯМЗ 751
        • ЯМЗ 840
        • ЯМЗ 850
        • ЯМЗ 656
        • ЯМЗ 658
        • ЯМЗ 534
        • ЯМЗ 536
        • ЯМЗ 650
        • Двигатели ЯМЗ для электростанций
      • Двигатели КАМАЗ
      • Двигатели ММЗ
      • Двигатели индивидуальной сборки
      • Комплекты переоборудования
    • Запчасти WEICHAI  
      • Основные запчасти двигателя  
        • Клапаны и толкатели
        • Шатуны
        • Вал коленчатый и маховик
        • Вал распределительный
        • Цилиндро-поршневая группа
      • Система питания  
        • Форсунки
        • Турбокомпрессор
      • Система смазки  
        • Насос масляный
      • Головка блока
      • Ремкомплекты
      • Система охлаждения  
        • Насос водяной
        • Муфта вязкостная и крыльчатка
      • Фильтры
      • Электрооборудование  
        • Генератор
        • Стартер
    • Запчасти ЯМЗ, ТМЗ (V-образные)  
      • Основные запчасти двигателя  
        • Блок двигателя и комплектующие
        • Валы распределительные и клапаны
        • Головка блока и комплектующие
        • Цилиндро-поршневая группа
        • Маховики и комплектующие
        • Валы коленчатые и комплектующие
        • Шатуны и комплектующие
      • Система питания  
        • Коллекторы и патрубки
        • Топливные трубопроводы
        • Турбокомпрессор
        • Топливные фильтры
      • Электрооборудование двигателя
      • Система охлаждения  
        • Вязкостные муфты и крыльчатки
        • Приводы вентилятора
        • Водяные насосы
        • Водяные трубы и термостаты
      • Коробки переключения передач  
        • 8 Ступенчатые КПП
        • 5 Ступенчатые КПП
        • 9 Ступенчатые КПП
        • Запасные части КПП ЯМЗ, ТМЗ
      • Система смазки  
        • Теплообменник и комплектующие
        • Масляные насосы
        • Фильтры масляные (ФГОМ, ФЦОМ)
      • Сцепление  
        • Запасные части механизма сцепления
        • Муфты (подшипники выжимные)
        • Корзины (диски нажимные)
        • Диски ведомые
      • Прочие запчасти двигателя  
        • Ремкомплекты
        • Привод агрегатов
        • Натяжные устройства
        • Трубки
    • Запчасти ЯМЗ-534, ЯМЗ-536  
      • Основные запчасти двигателя  
        • Цилиндро-поршневая группа
        • Головка блока цилиндров и комплектующие
        • Блок цилиндров и комплектующие
        • Вал коленчатый и маховик
        • Вал распределительный
        • Клапаны и толкатели
        • ГУР (Гидроусилитель руля)
        • Система рециркуляции отработавших газов
        • Выпускной коллектор
      • Система питания  
        • Коллекторы и патрубки
        • Топливные фильтры
        • Турбокомпрессор
        • Топливные трубопроводы
      • Система смазки  
        • Масляный картер поддон
        • Масляный насос
        • Теплообменник /Водо-масляный радиатор
        • Фильтры масляные (ФГОМ, ФЦОМ)
      • Пневмокомпрессор и натяжное
      • Система охлаждения  
        • Водяной насос
        • Водяные трубы и патрубки
        • Муфты вязкостные, приводы, крыльчатки
      • Ремкомплекты
      • Сцепление
      • Электрооборудование
    • Запчасти ЯМЗ-650, ЯМЗ-651, DCi-11  
      • Основные запчасти двигателя  
        • Цилиндро-поршневая группа
        • Головка блока цилиндров и комплектующие
        • Блок цилиндров и комплектующие
        • Вал коленчатый и маховик
        • Выпускной коллектор
        • Вал распределительный
        • Клапаны и толкатели
        • ГУР (Гидроусилитель руля)
        • Система рециркуляции отработавших газов
      • Система питания  
        • Коллекторы и патрубки
        • Топливные трубопроводы
        • Топливные фильтры
        • Турбокомпрессор
      • Система смазки  
        • Масляный картер / поддон
        • Масляный насос
        • Теплообменник / Водо-масляный радиатор
        • Фильтры масляные (ФГОМ, ФЦОМ)
      • Система охлаждения  
        • Водяной насос
        • Водяные трубы и патрубки
        • Муфты вязкостные, приводы, крыльчатки
      • Ремкомплекты
      • Пневмокомпрессор и натяжное
      • Электрооборудование
      • Сцепление
    • Топливная аппаратура  
      • ЯЗДА  
        • Распылители
        • ТНВД
        • Форсунки
        • Топливный насос низкого давления
        • Пары плунжерные
        • Муфта опережения впрыска топлива
        • Запчасти и комплектующие ТНВД
      • НЗТА
      • АЗПИ  
        • Распылители
        • Форсунки
      • BOSCH
    • Запчасти УРАЛ  
      • Трансмиссия  
        • Коробка раздаточная
        • Передача карданная
        • Мост задний
        • Мост передний (ведущий)
        • Мост средний (промежуточный)
      • Кузов  
        • Дверь кабины
        • Капот, крылья, облицовка радиатора
        • Окно ветровое и заднее
        • Отопление и вентиляция кабины
        • Кабина
      • Механизмы управления  
        • Управление рулевое
        • Тормоза
      • Дополнительное оборудование  
        • Отбор мощности
        • Устройство седельное
      • Электрооборудование
      • Ходовая часть  
        • Колеса и ступицы
        • Ось передняя
        • Подвеска автомобиля
        • Рама
    • Запчасти МАЗ  
      • Трансмиссия  
        • Мост задний
        • Мост передний (ведущий)
        • Передача карданная
        • Мост средний (промежуточный)
      • Кузов  
        • Кабина
        • Дверь кабины
        • Детали основания кабины
        • Окно ветровое и заднее
        • Платформа
      • Механизмы управления  
        • Тормоза
        • Управление рулевое
      • Ходовая часть  
        • Колеса и ступицы
        • Ось передняя
        • Подвеска автомобиля
        • Рама
    • Запчасти КамАЗ  
      • Кузов  
        • Кабина
        • Капот, крылья, облицовка радиатора
        • Дверь кабины
        • Платформа
        • Окно ветровое и заднее
        • Устройство подъемное и опрокидывающее
        • Сиденье
        • Крыша кабины (крыша кузова)
        • Отопление и вентиляция кабины
      • Трансмиссия  
        • Коробка передач
        • Коробка раздаточная
        • Мост задний
        • Сцепление
        • Мост средний (промежуточный)
        • Передача карданная
        • Мост передний (ведущий)
      • Двигатель  
        • Основные запчасти двигателя
        • Система охлаждения
        • Система питания
        • Система смазки
      • Дополнительное оборудование  
        • Отбор мощности
        • Устройство седельное
      • Ходовая часть  
        • Подвеска автомобиля
        • Рама
        • Колеса и ступицы
        • Ось передняя
      • Механизмы управления  
        • Тормоза
        • Управление рулевое
      • Электрооборудование
    • Запчасти ММЗ
    • Ремни
  • Справочник
    • Грузовые автомобили
    • Автобусы
    • Сельхозтехника
    • Спецтехника
    • Двигатели
  • Как купить
    • Условия оплаты
    • Условия доставки
    • Гарантия на товар
    • Пункты выдачи
  • Услуги
    • Капитальный ремонт двигателей ЯМЗ
  • Акции
  • Статьи
  • Контакты
  • Компания
    • Реквизиты
    • Магазины
    • Оплата
    • Доставка
    • Лицензии и сертификаты
    • Новости
    • Вакансии
Избранное 0 Корзина 0
8-800-700-35-68

FUEL TUBING на NT855-C280 BC III (до 2004 г.)

Справочник
Главная
-
Автокаталог
-
Двигатели
-
Cummins
-
NT855-C280 BC III
Справочный каталог

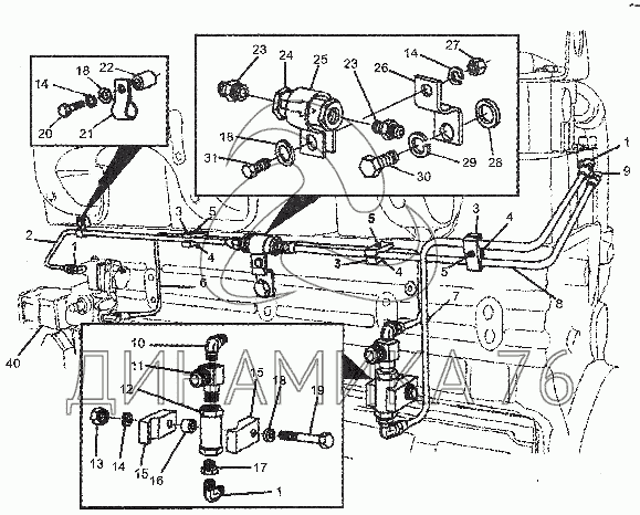
FUEL TUBING — NT855-C280 BC III:

3165644 3261552 4061471 4061549 1 1 1 1 1 2 3 3 3 4 4 4 5 5 5 6 7 8 8 9 10 11 12 13 14 14 14 14 14 15 15 16 17 18 18 18 18 18 19 20 21 22 23 23 24 25 26 27 29 30 31 40
в наличии
нет в наличии
масштаб

В наличии
Нет в наличии

Перечень комплектующих от FUEL TUBING на NT855-C280 BC III

Схемы запчастей предназначены для справочных целей! Мы продаем не все запчасти от FUEL TUBING на NT855-C280 BC III, представленные в этом списке.
Наличие на складах по деталям с ценой смотрите в карточке товара.
Артикул: 3165644
нет в наличии
VALVE, CHECK
Количество на схеме: 1
Информация
VALVE, CHECK
Количество
1
Группа
Колеса и ступицы
Подгруппа
3165
Порядковый номер детали
644
Артикул: 3261552
нет в наличии
VALVE, CHECK
Количество на схеме: 1
Информация
VALVE, CHECK
Количество
1
Подгруппа
3261
Порядковый номер детали
552
Артикул: 4061471
нет в наличии
VALVE, CHECK
Количество на схеме: 1
Информация
VALVE, CHECK
Количество
1
Подгруппа
4061
Порядковый номер детали
471
Артикул: 4061549
нет в наличии
TUBE, FUEL BYPASS
Количество на схеме: 1
Информация
TUBE, FUEL BYPASS
Количество
1
Подгруппа
4061
Порядковый номер детали
549
1
1
Артикул: 116936
нет в наличии
ELBOW, MALE ADAPTER
Количество на схеме: 1
Информация
ELBOW, MALE ADAPTER
Количество
1
Покрытие
без покрытия
1
1
Артикул: 116936
нет в наличии
ELBOW, MALE ADAPTER
Количество на схеме: 1
Информация
ELBOW, MALE ADAPTER
Количество
1
Покрытие
без покрытия
1
1
Артикул: 116936
нет в наличии
ELBOW, MALE ADAPTER
Количество на схеме: 1
Информация
ELBOW, MALE ADAPTER
Количество
1
Покрытие
без покрытия
2
2
Артикул: 3165639
нет в наличии
TUBE, FUEL SUPPLY
Количество на схеме: 1
Информация
TUBE, FUEL SUPPLY
Количество
1
Группа
Колеса и ступицы
Подгруппа
3165
Порядковый номер детали
639
3
3
Артикул: 3007025
нет в наличии
CLIP
Количество на схеме: 6
Информация
CLIP
Количество
6
Группа
Тяги рулевые. Оси передняя и задняя
Подгруппа
3007
Порядковый номер детали
025
4
4
Артикул: S251
нет в наличии
NUT, REGULAR HEXAGON JAM
Количество на схеме: 3
Информация
NUT, REGULAR HEXAGON JAM
Количество
3
5
5
Артикул: S1315
нет в наличии
SCREW, PAN HEAD CAP
Количество на схеме: 3
Информация
SCREW, PAN HEAD CAP
Количество
3
6
6
Артикул: 3251002
нет в наличии
TUBE, FUEL DRAIN
Количество на схеме: 1
Информация
TUBE, FUEL DRAIN
Количество
1
Подгруппа
3251
Порядковый номер детали
002
7
7
Артикул: 3165641
нет в наличии
TUBE, FUEL DRAIN
Количество на схеме: 1
Информация
TUBE, FUEL DRAIN
Количество
1
Группа
Колеса и ступицы
Подгруппа
3165
Порядковый номер детали
641
8
8
Артикул: 3165640
нет в наличии
TUBE, FUEL SUPPLY
Количество на схеме: 1
Информация
TUBE, FUEL SUPPLY
Количество
1
Группа
Колеса и ступицы
Подгруппа
3165
Порядковый номер детали
640
8
8
Артикул: 3166082
нет в наличии
TUBE, FUEL SUPPLY
Количество на схеме: 1
Информация
TUBE, FUEL SUPPLY
Количество
1
Группа
Колеса и ступицы
Подгруппа
3166
Порядковый номер детали
082
9
9
Артикул: 3165835
нет в наличии
ELBOW, MALE ADAPTER
Количество на схеме: 1
Информация
ELBOW, MALE ADAPTER
Количество
1
Группа
Колеса и ступицы
Подгруппа
3165
Порядковый номер детали
835
10
10
Артикул: 68139
нет в наличии
Колено входящей в другую деталь соединительной части
Количество на схеме: 1
Информация
Колено входящей в другую деталь соединительной части
Количество
1
11
11
Артикул: 116473
нет в наличии
ELBOW, MALE ADAPTER
Количество на схеме: 1
Информация
ELBOW, MALE ADAPTER
Количество
1
Покрытие
без покрытия
12
12
Артикул: 178079
нет в наличии
VALVE, CHECK
Количество на схеме: 1
Информация
VALVE, CHECK
Количество
1
Покрытие
без покрытия
13
13
Артикул: S205
нет в наличии
NUT, REGULAR HEXAGON
Количество на схеме: 1
Информация
NUT, REGULAR HEXAGON
Количество
1
14
14
Артикул: S604
нет в наличии
SUPPORT, OIL GAUGE TUBE
Количество на схеме: 1
Информация
SUPPORT, OIL GAUGE TUBE
Количество
1
14
14
Артикул: S604
нет в наличии
SUPPORT, OIL GAUGE TUBE
Количество на схеме: 1
Информация
SUPPORT, OIL GAUGE TUBE
Количество
1
14
14
Артикул: S604
нет в наличии
SUPPORT, OIL GAUGE TUBE
Количество на схеме: 1
Информация
SUPPORT, OIL GAUGE TUBE
Количество
1
15
15
Артикул: 3165643
нет в наличии
CLAMP
Количество на схеме: 1
Информация
CLAMP
Количество
1
Группа
Колеса и ступицы
Подгруппа
3165
Порядковый номер детали
643
16
16
Артикул: 68368В
нет в наличии
SPACER, WATER CONN
Количество на схеме: 1
Информация
SPACER, WATER CONN
Количество
1
17
17
Артикул: S929B
нет в наличии
BUSHING, REDUCING PIPE
Количество на схеме: 1
Информация
BUSHING, REDUCING PIPE
Количество
1
18
18
Артикул: S602
нет в наличии
WASHER, PLAIN
Количество на схеме: 1
Информация
WASHER, PLAIN
Количество
1
18
18
Артикул: S602
нет в наличии
WASHER, PLAIN
Количество на схеме: 1
Информация
WASHER, PLAIN
Количество
1
18
18
Артикул: S602
нет в наличии
WASHER, PLAIN
Количество на схеме: 1
Информация
WASHER, PLAIN
Количество
1
19
19
Артикул: 177020
нет в наличии
SCREW, HEXAGON HEAD CAP
Количество на схеме: 1
Информация
SCREW, HEXAGON HEAD CAP
Количество
1
Покрытие
без покрытия
20
20
Артикул: S137
нет в наличии
SCREW, HEXAGON HEAD CAP
Количество на схеме: 1
Информация
SCREW, HEXAGON HEAD CAP
Количество
1
21
21
Артикул: 180372
нет в наличии
CLIP
Количество на схеме: 1
Информация
CLIP
Количество
1
Покрытие
без покрытия
22
22
Артикул: 63385
нет в наличии
SPACER, WATER CONN
Количество на схеме: 1
Информация
SPACER, WATER CONN
Количество
1
23
23
Артикул: 3165864
нет в наличии
UNION, MALE
Количество на схеме: 2
Информация
UNION, MALE
Количество
2
Группа
Колеса и ступицы
Подгруппа
3165
Порядковый номер детали
864
24
24
Артикул: 185505
нет в наличии
VALVE, CHECK
Количество на схеме: 1
Информация
VALVE, CHECK
Количество
1
Покрытие
без покрытия
25
25
Артикул: 107460
нет в наличии
CLIP
Количество на схеме: 1
Информация
CLIP
Количество
1
Покрытие
без покрытия
26
26
Артикул: 113710
нет в наличии
BRACE/TUBE
Количество на схеме: 1
Информация
BRACE/TUBE
Количество
1
Покрытие
без покрытия
27
27
Артикул: S205
нет в наличии
NUT, REGULAR HEXAGON
Количество на схеме: 1
Информация
NUT, REGULAR HEXAGON
Количество
1
29
29
Артикул: S609
нет в наличии
WASHER, LOCK
Количество на схеме: 1
Информация
WASHER, LOCK
Количество
1
30
30
Артикул: S151С
нет в наличии
SCREW, HEXAGON HEAD CAP
Количество на схеме: 1
Информация
SCREW, HEXAGON HEAD CAP
Количество
1
31
31
Артикул: 69793
нет в наличии
SCREW, HEXAGON HEAD
Количество на схеме: 1
Информация
SCREW, HEXAGON HEAD
Количество
1
40
40
Артикул: 3165797
нет в наличии
FUEL, PUMB
Количество на схеме: 1
Информация
FUEL, PUMB
Количество
1
Группа
Колеса и ступицы
Подгруппа
3165
Порядковый номер детали
797
  • Грузовые автомобили
  • Автобусы
  • Сельхозтехника
  • Спецтехника
  • Двигатели
Получить оптовый прайс-лист
Скачать прайс-лист от 05.05.2026 16:00
Специальное предложение от 05.05.2026 17:00
Производители:


  • WEICHAI
  • Автодизель ПАО (ЯМЗ)
  • Тутаевский МЗ
  • ЯЗДА
  • УралАЗ
  • МАЗ
  • АЗПИ
  • BOSCH
  • ММЗ
  • ШААЗ
  • FEDERAL MOGUL
  • ПРАМО
  • Мотордеталь
  • ТАИМ
  • АвтоКрАЗ
  • БЕЛКАРД
  • CZ Strakonice
  • КамАЗ
  • БЗА
  • ЧМЗ
  • BMZ
Новости
Все новости
25 марта 2024
Флагманский седельный тягач «Валдай 45» на выставке «TransRussia»
10 марта 2024
Современные автобусы «CITYMAX 9» и ЛиАЗ-5292 CNG
25 февраля 2024
Серийное производство средних дизельных двигателей повышенной мощности от ЯМЗ
Статьи
Все статьи
Датчики двигателя: за что они отвечают, признаки неисправности и как не прогадать с выбором
Двигатели ЯМЗ-534: история, технические характеристики и области применения
Двигатели ЯМЗ 650: углублённый технический обзор и история
Компания
О компании
Реквизиты
Новости
Политика
Магазины
Информация
Условия оплаты
Условия доставки
Гарантия на товар
Обмен и возврат товара
Помощь
Как оформить заказ
Полезные статьи
Бренды
Пункты выдачи
Оставайтесь на связи
  • Вконтакте
  • YouTube
  • Одноклассники
  • Google Plus
Увидели ошибку?
Выделите, нажав Ctrl + Enter
Наши контакты
8-800-700-35-68
sales@din76.ru
г. Ярославль, Ленинградский пр-т 33, ТЦ "ОМЕГА"
2026 © ООО «Динамика 76» - Все права защищены ООО "Динамика 76"
Предложения на сайте не являются публичной офертой.
На сайте обнаружена ошибка

Текст с ошибкой