Избранное 0 Корзина 0 Личный кабинет
logo
Каталог
Каталог
  • Справочник
    • Грузовые автомобили
    • Автобусы
    • Сельхозтехника
    • Спецтехника
    • Двигатели
  • Доставка
  • Оплата
  • О компании
    • Реквизиты
    • Магазины
    • Оплата
    • Доставка
    • Лицензии и сертификаты
    • Новости
    • Вакансии
  • Контакты
Отправить заявку
Личный кабинет
8 (800) 700-35-68
sales@din76.ru
Избранное 0 Корзина 0
8 (800) 700-35-68
Оптовый прайс-лист
Каталог
  • Двигатели
  • Запчасти WEICHAI
  • Запчасти ЯМЗ, ТМЗ (V-образные)
  • Запчасти ЯМЗ-534, ЯМЗ-536
  • Запчасти ЯМЗ-650, ЯМЗ-651, DCi-11
  • Топливная аппаратура
  • Запчасти УРАЛ
  • Запчасти МАЗ
  • Запчасти КамАЗ
  • Запчасти ММЗ
  • Ремни
Автокаталог (справочник)
  • Доставка
  • Оплата
  • О компании
  • Контакты
8 (800) 700-35-68
Написать в Whatsapp
sales@din76.ru
Динамика 76
Меню  
  • Каталог
    • Двигатели  
      • Двигатели ТМЗ  
        • Двигатели ТМЗ для автомобилей
        • Двигатели ТМЗ для тракторов
        • Специальные двигатели ТМЗ
        • Промышленные двигатели ТМЗ
      • Двигатели ЯМЗ  
        • ЯМЗ 236
        • ЯМЗ 238
        • ЯМЗ 240
        • ЯМЗ 751
        • ЯМЗ 840
        • ЯМЗ 850
        • ЯМЗ 656
        • ЯМЗ 658
        • ЯМЗ 534
        • ЯМЗ 536
        • ЯМЗ 650
        • Двигатели ЯМЗ для электростанций
      • Двигатели КАМАЗ
      • Двигатели ММЗ
      • Двигатели индивидуальной сборки
      • Комплекты переоборудования
    • Запчасти WEICHAI  
      • Основные запчасти двигателя  
        • Клапаны и толкатели
        • Шатуны
        • Вал коленчатый и маховик
        • Вал распределительный
        • Цилиндро-поршневая группа
      • Система питания  
        • Форсунки
        • Турбокомпрессор
      • Система смазки  
        • Насос масляный
      • Головка блока
      • Ремкомплекты
      • Система охлаждения  
        • Насос водяной
        • Муфта вязкостная и крыльчатка
      • Фильтры
      • Электрооборудование  
        • Генератор
        • Стартер
    • Запчасти ЯМЗ, ТМЗ (V-образные)  
      • Основные запчасти двигателя  
        • Блок двигателя и комплектующие
        • Валы распределительные и клапаны
        • Головка блока и комплектующие
        • Цилиндро-поршневая группа
        • Маховики и комплектующие
        • Валы коленчатые и комплектующие
        • Шатуны и комплектующие
      • Система питания  
        • Коллекторы и патрубки
        • Топливные трубопроводы
        • Турбокомпрессор
        • Топливные фильтры
      • Электрооборудование двигателя
      • Система охлаждения  
        • Вязкостные муфты и крыльчатки
        • Приводы вентилятора
        • Водяные насосы
        • Водяные трубы и термостаты
      • Коробки переключения передач  
        • 8 Ступенчатые КПП
        • 5 Ступенчатые КПП
        • 9 Ступенчатые КПП
        • Запасные части КПП ЯМЗ, ТМЗ
      • Система смазки  
        • Теплообменник и комплектующие
        • Масляные насосы
        • Фильтры масляные (ФГОМ, ФЦОМ)
      • Сцепление  
        • Запасные части механизма сцепления
        • Муфты (подшипники выжимные)
        • Корзины (диски нажимные)
        • Диски ведомые
      • Прочие запчасти двигателя  
        • Ремкомплекты
        • Привод агрегатов
        • Натяжные устройства
        • Трубки
    • Запчасти ЯМЗ-534, ЯМЗ-536  
      • Основные запчасти двигателя  
        • Цилиндро-поршневая группа
        • Головка блока цилиндров и комплектующие
        • Блок цилиндров и комплектующие
        • Вал коленчатый и маховик
        • Вал распределительный
        • Клапаны и толкатели
        • ГУР (Гидроусилитель руля)
        • Система рециркуляции отработавших газов
        • Выпускной коллектор
      • Система питания  
        • Коллекторы и патрубки
        • Топливные фильтры
        • Турбокомпрессор
        • Топливные трубопроводы
      • Система смазки  
        • Масляный картер поддон
        • Масляный насос
        • Теплообменник /Водо-масляный радиатор
        • Фильтры масляные (ФГОМ, ФЦОМ)
      • Пневмокомпрессор и натяжное
      • Система охлаждения  
        • Водяной насос
        • Водяные трубы и патрубки
        • Муфты вязкостные, приводы, крыльчатки
      • Ремкомплекты
      • Сцепление
      • Электрооборудование
    • Запчасти ЯМЗ-650, ЯМЗ-651, DCi-11  
      • Основные запчасти двигателя  
        • Цилиндро-поршневая группа
        • Головка блока цилиндров и комплектующие
        • Блок цилиндров и комплектующие
        • Вал коленчатый и маховик
        • Выпускной коллектор
        • Вал распределительный
        • Клапаны и толкатели
        • ГУР (Гидроусилитель руля)
        • Система рециркуляции отработавших газов
      • Система питания  
        • Коллекторы и патрубки
        • Топливные трубопроводы
        • Топливные фильтры
        • Турбокомпрессор
      • Система смазки  
        • Масляный картер / поддон
        • Масляный насос
        • Теплообменник / Водо-масляный радиатор
        • Фильтры масляные (ФГОМ, ФЦОМ)
      • Система охлаждения  
        • Водяной насос
        • Водяные трубы и патрубки
        • Муфты вязкостные, приводы, крыльчатки
      • Ремкомплекты
      • Пневмокомпрессор и натяжное
      • Электрооборудование
      • Сцепление
    • Топливная аппаратура  
      • ЯЗДА  
        • Распылители
        • ТНВД
        • Форсунки
        • Топливный насос низкого давления
        • Пары плунжерные
        • Муфта опережения впрыска топлива
        • Запчасти и комплектующие ТНВД
      • НЗТА
      • АЗПИ  
        • Распылители
        • Форсунки
      • BOSCH
    • Запчасти УРАЛ  
      • Трансмиссия  
        • Коробка раздаточная
        • Передача карданная
        • Мост задний
        • Мост передний (ведущий)
        • Мост средний (промежуточный)
      • Кузов  
        • Дверь кабины
        • Капот, крылья, облицовка радиатора
        • Окно ветровое и заднее
        • Отопление и вентиляция кабины
        • Кабина
      • Механизмы управления  
        • Управление рулевое
        • Тормоза
      • Дополнительное оборудование  
        • Отбор мощности
        • Устройство седельное
      • Электрооборудование
      • Ходовая часть  
        • Колеса и ступицы
        • Ось передняя
        • Подвеска автомобиля
        • Рама
    • Запчасти МАЗ  
      • Трансмиссия  
        • Мост задний
        • Мост передний (ведущий)
        • Передача карданная
        • Мост средний (промежуточный)
      • Кузов  
        • Кабина
        • Дверь кабины
        • Детали основания кабины
        • Окно ветровое и заднее
        • Платформа
      • Механизмы управления  
        • Тормоза
        • Управление рулевое
      • Ходовая часть  
        • Колеса и ступицы
        • Ось передняя
        • Подвеска автомобиля
        • Рама
    • Запчасти КамАЗ  
      • Кузов  
        • Кабина
        • Капот, крылья, облицовка радиатора
        • Дверь кабины
        • Платформа
        • Окно ветровое и заднее
        • Устройство подъемное и опрокидывающее
        • Сиденье
        • Крыша кабины (крыша кузова)
        • Отопление и вентиляция кабины
      • Трансмиссия  
        • Коробка передач
        • Коробка раздаточная
        • Мост задний
        • Сцепление
        • Мост средний (промежуточный)
        • Передача карданная
        • Мост передний (ведущий)
      • Двигатель  
        • Основные запчасти двигателя
        • Система охлаждения
        • Система питания
        • Система смазки
      • Дополнительное оборудование  
        • Отбор мощности
        • Устройство седельное
      • Ходовая часть  
        • Подвеска автомобиля
        • Рама
        • Колеса и ступицы
        • Ось передняя
      • Механизмы управления  
        • Тормоза
        • Управление рулевое
      • Электрооборудование
    • Запчасти ММЗ
    • Ремни
  • Справочник
    • Грузовые автомобили
    • Автобусы
    • Сельхозтехника
    • Спецтехника
    • Двигатели
  • Как купить
    • Условия оплаты
    • Условия доставки
    • Гарантия на товар
    • Пункты выдачи
  • Услуги
    • Капитальный ремонт двигателей ЯМЗ
  • Акции
  • Статьи
  • Контакты
  • Компания
    • Реквизиты
    • Магазины
    • Оплата
    • Доставка
    • Лицензии и сертификаты
    • Новости
    • Вакансии
Избранное 0 Корзина 0
8-800-700-35-68

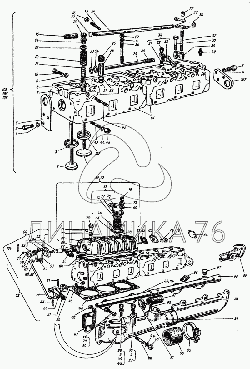
Головка цилиндров на А-01М, Д-461 (до 2002 г.)

Справочник
Главная
-
Автокаталог
-
Двигатели
-
Алтайдизель
-
А-01М, Д-461
Справочный каталог

Головка цилиндров — А-01М, Д-461:

01-06С14 01-06С14 01-06С14.20 01-06С15А 01-06С15А 01-06С15А-01.10 01-06С15А-01.10 01-06С15А-01.10 01-06С15А-01.10 01-06С15А.20 01-06С25 01-06С25 01-06С25 01-06С5 01-06С5 01-06С5 01М-06С12 01М-06С12.10 01М-06С12.20 01МС-06С12.10 01МС-06С12.20 01МС-06С13.10 01МС-06С13.20 01МС-06С15А.10 01МС-06С15А.10 01МТГ-06С2 01МТГ-06С9 04-06С13-1 04-06С13-1.10 04-06С13-1.20 04-06С2-1 04-06С2-1 04-06С2-1 04-06С9 04-06С9 04-06С9.20 461-06012 461-06С13 461-06С14 461-06С14-01 461-06С15 461-06С15А-01 461-06С2 461-06С9 1 1 1 2 2 2 3 3 3 3 3 3 5 5 5 5 6 6 6 7 7 7 8 8 8 9 9 9 9 9 10 10 10 11 11 11 12 12 12 13 13 13 14 14 14 15 15 15 16 16 16 17 17 17 18 18 18 18 18 19 19 19 20 20 20 21 21 21 22 22 22 23 23 23 24 24 24 25 25 25 26 26 26 27 27 27 27 27 28 28 28 29 29 29 30 30 30 31 31 31 32 32 32 33 34 34 34 35 35 35 36 36 36 37 37 37 38 38 38 39 39 39 40 40 40 41 41 41 41 41 42 42 42 43 43 43 44 44 44 44 45 45 45 45 45 46 46 46 47 47 47 48 48 48 49 49 49 50 50 50 51 51 51 52 52 52 52 52 53 53 53 54 54 54 55 55 55 56 56 57 57 57 58 58 58 59 59 59 60 60 60 61 61 61 62 62 62 63 63 63 64 64 64 65 65 65 66 66 66 67 67 67 68 68 68 68 69 69 69 70 70 70 71 71 71 72 72 72 73 73 73 74 74 74 75 75 75 76 76 76 77 77 77 78 78 78 79 79 79 79 79 79 80 80 80 80 80 80 81 81 81 82 82 82 82 83 83 83 84 84 84 85 85 85 86 86 86 87 87 87 88 88 89 89 89 90 90 90 91 91 91 92 92 92 93 93 93 94 94 94 94 95 95 95 96 96 96 97 97 97 98 98 98 98 99 99 99 100 100 100 100 101 101 101 102 103 103 103 104 104 104 105 106 107 107 107
в наличии
нет в наличии
масштаб

В наличии
Нет в наличии

Перечень комплектующих от Головка цилиндров на А-01М, Д-461

Схемы запчастей предназначены для справочных целей! Мы продаем не все запчасти от Головка цилиндров на А-01М, Д-461, представленные в этом списке.
Наличие на складах по деталям с ценой смотрите в карточке товара.
Артикул: 01-06С14
нет в наличии
Труба водяная передняя в сборе
Количество на схеме: 1
Информация
Труба водяная передняя в сборе
Количество
1
Примечание
1 Внутрисоюзное исполнение \n2 Экспортное исполнение (для стран с умеренным климатом) \n3 Экспортно-тропическое исполнение (для стран с жарким климатом) \n4 Только для запасных частей;Only for spares
Артикул: 01-06С14
нет в наличии
Труба водяная передняя в сборе
Количество на схеме: 1
Информация
Труба водяная передняя в сборе
Количество
1
Примечание
2
Артикул: 01-06С14-20
нет в наличии
Труба водяная передняя в сборе
Количество на схеме: 1
Информация
Труба водяная передняя в сборе
Количество
1
Примечание
3
Артикул: 01-06С15А
нет в наличии
Труба водяная в сборе
Количество на схеме: 1
Информация
Труба водяная в сборе
Количество
1
Примечание
1 Внутрисоюзное исполнение \n2 Экспортное исполнение (для стран с умеренным климатом) \n3 Экспортно-тропическое исполнение (для стран с жарким климатом) \n4 Только для запасных частей;Only for spares
Артикул: 01-06С15А
нет в наличии
Труба водяная в сборе
Количество на схеме: 1
Информация
Труба водяная в сборе
Количество
1
Примечание
2
Артикул: 01-06С15А-01-10
нет в наличии
Труба водяная в сборе
Количество на схеме: 1
Информация
Труба водяная в сборе
Количество
1
Примечание
2
Артикул: 01-06С15А-01-10
нет в наличии
Труба водяная в сборе
Количество на схеме: 1
Информация
Труба водяная в сборе
Количество
1
Примечание
3
Артикул: 01-06С15А-01-10
нет в наличии
Труба водяная в сборе
Количество на схеме: 1
Информация
Труба водяная в сборе
Количество
1
Примечание
2
Артикул: 01-06С15А-01-10
нет в наличии
Труба водяная в сборе
Количество на схеме: 1
Информация
Труба водяная в сборе
Количество
1
Примечание
3
Артикул: 01-06С15А-20
нет в наличии
Труба водяная в сборе
Количество на схеме: 1
Информация
Труба водяная в сборе
Количество
1
Примечание
3
Артикул: 01-06С25
нет в наличии
Валик декомпрессора в сборе
Количество на схеме: 2
Информация
Валик декомпрессора в сборе
Количество
2
Примечание
1 Внутрисоюзное исполнение \n2 Экспортное исполнение (для стран с умеренным климатом) \n3 Экспортно-тропическое исполнение (для стран с жарким климатом) \n4 Только для запасных частей;Only for spares
Артикул: 01-06С25
нет в наличии
Валик декомпрессора в сборе
Количество на схеме: 2
Информация
Валик декомпрессора в сборе
Количество
2
Примечание
2
Артикул: 01-06С25
нет в наличии
Валик декомпрессора в сборе
Количество на схеме: 2
Информация
Валик декомпрессора в сборе
Количество
2
Примечание
3
Артикул: 01-06С5
нет в наличии
Механизм передаточный в сборе
Количество на схеме: 2
Информация
Механизм передаточный в сборе
Количество
2
Примечание
1 Внутрисоюзное исполнение \n2 Экспортное исполнение (для стран с умеренным климатом) \n3 Экспортно-тропическое исполнение (для стран с жарким климатом) \n4 Только для запасных частей;Only for spares
Артикул: 01-06С5
нет в наличии
Механизм передаточный в сборе
Количество на схеме: 2
Информация
Механизм передаточный в сборе
Количество
2
Примечание
2
Артикул: 01-06С5
нет в наличии
Механизм передаточный в сборе
Количество на схеме: 2
Информация
Механизм передаточный в сборе
Количество
2
Примечание
3
Артикул: 01М-06С12
нет в наличии
Коллектор задний в сборе
Количество на схеме: 1
Информация
Коллектор задний в сборе
Количество
1
Примечание
1 Внутрисоюзное исполнение \n2 Экспортное исполнение (для стран с умеренным климатом) \n3 Экспортно-тропическое исполнение (для стран с жарким климатом) \n4 Только для запасных частей;Only for spares
Артикул: 01М-06С12-10
нет в наличии
Коллектор задний в сборе
Количество на схеме: 1
Информация
Коллектор задний в сборе
Количество
1
Примечание
2
Артикул: 01М-06С12-20
нет в наличии
Коллектор задний в сборе
Количество на схеме: 1
Информация
Коллектор задний в сборе
Количество
1
Примечание
3
Артикул: 01МС-06С12-10
нет в наличии
Коллектор задний в сборе
Количество на схеме: 1
Информация
Коллектор задний в сборе
Количество
1
Примечание
2
Артикул: 01МС-06С12-20
нет в наличии
Коллектор задний в сборе
Количество на схеме: 1
Информация
Коллектор задний в сборе
Количество
1
Примечание
3
Артикул: 01МС-06С13-10
нет в наличии
Коллектор передний в сборе
Количество на схеме: 1
Информация
Коллектор передний в сборе
Количество
1
Примечание
2
Артикул: 01МС-06С13-20
нет в наличии
Коллектор передний в сборе
Количество на схеме: 1
Информация
Коллектор передний в сборе
Количество
1
Примечание
3
Артикул: 01МС-06С15А-10
нет в наличии
Труба водяная в сборе
Количество на схеме: 1
Информация
Труба водяная в сборе
Количество
1
Примечание
2
Артикул: 01МС-06С15А-10
нет в наличии
Труба водяная в сборе
Количество на схеме: 1
Информация
Труба водяная в сборе
Количество
1
Примечание
3
Артикул: 01МТГ-06С2
нет в наличии
Головка (механический узел)
Количество на схеме: 2
Информация
Головка (механический узел)
Количество
2
Примечание
1 Внутрисоюзное исполнение \n2 Экспортное исполнение (для стран с умеренным климатом) \n3 Экспортно-тропическое исполнение (для стран с жарким климатом) \n4 Только для запасных частей;Only for spares
Артикул: 01МТГ-06С9
нет в наличии
Головка с клапанами в сборе
Количество на схеме: 2
Информация
Головка с клапанами в сборе
Количество
2
Примечание
1 Внутрисоюзное исполнение \n2 Экспортное исполнение (для стран с умеренным климатом) \n3 Экспортно-тропическое исполнение (для стран с жарким климатом) \n4 Только для запасных частей;Only for spares
Артикул: 04-06С13-1
нет в наличии
Коллектор передний в сборе
Количество на схеме: 1
Информация
Коллектор передний в сборе
Количество
1
Примечание
1 Внутрисоюзное исполнение \n2 Экспортное исполнение (для стран с умеренным климатом) \n3 Экспортно-тропическое исполнение (для стран с жарким климатом) \n4 Только для запасных частей;Only for spares
Артикул: 04-06С13-1-10
нет в наличии
Коллектор передний в сборе
Количество на схеме: 1
Информация
Коллектор передний в сборе
Количество
1
Примечание
2
Артикул: 04-06С13-1-20
нет в наличии
Коллектор передний в сборе
Количество на схеме: 1
Информация
Коллектор передний в сборе
Количество
1
Примечание
3
Артикул: 04-06С2-1
нет в наличии
Головка (механический узел)
Количество на схеме: 2
Информация
Головка (механический узел)
Количество
2
Примечание
1 Внутрисоюзное исполнение \n2 Экспортное исполнение (для стран с умеренным климатом) \n3 Экспортно-тропическое исполнение (для стран с жарким климатом) \n4 Только для запасных частей;Only for spares
Артикул: 04-06С2-1
нет в наличии
Головка (механический узел)
Количество на схеме: 2
Информация
Головка (механический узел)
Количество
2
Примечание
2
Артикул: 04-06С2-1
нет в наличии
Головка (механический узел)
Количество на схеме: 2
Информация
Головка (механический узел)
Количество
2
Примечание
3
Артикул: 04-06С9
нет в наличии
Головка с клапанами в сборе
Количество на схеме: 2
Информация
Головка с клапанами в сборе
Количество
2
Примечание
1 Внутрисоюзное исполнение \n2 Экспортное исполнение (для стран с умеренным климатом) \n3 Экспортно-тропическое исполнение (для стран с жарким климатом) \n4 Только для запасных частей;Only for spares
Артикул: 04-06С9
нет в наличии
Головка с клапанами в сборе
Количество на схеме: 2
Информация
Головка с клапанами в сборе
Количество
2
Примечание
2
Артикул: 04-06С9-20
нет в наличии
Головка с клапанами в сборе
Количество на схеме: 2
Информация
Головка с клапанами в сборе
Количество
2
Примечание
3
Артикул: 461-06012
нет в наличии
Коллектор задний в сборе
Количество на схеме: 1
Информация
Коллектор задний в сборе
Количество
1
Примечание
1 Внутрисоюзное исполнение \n2 Экспортное исполнение (для стран с умеренным климатом) \n3 Экспортно-тропическое исполнение (для стран с жарким климатом) \n4 Только для запасных частей;Only for spares
Артикул: 461-06С13
нет в наличии
Коллектор передний в сборе
Количество на схеме: 1
Информация
Коллектор передний в сборе
Количество
1
Примечание
1 Внутрисоюзное исполнение \n2 Экспортное исполнение (для стран с умеренным климатом) \n3 Экспортно-тропическое исполнение (для стран с жарким климатом) \n4 Только для запасных частей;Only for spares
Артикул: 461-06С14
нет в наличии
Труба водяная передняя в сборе
Количество на схеме: 1
Информация
Труба водяная передняя в сборе
Количество
1
Примечание
1 Внутрисоюзное исполнение \n2 Экспортное исполнение (для стран с умеренным климатом) \n3 Экспортно-тропическое исполнение (для стран с жарким климатом) \n4 Только для запасных частей;Only for spares
Артикул: 461-06С14-01
нет в наличии
Труба водяная передняя в сборе
Количество на схеме: 1
Информация
Труба водяная передняя в сборе
Количество
1
Примечание
1 Внутрисоюзное исполнение \n2 Экспортное исполнение (для стран с умеренным климатом) \n3 Экспортно-тропическое исполнение (для стран с жарким климатом) \n4 Только для запасных частей;Only for spares
Артикул: 461-06С15
нет в наличии
Труба водяная в сборе
Количество на схеме: 1
Информация
Труба водяная в сборе
Количество
1
Примечание
1 Внутрисоюзное исполнение \n2 Экспортное исполнение (для стран с умеренным климатом) \n3 Экспортно-тропическое исполнение (для стран с жарким климатом) \n4 Только для запасных частей;Only for spares
Артикул: 461-06С15А-01
нет в наличии
Труба водяная в сборе
Количество на схеме: 1
Информация
Труба водяная в сборе
Количество
1
Примечание
1 Внутрисоюзное исполнение \n2 Экспортное исполнение (для стран с умеренным климатом) \n3 Экспортно-тропическое исполнение (для стран с жарким климатом) \n4 Только для запасных частей;Only for spares
Артикул: 461-06С2
нет в наличии
Головка (механический узел)
Количество на схеме: 2
Информация
Головка (механический узел)
Количество
2
Примечание
1 Внутрисоюзное исполнение \n2 Экспортное исполнение (для стран с умеренным климатом) \n3 Экспортно-тропическое исполнение (для стран с жарким климатом) \n4 Только для запасных частей;Only for spares
Артикул: 461-06С9
нет в наличии
Головка с клапанами в сборе
Количество на схеме: 2
Информация
Головка с клапанами в сборе
Количество
2
Примечание
1 Внутрисоюзное исполнение \n2 Экспортное исполнение (для стран с умеренным климатом) \n3 Экспортно-тропическое исполнение (для стран с жарким климатом) \n4 Только для запасных частей;Only for spares
1
1
Артикул: А05-12-012
нет в наличии
Клапан впускной
Количество на схеме: 6
Информация
Клапан впускной
Количество
6
Примечание
1 Внутрисоюзное исполнение \n2 Экспортное исполнение (для стран с умеренным климатом) \n3 Экспортно-тропическое исполнение (для стран с жарким климатом) \n4 Только для запасных частей;Only for spares
1
1
Артикул: А05-12-012
нет в наличии
Клапан впускной
Количество на схеме: 6
Информация
Клапан впускной
Количество
6
Примечание
2
1
1
Артикул: А05-12-012
нет в наличии
Клапан впускной
Количество на схеме: 6
Информация
Клапан впускной
Количество
6
Примечание
3
2
2
Артикул: А05-12-013
нет в наличии
Клапан выпускной
Количество на схеме: 6
Информация
Клапан выпускной
Количество
6
Примечание
1 Внутрисоюзное исполнение \n2 Экспортное исполнение (для стран с умеренным климатом) \n3 Экспортно-тропическое исполнение (для стран с жарким климатом) \n4 Только для запасных частей;Only for spares
2
2
Артикул: А05-12-013
нет в наличии
Клапан выпускной
Количество на схеме: 6
Информация
Клапан выпускной
Количество
6
Примечание
2
2
2
Артикул: А05-12-013
нет в наличии
Клапан выпускной
Количество на схеме: 6
Информация
Клапан выпускной
Количество
6
Примечание
3
3
3
Артикул: 11ТА-0606-01
нет в наличии
Седло выпускного клапана
Количество на схеме: 6
Информация
Седло выпускного клапана
Количество
6
Примечание
1 Внутрисоюзное исполнение \n2 Экспортное исполнение (для стран с умеренным климатом) \n3 Экспортно-тропическое исполнение (для стран с жарким климатом) \n4 Только для запасных частей;Only for spares
3
3
Артикул: 11ТА-0606-01
нет в наличии
Седло выпускного клапана
Количество на схеме: 6
Информация
Седло выпускного клапана
Количество
6
Примечание
2
3
3
Артикул: 11ТА-0606-01
нет в наличии
Седло выпускного клапана
Количество на схеме: 6
Информация
Седло выпускного клапана
Количество
6
Примечание
3
3
3
Артикул: 236-1003110
нет в наличии
Седло выпускного клапана
Количество на схеме: 6
Информация
Седло выпускного клапана
Количество
6
Примечание
1, 4
Модель
236
Группа
Двигатель
Подгруппа
Головка блока цилиндров
Порядковый номер детали
110
3
3
Артикул: 236-1003110
нет в наличии
Седло выпускного клапана
Количество на схеме: 6
Информация
Седло выпускного клапана
Количество
6
Примечание
2, 4
Модель
236
Группа
Двигатель
Подгруппа
Головка блока цилиндров
Порядковый номер детали
110
3
3
Артикул: 236-1003110
нет в наличии
Седло выпускного клапана
Количество на схеме: 6
Информация
Седло выпускного клапана
Количество
6
Примечание
3, 4
Модель
236
Группа
Двигатель
Подгруппа
Головка блока цилиндров
Порядковый номер детали
110
5
5
Артикул: 01-0699
нет в наличии
Болт
Количество на схеме: 7
Информация
Болт
Количество
7
Примечание
1 Внутрисоюзное исполнение \n2 Экспортное исполнение (для стран с умеренным климатом) \n3 Экспортно-тропическое исполнение (для стран с жарким климатом) \n4 Только для запасных частей;Only for spares
5
5
Артикул: 01-0699
нет в наличии
Болт
Количество на схеме: 7
Информация
Болт
Количество
7
Примечание
2
5
5
Артикул: 01-0699-20
нет в наличии
Болт кронштейна
Количество на схеме: 7
Информация
Болт кронштейна
Количество
7
Примечание
3
6
6
Артикул: 6А1-0643
нет в наличии
Кронштейн грузовой
Количество на схеме: 1
Информация
Кронштейн грузовой
Количество
1
Примечание
1 Внутрисоюзное исполнение \n2 Экспортное исполнение (для стран с умеренным климатом) \n3 Экспортно-тропическое исполнение (для стран с жарким климатом) \n4 Только для запасных частей;Only for spares
6
6
Артикул: 6А1-0643
нет в наличии
Кронштейн грузовой
Количество на схеме: 1
Информация
Кронштейн грузовой
Количество
1
Примечание
2
6
6
Артикул: 6А1-0643
нет в наличии
Кронштейн грузовой
Количество на схеме: 1
Информация
Кронштейн грузовой
Количество
1
Примечание
3
7
7
Артикул: 6Т2-0641А
нет в наличии
Шайба пружин
Количество на схеме: 12
Информация
Шайба пружин
Количество
12
Примечание
1 Внутрисоюзное исполнение \n2 Экспортное исполнение (для стран с умеренным климатом) \n3 Экспортно-тропическое исполнение (для стран с жарким климатом) \n4 Только для запасных частей;Only for spares
7
7
Артикул: 6Т2-0641А
нет в наличии
Шайба пружин
Количество на схеме: 12
Информация
Шайба пружин
Количество
12
Примечание
2
7
7
Артикул: 6Т2-0641А
нет в наличии
Шайба пружин
Количество на схеме: 12
Информация
Шайба пружин
Количество
12
Примечание
3
8
8
Артикул: 6Т2-0603А
нет в наличии
Втулка клапана
Количество на схеме: 12
Информация
Втулка клапана
Количество
12
Примечание
1 Внутрисоюзное исполнение \n2 Экспортное исполнение (для стран с умеренным климатом) \n3 Экспортно-тропическое исполнение (для стран с жарким климатом) \n4 Только для запасных частей;Only for spares
8
8
Артикул: 6Т2-0603А
нет в наличии
Втулка клапана
Количество на схеме: 12
Информация
Втулка клапана
Количество
12
Примечание
2
8
8
Артикул: 6Т2-0603А
нет в наличии
Втулка клапана
Количество на схеме: 12
Информация
Втулка клапана
Количество
12
Примечание
3
9
9
Артикул: 10х2-01-011-10450
нет в наличии
Шайба
Количество на схеме: 16
Информация
Шайба
Количество
16
Примечание
1 Внутрисоюзное исполнение \n2 Экспортное исполнение (для стран с умеренным климатом) \n3 Экспортно-тропическое исполнение (для стран с жарким климатом) \n4 Только для запасных частей;Only for spares
9
9
Артикул: 10х2-01-011-10450
нет в наличии
Шайба
Количество на схеме: 16
Информация
Шайба
Количество
16
Примечание
2
9
9
Артикул: 10х2-01-011-10450
нет в наличии
Шайба
Количество на схеме: 16
Информация
Шайба
Количество
16
Примечание
3
10
10
Артикул: М10-6gх35-88-35-05-7796
нет в наличии
Болт
Количество на схеме: 12
Информация
Болт
Количество
12
Примечание
1 Внутрисоюзное исполнение \n2 Экспортное исполнение (для стран с умеренным климатом) \n3 Экспортно-тропическое исполнение (для стран с жарким климатом) \n4 Только для запасных частей;Only for spares
10
10
Артикул: М10-6gх35-88-35-05-7796
нет в наличии
Болт
Количество на схеме: 12
Информация
Болт
Количество
12
Примечание
2
10
10
Артикул: М10-6gх35-88-35-05-7796
нет в наличии
Болт
Количество на схеме: 12
Информация
Болт
Количество
12
Примечание
3
11
11
Артикул: 236-1007021
в наличии
Пружина клапана внутренняя
Количество на схеме: 12
Информация
Пружина клапана внутренняя
Количество
12
Примечание
1 Внутрисоюзное исполнение \n2 Экспортное исполнение (для стран с умеренным климатом) \n3 Экспортно-тропическое исполнение (для стран с жарким климатом) \n4 Только для запасных частей;Only for spares
Модель
236
Группа
Двигатель
Подгруппа
Клапана и толкатели
Порядковый номер детали
021
Пружина клапана
Артикул: 236-1007021
Пружина клапана
Код для заказа: 00002440
Цена: 281 ₽/шт.
Под заказ
Пружина клапана
Артикул: 236-1007021
Код для заказа: 00002440
Пружина клапана
Цена: 281 ₽/шт.
Под заказ
11
11
Артикул: 236-1007021
в наличии
Пружина клапана внутренняя
Количество на схеме: 12
Информация
Пружина клапана внутренняя
Количество
12
Примечание
2
Модель
236
Группа
Двигатель
Подгруппа
Клапана и толкатели
Порядковый номер детали
021
Пружина клапана
Артикул: 236-1007021
Пружина клапана
Код для заказа: 00002440
Цена: 281 ₽/шт.
Под заказ
Пружина клапана
Артикул: 236-1007021
Код для заказа: 00002440
Пружина клапана
Цена: 281 ₽/шт.
Под заказ
11
11
Артикул: 236-1007021
в наличии
Пружина клапана внутренняя
Количество на схеме: 12
Информация
Пружина клапана внутренняя
Количество
12
Примечание
3
Модель
236
Группа
Двигатель
Подгруппа
Клапана и толкатели
Порядковый номер детали
021
Пружина клапана
Артикул: 236-1007021
Пружина клапана
Код для заказа: 00002440
Цена: 281 ₽/шт.
Под заказ
Пружина клапана
Артикул: 236-1007021
Код для заказа: 00002440
Пружина клапана
Цена: 281 ₽/шт.
Под заказ
12
12
Артикул: 236-1007020
в наличии
Пружина клапана наружная
Количество на схеме: 12
Информация
Пружина клапана наружная
Количество
12
Примечание
1 Внутрисоюзное исполнение \n2 Экспортное исполнение (для стран с умеренным климатом) \n3 Экспортно-тропическое исполнение (для стран с жарким климатом) \n4 Только для запасных частей;Only for spares
Модель
236
Группа
Двигатель
Подгруппа
Клапана и толкатели
Порядковый номер детали
020
Пружина ЯМЗ клапана наружная (236,238,7511)
Артикул: 236-1007020
Пружина ЯМЗ клапана наружная (236,238,7511)
Код для заказа: 00002449
Цена: 182 ₽/шт.
В наличии: 32 шт.
- +
В корзинуВ корзине
Пружина ЯМЗ клапана наружная (236,238,7511)
Артикул: 236-1007020
Код для заказа: 00002449
Пружина ЯМЗ клапана наружная (236,238,7511)
Цена: 182 ₽/шт.
В наличии: 32 шт.
- +
В корзинуВ корзине
12
12
Артикул: 236-1007020
в наличии
Пружина клапана наружная
Количество на схеме: 12
Информация
Пружина клапана наружная
Количество
12
Примечание
2
Модель
236
Группа
Двигатель
Подгруппа
Клапана и толкатели
Порядковый номер детали
020
Пружина ЯМЗ клапана наружная (236,238,7511)
Артикул: 236-1007020
Пружина ЯМЗ клапана наружная (236,238,7511)
Код для заказа: 00002449
Цена: 182 ₽/шт.
В наличии: 32 шт.
- +
В корзинуВ корзине
Пружина ЯМЗ клапана наружная (236,238,7511)
Артикул: 236-1007020
Код для заказа: 00002449
Пружина ЯМЗ клапана наружная (236,238,7511)
Цена: 182 ₽/шт.
В наличии: 32 шт.
- +
В корзинуВ корзине
12
12
Артикул: 236-1007020
в наличии
Пружина клапана наружная
Количество на схеме: 12
Информация
Пружина клапана наружная
Количество
12
Примечание
3
Модель
236
Группа
Двигатель
Подгруппа
Клапана и толкатели
Порядковый номер детали
020
Пружина ЯМЗ клапана наружная (236,238,7511)
Артикул: 236-1007020
Пружина ЯМЗ клапана наружная (236,238,7511)
Код для заказа: 00002449
Цена: 182 ₽/шт.
В наличии: 32 шт.
- +
В корзинуВ корзине
Пружина ЯМЗ клапана наружная (236,238,7511)
Артикул: 236-1007020
Код для заказа: 00002449
Пружина ЯМЗ клапана наружная (236,238,7511)
Цена: 182 ₽/шт.
В наличии: 32 шт.
- +
В корзинуВ корзине
13
13
Артикул: 236-1007024-В
в наличии
Тарелка пружин клапана
Количество на схеме: 12
Информация
Тарелка пружин клапана
Количество
12
Примечание
1 Внутрисоюзное исполнение \n2 Экспортное исполнение (для стран с умеренным климатом) \n3 Экспортно-тропическое исполнение (для стран с жарким климатом) \n4 Только для запасных частей;Only for spares
Модель
236
Группа
Двигатель
Подгруппа
Клапана и толкатели
Порядковый номер детали
024
ТАРЕЛКА ПРУЖИН КЛАПАНА (ЯМЗ)
Артикул: 236-1007024-В
ТАРЕЛКА ПРУЖИН КЛАПАНА (ЯМЗ)
Код для заказа: 00003489
Цена: 128 ₽/шт.
Под заказ
ТАРЕЛКА ПРУЖИН КЛАПАНА (ЯМЗ)
Артикул: 236-1007024-В
Код для заказа: 00003489
ТАРЕЛКА ПРУЖИН КЛАПАНА (ЯМЗ)
Цена: 128 ₽/шт.
Под заказ
13
13
Артикул: 236-1007024-В
в наличии
Тарелка пружин клапана
Количество на схеме: 12
Информация
Тарелка пружин клапана
Количество
12
Примечание
2
Модель
236
Группа
Двигатель
Подгруппа
Клапана и толкатели
Порядковый номер детали
024
ТАРЕЛКА ПРУЖИН КЛАПАНА (ЯМЗ)
Артикул: 236-1007024-В
ТАРЕЛКА ПРУЖИН КЛАПАНА (ЯМЗ)
Код для заказа: 00003489
Цена: 128 ₽/шт.
Под заказ
ТАРЕЛКА ПРУЖИН КЛАПАНА (ЯМЗ)
Артикул: 236-1007024-В
Код для заказа: 00003489
ТАРЕЛКА ПРУЖИН КЛАПАНА (ЯМЗ)
Цена: 128 ₽/шт.
Под заказ
13
13
Артикул: 236-1007024-В
в наличии
Тарелка пружин клапана
Количество на схеме: 12
Информация
Тарелка пружин клапана
Количество
12
Примечание
3
Модель
236
Группа
Двигатель
Подгруппа
Клапана и толкатели
Порядковый номер детали
024
ТАРЕЛКА ПРУЖИН КЛАПАНА (ЯМЗ)
Артикул: 236-1007024-В
ТАРЕЛКА ПРУЖИН КЛАПАНА (ЯМЗ)
Код для заказа: 00003489
Цена: 128 ₽/шт.
Под заказ
ТАРЕЛКА ПРУЖИН КЛАПАНА (ЯМЗ)
Артикул: 236-1007024-В
Код для заказа: 00003489
ТАРЕЛКА ПРУЖИН КЛАПАНА (ЯМЗ)
Цена: 128 ₽/шт.
Под заказ
14
14
Артикул: 236-1007026-Б
в наличии
Втулка тарелки пружин клапана
Количество на схеме: 12
Информация
Втулка тарелки пружин клапана
Количество
12
Примечание
1 Внутрисоюзное исполнение \n2 Экспортное исполнение (для стран с умеренным климатом) \n3 Экспортно-тропическое исполнение (для стран с жарким климатом) \n4 Только для запасных частей;Only for spares
Модель
236
Группа
Двигатель
Подгруппа
Клапана и толкатели
Порядковый номер детали
026
Втулка ЯМЗ тарелки пружин клапана АВТОДИЗЕЛЬ
Артикул: 236-1007026-Б
Втулка ЯМЗ тарелки пружин клапана АВТОДИЗЕЛЬ
Код для заказа: 00003491
Цена: 147 ₽/шт.
Под заказ
Втулка ЯМЗ тарелки пружин клапана АВТОДИЗЕЛЬ
Артикул: 236-1007026-Б
Код для заказа: 00003491
Втулка ЯМЗ тарелки пружин клапана АВТОДИЗЕЛЬ
Цена: 147 ₽/шт.
Под заказ
14
14
Артикул: 236-1007026-Б
в наличии
Втулка тарелки пружин клапана
Количество на схеме: 12
Информация
Втулка тарелки пружин клапана
Количество
12
Примечание
2
Модель
236
Группа
Двигатель
Подгруппа
Клапана и толкатели
Порядковый номер детали
026
Втулка ЯМЗ тарелки пружин клапана АВТОДИЗЕЛЬ
Артикул: 236-1007026-Б
Втулка ЯМЗ тарелки пружин клапана АВТОДИЗЕЛЬ
Код для заказа: 00003491
Цена: 147 ₽/шт.
Под заказ
Втулка ЯМЗ тарелки пружин клапана АВТОДИЗЕЛЬ
Артикул: 236-1007026-Б
Код для заказа: 00003491
Втулка ЯМЗ тарелки пружин клапана АВТОДИЗЕЛЬ
Цена: 147 ₽/шт.
Под заказ
14
14
Артикул: 236-1007026-Б
в наличии
Втулка тарелки пружин клапана
Количество на схеме: 12
Информация
Втулка тарелки пружин клапана
Количество
12
Примечание
3
Модель
236
Группа
Двигатель
Подгруппа
Клапана и толкатели
Порядковый номер детали
026
Втулка ЯМЗ тарелки пружин клапана АВТОДИЗЕЛЬ
Артикул: 236-1007026-Б
Втулка ЯМЗ тарелки пружин клапана АВТОДИЗЕЛЬ
Код для заказа: 00003491
Цена: 147 ₽/шт.
Под заказ
Втулка ЯМЗ тарелки пружин клапана АВТОДИЗЕЛЬ
Артикул: 236-1007026-Б
Код для заказа: 00003491
Втулка ЯМЗ тарелки пружин клапана АВТОДИЗЕЛЬ
Цена: 147 ₽/шт.
Под заказ
15
15
Артикул: 6А1-0673-1
нет в наличии
Ось поводка
Количество на схеме: 2
Информация
Ось поводка
Количество
2
Примечание
1 Внутрисоюзное исполнение \n2 Экспортное исполнение (для стран с умеренным климатом) \n3 Экспортно-тропическое исполнение (для стран с жарким климатом) \n4 Только для запасных частей;Only for spares
15
15
Артикул: 6А1-0673-1
нет в наличии
Ось поводка
Количество на схеме: 2
Информация
Ось поводка
Количество
2
Примечание
2
15
15
Артикул: 6А1-0673-1-20
нет в наличии
Ось поводка
Количество на схеме: 2
Информация
Ось поводка
Количество
2
Примечание
3
16
16
Артикул: 6Т2-0671Б
нет в наличии
Сухарь клапана
Количество на схеме: 24
Информация
Сухарь клапана
Количество
24
Примечание
1 Внутрисоюзное исполнение \n2 Экспортное исполнение (для стран с умеренным климатом) \n3 Экспортно-тропическое исполнение (для стран с жарким климатом) \n4 Только для запасных частей;Only for spares
16
16
Артикул: 6Т2-0671Б
нет в наличии
Сухарь клапана
Количество на схеме: 24
Информация
Сухарь клапана
Количество
24
Примечание
2
16
16
Артикул: 6Т2-0671Б
нет в наличии
Сухарь клапана
Количество на схеме: 24
Информация
Сухарь клапана
Количество
24
Примечание
3
17
17
Артикул: СМД1-0672А
нет в наличии
Кольцо стопорное
Количество на схеме: 2
Информация
Кольцо стопорное
Количество
2
Примечание
1 Внутрисоюзное исполнение \n2 Экспортное исполнение (для стран с умеренным климатом) \n3 Экспортно-тропическое исполнение (для стран с жарким климатом) \n4 Только для запасных частей;Only for spares
17
17
Артикул: СМД1-0672А
нет в наличии
Кольцо стопорное
Количество на схеме: 2
Информация
Кольцо стопорное
Количество
2
Примечание
2
17
17
Артикул: СМД1-0672А
нет в наличии
Кольцо стопорное
Количество на схеме: 2
Информация
Кольцо стопорное
Количество
2
Примечание
3
18
18
Артикул: М8-6Н-6-013-2524
нет в наличии
Гайка
Количество на схеме: 18
Информация
Гайка
Количество
18
Примечание
1 Внутрисоюзное исполнение \n2 Экспортное исполнение (для стран с умеренным климатом) \n3 Экспортно-тропическое исполнение (для стран с жарким климатом) \n4 Только для запасных частей;Only for spares
18
18
Артикул: М8-6Н-6-013-2524
нет в наличии
Гайка
Количество на схеме: 18
Информация
Гайка
Количество
18
Примечание
2
18
18
Артикул: М8-6Н-6-013-2524
нет в наличии
Гайка
Количество на схеме: 18
Информация
Гайка
Количество
18
Примечание
3
19
19
Артикул: 01-0620
нет в наличии
Винт декомпрессора
Количество на схеме: 6
Информация
Винт декомпрессора
Количество
6
Примечание
1 Внутрисоюзное исполнение \n2 Экспортное исполнение (для стран с умеренным климатом) \n3 Экспортно-тропическое исполнение (для стран с жарким климатом) \n4 Только для запасных частей;Only for spares
19
19
Артикул: 01-0620
нет в наличии
Винт декомпрессора
Количество на схеме: 6
Информация
Винт декомпрессора
Количество
6
Примечание
2
19
19
Артикул: 01-0620
нет в наличии
Винт декомпрессора
Количество на схеме: 6
Информация
Винт декомпрессора
Количество
6
Примечание
3
20
20
Артикул: 6А1-0610
нет в наличии
Валик декомпрессора
Количество на схеме: 2
Информация
Валик декомпрессора
Количество
2
Примечание
1 Внутрисоюзное исполнение \n2 Экспортное исполнение (для стран с умеренным климатом) \n3 Экспортно-тропическое исполнение (для стран с жарким климатом) \n4 Только для запасных частей;Only for spares
20
20
Артикул: 6А1-0610
нет в наличии
Валик декомпрессора
Количество на схеме: 2
Информация
Валик декомпрессора
Количество
2
Примечание
2
20
20
Артикул: 6А1-0610
нет в наличии
Валик декомпрессора
Количество на схеме: 2
Информация
Валик декомпрессора
Количество
2
Примечание
3
21
21
Артикул: 01-0622
нет в наличии
Шайба
Количество на схеме: 6
Информация
Шайба
Количество
6
Примечание
1 Внутрисоюзное исполнение \n2 Экспортное исполнение (для стран с умеренным климатом) \n3 Экспортно-тропическое исполнение (для стран с жарким климатом) \n4 Только для запасных частей;Only for spares
21
21
Артикул: 01-0622
нет в наличии
Шайба
Количество на схеме: 6
Информация
Шайба
Количество
6
Примечание
2
21
21
Артикул: 01-0622
нет в наличии
Шайба
Количество на схеме: 6
Информация
Шайба
Количество
6
Примечание
3
22
22
Артикул: 236-1003114-В
нет в наличии
Кольцо
Количество на схеме: 6
Информация
Кольцо
Количество
6
Примечание
1 Внутрисоюзное исполнение \n2 Экспортное исполнение (для стран с умеренным климатом) \n3 Экспортно-тропическое исполнение (для стран с жарким климатом) \n4 Только для запасных частей;Only for spares
Модель
236
Группа
Двигатель
Подгруппа
Головка блока цилиндров
Порядковый номер детали
114
22
22
Артикул: 236-1003114-В
нет в наличии
Кольцо
Количество на схеме: 6
Информация
Кольцо
Количество
6
Примечание
2
Модель
236
Группа
Двигатель
Подгруппа
Головка блока цилиндров
Порядковый номер детали
114
22
22
Артикул: 236-1003114-В
нет в наличии
Кольцо
Количество на схеме: 6
Информация
Кольцо
Количество
6
Примечание
3
Модель
236
Группа
Двигатель
Подгруппа
Головка блока цилиндров
Порядковый номер детали
114
23
23
Артикул: Б22-13942
нет в наличии
Кольцо стопорное
Количество на схеме: 4
Информация
Кольцо стопорное
Количество
4
Примечание
1 Внутрисоюзное исполнение \n2 Экспортное исполнение (для стран с умеренным климатом) \n3 Экспортно-тропическое исполнение (для стран с жарким климатом) \n4 Только для запасных частей;Only for spares
23
23
Артикул: Б22-13942
нет в наличии
Кольцо стопорное
Количество на схеме: 4
Информация
Кольцо стопорное
Количество
4
Примечание
2
23
23
Артикул: Б22-13942
нет в наличии
Кольцо стопорное
Количество на схеме: 4
Информация
Кольцо стопорное
Количество
4
Примечание
3
24
24
Артикул: 6Т2-0505
нет в наличии
Шайба
Количество на схеме: 4
Информация
Шайба
Количество
4
Примечание
1 Внутрисоюзное исполнение \n2 Экспортное исполнение (для стран с умеренным климатом) \n3 Экспортно-тропическое исполнение (для стран с жарким климатом) \n4 Только для запасных частей;Only for spares
24
24
Артикул: 6Т2-0505
нет в наличии
Шайба
Количество на схеме: 4
Информация
Шайба
Количество
4
Примечание
2
24
24
Артикул: 6Т2-0505
нет в наличии
Шайба
Количество на схеме: 4
Информация
Шайба
Количество
4
Примечание
3
25
25
Артикул: 6А1-0626
нет в наличии
Гайка стакана форсунки
Количество на схеме: 6
Информация
Гайка стакана форсунки
Количество
6
Примечание
1 Внутрисоюзное исполнение \n2 Экспортное исполнение (для стран с умеренным климатом) \n3 Экспортно-тропическое исполнение (для стран с жарким климатом) \n4 Только для запасных частей;Only for spares
25
25
Артикул: 6А1-0626
нет в наличии
Гайка стакана форсунки
Количество на схеме: 6
Информация
Гайка стакана форсунки
Количество
6
Примечание
2
25
25
Артикул: 6А3-0626
нет в наличии
Гайка стакана форсунки
Количество на схеме: 6
Информация
Гайка стакана форсунки
Количество
6
Примечание
3
26
26
Артикул: 6Т2-0628-1
нет в наличии
Стакан форсунки
Количество на схеме: 6
Информация
Стакан форсунки
Количество
6
Примечание
1 Внутрисоюзное исполнение \n2 Экспортное исполнение (для стран с умеренным климатом) \n3 Экспортно-тропическое исполнение (для стран с жарким климатом) \n4 Только для запасных частей;Only for spares
26
26
Артикул: 6Т2-0628-1
нет в наличии
Стакан форсунки
Количество на схеме: 6
Информация
Стакан форсунки
Количество
6
Примечание
2
26
26
Артикул: 6Т2-0628-1
нет в наличии
Стакан форсунки
Количество на схеме: 6
Информация
Стакан форсунки
Количество
6
Примечание
3
27
27
Артикул: М12-6Н-6-013-5927
нет в наличии
Гайка
Количество на схеме: 13
Информация
Гайка
Количество
13
Примечание
1 Внутрисоюзное исполнение \n2 Экспортное исполнение (для стран с умеренным климатом) \n3 Экспортно-тропическое исполнение (для стран с жарким климатом) \n4 Только для запасных частей;Only for spares
27
27
Артикул: М12-6Н-6-013-5927
нет в наличии
Гайка
Количество на схеме: 13
Информация
Гайка
Количество
13
Примечание
2
27
27
Артикул: М12-6Н-6-013-5927
нет в наличии
Гайка
Количество на схеме: 13
Информация
Гайка
Количество
13
Примечание
3
28
28
Артикул: 01-0688
нет в наличии
Шпилька
Количество на схеме: 6
Информация
Шпилька
Количество
6
Примечание
1 Внутрисоюзное исполнение \n2 Экспортное исполнение (для стран с умеренным климатом) \n3 Экспортно-тропическое исполнение (для стран с жарким климатом) \n4 Только для запасных частей;Only for spares
28
28
Артикул: 01-0688
нет в наличии
Шпилька
Количество на схеме: 6
Информация
Шпилька
Количество
6
Примечание
2
28
28
Артикул: 01-0688
нет в наличии
Шпилька
Количество на схеме: 6
Информация
Шпилька
Количество
6
Примечание
3
29
29
Артикул: 01-0644-1
нет в наличии
Ось коромысел
Количество на схеме: 2
Информация
Ось коромысел
Количество
2
Примечание
1 Внутрисоюзное исполнение \n2 Экспортное исполнение (для стран с умеренным климатом) \n3 Экспортно-тропическое исполнение (для стран с жарким климатом) \n4 Только для запасных частей;Only for spares
29
29
Артикул: 01-0644-1
нет в наличии
Ось коромысел
Количество на схеме: 2
Информация
Ось коромысел
Количество
2
Примечание
2
29
29
Артикул: 01-0644-1
нет в наличии
Ось коромысел
Количество на схеме: 2
Информация
Ось коромысел
Количество
2
Примечание
3
30
30
Артикул: 6Т2-0645
нет в наличии
Пружина распорная
Количество на схеме: 4
Информация
Пружина распорная
Количество
4
Примечание
1 Внутрисоюзное исполнение \n2 Экспортное исполнение (для стран с умеренным климатом) \n3 Экспортно-тропическое исполнение (для стран с жарким климатом) \n4 Только для запасных частей;Only for spares
30
30
Артикул: 6Т2-0645-10
нет в наличии
Пружина распорная
Количество на схеме: 4
Информация
Пружина распорная
Количество
4
Примечание
2
30
30
Артикул: 6Т2-0645-10
нет в наличии
Пружина распорная
Количество на схеме: 4
Информация
Пружина распорная
Количество
4
Примечание
3
31
31
Артикул: 01-0689
нет в наличии
Винт коромысла регулировочный
Количество на схеме: 12
Информация
Винт коромысла регулировочный
Количество
12
Примечание
1 Внутрисоюзное исполнение \n2 Экспортное исполнение (для стран с умеренным климатом) \n3 Экспортно-тропическое исполнение (для стран с жарким климатом) \n4 Только для запасных частей;Only for spares
31
31
Артикул: 01-0689
нет в наличии
Винт коромысла регулировочный
Количество на схеме: 12
Информация
Винт коромысла регулировочный
Количество
12
Примечание
2
31
31
Артикул: 01-0689
нет в наличии
Винт коромысла регулировочный
Количество на схеме: 12
Информация
Винт коромысла регулировочный
Количество
12
Примечание
3
32
32
Артикул: 01-0617
нет в наличии
Гайка
Количество на схеме: 12
Информация
Гайка
Количество
12
Примечание
1 Внутрисоюзное исполнение \n2 Экспортное исполнение (для стран с умеренным климатом) \n3 Экспортно-тропическое исполнение (для стран с жарким климатом) \n4 Только для запасных частей;Only for spares
32
32
Артикул: 01-0617
нет в наличии
Гайка
Количество на схеме: 12
Информация
Гайка
Количество
12
Примечание
2
32
32
Артикул: 01-0617
нет в наличии
Гайка
Количество на схеме: 12
Информация
Гайка
Количество
12
Примечание
3
33
33
Артикул: 01-06С3
нет в наличии
Коромысло клапана
Количество на схеме: 12
Информация
Коромысло клапана
Количество
12
Примечание
3
34
34
Артикул: 01-06С4
нет в наличии
Коромысло
Количество на схеме: 12
Информация
Коромысло
Количество
12
Примечание
1 Внутрисоюзное исполнение \n2 Экспортное исполнение (для стран с умеренным климатом) \n3 Экспортно-тропическое исполнение (для стран с жарким климатом) \n4 Только для запасных частей;Only for spares
34
34
Артикул: 01-06С4
нет в наличии
Коромысло
Количество на схеме: 12
Информация
Коромысло
Количество
12
Примечание
2
34
34
Артикул: 01-06С4
нет в наличии
Коромысло
Количество на схеме: 12
Информация
Коромысло
Количество
12
Примечание
3
35
35
Артикул: 01-0675-10
нет в наличии
Шайба
Количество на схеме: 6
Информация
Шайба
Количество
6
Примечание
1 Внутрисоюзное исполнение \n2 Экспортное исполнение (для стран с умеренным климатом) \n3 Экспортно-тропическое исполнение (для стран с жарким климатом) \n4 Только для запасных частей;Only for spares
35
35
Артикул: 01-0675-10
нет в наличии
Шайба
Количество на схеме: 6
Информация
Шайба
Количество
6
Примечание
2
35
35
Артикул: 01-0675-10
нет в наличии
Шайба
Количество на схеме: 6
Информация
Шайба
Количество
6
Примечание
3
36
36
Артикул: 01-0687А
нет в наличии
Стойка валика
Количество на схеме: 6
Информация
Стойка валика
Количество
6
Примечание
1 Внутрисоюзное исполнение \n2 Экспортное исполнение (для стран с умеренным климатом) \n3 Экспортно-тропическое исполнение (для стран с жарким климатом) \n4 Только для запасных частей;Only for spares
36
36
Артикул: 01-0687А
нет в наличии
Стойка валика
Количество на схеме: 6
Информация
Стойка валика
Количество
6
Примечание
2
36
36
Артикул: 01-0687А
нет в наличии
Стойка валика
Количество на схеме: 6
Информация
Стойка валика
Количество
6
Примечание
3
37
37
Артикул: М12х80-88-05-СТП479
нет в наличии
Шпилька
Количество на схеме: 4
Информация
Шпилька
Количество
4
Примечание
1 Внутрисоюзное исполнение \n2 Экспортное исполнение (для стран с умеренным климатом) \n3 Экспортно-тропическое исполнение (для стран с жарким климатом) \n4 Только для запасных частей;Only for spares
37
37
Артикул: М12х80-88-05-СТП479
нет в наличии
Шпилька
Количество на схеме: 4
Информация
Шпилька
Количество
4
Примечание
2
37
37
Артикул: М12х80-88-05-СТП479
нет в наличии
Шпилька
Количество на схеме: 4
Информация
Шпилька
Количество
4
Примечание
3
38
38
Артикул: М12-6gх65-88-35-013-7795
нет в наличии
Болт
Количество на схеме: 8
Информация
Болт
Количество
8
Примечание
1 Внутрисоюзное исполнение \n2 Экспортное исполнение (для стран с умеренным климатом) \n3 Экспортно-тропическое исполнение (для стран с жарким климатом) \n4 Только для запасных частей;Only for spares
38
38
Артикул: М12-6gх65-88-35-013-7795
нет в наличии
Болт
Количество на схеме: 8
Информация
Болт
Количество
8
Примечание
2
38
38
Артикул: М12-6gх65-88-35-013-7795
нет в наличии
Болт
Количество на схеме: 8
Информация
Болт
Количество
8
Примечание
3
39
39
Артикул: 04-0686
нет в наличии
Стойка оси
Количество на схеме: 6
Информация
Стойка оси
Количество
6
Примечание
1 Внутрисоюзное исполнение \n2 Экспортное исполнение (для стран с умеренным климатом) \n3 Экспортно-тропическое исполнение (для стран с жарким климатом) \n4 Только для запасных частей;Only for spares
39
39
Артикул: 04-0686
нет в наличии
Стойка оси
Количество на схеме: 6
Информация
Стойка оси
Количество
6
Примечание
2
39
39
Артикул: 04-0686
нет в наличии
Стойка оси
Количество на схеме: 6
Информация
Стойка оси
Количество
6
Примечание
3
40
40
Артикул: 01М-0623
нет в наличии
Ниппель проходной
Количество на схеме: 2
Информация
Ниппель проходной
Количество
2
Примечание
1 Внутрисоюзное исполнение \n2 Экспортное исполнение (для стран с умеренным климатом) \n3 Экспортно-тропическое исполнение (для стран с жарким климатом) \n4 Только для запасных частей;Only for spares
40
40
Артикул: 01М-0623
нет в наличии
Ниппель проходной
Количество на схеме: 2
Информация
Ниппель проходной
Количество
2
Примечание
2
40
40
Артикул: 01М-0623
нет в наличии
Ниппель проходной
Количество на схеме: 2
Информация
Ниппель проходной
Количество
2
Примечание
3
41
41
Артикул: 01МТГ-0601-01
нет в наличии
Головка цилиндров
Количество на схеме: 2
Информация
Головка цилиндров
Количество
2
Примечание
1 Внутрисоюзное исполнение \n2 Экспортное исполнение (для стран с умеренным климатом) \n3 Экспортно-тропическое исполнение (для стран с жарким климатом) \n4 Только для запасных частей;Only for spares
41
41
Артикул: 04-0601-1Г
нет в наличии
Головка цилиндров
Количество на схеме: 2
Информация
Головка цилиндров
Количество
2
Примечание
1 Внутрисоюзное исполнение \n2 Экспортное исполнение (для стран с умеренным климатом) \n3 Экспортно-тропическое исполнение (для стран с жарким климатом) \n4 Только для запасных частей;Only for spares
41
41
Артикул: 04-0601-1Г
нет в наличии
Головка цилиндров
Количество на схеме: 2
Информация
Головка цилиндров
Количество
2
Примечание
2
41
41
Артикул: 04-0601-1Г
нет в наличии
Головка цилиндров
Количество на схеме: 2
Информация
Головка цилиндров
Количество
2
Примечание
3
41
41
Артикул: 461-0601-01
нет в наличии
Головка цилиндров
Количество на схеме: 2
Информация
Головка цилиндров
Количество
2
Примечание
1 Внутрисоюзное исполнение \n2 Экспортное исполнение (для стран с умеренным климатом) \n3 Экспортно-тропическое исполнение (для стран с жарким климатом) \n4 Только для запасных частей;Only for spares
42
42
Артикул: М10х45-56-013-СТП478
нет в наличии
Шпилька
Количество на схеме: 2
Информация
Шпилька
Количество
2
Примечание
1 Внутрисоюзное исполнение \n2 Экспортное исполнение (для стран с умеренным климатом) \n3 Экспортно-тропическое исполнение (для стран с жарким климатом) \n4 Только для запасных частей;Only for spares
42
42
Артикул: М10х45-56-013-СТП478
нет в наличии
Шпилька
Количество на схеме: 2
Информация
Шпилька
Количество
2
Примечание
2
42
42
Артикул: М10х45-56-013-СТП478
нет в наличии
Шпилька
Количество на схеме: 2
Информация
Шпилька
Количество
2
Примечание
3
43
43
Артикул: М10х40-56-013-СТП478
нет в наличии
Шпилька
Количество на схеме: 10
Информация
Шпилька
Количество
10
Примечание
1 Внутрисоюзное исполнение \n2 Экспортное исполнение (для стран с умеренным климатом) \n3 Экспортно-тропическое исполнение (для стран с жарким климатом) \n4 Только для запасных частей;Only for spares
43
43
Артикул: М10х40-56-013-СТП478
нет в наличии
Шпилька
Количество на схеме: 10
Информация
Шпилька
Количество
10
Примечание
2
43
43
Артикул: М10х40-56-013-СТП478
нет в наличии
Шпилька
Количество на схеме: 10
Информация
Шпилька
Количество
10
Примечание
3
44
44
Артикул: 10-65Г-05-6402
нет в наличии
Шайба пружинная
Количество на схеме: 18
Информация
Шайба пружинная
Количество
18
Примечание
1 Внутрисоюзное исполнение \n2 Экспортное исполнение (для стран с умеренным климатом) \n3 Экспортно-тропическое исполнение (для стран с жарким климатом) \n4 Только для запасных частей;Only for spares
44
44
Артикул: 10-65Г-05-6402
нет в наличии
Шайба пружинная
Количество на схеме: 18
Информация
Шайба пружинная
Количество
18
Примечание
2
44
44
Артикул: 10-65Г-05-6402
нет в наличии
Шайба пружинная
Количество на схеме: 18
Информация
Шайба пружинная
Количество
18
Примечание
3
45
45
Артикул: М10-6Н-6-013-5927
нет в наличии
Гайка
Количество на схеме: 19
Информация
Гайка
Количество
19
Примечание
1 Внутрисоюзное исполнение \n2 Экспортное исполнение (для стран с умеренным климатом) \n3 Экспортно-тропическое исполнение (для стран с жарким климатом) \n4 Только для запасных частей;Only for spares
45
45
Артикул: М10-6Н-6-013-5927
нет в наличии
Гайка
Количество на схеме: 19
Информация
Гайка
Количество
19
Примечание
2
45
45
Артикул: М10-6Н-6-013-5927
нет в наличии
Гайка
Количество на схеме: 19
Информация
Гайка
Количество
19
Примечание
3
46
46
Артикул: М8-6gх25-88-35-05-7796
нет в наличии
Болт
Количество на схеме: 8
Информация
Болт
Количество
8
Примечание
1 Внутрисоюзное исполнение \n2 Экспортное исполнение (для стран с умеренным климатом) \n3 Экспортно-тропическое исполнение (для стран с жарким климатом) \n4 Только для запасных частей;Only for spares
46
46
Артикул: М8-6gх25-88-35-05-7796
нет в наличии
Болт
Количество на схеме: 8
Информация
Болт
Количество
8
Примечание
2
46
46
Артикул: М8-6gх25-88-35-05-7796
нет в наличии
Болт
Количество на схеме: 8
Информация
Болт
Количество
8
Примечание
3
47
47
Артикул: 04-0662-1
нет в наличии
Прокладка всасывающего коллектора
Количество на схеме: 6
Информация
Прокладка всасывающего коллектора
Количество
6
Примечание
1 Внутрисоюзное исполнение \n2 Экспортное исполнение (для стран с умеренным климатом) \n3 Экспортно-тропическое исполнение (для стран с жарким климатом) \n4 Только для запасных частей;Only for spares
47
47
Артикул: 04-0662-1
нет в наличии
Прокладка всасывающего коллектора
Количество на схеме: 6
Информация
Прокладка всасывающего коллектора
Количество
6
Примечание
2
47
47
Артикул: 04-0662-1-20
нет в наличии
Прокладка
Количество на схеме: 6
Информация
Прокладка
Количество
6
Примечание
3
48
48
Артикул: 04-06С8-1
нет в наличии
Прокладка (механический узел)
Количество на схеме: 2
Информация
Прокладка (механический узел)
Количество
2
Примечание
1 Внутрисоюзное исполнение \n2 Экспортное исполнение (для стран с умеренным климатом) \n3 Экспортно-тропическое исполнение (для стран с жарким климатом) \n4 Только для запасных частей;Only for spares
48
48
Артикул: 04-06С8-1
нет в наличии
Прокладка (механический узел)
Количество на схеме: 2
Информация
Прокладка (механический узел)
Количество
2
Примечание
2
48
48
Артикул: 04-06С8-1
нет в наличии
Прокладка (механический узел)
Количество на схеме: 2
Информация
Прокладка (механический узел)
Количество
2
Примечание
3
49
49
Артикул: 12х2-01-011-10450
нет в наличии
Шайба
Количество на схеме: 1
Информация
Шайба
Количество
1
Примечание
1 Внутрисоюзное исполнение \n2 Экспортное исполнение (для стран с умеренным климатом) \n3 Экспортно-тропическое исполнение (для стран с жарким климатом) \n4 Только для запасных частей;Only for spares
49
49
Артикул: 12х2-01-011-10450
нет в наличии
Шайба
Количество на схеме: 1
Информация
Шайба
Количество
1
Примечание
2
49
49
Артикул: 12х2-01-011-10450
нет в наличии
Шайба
Количество на схеме: 1
Информация
Шайба
Количество
1
Примечание
3
50
50
Артикул: 01-0674-2
нет в наличии
Кронштейн тяги
Количество на схеме: 1
Информация
Кронштейн тяги
Количество
1
Примечание
1 Внутрисоюзное исполнение \n2 Экспортное исполнение (для стран с умеренным климатом) \n3 Экспортно-тропическое исполнение (для стран с жарким климатом) \n4 Только для запасных частей;Only for spares
50
50
Артикул: 01-0674-2
нет в наличии
Кронштейн тяги
Количество на схеме: 1
Информация
Кронштейн тяги
Количество
1
Примечание
2
50
50
Артикул: 01-0674-2
нет в наличии
Кронштейн тяги
Количество на схеме: 1
Информация
Кронштейн тяги
Количество
1
Примечание
3
51
51
Артикул: 41-06С19А
нет в наличии
Рукоятка декомпрессора
Количество на схеме: 1
Информация
Рукоятка декомпрессора
Количество
1
Примечание
1 Внутрисоюзное исполнение \n2 Экспортное исполнение (для стран с умеренным климатом) \n3 Экспортно-тропическое исполнение (для стран с жарким климатом) \n4 Только для запасных частей;Only for spares
51
51
Артикул: 41-06С19А
нет в наличии
Рукоятка декомпрессора
Количество на схеме: 1
Информация
Рукоятка декомпрессора
Количество
1
Примечание
2
51
51
Артикул: 41-06С19А-20
нет в наличии
Рукоятка декомпрессора
Количество на схеме: 1
Информация
Рукоятка декомпрессора
Количество
1
Примечание
3
52
52
Артикул: 01МЛ-06С7-1
нет в наличии
Колпак задний в сборе
Количество на схеме: 1
Информация
Колпак задний в сборе
Количество
1
Примечание
1 Внутрисоюзное исполнение \n2 Экспортное исполнение (для стран с умеренным климатом) \n3 Экспортно-тропическое исполнение (для стран с жарким климатом) \n4 Только для запасных частей;Only for spares
52
52
Артикул: 01МЛ-06С7-1-10
нет в наличии
Колпак задний в сборе
Количество на схеме: 1
Информация
Колпак задний в сборе
Количество
1
Примечание
2
52
52
Артикул: 04-06С7-1
нет в наличии
Колпак задний в сборе
Количество на схеме: 1
Информация
Колпак задний в сборе
Количество
1
Примечание
1 Внутрисоюзное исполнение \n2 Экспортное исполнение (для стран с умеренным климатом) \n3 Экспортно-тропическое исполнение (для стран с жарким климатом) \n4 Только для запасных частей;Only for spares
52
52
Артикул: 04-06С7-1-10
нет в наличии
Колпак задний в сборе
Количество на схеме: 1
Информация
Колпак задний в сборе
Количество
1
Примечание
2
52
52
Артикул: 04-06С7-1-20
нет в наличии
Колпак задний в сборе
Количество на схеме: 1
Информация
Колпак задний в сборе
Количество
1
Примечание
3
53
53
Артикул: 3-2х18-05-357
нет в наличии
Шплинт
Количество на схеме: 2
Информация
Шплинт
Количество
2
Примечание
3
53
53
Артикул: 3-2х18-05-397
нет в наличии
Шплинт
Количество на схеме: 2
Информация
Шплинт
Количество
2
Примечание
1 Внутрисоюзное исполнение \n2 Экспортное исполнение (для стран с умеренным климатом) \n3 Экспортно-тропическое исполнение (для стран с жарким климатом) \n4 Только для запасных частей;Only for spares
53
53
Артикул: 3-2х18-05-397
нет в наличии
Шплинт
Количество на схеме: 2
Информация
Шплинт
Количество
2
Примечание
2
54
54
Артикул: 01-0679-3
нет в наличии
Тяга
Количество на схеме: 1
Информация
Тяга
Количество
1
Примечание
1 Внутрисоюзное исполнение \n2 Экспортное исполнение (для стран с умеренным климатом) \n3 Экспортно-тропическое исполнение (для стран с жарким климатом) \n4 Только для запасных частей;Only for spares
54
54
Артикул: 01-0679-3
нет в наличии
Тяга
Количество на схеме: 1
Информация
Тяга
Количество
1
Примечание
2
54
54
Артикул: 01-0679-3
нет в наличии
Тяга
Количество на схеме: 1
Информация
Тяга
Количество
1
Примечание
3
55
55
Артикул: 01-0698А
нет в наличии
Рычаг
Количество на схеме: 1
Информация
Рычаг
Количество
1
Примечание
1 Внутрисоюзное исполнение \n2 Экспортное исполнение (для стран с умеренным климатом) \n3 Экспортно-тропическое исполнение (для стран с жарким климатом) \n4 Только для запасных частей;Only for spares
55
55
Артикул: 01-0698А
нет в наличии
Рычаг
Количество на схеме: 1
Информация
Рычаг
Количество
1
Примечание
2
55
55
Артикул: 01-0698А-20
нет в наличии
Рычаг
Количество на схеме: 1
Информация
Рычаг
Количество
1
Примечание
3
56
56
Артикул: Т4-20Д-029
нет в наличии
Рычаг декомпрессора
Количество на схеме: 1
Информация
Рычаг декомпрессора
Количество
1
Примечание
1 Внутрисоюзное исполнение \n2 Экспортное исполнение (для стран с умеренным климатом) \n3 Экспортно-тропическое исполнение (для стран с жарким климатом) \n4 Только для запасных частей;Only for spares
56
56
Артикул: Т4-20Д-029-10
нет в наличии
Рычаг декомпрессора
Количество на схеме: 1
Информация
Рычаг декомпрессора
Количество
1
Примечание
2
57
57
Артикул: 41-0648
нет в наличии
Шайба стопорная
Количество на схеме: 1
Информация
Шайба стопорная
Количество
1
Примечание
1 Внутрисоюзное исполнение \n2 Экспортное исполнение (для стран с умеренным климатом) \n3 Экспортно-тропическое исполнение (для стран с жарким климатом) \n4 Только для запасных частей;Only for spares
57
57
Артикул: 41-0648
нет в наличии
Шайба стопорная
Количество на схеме: 1
Информация
Шайба стопорная
Количество
1
Примечание
2
57
57
Артикул: 41-0648
нет в наличии
Шайба стопорная
Количество на схеме: 1
Информация
Шайба стопорная
Количество
1
Примечание
3
58
58
Артикул: 04-06С6-1
нет в наличии
Колпак передний в сборе
Количество на схеме: 1
Информация
Колпак передний в сборе
Количество
1
Примечание
1 Внутрисоюзное исполнение \n2 Экспортное исполнение (для стран с умеренным климатом) \n3 Экспортно-тропическое исполнение (для стран с жарким климатом) \n4 Только для запасных частей;Only for spares
58
58
Артикул: 04-06С6-1-10
нет в наличии
Колпак передний в сборе
Количество на схеме: 1
Информация
Колпак передний в сборе
Количество
1
Примечание
2
58
58
Артикул: 04-06С6-1-20
нет в наличии
Колпак передний в сборе
Количество на схеме: 1
Информация
Колпак передний в сборе
Количество
1
Примечание
3
59
59
Артикул: К77-68-410-1
нет в наличии
Пружина
Количество на схеме: 1
Информация
Пружина
Количество
1
Примечание
1 Внутрисоюзное исполнение \n2 Экспортное исполнение (для стран с умеренным климатом) \n3 Экспортно-тропическое исполнение (для стран с жарким климатом) \n4 Только для запасных частей;Only for spares
59
59
Артикул: К77-68-410-1
нет в наличии
Пружина
Количество на схеме: 1
Информация
Пружина
Количество
1
Примечание
2
59
59
Артикул: К77-68-410-1-20
нет в наличии
Пружина
Количество на схеме: 1
Информация
Пружина
Количество
1
Примечание
3
60
60
Артикул: 14-2619
нет в наличии
Заглушка
Количество на схеме: 1
Информация
Заглушка
Количество
1
Примечание
1 Внутрисоюзное исполнение \n2 Экспортное исполнение (для стран с умеренным климатом) \n3 Экспортно-тропическое исполнение (для стран с жарким климатом) \n4 Только для запасных частей;Only for spares
60
60
Артикул: 14-2619
нет в наличии
Заглушка
Количество на схеме: 1
Информация
Заглушка
Количество
1
Примечание
2
60
60
Артикул: 14-2619
нет в наличии
Заглушка
Количество на схеме: 1
Информация
Заглушка
Количество
1
Примечание
3
61
61
Артикул: 4х22-05-397
нет в наличии
Шплинт
Количество на схеме: 1
Информация
Шплинт
Количество
1
Примечание
1 Внутрисоюзное исполнение \n2 Экспортное исполнение (для стран с умеренным климатом) \n3 Экспортно-тропическое исполнение (для стран с жарким климатом) \n4 Только для запасных частей;Only for spares
61
61
Артикул: 4х22-05-397
нет в наличии
Шплинт
Количество на схеме: 1
Информация
Шплинт
Количество
1
Примечание
2
61
61
Артикул: 4х22-05-397
нет в наличии
Шплинт
Количество на схеме: 1
Информация
Шплинт
Количество
1
Примечание
3
62
62
Артикул: БУ8Р-3722
нет в наличии
Шарик
Количество на схеме: 1
Информация
Шарик
Количество
1
Примечание
1 Внутрисоюзное исполнение \n2 Экспортное исполнение (для стран с умеренным климатом) \n3 Экспортно-тропическое исполнение (для стран с жарким климатом) \n4 Только для запасных частей;Only for spares
62
62
Артикул: БУ8Р-3722
нет в наличии
Шарик
Количество на схеме: 1
Информация
Шарик
Количество
1
Примечание
2
62
62
Артикул: БУ8Р-3722
нет в наличии
Шарик
Количество на схеме: 1
Информация
Шарик
Количество
1
Примечание
3
63
63
Артикул: 41-06С11
нет в наличии
Сапун в сборе
Количество на схеме: 2
Информация
Сапун в сборе
Количество
2
Примечание
1 Внутрисоюзное исполнение \n2 Экспортное исполнение (для стран с умеренным климатом) \n3 Экспортно-тропическое исполнение (для стран с жарким климатом) \n4 Только для запасных частей;Only for spares
63
63
Артикул: 41-06С11-10
нет в наличии
Сапун в сборе
Количество на схеме: 2
Информация
Сапун в сборе
Количество
2
Примечание
2
63
63
Артикул: 41-06С11-20
нет в наличии
Сапун в сборе
Количество на схеме: 2
Информация
Сапун в сборе
Количество
2
Примечание
3
64
64
Артикул: 01-0615
нет в наличии
Корпус декомпрессора
Количество на схеме: 1
Информация
Корпус декомпрессора
Количество
1
Примечание
1 Внутрисоюзное исполнение \n2 Экспортное исполнение (для стран с умеренным климатом) \n3 Экспортно-тропическое исполнение (для стран с жарким климатом) \n4 Только для запасных частей;Only for spares
64
64
Артикул: 01-0615
нет в наличии
Корпус декомпрессора
Количество на схеме: 1
Информация
Корпус декомпрессора
Количество
1
Примечание
2
64
64
Артикул: 01-0615-20
нет в наличии
Корпус декомпрессора
Количество на схеме: 1
Информация
Корпус декомпрессора
Количество
1
Примечание
3
65
65
Артикул: 01-0612
нет в наличии
Ось рукоятки декомпрессора
Количество на схеме: 1
Информация
Ось рукоятки декомпрессора
Количество
1
Примечание
1 Внутрисоюзное исполнение \n2 Экспортное исполнение (для стран с умеренным климатом) \n3 Экспортно-тропическое исполнение (для стран с жарким климатом) \n4 Только для запасных частей;Only for spares
65
65
Артикул: 01-0612
нет в наличии
Ось рукоятки декомпрессора
Количество на схеме: 1
Информация
Ось рукоятки декомпрессора
Количество
1
Примечание
2
65
65
Артикул: 01-0612-20
нет в наличии
Ось рукоятки декомпрессора
Количество на схеме: 1
Информация
Ось рукоятки декомпрессора
Количество
1
Примечание
3
66
66
Артикул: 01-06С20
нет в наличии
Корпус декомпрессора
Количество на схеме: 1
Информация
Корпус декомпрессора
Количество
1
Примечание
1 Внутрисоюзное исполнение \n2 Экспортное исполнение (для стран с умеренным климатом) \n3 Экспортно-тропическое исполнение (для стран с жарким климатом) \n4 Только для запасных частей;Only for spares
66
66
Артикул: 01-06С20
нет в наличии
Корпус декомпрессора
Количество на схеме: 1
Информация
Корпус декомпрессора
Количество
1
Примечание
2
66
66
Артикул: 01-06С20-20
нет в наличии
Корпус декомпрессора
Количество на схеме: 1
Информация
Корпус декомпрессора
Количество
1
Примечание
3
67
67
Артикул: 1-20х40-8752
нет в наличии
Манжета
Количество на схеме: 3
Информация
Манжета
Количество
3
Примечание
1 Внутрисоюзное исполнение \n2 Экспортное исполнение (для стран с умеренным климатом) \n3 Экспортно-тропическое исполнение (для стран с жарким климатом) \n4 Только для запасных частей;Only for spares
67
67
Артикул: 1-20х40-8752
нет в наличии
Манжета
Количество на схеме: 3
Информация
Манжета
Количество
3
Примечание
2
67
67
Артикул: 1-20х40-8752
нет в наличии
Манжета
Количество на схеме: 3
Информация
Манжета
Количество
3
Примечание
3
68
68
Артикул: М8х20-56-013-11765
нет в наличии
Шпилька
Количество на схеме: 8
Информация
Шпилька
Количество
8
Примечание
1 Внутрисоюзное исполнение \n2 Экспортное исполнение (для стран с умеренным климатом) \n3 Экспортно-тропическое исполнение (для стран с жарким климатом) \n4 Только для запасных частей;Only for spares
68
68
Артикул: М8х20-56-013-11765
нет в наличии
Шпилька
Количество на схеме: 8
Информация
Шпилька
Количество
8
Примечание
2
68
68
Артикул: М8х20-56-013-11765
нет в наличии
Шпилька
Количество на схеме: 8
Информация
Шпилька
Количество
8
Примечание
3
69
69
Артикул: 04-0664-1А
нет в наличии
Колпак
Количество на схеме: 2
Информация
Колпак
Количество
2
Примечание
1 Внутрисоюзное исполнение \n2 Экспортное исполнение (для стран с умеренным климатом) \n3 Экспортно-тропическое исполнение (для стран с жарким климатом) \n4 Только для запасных частей;Only for spares
69
69
Артикул: 04-0664-1А
нет в наличии
Колпак
Количество на схеме: 2
Информация
Колпак
Количество
2
Примечание
2
69
69
Артикул: 04-0664-1А-20
нет в наличии
Колпак
Количество на схеме: 2
Информация
Колпак
Количество
2
Примечание
3
70
70
Артикул: 01-0684
нет в наличии
Прокладка
Количество на схеме: 4
Информация
Прокладка
Количество
4
Примечание
1 Внутрисоюзное исполнение \n2 Экспортное исполнение (для стран с умеренным климатом) \n3 Экспортно-тропическое исполнение (для стран с жарким климатом) \n4 Только для запасных частей;Only for spares
70
70
Артикул: 01-0684-20
нет в наличии
Прокладка
Количество на схеме: 4
Информация
Прокладка
Количество
4
Примечание
2
70
70
Артикул: 01-0684-20
нет в наличии
Прокладка
Количество на схеме: 4
Информация
Прокладка
Количество
4
Примечание
3
71
71
Артикул: 01-0624
нет в наличии
Кольцо стопорное
Количество на схеме: 4
Информация
Кольцо стопорное
Количество
4
Примечание
1 Внутрисоюзное исполнение \n2 Экспортное исполнение (для стран с умеренным климатом) \n3 Экспортно-тропическое исполнение (для стран с жарким климатом) \n4 Только для запасных частей;Only for spares
71
71
Артикул: 01-0624
нет в наличии
Кольцо стопорное
Количество на схеме: 4
Информация
Кольцо стопорное
Количество
4
Примечание
2
71
71
Артикул: 01-0624
нет в наличии
Кольцо стопорное
Количество на схеме: 4
Информация
Кольцо стопорное
Количество
4
Примечание
3
72
72
Артикул: 01-0630
нет в наличии
Гайка крепления колпака
Количество на схеме: 4
Информация
Гайка крепления колпака
Количество
4
Примечание
1 Внутрисоюзное исполнение \n2 Экспортное исполнение (для стран с умеренным климатом) \n3 Экспортно-тропическое исполнение (для стран с жарким климатом) \n4 Только для запасных частей;Only for spares
72
72
Артикул: 01-0630
нет в наличии
Гайка крепления колпака
Количество на схеме: 4
Информация
Гайка крепления колпака
Количество
4
Примечание
2
72
72
Артикул: 01-0630-20
нет в наличии
Гайка колпака
Количество на схеме: 4
Информация
Гайка колпака
Количество
4
Примечание
3
73
73
Артикул: 41-0667
нет в наличии
Прокладка сапуна
Количество на схеме: 2
Информация
Прокладка сапуна
Количество
2
Примечание
1 Внутрисоюзное исполнение \n2 Экспортное исполнение (для стран с умеренным климатом) \n3 Экспортно-тропическое исполнение (для стран с жарким климатом) \n4 Только для запасных частей;Only for spares
73
73
Артикул: 41-0667
нет в наличии
Прокладка сапуна
Количество на схеме: 2
Информация
Прокладка сапуна
Количество
2
Примечание
2
73
73
Артикул: 41-0667-20
нет в наличии
Прокладка
Количество на схеме: 2
Информация
Прокладка
Количество
2
Примечание
3
74
74
Артикул: 01-0635
нет в наличии
Кольцо стопорное
Количество на схеме: 2
Информация
Кольцо стопорное
Количество
2
Примечание
1 Внутрисоюзное исполнение \n2 Экспортное исполнение (для стран с умеренным климатом) \n3 Экспортно-тропическое исполнение (для стран с жарким климатом) \n4 Только для запасных частей;Only for spares
74
74
Артикул: 01-0635
нет в наличии
Кольцо стопорное
Количество на схеме: 2
Информация
Кольцо стопорное
Количество
2
Примечание
2
74
74
Артикул: 01-0635-20
нет в наличии
Кольцо стопорное
Количество на схеме: 2
Информация
Кольцо стопорное
Количество
2
Примечание
3
75
75
Артикул: 41-06С21-2
нет в наличии
Управление механизмом декомпрессии
Количество на схеме: 1
Информация
Управление механизмом декомпрессии
Количество
1
Примечание
1 Внутрисоюзное исполнение \n2 Экспортное исполнение (для стран с умеренным климатом) \n3 Экспортно-тропическое исполнение (для стран с жарким климатом) \n4 Только для запасных частей;Only for spares
75
75
Артикул: 41-06С21-2
нет в наличии
Управление механизмом декомпрессии
Количество на схеме: 1
Информация
Управление механизмом декомпрессии
Количество
1
Примечание
2
75
75
Артикул: 41-06С21-2-20
нет в наличии
Управление механизмом декомпрессии
Количество на схеме: 1
Информация
Управление механизмом декомпрессии
Количество
1
Примечание
3
76
76
Артикул: 41-0634-01
нет в наличии
Набивка сапуна
Количество на схеме: 4
Информация
Набивка сапуна
Количество
4
Примечание
1 Внутрисоюзное исполнение \n2 Экспортное исполнение (для стран с умеренным климатом) \n3 Экспортно-тропическое исполнение (для стран с жарким климатом) \n4 Только для запасных частей;Only for spares
76
76
Артикул: 41-0634-01
нет в наличии
Набивка сапуна
Количество на схеме: 4
Информация
Набивка сапуна
Количество
4
Примечание
2
76
76
Артикул: 41-0634-01
нет в наличии
Набивка сапуна
Количество на схеме: 4
Информация
Набивка сапуна
Количество
4
Примечание
3
77
77
Артикул: 01-0633
нет в наличии
Перегородка
Количество на схеме: 4
Информация
Перегородка
Количество
4
Примечание
1 Внутрисоюзное исполнение \n2 Экспортное исполнение (для стран с умеренным климатом) \n3 Экспортно-тропическое исполнение (для стран с жарким климатом) \n4 Только для запасных частей;Only for spares
77
77
Артикул: 01-0633
нет в наличии
Перегородка
Количество на схеме: 4
Информация
Перегородка
Количество
4
Примечание
2
77
77
Артикул: 01-0633
нет в наличии
Перегородка
Количество на схеме: 4
Информация
Перегородка
Количество
4
Примечание
3
78
78
Артикул: 41-0631Б
нет в наличии
Корпус сапуна
Количество на схеме: 2
Информация
Корпус сапуна
Количество
2
Примечание
1 Внутрисоюзное исполнение \n2 Экспортное исполнение (для стран с умеренным климатом) \n3 Экспортно-тропическое исполнение (для стран с жарким климатом) \n4 Только для запасных частей;Only for spares
78
78
Артикул: 41-0631Б-10
нет в наличии
Корпус сапуна
Количество на схеме: 2
Информация
Корпус сапуна
Количество
2
Примечание
2
78
78
Артикул: 41-0631Б-10
нет в наличии
Корпус сапуна
Количество на схеме: 2
Информация
Корпус сапуна
Количество
2
Примечание
3
79
79
Артикул: 8-65Г-05-6402
нет в наличии
Шайба пружинная
Количество на схеме: 20
Информация
Шайба пружинная
Количество
20
Примечание
1 Внутрисоюзное исполнение \n2 Экспортное исполнение (для стран с умеренным климатом) \n3 Экспортно-тропическое исполнение (для стран с жарким климатом) \n4 Только для запасных частей;Only for spares
79
79
Артикул: 8-65Г-05-6402
нет в наличии
Шайба пружинная
Количество на схеме: 20
Информация
Шайба пружинная
Количество
20
Примечание
2
79
79
Артикул: 8-65Г-05-6402
нет в наличии
Шайба пружинная
Количество на схеме: 20
Информация
Шайба пружинная
Количество
20
Примечание
3
80
80
Артикул: 8-01-011-11371
нет в наличии
Шайба
Количество на схеме: 14
Информация
Шайба
Количество
14
Примечание
1 Внутрисоюзное исполнение \n2 Экспортное исполнение (для стран с умеренным климатом) \n3 Экспортно-тропическое исполнение (для стран с жарким климатом) \n4 Только для запасных частей;Only for spares
80
80
Артикул: 8-01-011-11371
нет в наличии
Шайба
Количество на схеме: 14
Информация
Шайба
Количество
14
Примечание
2
80
80
Артикул: 8-01-011-11371
нет в наличии
Шайба
Количество на схеме: 14
Информация
Шайба
Количество
14
Примечание
3
81
81
Артикул: М8х12-88-013-СТП478
нет в наличии
Шпилька
Количество на схеме: 4
Информация
Шпилька
Количество
4
Примечание
1 Внутрисоюзное исполнение \n2 Экспортное исполнение (для стран с умеренным климатом) \n3 Экспортно-тропическое исполнение (для стран с жарким климатом) \n4 Только для запасных частей;Only for spares
81
81
Артикул: М8х12-88-013-СТП478
нет в наличии
Шпилька
Количество на схеме: 4
Информация
Шпилька
Количество
4
Примечание
2
81
81
Артикул: М8х12-88-013-СТП478
нет в наличии
Шпилька
Количество на схеме: 4
Информация
Шпилька
Количество
4
Примечание
3
82
82
Артикул: 01-0616
нет в наличии
Прокладка
Количество на схеме: 4
Информация
Прокладка
Количество
4
Примечание
1 Внутрисоюзное исполнение \n2 Экспортное исполнение (для стран с умеренным климатом) \n3 Экспортно-тропическое исполнение (для стран с жарким климатом) \n4 Только для запасных частей;Only for spares
82
82
Артикул: 01-0616
нет в наличии
Прокладка
Количество на схеме: 4
Информация
Прокладка
Количество
4
Примечание
2
82
82
Артикул: 01-0616
нет в наличии
Прокладка
Количество на схеме: 4
Информация
Прокладка
Количество
4
Примечание
3
83
83
Артикул: 01-0614
нет в наличии
Крышка средняя
Количество на схеме: 2
Информация
Крышка средняя
Количество
2
Примечание
1 Внутрисоюзное исполнение \n2 Экспортное исполнение (для стран с умеренным климатом) \n3 Экспортно-тропическое исполнение (для стран с жарким климатом) \n4 Только для запасных частей;Only for spares
83
83
Артикул: 01-0614
нет в наличии
Крышка средняя
Количество на схеме: 2
Информация
Крышка средняя
Количество
2
Примечание
2
83
83
Артикул: 01-0634-20
нет в наличии
Крышка средняя
Количество на схеме: 2
Информация
Крышка средняя
Количество
2
Примечание
3
84
84
Артикул: 01-0613
нет в наличии
Крышка передняя
Количество на схеме: 1
Информация
Крышка передняя
Количество
1
Примечание
1 Внутрисоюзное исполнение \n2 Экспортное исполнение (для стран с умеренным климатом) \n3 Экспортно-тропическое исполнение (для стран с жарким климатом) \n4 Только для запасных частей;Only for spares
84
84
Артикул: 01-0613
нет в наличии
Крышка передняя
Количество на схеме: 1
Информация
Крышка передняя
Количество
1
Примечание
2
84
84
Артикул: 01-0613-20
нет в наличии
Крышка передняя
Количество на схеме: 1
Информация
Крышка передняя
Количество
1
Примечание
3
85
85
Артикул: 6А1-0683
нет в наличии
Труба задняя
Количество на схеме: 1
Информация
Труба задняя
Количество
1
Примечание
1 Внутрисоюзное исполнение \n2 Экспортное исполнение (для стран с умеренным климатом) \n3 Экспортно-тропическое исполнение (для стран с жарким климатом) \n4 Только для запасных частей;Only for spares
85
85
Артикул: 6А1-0683-20
нет в наличии
Труба задняя
Количество на схеме: 1
Информация
Труба задняя
Количество
1
Примечание
2
85
85
Артикул: 6А1-0683-20
нет в наличии
Труба задняя
Количество на схеме: 1
Информация
Труба задняя
Количество
1
Примечание
3
86
86
Артикул: 6А1-0657
нет в наличии
Прокладка водяной трубы
Количество на схеме: 4
Информация
Прокладка водяной трубы
Количество
4
Примечание
1 Внутрисоюзное исполнение \n2 Экспортное исполнение (для стран с умеренным климатом) \n3 Экспортно-тропическое исполнение (для стран с жарким климатом) \n4 Только для запасных частей;Only for spares
86
86
Артикул: 6А1-0657
нет в наличии
Прокладка водяной трубы
Количество на схеме: 4
Информация
Прокладка водяной трубы
Количество
4
Примечание
2
86
86
Артикул: 6А1-0657-20
нет в наличии
Прокладка
Количество на схеме: 4
Информация
Прокладка
Количество
4
Примечание
3
87
87
Артикул: 01-0696
нет в наличии
Пробка
Количество на схеме: 1
Информация
Пробка
Количество
1
Примечание
1 Внутрисоюзное исполнение \n2 Экспортное исполнение (для стран с умеренным климатом) \n3 Экспортно-тропическое исполнение (для стран с жарким климатом) \n4 Только для запасных частей;Only for spares
87
87
Артикул: 01-0696
нет в наличии
Пробка
Количество на схеме: 1
Информация
Пробка
Количество
1
Примечание
2
87
87
Артикул: 01-0696
нет в наличии
Пробка
Количество на схеме: 1
Информация
Пробка
Количество
1
Примечание
3
88
88
Артикул: 01М-0195
нет в наличии
Пробка коническая 3/4"
Количество на схеме: 1
Информация
Пробка коническая 3/4"
Количество
1
Примечание
2
88
88
Артикул: 01М-0195
нет в наличии
Пробка коническая 3/4"
Количество на схеме: 1
Информация
Пробка коническая 3/4"
Количество
1
Примечание
3
89
89
Артикул: 01-0682-1Б
нет в наличии
Труба передняя
Количество на схеме: 1
Информация
Труба передняя
Количество
1
Примечание
1 Внутрисоюзное исполнение \n2 Экспортное исполнение (для стран с умеренным климатом) \n3 Экспортно-тропическое исполнение (для стран с жарким климатом) \n4 Только для запасных частей;Only for spares
89
89
Артикул: 01-0682-1Б-20
нет в наличии
Труба передняя
Количество на схеме: 1
Информация
Труба передняя
Количество
1
Примечание
2
89
89
Артикул: 01-0682-1Б-20
нет в наличии
Труба передняя
Количество на схеме: 1
Информация
Труба передняя
Количество
1
Примечание
3
90
90
Артикул: 01-0682-2-20
нет в наличии
Труба передняя
Количество на схеме: 1
Информация
Труба передняя
Количество
1
Примечание
2
90
90
Артикул: 01-0682-2-20
нет в наличии
Труба передняя
Количество на схеме: 1
Информация
Труба передняя
Количество
1
Примечание
3
90
90
Артикул: 461-0682
нет в наличии
Труба передняя
Количество на схеме: 1
Информация
Труба передняя
Количество
1
Примечание
1 Внутрисоюзное исполнение \n2 Экспортное исполнение (для стран с умеренным климатом) \n3 Экспортно-тропическое исполнение (для стран с жарким климатом) \n4 Только для запасных частей;Only for spares
91
91
Артикул: 01-0685
нет в наличии
Рукав-деталь 42-53-80-03
Количество на схеме: 1
Информация
Рукав-деталь 42-53-80-03
Количество
1
Примечание
1 Внутрисоюзное исполнение \n2 Экспортное исполнение (для стран с умеренным климатом) \n3 Экспортно-тропическое исполнение (для стран с жарким климатом) \n4 Только для запасных частей;Only for spares
91
91
Артикул: 01-0685
нет в наличии
Рукав-деталь 42-53-80-03
Количество на схеме: 1
Информация
Рукав-деталь 42-53-80-03
Количество
1
Примечание
2
91
91
Артикул: 01-0685-20
нет в наличии
Шланг
Количество на схеме: 1
Информация
Шланг
Количество
1
Примечание
3
92
92
Артикул: М12х28-56-013-СТП478
нет в наличии
Шпилька
Количество на схеме: 2
Информация
Шпилька
Количество
2
Примечание
1 Внутрисоюзное исполнение \n2 Экспортное исполнение (для стран с умеренным климатом) \n3 Экспортно-тропическое исполнение (для стран с жарким климатом) \n4 Только для запасных частей;Only for spares
92
92
Артикул: М12х28-56-013-СТП478
нет в наличии
Шпилька
Количество на схеме: 2
Информация
Шпилька
Количество
2
Примечание
2
92
92
Артикул: М12х28-56-013-СТП478
нет в наличии
Шпилька
Количество на схеме: 2
Информация
Шпилька
Количество
2
Примечание
3
93
93
Артикул: 04-0660А-1А
нет в наличии
Коллектор передний
Количество на схеме: 1
Информация
Коллектор передний
Количество
1
Примечание
1 Внутрисоюзное исполнение \n2 Экспортное исполнение (для стран с умеренным климатом) \n3 Экспортно-тропическое исполнение (для стран с жарким климатом) \n4 Только для запасных частей;Only for spares
93
93
Артикул: 04-0660А-1А
нет в наличии
Коллектор передний
Количество на схеме: 1
Информация
Коллектор передний
Количество
1
Примечание
2
93
93
Артикул: 04-0660А-1А-20
нет в наличии
Коллектор передний
Количество на схеме: 1
Информация
Коллектор передний
Количество
1
Примечание
3
94
94
Артикул: 01-0661
нет в наличии
Коллектор задний
Количество на схеме: 1
Информация
Коллектор задний
Количество
1
Примечание
1 Внутрисоюзное исполнение \n2 Экспортное исполнение (для стран с умеренным климатом) \n3 Экспортно-тропическое исполнение (для стран с жарким климатом) \n4 Только для запасных частей;Only for spares
94
94
Артикул: 01-0661
нет в наличии
Коллектор задний
Количество на схеме: 1
Информация
Коллектор задний
Количество
1
Примечание
2
94
94
Артикул: 01-0661-20
нет в наличии
Коллектор задний
Количество на схеме: 1
Информация
Коллектор задний
Количество
1
Примечание
3
94
94
Артикул: 461-0661
нет в наличии
Коллектор задний
Количество на схеме: 1
Информация
Коллектор задний
Количество
1
Примечание
1 Внутрисоюзное исполнение \n2 Экспортное исполнение (для стран с умеренным климатом) \n3 Экспортно-тропическое исполнение (для стран с жарким климатом) \n4 Только для запасных частей;Only for spares
95
95
Артикул: 100-СТП524
нет в наличии
Хомут
Количество на схеме: 2
Информация
Хомут
Количество
2
Примечание
1 Внутрисоюзное исполнение \n2 Экспортное исполнение (для стран с умеренным климатом) \n3 Экспортно-тропическое исполнение (для стран с жарким климатом) \n4 Только для запасных частей;Only for spares
95
95
Артикул: 100-СТП524
нет в наличии
Хомут
Количество на схеме: 2
Информация
Хомут
Количество
2
Примечание
2
95
95
Артикул: 100-СТП524
нет в наличии
Хомут
Количество на схеме: 2
Информация
Хомут
Количество
2
Примечание
3
96
96
Артикул: 01-0637
нет в наличии
Шланг соединительный
Количество на схеме: 1
Информация
Шланг соединительный
Количество
1
Примечание
1 Внутрисоюзное исполнение \n2 Экспортное исполнение (для стран с умеренным климатом) \n3 Экспортно-тропическое исполнение (для стран с жарким климатом) \n4 Только для запасных частей;Only for spares
96
96
Артикул: 01-0637
нет в наличии
Шланг соединительный
Количество на схеме: 1
Информация
Шланг соединительный
Количество
1
Примечание
2
96
96
Артикул: 01-0637-20
нет в наличии
Шланг
Количество на схеме: 1
Информация
Шланг
Количество
1
Примечание
3
97
97
Артикул: 48-СТП524
нет в наличии
Хомут
Количество на схеме: 2
Информация
Хомут
Количество
2
Примечание
1 Внутрисоюзное исполнение \n2 Экспортное исполнение (для стран с умеренным климатом) \n3 Экспортно-тропическое исполнение (для стран с жарким климатом) \n4 Только для запасных частей;Only for spares
97
97
Артикул: 48-СТП524
нет в наличии
Хомут
Количество на схеме: 2
Информация
Хомут
Количество
2
Примечание
2
97
97
Артикул: 48-СТП524
нет в наличии
Хомут
Количество на схеме: 2
Информация
Хомут
Количество
2
Примечание
3
98
98
Артикул: М10х28-56-013-СТП478
нет в наличии
Шпилька
Количество на схеме: 6
Информация
Шпилька
Количество
6
Примечание
1 Внутрисоюзное исполнение \n2 Экспортное исполнение (для стран с умеренным климатом) \n3 Экспортно-тропическое исполнение (для стран с жарким климатом) \n4 Только для запасных частей;Only for spares
98
98
Артикул: М10х28-56-013-СТП478
нет в наличии
Шпилька
Количество на схеме: 6
Информация
Шпилька
Количество
6
Примечание
2
98
98
Артикул: М10х28-56-013-СТП478
нет в наличии
Шпилька
Количество на схеме: 6
Информация
Шпилька
Количество
6
Примечание
3
99
99
Артикул: М12х35-56-013-СТП480
нет в наличии
Шпилька
Количество на схеме: 1
Информация
Шпилька
Количество
1
Примечание
1 Внутрисоюзное исполнение \n2 Экспортное исполнение (для стран с умеренным климатом) \n3 Экспортно-тропическое исполнение (для стран с жарким климатом) \n4 Только для запасных частей;Only for spares
99
99
Артикул: М12х35-56-013-СТП480
нет в наличии
Шпилька
Количество на схеме: 1
Информация
Шпилька
Количество
1
Примечание
2
99
99
Артикул: М12х35-56-013-СТП480
нет в наличии
Шпилька
Количество на схеме: 1
Информация
Шпилька
Количество
1
Примечание
3
100
100
Артикул: 01МС-0683-20
нет в наличии
Труба задняя
Количество на схеме: 1
Информация
Труба задняя
Количество
1
Примечание
2
100
100
Артикул: 01МС-0683-20
нет в наличии
Труба задняя
Количество на схеме: 1
Информация
Труба задняя
Количество
1
Примечание
3
100
100
Артикул: 01МТГ-0683
нет в наличии
Труба задняя
Количество на схеме: 1
Информация
Труба задняя
Количество
1
Примечание
1 Внутрисоюзное исполнение \n2 Экспортное исполнение (для стран с умеренным климатом) \n3 Экспортно-тропическое исполнение (для стран с жарким климатом) \n4 Только для запасных частей;Only for spares
100
100
Артикул: 461-0683
нет в наличии
Труба задняя
Количество на схеме: 1
Информация
Труба задняя
Количество
1
Примечание
1 Внутрисоюзное исполнение \n2 Экспортное исполнение (для стран с умеренным климатом) \n3 Экспортно-тропическое исполнение (для стран с жарким климатом) \n4 Только для запасных частей;Only for spares
101
101
Артикул: 04-0627-1
нет в наличии
Прокладка колпака
Количество на схеме: 2
Информация
Прокладка колпака
Количество
2
Примечание
1 Внутрисоюзное исполнение \n2 Экспортное исполнение (для стран с умеренным климатом) \n3 Экспортно-тропическое исполнение (для стран с жарким климатом) \n4 Только для запасных частей;Only for spares
101
101
Артикул: 04-0627-1
нет в наличии
Прокладка колпака
Количество на схеме: 2
Информация
Прокладка колпака
Количество
2
Примечание
2
101
101
Артикул: 04-0627-1-20
нет в наличии
Прокладка колпака
Количество на схеме: 2
Информация
Прокладка колпака
Количество
2
Примечание
3
102
102
Артикул: 11ТА-0605
нет в наличии
Седло впускного клапана
Количество на схеме: 6
Информация
Седло впускного клапана
Количество
6
Примечание
1 Внутрисоюзное исполнение \n2 Экспортное исполнение (для стран с умеренным климатом) \n3 Экспортно-тропическое исполнение (для стран с жарким климатом) \n4 Только для запасных частей;Only for spares
103
103
Артикул: 04-06С1-1
нет в наличии
Головка в сборе
Количество на схеме: 1
Информация
Головка в сборе
Количество
1
Примечание
1 Внутрисоюзное исполнение \n2 Экспортное исполнение (для стран с умеренным климатом) \n3 Экспортно-тропическое исполнение (для стран с жарким климатом) \n4 Только для запасных частей;Only for spares
103
103
Артикул: 04-06С1-1
нет в наличии
Головка в сборе
Количество на схеме: 1
Информация
Головка в сборе
Количество
1
Примечание
2
103
103
Артикул: 04-06С1-1-20
нет в наличии
Головка в сборе
Количество на схеме: 1
Информация
Головка в сборе
Количество
1
Примечание
3
104
104
Артикул: 3-2х25-05-397
нет в наличии
Шплинт
Количество на схеме: 1
Информация
Шплинт
Количество
1
Примечание
1 Внутрисоюзное исполнение \n2 Экспортное исполнение (для стран с умеренным климатом) \n3 Экспортно-тропическое исполнение (для стран с жарким климатом) \n4 Только для запасных частей;Only for spares
104
104
Артикул: 3-2х25-05-397
нет в наличии
Шплинт
Количество на схеме: 1
Информация
Шплинт
Количество
1
Примечание
2
104
104
Артикул: 3-2х25-05-397
нет в наличии
Шплинт
Количество на схеме: 1
Информация
Шплинт
Количество
1
Примечание
3
105
105
Артикул: 01МТГ-06С1
нет в наличии
Головка в сборе
Количество на схеме: 1
Информация
Головка в сборе
Количество
1
Примечание
1 Внутрисоюзное исполнение \n2 Экспортное исполнение (для стран с умеренным климатом) \n3 Экспортно-тропическое исполнение (для стран с жарким климатом) \n4 Только для запасных частей;Only for spares
106
106
Артикул: 461-06С1
нет в наличии
Головка в сборе
Количество на схеме: 1
Информация
Головка в сборе
Количество
1
Примечание
1 Внутрисоюзное исполнение \n2 Экспортное исполнение (для стран с умеренным климатом) \n3 Экспортно-тропическое исполнение (для стран с жарким климатом) \n4 Только для запасных частей;Only for spares
107
107
Артикул: 01М-0666
нет в наличии
Кронштейн грузовой передний
Количество на схеме: 2
Информация
Кронштейн грузовой передний
Количество
2
Примечание
1 Внутрисоюзное исполнение \n2 Экспортное исполнение (для стран с умеренным климатом) \n3 Экспортно-тропическое исполнение (для стран с жарким климатом) \n4 Только для запасных частей;Only for spares
107
107
Артикул: 01М-0666
нет в наличии
Кронштейн грузовой передний
Количество на схеме: 2
Информация
Кронштейн грузовой передний
Количество
2
Примечание
2
107
107
Артикул: 01М-0666
нет в наличии
Кронштейн грузовой передний
Количество на схеме: 2
Информация
Кронштейн грузовой передний
Количество
2
Примечание
3
  • Грузовые автомобили
  • Автобусы
  • Сельхозтехника
  • Спецтехника
  • Двигатели
Получить оптовый прайс-лист
Скачать прайс-лист от 07.05.2026 12:00
Специальное предложение от 07.05.2026 13:00
Производители:


  • WEICHAI
  • Автодизель ПАО (ЯМЗ)
  • Тутаевский МЗ
  • ЯЗДА
  • УралАЗ
  • МАЗ
  • АЗПИ
  • BOSCH
  • ММЗ
  • ШААЗ
  • FEDERAL MOGUL
  • ПРАМО
  • Мотордеталь
  • ТАИМ
  • АвтоКрАЗ
  • БЕЛКАРД
  • CZ Strakonice
  • КамАЗ
  • БЗА
  • ЧМЗ
  • BMZ
Новости
Все новости
25 марта 2024
Флагманский седельный тягач «Валдай 45» на выставке «TransRussia»
10 марта 2024
Современные автобусы «CITYMAX 9» и ЛиАЗ-5292 CNG
25 февраля 2024
Серийное производство средних дизельных двигателей повышенной мощности от ЯМЗ
Статьи
Все статьи
Датчики двигателя: за что они отвечают, признаки неисправности и как не прогадать с выбором
Двигатели ЯМЗ-534: история, технические характеристики и области применения
Двигатели ЯМЗ 650: углублённый технический обзор и история
Компания
О компании
Реквизиты
Новости
Политика
Магазины
Информация
Условия оплаты
Условия доставки
Гарантия на товар
Обмен и возврат товара
Помощь
Как оформить заказ
Полезные статьи
Бренды
Пункты выдачи
Оставайтесь на связи
  • Вконтакте
  • YouTube
  • Одноклассники
  • Google Plus
Увидели ошибку?
Выделите, нажав Ctrl + Enter
Наши контакты
8-800-700-35-68
sales@din76.ru
г. Ярославль, Ленинградский пр-т 33, ТЦ "ОМЕГА"
2026 © ООО «Динамика 76» - Все права защищены ООО "Динамика 76"
Предложения на сайте не являются публичной офертой.
На сайте обнаружена ошибка

Текст с ошибкой