Избранное 0 Корзина 0 Личный кабинет
logo
Каталог
Каталог
  • Справочник
    • Грузовые автомобили
    • Автобусы
    • Сельхозтехника
    • Спецтехника
    • Двигатели
  • Доставка
  • Оплата
  • О компании
    • Реквизиты
    • Магазины
    • Оплата
    • Доставка
    • Лицензии и сертификаты
    • Новости
    • Вакансии
  • Контакты
Отправить заявку
Личный кабинет
8 (800) 700-35-68
sales@din76.ru
Избранное 0 Корзина 0
8 (800) 700-35-68
Оптовый прайс-лист
Каталог
  • Двигатели
  • Запчасти WEICHAI
  • Запчасти ЯМЗ, ТМЗ (V-образные)
  • Запчасти ЯМЗ-534, ЯМЗ-536
  • Запчасти ЯМЗ-650, ЯМЗ-651, DCi-11
  • Топливная аппаратура
  • Запчасти УРАЛ
  • Запчасти МАЗ
  • Запчасти КамАЗ
  • Запчасти ММЗ
  • Ремни
Автокаталог (справочник)
  • Доставка
  • Оплата
  • О компании
  • Контакты
8 (800) 700-35-68
Написать в Whatsapp
sales@din76.ru
Динамика 76
Меню  
  • Каталог
    • Двигатели  
      • Двигатели ТМЗ  
        • Двигатели ТМЗ для автомобилей
        • Двигатели ТМЗ для тракторов
        • Специальные двигатели ТМЗ
        • Промышленные двигатели ТМЗ
      • Двигатели ЯМЗ  
        • ЯМЗ 236
        • ЯМЗ 238
        • ЯМЗ 240
        • ЯМЗ 751
        • ЯМЗ 840
        • ЯМЗ 850
        • ЯМЗ 656
        • ЯМЗ 658
        • ЯМЗ 534
        • ЯМЗ 536
        • ЯМЗ 650
        • Двигатели ЯМЗ для электростанций
      • Двигатели КАМАЗ
      • Двигатели ММЗ
      • Двигатели индивидуальной сборки
      • Комплекты переоборудования
    • Запчасти WEICHAI  
      • Основные запчасти двигателя  
        • Клапаны и толкатели
        • Шатуны
        • Вал коленчатый и маховик
        • Вал распределительный
        • Цилиндро-поршневая группа
      • Система питания  
        • Форсунки
        • Турбокомпрессор
      • Система смазки  
        • Насос масляный
      • Головка блока
      • Ремкомплекты
      • Система охлаждения  
        • Насос водяной
        • Муфта вязкостная и крыльчатка
      • Фильтры
      • Электрооборудование  
        • Генератор
        • Стартер
    • Запчасти ЯМЗ, ТМЗ (V-образные)  
      • Основные запчасти двигателя  
        • Блок двигателя и комплектующие
        • Валы распределительные и клапаны
        • Головка блока и комплектующие
        • Цилиндро-поршневая группа
        • Маховики и комплектующие
        • Валы коленчатые и комплектующие
        • Шатуны и комплектующие
      • Система питания  
        • Коллекторы и патрубки
        • Топливные трубопроводы
        • Турбокомпрессор
        • Топливные фильтры
      • Электрооборудование двигателя
      • Система охлаждения  
        • Вязкостные муфты и крыльчатки
        • Приводы вентилятора
        • Водяные насосы
        • Водяные трубы и термостаты
      • Коробки переключения передач  
        • 8 Ступенчатые КПП
        • 5 Ступенчатые КПП
        • 9 Ступенчатые КПП
        • Запасные части КПП ЯМЗ, ТМЗ
      • Система смазки  
        • Теплообменник и комплектующие
        • Масляные насосы
        • Фильтры масляные (ФГОМ, ФЦОМ)
      • Сцепление  
        • Запасные части механизма сцепления
        • Муфты (подшипники выжимные)
        • Корзины (диски нажимные)
        • Диски ведомые
      • Прочие запчасти двигателя  
        • Ремкомплекты
        • Привод агрегатов
        • Натяжные устройства
        • Трубки
    • Запчасти ЯМЗ-534, ЯМЗ-536  
      • Основные запчасти двигателя  
        • Цилиндро-поршневая группа
        • Головка блока цилиндров и комплектующие
        • Блок цилиндров и комплектующие
        • Вал коленчатый и маховик
        • Вал распределительный
        • Клапаны и толкатели
        • ГУР (Гидроусилитель руля)
        • Система рециркуляции отработавших газов
        • Выпускной коллектор
      • Система питания  
        • Коллекторы и патрубки
        • Топливные фильтры
        • Турбокомпрессор
        • Топливные трубопроводы
      • Система смазки  
        • Масляный картер поддон
        • Масляный насос
        • Теплообменник /Водо-масляный радиатор
        • Фильтры масляные (ФГОМ, ФЦОМ)
      • Пневмокомпрессор и натяжное
      • Система охлаждения  
        • Водяной насос
        • Водяные трубы и патрубки
        • Муфты вязкостные, приводы, крыльчатки
      • Ремкомплекты
      • Сцепление
      • Электрооборудование
    • Запчасти ЯМЗ-650, ЯМЗ-651, DCi-11  
      • Основные запчасти двигателя  
        • Цилиндро-поршневая группа
        • Головка блока цилиндров и комплектующие
        • Блок цилиндров и комплектующие
        • Вал коленчатый и маховик
        • Выпускной коллектор
        • Вал распределительный
        • Клапаны и толкатели
        • ГУР (Гидроусилитель руля)
        • Система рециркуляции отработавших газов
      • Система питания  
        • Коллекторы и патрубки
        • Топливные трубопроводы
        • Топливные фильтры
        • Турбокомпрессор
      • Система смазки  
        • Масляный картер / поддон
        • Масляный насос
        • Теплообменник / Водо-масляный радиатор
        • Фильтры масляные (ФГОМ, ФЦОМ)
      • Система охлаждения  
        • Водяной насос
        • Водяные трубы и патрубки
        • Муфты вязкостные, приводы, крыльчатки
      • Ремкомплекты
      • Пневмокомпрессор и натяжное
      • Электрооборудование
      • Сцепление
    • Топливная аппаратура  
      • ЯЗДА  
        • Распылители
        • ТНВД
        • Форсунки
        • Топливный насос низкого давления
        • Пары плунжерные
        • Муфта опережения впрыска топлива
        • Запчасти и комплектующие ТНВД
      • НЗТА
      • АЗПИ  
        • Распылители
        • Форсунки
      • BOSCH
    • Запчасти УРАЛ  
      • Трансмиссия  
        • Коробка раздаточная
        • Передача карданная
        • Мост задний
        • Мост передний (ведущий)
        • Мост средний (промежуточный)
      • Кузов  
        • Дверь кабины
        • Капот, крылья, облицовка радиатора
        • Окно ветровое и заднее
        • Отопление и вентиляция кабины
        • Кабина
      • Механизмы управления  
        • Управление рулевое
        • Тормоза
      • Дополнительное оборудование  
        • Отбор мощности
        • Устройство седельное
      • Электрооборудование
      • Ходовая часть  
        • Колеса и ступицы
        • Ось передняя
        • Подвеска автомобиля
        • Рама
    • Запчасти МАЗ  
      • Трансмиссия  
        • Мост задний
        • Мост передний (ведущий)
        • Передача карданная
        • Мост средний (промежуточный)
      • Кузов  
        • Кабина
        • Дверь кабины
        • Детали основания кабины
        • Окно ветровое и заднее
        • Платформа
      • Механизмы управления  
        • Тормоза
        • Управление рулевое
      • Ходовая часть  
        • Колеса и ступицы
        • Ось передняя
        • Подвеска автомобиля
        • Рама
    • Запчасти КамАЗ  
      • Кузов  
        • Кабина
        • Капот, крылья, облицовка радиатора
        • Дверь кабины
        • Платформа
        • Окно ветровое и заднее
        • Устройство подъемное и опрокидывающее
        • Сиденье
        • Крыша кабины (крыша кузова)
        • Отопление и вентиляция кабины
      • Трансмиссия  
        • Коробка передач
        • Коробка раздаточная
        • Мост задний
        • Сцепление
        • Мост средний (промежуточный)
        • Передача карданная
        • Мост передний (ведущий)
      • Двигатель  
        • Основные запчасти двигателя
        • Система охлаждения
        • Система питания
        • Система смазки
      • Дополнительное оборудование  
        • Отбор мощности
        • Устройство седельное
      • Ходовая часть  
        • Подвеска автомобиля
        • Рама
        • Колеса и ступицы
        • Ось передняя
      • Механизмы управления  
        • Тормоза
        • Управление рулевое
      • Электрооборудование
    • Запчасти ММЗ
    • Ремни
  • Справочник
    • Грузовые автомобили
    • Автобусы
    • Сельхозтехника
    • Спецтехника
    • Двигатели
  • Как купить
    • Условия оплаты
    • Условия доставки
    • Гарантия на товар
    • Пункты выдачи
  • Услуги
    • Капитальный ремонт двигателей ЯМЗ
  • Акции
  • Статьи
  • Контакты
  • Компания
    • Реквизиты
    • Магазины
    • Оплата
    • Доставка
    • Лицензии и сертификаты
    • Новости
    • Вакансии
Избранное 0 Корзина 0
8-800-700-35-68

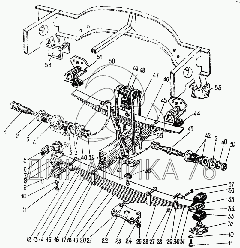
Задняя рессора на ПАЗ-672М (до 1987 г.)

Справочник
Главная
-
Автокаталог
-
Автобусы
-
ПАЗ
-
ПАЗ-672М
Справочный каталог

Задняя рессора — ПАЗ-672М:

201563-П8 210380-П8 250510-П2 250513-П2 252005-П 252135-112 252135-П2 253222-П 253222П 256835-П 256837-П 290825-П2 294435-П 53-2401025 53А-2912034 572-2915476-В 652-2905489 652-2905489 652Б-2905540 652Б-2905541 672-2401026 672-2912012 672-2912101 672-2912102 672-2913051 672-2913101 672-2913102 672-2913103 672-2913104 672-2913105 672-2913106 1 2 2 2 3 3 4 4 5 6 7 8 9 10 10 11 11 12 13 14 15 16 16 17 18 19 20 21 22 23 24 25 26 27 28 28 28 29 30 31 32 33 34 36 37 38 39 39 40 40 41 42 42 43 44 45 46 47 48 49 50 51 52 53 54 55
в наличии
нет в наличии
масштаб

В наличии
Нет в наличии

Перечень комплектующих от Задняя рессора на ПАЗ-672М

Схемы запчастей предназначены для справочных целей! Мы продаем не все запчасти от Задняя рессора на ПАЗ-672М, представленные в этом списке.
Наличие на складах по деталям с ценой смотрите в карточке товара.
Артикул: 201563-П8
нет в наличии
Болт М12х1,25х30
Количество на схеме: 8
Информация
Болт М12х1,25х30
Количество
8
Покрытие
цинкование
Артикул: 210380-П8
нет в наличии
Болт М8х25
Количество на схеме: 4
Информация
Болт М8х25
Количество
4
Покрытие
цинкование
Артикул: 250510-П2
нет в наличии
Гайка М8
Количество на схеме: 4
Информация
Гайка М8
Количество
4
Покрытие
фосфатирование и промасливание
Артикул: 250513-П2
нет в наличии
Гайка М10х1 стяжного болта листов задней дополнительной рессоры
Количество на схеме: 2
Информация
Гайка М10х1 стяжного болта листов задней дополнительной рессоры
Количество
2
Покрытие
фосфатирование и промасливание
Артикул: 252005-П
нет в наличии
Шайба 8
Количество на схеме: 4
Информация
Шайба 8
Количество
4
Покрытие
без покрытия
Артикул: 252135-112
нет в наличии
Шайба 8
Количество на схеме: 4
Информация
Шайба 8
Количество
4
Покрытие
без покрытия
Артикул: 252135-П2
в наличии
Шайба 8 пружинная
Количество на схеме: 4
Информация
Шайба 8 пружинная
Количество
4
Покрытие
фосфатирование и промасливание
Шайба 8х2.5 ЯМЗ заглушки блока цилиндров АВТОДИЗЕЛЬ
Артикул: 252135-П2
Шайба 8х2.5 ЯМЗ заглушки блока цилиндров АВТОДИЗЕЛЬ
Код для заказа: 00006017
Цена: 3 ₽/шт.
Под заказ
Шайба 8х2.5 ЯМЗ заглушки блока цилиндров АВТОДИЗЕЛЬ
Артикул: 252135-П2
Код для заказа: 00006017
Шайба 8х2.5 ЯМЗ заглушки блока цилиндров АВТОДИЗЕЛЬ
Цена: 3 ₽/шт.
Под заказ
Артикул: 253222-П
нет в наличии
Заклепка 10х20
Количество на схеме: 10
Информация
Заклепка 10х20
Количество
10
Покрытие
без покрытия
Артикул: 253222П
нет в наличии
Заклепка 10х20
Количество на схеме: 12
Информация
Заклепка 10х20
Количество
12
Покрытие
без покрытия
Артикул: 256835-П
нет в наличии
Заклепка 10х18
Количество на схеме: 4
Информация
Заклепка 10х18
Количество
4
Покрытие
без покрытия
Артикул: 256837-П
нет в наличии
Заклепка 10х22
Количество на схеме: 4
Информация
Заклепка 10х22
Количество
4
Покрытие
без покрытия
Артикул: 290825-П2
нет в наличии
Болт М10х1х58 стяжной листов задней дополнительной рессоры
Количество на схеме: 2
Информация
Болт М10х1х58 стяжной листов задней дополнительной рессоры
Количество
2
Покрытие
фосфатирование и промасливание
Артикул: 294435-П
нет в наличии
Заклепка диам 9,5х35 задних кронштейнов передней рессоры
Количество на схеме: 24
Информация
Заклепка диам 9,5х35 задних кронштейнов передней рессоры
Количество
24
Покрытие
без покрытия
Артикул: 53-2401025
нет в наличии
Втулка сальника ступицы заднего колеса
Количество на схеме: 2
Информация
Втулка сальника ступицы заднего колеса
Количество
2
Модель
53
Группа
Мост задний
Подгруппа
Картер заднего моста
Порядковый номер детали
025
Артикул: 53А-2912034
нет в наличии
Чашка заднего конца задней рессоры верхняя
Количество на схеме: 2
Информация
Чашка заднего конца задней рессоры верхняя
Количество
2
Модель
53А
Группа
Подвеска автомобиля
Подгруппа
Рессоры задние (пружины задней подвески)
Порядковый номер детали
034
Артикул: 572-2915476-В
нет в наличии
Кронштейн крепления амортизатора задний
Количество на схеме: 2
Информация
Кронштейн крепления амортизатора задний
Количество
2
Модель
572
Группа
Подвеска автомобиля
Подгруппа
Амортизаторы задние
Порядковый номер детали
476
Артикул: 652-2905489
нет в наличии
Шайба диам 16,5 зажимная
Количество на схеме: 2
Информация
Шайба диам 16,5 зажимная
Количество
2
Модель
652
Группа
Подвеска автомобиля
Подгруппа
Амортизаторы передние
Порядковый номер детали
489
Артикул: 652-2905489
нет в наличии
Шайба диам 16,5 зажимная
Количество на схеме: 6
Информация
Шайба диам 16,5 зажимная
Количество
6
Модель
652
Группа
Подвеска автомобиля
Подгруппа
Амортизаторы передние
Порядковый номер детали
489
Артикул: 652Б-2905540
нет в наличии
Кронштейн крепления верхней головки амортизатора правый
Количество на схеме: 1
Информация
Кронштейн крепления верхней головки амортизатора правый
Количество
1
Модель
652Б
Группа
Подвеска автомобиля
Подгруппа
Амортизаторы передние
Порядковый номер детали
540
Артикул: 652Б-2905541
нет в наличии
Кронштейн крепления верхней головки амортизатора левый
Количество на схеме: 1
Информация
Кронштейн крепления верхней головки амортизатора левый
Количество
1
Модель
652Б
Группа
Подвеска автомобиля
Подгруппа
Амортизаторы передние
Порядковый номер детали
541
Артикул: 672-2401026
нет в наличии
Ограничитель подушки
Количество на схеме: 4
Информация
Ограничитель подушки
Количество
4
Модель
672
Группа
Мост задний
Подгруппа
Картер заднего моста
Порядковый номер детали
026
Артикул: 672-2912012
нет в наличии
Рессора задняя
Количество на схеме: 2
Информация
Рессора задняя
Количество
2
Модель
672
Группа
Подвеска автомобиля
Подгруппа
Рессоры задние (пружины задней подвески)
Порядковый номер детали
012
Артикул: 672-2912101
нет в наличии
Лист № 1 задней рессоры
Количество на схеме: 2
Информация
Лист № 1 задней рессоры
Количество
2
Модель
672
Группа
Подвеска автомобиля
Подгруппа
Рессоры задние (пружины задней подвески)
Порядковый номер детали
101
Артикул: 672-2912102
нет в наличии
Лист № 2 задней рессоры
Количество на схеме: 2
Информация
Лист № 2 задней рессоры
Количество
2
Модель
672
Группа
Подвеска автомобиля
Подгруппа
Рессоры задние (пружины задней подвески)
Порядковый номер детали
102
Артикул: 672-2913051
нет в наличии
Лист № 4 дополнительной рессоры
Количество на схеме: 2
Информация
Лист № 4 дополнительной рессоры
Количество
2
Модель
672
Группа
Подвеска автомобиля
Подгруппа
Рессоры дополнительные
Порядковый номер детали
051
Артикул: 672-2913101
нет в наличии
Лист № 1 дополнительной рессоры
Количество на схеме: 2
Информация
Лист № 1 дополнительной рессоры
Количество
2
Модель
672
Группа
Подвеска автомобиля
Подгруппа
Рессоры дополнительные
Порядковый номер детали
101
Артикул: 672-2913102
нет в наличии
Лист № 2 дополнительной рессоры
Количество на схеме: 2
Информация
Лист № 2 дополнительной рессоры
Количество
2
Модель
672
Группа
Подвеска автомобиля
Подгруппа
Рессоры дополнительные
Порядковый номер детали
102
Артикул: 672-2913103
нет в наличии
Лист № 3 дополнительной рессоры
Количество на схеме: 2
Информация
Лист № 3 дополнительной рессоры
Количество
2
Модель
672
Группа
Подвеска автомобиля
Подгруппа
Рессоры дополнительные
Порядковый номер детали
103
Артикул: 672-2913104
нет в наличии
Лист № 4 дополнительной рессоры
Количество на схеме: 2
Информация
Лист № 4 дополнительной рессоры
Количество
2
Модель
672
Группа
Подвеска автомобиля
Подгруппа
Рессоры дополнительные
Порядковый номер детали
104
Артикул: 672-2913105
нет в наличии
Лист № 5 дополнительной рессоры
Количество на схеме: 2
Информация
Лист № 5 дополнительной рессоры
Количество
2
Модель
672
Группа
Подвеска автомобиля
Подгруппа
Рессоры дополнительные
Порядковый номер детали
105
Артикул: 672-2913106
нет в наличии
Лист № 6 дополнительной рессоры
Количество на схеме: 2
Информация
Лист № 6 дополнительной рессоры
Количество
2
Модель
672
Группа
Подвеска автомобиля
Подгруппа
Рессоры дополнительные
Порядковый номер детали
106
1
1
Артикул: 652-2905418-В
нет в наличии
Палец крепления верхней головки амортизатора
Количество на схеме: 2
Информация
Палец крепления верхней головки амортизатора
Количество
2
Модель
652
Группа
Подвеска автомобиля
Подгруппа
Амортизаторы передние
Порядковый номер детали
418
2
2
Артикул: 652-2905488-А
нет в наличии
Шайба диам 18,5 зажимная
Количество на схеме: 4
Информация
Шайба диам 18,5 зажимная
Количество
4
Модель
652
Группа
Подвеска автомобиля
Подгруппа
Амортизаторы передние
Порядковый номер детали
488
3
3
Артикул: 652-2905486
нет в наличии
Втулка крепления головки амортизатора
Количество на схеме: 8
Информация
Втулка крепления головки амортизатора
Количество
8
Модель
652
Группа
Подвеска автомобиля
Подгруппа
Амортизаторы передние
Порядковый номер детали
486
4
4
Артикул: 157-2905006-Б
нет в наличии
Амортизатор передней подвески в сборе
Количество на схеме: 2
Информация
Амортизатор передней подвески в сборе
Количество
2
Модель
157
Группа
Подвеска автомобиля
Подгруппа
Амортизаторы передние
Порядковый номер детали
006
4
4
Артикул: 164-2905606
нет в наличии
Проушина монтажная нижняя
Количество на схеме: 1
Информация
Проушина монтажная нижняя
Количество
1
Модель
164
Группа
Подвеска автомобиля
Подгруппа
Амортизаторы передние
Порядковый номер детали
606
5
5
Артикул: 53-2902433-А
нет в наличии
Упор передней и задней рессоры
Количество на схеме: 2
Информация
Упор передней и задней рессоры
Количество
2
Модель
53
Группа
Подвеска автомобиля
Подгруппа
Рессоры передние (пружины передней подвески)
Порядковый номер детали
433
6
6
Артикул: 652-2912431-Б
нет в наличии
Опора задней рессоры верхняя
Количество на схеме: 2
Информация
Опора задней рессоры верхняя
Количество
2
Модель
652
Группа
Подвеска автомобиля
Подгруппа
Рессоры задние (пружины задней подвески)
Порядковый номер детали
431
7
7
Артикул: 63А-2912036
нет в наличии
Чашка переднего конца задней рессоры
Количество на схеме: 2
Информация
Чашка переднего конца задней рессоры
Количество
2
Модель
63А
Группа
Подвеска автомобиля
Подгруппа
Рессоры задние (пружины задней подвески)
Порядковый номер детали
036
8
8
Артикул: 652-2902431-Б
нет в наличии
Опора нижняя передней и задней рессоры
Количество на схеме: 2
Информация
Опора нижняя передней и задней рессоры
Количество
2
Модель
652
Группа
Подвеска автомобиля
Подгруппа
Рессоры передние (пружины передней подвески)
Порядковый номер детали
431
9
9
Артикул: 52-2912450
нет в наличии
Крышка переднего кронштейна
Количество на схеме: 2
Информация
Крышка переднего кронштейна
Количество
2
Модель
52
Группа
Подвеска автомобиля
Подгруппа
Рессоры задние (пружины задней подвески)
Порядковый номер детали
450
10
10
Артикул: 252157-П2
нет в наличии
Шайба пружинная диам 12
Количество на схеме: 6
Информация
Шайба пружинная диам 12
Количество
6
Покрытие
фосфатирование и промасливание
11
11
Артикул: 290939-П8
нет в наличии
Болт М12х50 крепления крышек
Количество на схеме: 6
Информация
Болт М12х50 крепления крышек
Количество
6
Покрытие
цинкование
11
11
Артикул: 290939-П8
нет в наличии
Болт М12х50 крепления крышек
Количество на схеме: 6
Информация
Болт М12х50 крепления крышек
Количество
6
Покрытие
цинкование
12
12
Артикул: 51-2912062Б
нет в наличии
Хомут 4 листа задней рессоры
Количество на схеме: 4
Информация
Хомут 4 листа задней рессоры
Количество
4
Модель
51
Группа
Подвеска автомобиля
Подгруппа
Рессоры задние (пружины задней подвески)
Порядковый номер детали
062
13
13
Артикул: 672-2912015
нет в наличии
Лист № 1 задней рессоры с чашками
Количество на схеме: 2
Информация
Лист № 1 задней рессоры с чашками
Количество
2
Модель
672
Группа
Подвеска автомобиля
Подгруппа
Рессоры задние (пружины задней подвески)
Порядковый номер детали
015
14
14
Артикул: 672-2912105
нет в наличии
Лист № 5 задней рессоры
Количество на схеме: 2
Информация
Лист № 5 задней рессоры
Количество
2
Модель
672
Группа
Подвеска автомобиля
Подгруппа
Рессоры задние (пружины задней подвески)
Порядковый номер детали
105
15
15
Артикул: 672-2912106
нет в наличии
Лист № 6 задней рессоры
Количество на схеме: 2
Информация
Лист № 6 задней рессоры
Количество
2
Модель
672
Группа
Подвеска автомобиля
Подгруппа
Рессоры задние (пружины задней подвески)
Порядковый номер детали
106
16
16
Артикул: 672-2912052
нет в наличии
Лист № 8 задней рессоры
Количество на схеме: 2
Информация
Лист № 8 задней рессоры
Количество
2
Модель
672
Группа
Подвеска автомобиля
Подгруппа
Рессоры задние (пружины задней подвески)
Порядковый номер детали
052
16
16
Артикул: 672-2912108
нет в наличии
Лист № 8 задней рессоры
Количество на схеме: 2
Информация
Лист № 8 задней рессоры
Количество
2
Модель
672
Группа
Подвеска автомобиля
Подгруппа
Рессоры задние (пружины задней подвески)
Порядковый номер детали
108
17
17
Артикул: 40-2912063А
нет в наличии
Хомут 8 листа задней рессоры
Количество на схеме: 4
Информация
Хомут 8 листа задней рессоры
Количество
4
Модель
40
Группа
Подвеска автомобиля
Подгруппа
Рессоры задние (пружины задней подвески)
Порядковый номер детали
063
18
18
Артикул: 672-2912109
нет в наличии
Лист № 9 задней рессоры
Количество на схеме: 2
Информация
Лист № 9 задней рессоры
Количество
2
Модель
672
Группа
Подвеска автомобиля
Подгруппа
Рессоры задние (пружины задней подвески)
Порядковый номер детали
109
19
19
Артикул: 672-2912110
нет в наличии
Лист № 10 задней рессоры
Количество на схеме: 2
Информация
Лист № 10 задней рессоры
Количество
2
Модель
672
Группа
Подвеска автомобиля
Подгруппа
Рессоры задние (пружины задней подвески)
Порядковый номер детали
110
20
20
Артикул: 672-2912111
нет в наличии
Лист № 11 задней рессоры
Количество на схеме: 2
Информация
Лист № 11 задней рессоры
Количество
2
Модель
672
Группа
Подвеска автомобиля
Подгруппа
Рессоры задние (пружины задней подвески)
Порядковый номер детали
111
21
21
Артикул: 290957-П2
нет в наличии
Болт М12х128
Количество на схеме: 2
Информация
Болт М12х128
Количество
2
Покрытие
фосфатирование и промасливание
22
22
Артикул: 290957-П2
нет в наличии
Болт М12х128
Количество на схеме: 2
Информация
Болт М12х128
Количество
2
Покрытие
фосфатирование и промасливание
23
23
Артикул: 672-2912418
нет в наличии
Подкладка стремянок
Количество на схеме: 2
Информация
Подкладка стремянок
Количество
2
Модель
672
Группа
Подвеска автомобиля
Подгруппа
Рессоры задние (пружины задней подвески)
Порядковый номер детали
418
24
24
Артикул: 252141-П2
в наличии
Шайба пружинная диам 20
Количество на схеме: 8
Информация
Шайба пружинная диам 20
Количество
8
Покрытие
фосфатирование и промасливание
Шайба 20 пружинная крепления тормоза рабочего УРАЛ (АО АЗ УРАЛ)
Артикул: 252141-П2
Шайба 20 пружинная крепления тормоза рабочего УРАЛ (АО АЗ УРАЛ)
Код для заказа: 00063019
Цена: 18 ₽/шт.
Под заказ
Шайба 20 пружинная крепления тормоза рабочего УРАЛ (АО АЗ УРАЛ)
Артикул: 252141-П2
Код для заказа: 00063019
Шайба 20 пружинная крепления тормоза рабочего УРАЛ (АО АЗ УРАЛ)
Цена: 18 ₽/шт.
Под заказ
25
25
Артикул: 292931-П8
нет в наличии
Гайка М20х1,5 стремянки
Количество на схеме: 8
Информация
Гайка М20х1,5 стремянки
Количество
8
Покрытие
цинкование
26
26
Артикул: 672-2912107
нет в наличии
Лист № 7 задней рессоры
Количество на схеме: 2
Информация
Лист № 7 задней рессоры
Количество
2
Модель
672
Группа
Подвеска автомобиля
Подгруппа
Рессоры задние (пружины задней подвески)
Порядковый номер детали
107
27
27
Артикул: 250510-П2
нет в наличии
Гайка М8
Количество на схеме: 8
Информация
Гайка М8
Количество
8
Покрытие
фосфатирование и промасливание
28
28
Артикул: 1642905641
нет в наличии
Шайба клапана отдачи
Количество на схеме: 5
Информация
Шайба клапана отдачи
Количество
5
Группа
Сцепление
Подгруппа
1642
Порядковый номер детали
905
Дополнительно
Не взаимозаменяема с деталью, выпущенной ранее под этим же номером
28
28
Артикул: 672-2912051
нет в наличии
Лист № 4 задней рессоры
Количество на схеме: 2
Информация
Лист № 4 задней рессоры
Количество
2
Модель
672
Группа
Подвеска автомобиля
Подгруппа
Рессоры задние (пружины задней подвески)
Порядковый номер детали
051
28
28
Артикул: 672-2912104
нет в наличии
Лист № 4 задней рессоры
Количество на схеме: 2
Информация
Лист № 4 задней рессоры
Количество
2
Модель
672
Группа
Подвеска автомобиля
Подгруппа
Рессоры задние (пружины задней подвески)
Порядковый номер детали
104
29
29
Артикул: 353-2902068
нет в наличии
Втулка распорная хомута передней рессоры
Количество на схеме: 8
Информация
Втулка распорная хомута передней рессоры
Количество
8
Модель
353
Группа
Подвеска автомобиля
Подгруппа
Рессоры передние (пружины передней подвески)
Порядковый номер детали
068
30
30
Артикул: 672-2912103
нет в наличии
Лист № 3 задней рессоры
Количество на схеме: 2
Информация
Лист № 3 задней рессоры
Количество
2
Модель
672
Группа
Подвеска автомобиля
Подгруппа
Рессоры задние (пружины задней подвески)
Порядковый номер детали
103
31
31
Артикул: 672-2912016
нет в наличии
Лист № 2 задней рессоры с чашками
Количество на схеме: 2
Информация
Лист № 2 задней рессоры с чашками
Количество
2
Модель
672
Группа
Подвеска автомобиля
Подгруппа
Рессоры задние (пружины задней подвески)
Порядковый номер детали
016
32
32
Артикул: 52-2912452
нет в наличии
Крышка заднего кронштейна
Количество на схеме: 2
Информация
Крышка заднего кронштейна
Количество
2
Модель
52
Группа
Подвеска автомобиля
Подгруппа
Рессоры задние (пружины задней подвески)
Порядковый номер детали
452
33
33
Артикул: 652-2902431-Б
нет в наличии
Опора нижняя передней и задней рессоры
Количество на схеме: 2
Информация
Опора нижняя передней и задней рессоры
Количество
2
Модель
652
Группа
Подвеска автомобиля
Подгруппа
Рессоры передние (пружины передней подвески)
Порядковый номер детали
431
34
34
Артикул: 53А-2912035
нет в наличии
Чашка заднего конца задней рессоры нижняя
Количество на схеме: 2
Информация
Чашка заднего конца задней рессоры нижняя
Количество
2
Модель
53А
Группа
Подвеска автомобиля
Подгруппа
Рессоры задние (пружины задней подвески)
Порядковый номер детали
035
36
36
Артикул: 652-2912431-Б
нет в наличии
Опора задней рессоры верхняя
Количество на схеме: 2
Информация
Опора задней рессоры верхняя
Количество
2
Модель
652
Группа
Подвеска автомобиля
Подгруппа
Рессоры задние (пружины задней подвески)
Порядковый номер детали
431
37
37
Артикул: 200277-П2
нет в наличии
Болт М8х90 стяжной хомута
Количество на схеме: 8
Информация
Болт М8х90 стяжной хомута
Количество
8
Покрытие
фосфатирование и промасливание
38
38
Артикул: 251815-П8
нет в наличии
Гайка М12х1,25
Количество на схеме: 2
Информация
Гайка М12х1,25
Количество
2
Покрытие
цинкование
39
39
Артикул: 250561-П8
нет в наличии
Гайка М16х1,5 нижнего и верхнего пальцев
Количество на схеме: 6
Информация
Гайка М16х1,5 нижнего и верхнего пальцев
Количество
6
Покрытие
цинкование
40
40
Артикул: 252139-П2
в наличии
Шайба пружинная диам 16
Количество на схеме: 6
Информация
Шайба пружинная диам 16
Количество
6
Покрытие
фосфатирование и промасливание
Шайба 16 пружинная подвески двигателя УРАЛ (АО АЗ УРАЛ)
Артикул: 252139-П2
Шайба 16 пружинная подвески двигателя УРАЛ (АО АЗ УРАЛ)
Код для заказа: 00062994
Цена: 12 ₽/шт.
Под заказ
Шайба 16 пружинная подвески двигателя УРАЛ (АО АЗ УРАЛ)
Артикул: 252139-П2
Код для заказа: 00062994
Шайба 16 пружинная подвески двигателя УРАЛ (АО АЗ УРАЛ)
Цена: 12 ₽/шт.
Под заказ
41
41
Артикул: 672-2401024-02
нет в наличии
Подушка задней рессоры
Количество на схеме: 2
Информация
Подушка задней рессоры
Количество
2
Модель
672
Группа
Мост задний
Подгруппа
Картер заднего моста
Порядковый номер детали
024
42
42
Артикул: 52-2905486
нет в наличии
Втулка проушины амортизатора передней подвески
Количество на схеме: 8
Информация
Втулка проушины амортизатора передней подвески
Количество
8
Модель
52
Группа
Подвеска автомобиля
Подгруппа
Амортизаторы передние
Порядковый номер детали
486
42
42
Артикул: 652-2905486
нет в наличии
Втулка крепления головки амортизатора
Количество на схеме: 8
Информация
Втулка крепления головки амортизатора
Количество
8
Модель
652
Группа
Подвеска автомобиля
Подгруппа
Амортизаторы передние
Порядковый номер детали
486
43
43
Артикул: 672-2905472
нет в наличии
Палец крепления нижней головки амортизатора
Количество на схеме: 2
Информация
Палец крепления нижней головки амортизатора
Количество
2
Модель
672
Группа
Подвеска автомобиля
Подгруппа
Амортизаторы передние
Порядковый номер детали
472
44
44
Артикул: 652-2913428-Б
нет в наличии
Подушка задней дополнительной рессоры в сборе
Количество на схеме: 4
Информация
Подушка задней дополнительной рессоры в сборе
Количество
4
Модель
652
Группа
Подвеска автомобиля
Подгруппа
Рессоры дополнительные
Порядковый номер детали
428
45
45
Артикул: 53-2913061
нет в наличии
Хомут 4 листа дополнительной рессоры
Количество на схеме: 4
Информация
Хомут 4 листа дополнительной рессоры
Количество
4
Модель
53
Группа
Подвеска автомобиля
Подгруппа
Рессоры дополнительные
Порядковый номер детали
061
46
46
Артикул: 672-2913012
нет в наличии
Рессора задняя дополнительная в сборе
Количество на схеме: 2
Информация
Рессора задняя дополнительная в сборе
Количество
2
Модель
672
Группа
Подвеска автомобиля
Подгруппа
Рессоры дополнительные
Порядковый номер детали
012
47
47
Артикул: 652-2912408-В
нет в наличии
Стремянка задней рессоры
Количество на схеме: 4
Информация
Стремянка задней рессоры
Количество
4
Модель
652
Группа
Подвеска автомобиля
Подгруппа
Рессоры задние (пружины задней подвески)
Порядковый номер детали
408
48
48
Артикул: 652Б-2912622
нет в наличии
Буфер задней рессоры
Количество на схеме: 2
Информация
Буфер задней рессоры
Количество
2
Модель
652Б
Группа
Подвеска автомобиля
Подгруппа
Рессоры задние (пружины задней подвески)
Порядковый номер детали
622
49
49
Артикул: 672-2912412-Б
нет в наличии
Накладка задней рессоры
Количество на схеме: 2
Информация
Накладка задней рессоры
Количество
2
Модель
672
Группа
Подвеска автомобиля
Подгруппа
Рессоры задние (пружины задней подвески)
Порядковый номер детали
412
50
50
Артикул: 652-2913432-Б
нет в наличии
Обойма подушки задней дополнительной рессоры в сборе
Количество на схеме: 4
Информация
Обойма подушки задней дополнительной рессоры в сборе
Количество
4
Модель
652
Группа
Подвеска автомобиля
Подгруппа
Рессоры дополнительные
Порядковый номер детали
432
51
51
Артикул: 652Б-5101594-А
нет в наличии
Кронштейн подрессорника в сборе
Количество на схеме: 2
Информация
Кронштейн подрессорника в сборе
Количество
2
Модель
652Б
Группа
Детали основания (пола) кабины (Пол кузова)
Подгруппа
Детали пола (основание кузова или пол)
Порядковый номер детали
594
52
52
Артикул: 53А-2912036
нет в наличии
Чашка переднего конца задней рессоры
Количество на схеме: 2
Информация
Чашка переднего конца задней рессоры
Количество
2
Модель
53А
Группа
Подвеска автомобиля
Подгруппа
Рессоры задние (пружины задней подвески)
Порядковый номер детали
036
53
53
Артикул: 652Б-2912446
нет в наличии
Кронштейн задней рессоры задний
Количество на схеме: 2
Информация
Кронштейн задней рессоры задний
Количество
2
Модель
652Б
Группа
Подвеска автомобиля
Подгруппа
Рессоры задние (пружины задней подвески)
Порядковый номер детали
446
54
54
Артикул: 652-2912444-Б
нет в наличии
Кронштейн задней рессоры передний
Количество на схеме: 2
Информация
Кронштейн задней рессоры передний
Количество
2
Модель
652
Группа
Подвеска автомобиля
Подгруппа
Рессоры задние (пружины задней подвески)
Порядковый номер детали
444
55
55
Артикул: 62-2401024
нет в наличии
Подушка
Количество на схеме: 2
Информация
Подушка
Количество
2
Модель
62
Группа
Мост задний
Подгруппа
Картер заднего моста
Порядковый номер детали
024
  • Грузовые автомобили
  • Автобусы
  • Сельхозтехника
  • Спецтехника
  • Двигатели
Получить оптовый прайс-лист
Скачать прайс-лист от 08.05.2026 16:00
Специальное предложение от 08.05.2026 17:00
Производители:


  • WEICHAI
  • Автодизель ПАО (ЯМЗ)
  • Тутаевский МЗ
  • ЯЗДА
  • УралАЗ
  • МАЗ
  • АЗПИ
  • BOSCH
  • ММЗ
  • ШААЗ
  • FEDERAL MOGUL
  • ПРАМО
  • Мотордеталь
  • ТАИМ
  • АвтоКрАЗ
  • БЕЛКАРД
  • CZ Strakonice
  • КамАЗ
  • БЗА
  • ЧМЗ
  • BMZ
Новости
Все новости
25 марта 2024
Флагманский седельный тягач «Валдай 45» на выставке «TransRussia»
10 марта 2024
Современные автобусы «CITYMAX 9» и ЛиАЗ-5292 CNG
25 февраля 2024
Серийное производство средних дизельных двигателей повышенной мощности от ЯМЗ
Статьи
Все статьи
Датчики двигателя: за что они отвечают, признаки неисправности и как не прогадать с выбором
Двигатели ЯМЗ-534: история, технические характеристики и области применения
Двигатели ЯМЗ 650: углублённый технический обзор и история
Компания
О компании
Реквизиты
Новости
Политика
Магазины
Информация
Условия оплаты
Условия доставки
Гарантия на товар
Обмен и возврат товара
Помощь
Как оформить заказ
Полезные статьи
Бренды
Пункты выдачи
Оставайтесь на связи
  • Вконтакте
  • YouTube
  • Одноклассники
  • Google Plus
Увидели ошибку?
Выделите, нажав Ctrl + Enter
Наши контакты
8-800-700-35-68
sales@din76.ru
г. Ярославль, Ленинградский пр-т 33, ТЦ "ОМЕГА"
2026 © ООО «Динамика 76» - Все права защищены ООО "Динамика 76"
Предложения на сайте не являются публичной офертой.
На сайте обнаружена ошибка

Текст с ошибкой