Избранное 0 Корзина 0 Личный кабинет
logo
Каталог
Каталог
  • Справочник
    • Грузовые автомобили
    • Автобусы
    • Сельхозтехника
    • Спецтехника
    • Двигатели
  • Доставка
  • Оплата
  • О компании
    • Реквизиты
    • Магазины
    • Оплата
    • Доставка
    • Лицензии и сертификаты
    • Новости
    • Вакансии
  • Контакты
Отправить заявку
Личный кабинет
8 (800) 700-35-68
sales@din76.ru
Избранное 0 Корзина 0
8 (800) 700-35-68
Оптовый прайс-лист
Каталог
  • Двигатели
  • Запчасти WEICHAI
  • Запчасти ЯМЗ, ТМЗ (V-образные)
  • Запчасти ЯМЗ-534, ЯМЗ-536
  • Запчасти ЯМЗ-650, ЯМЗ-651, DCi-11
  • Топливная аппаратура
  • Запчасти УРАЛ
  • Запчасти МАЗ
  • Запчасти КамАЗ
  • Запчасти ММЗ
  • Ремни
Автокаталог (справочник)
  • Доставка
  • Оплата
  • О компании
  • Контакты
8 (800) 700-35-68
Написать в Whatsapp
sales@din76.ru
Динамика 76
Меню  
  • Каталог
    • Двигатели  
      • Двигатели ТМЗ  
        • Двигатели ТМЗ для автомобилей
        • Двигатели ТМЗ для тракторов
        • Специальные двигатели ТМЗ
        • Промышленные двигатели ТМЗ
      • Двигатели ЯМЗ  
        • ЯМЗ 236
        • ЯМЗ 238
        • ЯМЗ 240
        • ЯМЗ 751
        • ЯМЗ 840
        • ЯМЗ 850
        • ЯМЗ 656
        • ЯМЗ 658
        • ЯМЗ 534
        • ЯМЗ 536
        • ЯМЗ 650
        • Двигатели ЯМЗ для электростанций
      • Двигатели КАМАЗ
      • Двигатели ММЗ
      • Двигатели индивидуальной сборки
      • Комплекты переоборудования
    • Запчасти WEICHAI  
      • Основные запчасти двигателя  
        • Клапаны и толкатели
        • Шатуны
        • Вал коленчатый и маховик
        • Вал распределительный
        • Цилиндро-поршневая группа
      • Система питания  
        • Форсунки
        • Турбокомпрессор
      • Система смазки  
        • Насос масляный
      • Головка блока
      • Ремкомплекты
      • Система охлаждения  
        • Насос водяной
        • Муфта вязкостная и крыльчатка
      • Фильтры
      • Электрооборудование  
        • Генератор
        • Стартер
    • Запчасти ЯМЗ, ТМЗ (V-образные)  
      • Основные запчасти двигателя  
        • Блок двигателя и комплектующие
        • Валы распределительные и клапаны
        • Головка блока и комплектующие
        • Цилиндро-поршневая группа
        • Маховики и комплектующие
        • Валы коленчатые и комплектующие
        • Шатуны и комплектующие
      • Система питания  
        • Коллекторы и патрубки
        • Топливные трубопроводы
        • Турбокомпрессор
        • Топливные фильтры
      • Электрооборудование двигателя
      • Система охлаждения  
        • Вязкостные муфты и крыльчатки
        • Приводы вентилятора
        • Водяные насосы
        • Водяные трубы и термостаты
      • Коробки переключения передач  
        • 8 Ступенчатые КПП
        • 5 Ступенчатые КПП
        • 9 Ступенчатые КПП
        • Запасные части КПП ЯМЗ, ТМЗ
      • Система смазки  
        • Теплообменник и комплектующие
        • Масляные насосы
        • Фильтры масляные (ФГОМ, ФЦОМ)
      • Сцепление  
        • Запасные части механизма сцепления
        • Муфты (подшипники выжимные)
        • Корзины (диски нажимные)
        • Диски ведомые
      • Прочие запчасти двигателя  
        • Ремкомплекты
        • Привод агрегатов
        • Натяжные устройства
        • Трубки
    • Запчасти ЯМЗ-534, ЯМЗ-536  
      • Основные запчасти двигателя  
        • Цилиндро-поршневая группа
        • Головка блока цилиндров и комплектующие
        • Блок цилиндров и комплектующие
        • Вал коленчатый и маховик
        • Вал распределительный
        • Клапаны и толкатели
        • ГУР (Гидроусилитель руля)
        • Система рециркуляции отработавших газов
        • Выпускной коллектор
      • Система питания  
        • Коллекторы и патрубки
        • Топливные фильтры
        • Турбокомпрессор
        • Топливные трубопроводы
      • Система смазки  
        • Масляный картер поддон
        • Масляный насос
        • Теплообменник /Водо-масляный радиатор
        • Фильтры масляные (ФГОМ, ФЦОМ)
      • Пневмокомпрессор и натяжное
      • Система охлаждения  
        • Водяной насос
        • Водяные трубы и патрубки
        • Муфты вязкостные, приводы, крыльчатки
      • Ремкомплекты
      • Сцепление
      • Электрооборудование
    • Запчасти ЯМЗ-650, ЯМЗ-651, DCi-11  
      • Основные запчасти двигателя  
        • Цилиндро-поршневая группа
        • Головка блока цилиндров и комплектующие
        • Блок цилиндров и комплектующие
        • Вал коленчатый и маховик
        • Выпускной коллектор
        • Вал распределительный
        • Клапаны и толкатели
        • ГУР (Гидроусилитель руля)
        • Система рециркуляции отработавших газов
      • Система питания  
        • Коллекторы и патрубки
        • Топливные трубопроводы
        • Топливные фильтры
        • Турбокомпрессор
      • Система смазки  
        • Масляный картер / поддон
        • Масляный насос
        • Теплообменник / Водо-масляный радиатор
        • Фильтры масляные (ФГОМ, ФЦОМ)
      • Система охлаждения  
        • Водяной насос
        • Водяные трубы и патрубки
        • Муфты вязкостные, приводы, крыльчатки
      • Ремкомплекты
      • Пневмокомпрессор и натяжное
      • Электрооборудование
      • Сцепление
    • Топливная аппаратура  
      • ЯЗДА  
        • Распылители
        • ТНВД
        • Форсунки
        • Топливный насос низкого давления
        • Пары плунжерные
        • Муфта опережения впрыска топлива
        • Запчасти и комплектующие ТНВД
      • НЗТА
      • АЗПИ  
        • Распылители
        • Форсунки
      • BOSCH
    • Запчасти УРАЛ  
      • Трансмиссия  
        • Коробка раздаточная
        • Передача карданная
        • Мост задний
        • Мост передний (ведущий)
        • Мост средний (промежуточный)
      • Кузов  
        • Дверь кабины
        • Капот, крылья, облицовка радиатора
        • Окно ветровое и заднее
        • Отопление и вентиляция кабины
        • Кабина
      • Механизмы управления  
        • Управление рулевое
        • Тормоза
      • Дополнительное оборудование  
        • Отбор мощности
        • Устройство седельное
      • Электрооборудование
      • Ходовая часть  
        • Колеса и ступицы
        • Ось передняя
        • Подвеска автомобиля
        • Рама
    • Запчасти МАЗ  
      • Трансмиссия  
        • Мост задний
        • Мост передний (ведущий)
        • Передача карданная
        • Мост средний (промежуточный)
      • Кузов  
        • Кабина
        • Дверь кабины
        • Детали основания кабины
        • Окно ветровое и заднее
        • Платформа
      • Механизмы управления  
        • Тормоза
        • Управление рулевое
      • Ходовая часть  
        • Колеса и ступицы
        • Ось передняя
        • Подвеска автомобиля
        • Рама
    • Запчасти КамАЗ  
      • Кузов  
        • Кабина
        • Капот, крылья, облицовка радиатора
        • Дверь кабины
        • Платформа
        • Окно ветровое и заднее
        • Устройство подъемное и опрокидывающее
        • Сиденье
        • Крыша кабины (крыша кузова)
        • Отопление и вентиляция кабины
      • Трансмиссия  
        • Коробка передач
        • Коробка раздаточная
        • Мост задний
        • Сцепление
        • Мост средний (промежуточный)
        • Передача карданная
        • Мост передний (ведущий)
      • Двигатель  
        • Основные запчасти двигателя
        • Система охлаждения
        • Система питания
        • Система смазки
      • Дополнительное оборудование  
        • Отбор мощности
        • Устройство седельное
      • Ходовая часть  
        • Подвеска автомобиля
        • Рама
        • Колеса и ступицы
        • Ось передняя
      • Механизмы управления  
        • Тормоза
        • Управление рулевое
      • Электрооборудование
    • Запчасти ММЗ
    • Ремни
  • Справочник
    • Грузовые автомобили
    • Автобусы
    • Сельхозтехника
    • Спецтехника
    • Двигатели
  • Как купить
    • Условия оплаты
    • Условия доставки
    • Гарантия на товар
    • Пункты выдачи
  • Услуги
    • Капитальный ремонт двигателей ЯМЗ
  • Акции
  • Статьи
  • Контакты
  • Компания
    • Реквизиты
    • Магазины
    • Оплата
    • Доставка
    • Лицензии и сертификаты
    • Новости
    • Вакансии
Избранное 0 Корзина 0
8-800-700-35-68

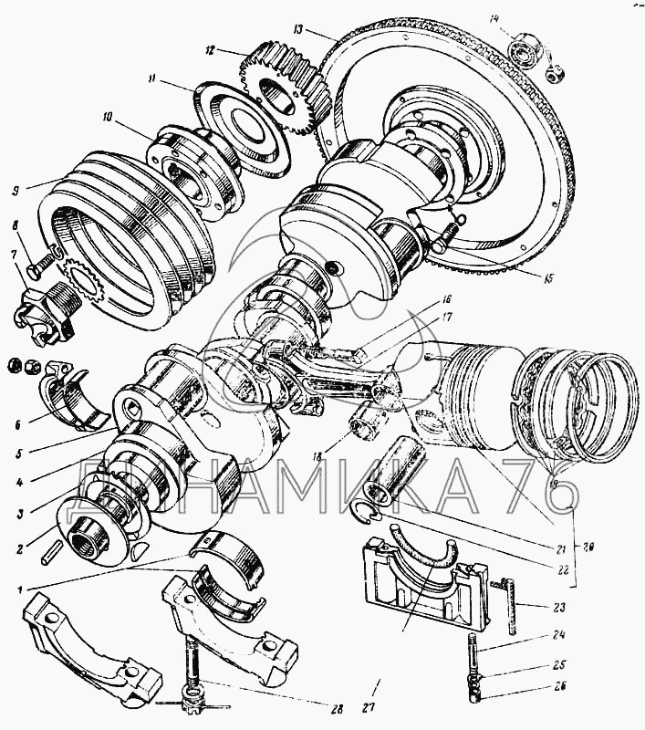
Вал коленчатый, поршни и шатуны на ПАЗ-672М (до 1987 г.)

Справочник
Главная
-
Автокаталог
-
Автобусы
-
ПАЗ
-
ПАЗ-672М
Справочный каталог

Вал коленчатый, поршни и шатуны — ПАЗ-672М:

11-405720 13-1004062-Б 21-1004020 21-1004020-ГР 21-1004022 21-1004052 21-1005024-Б 21А-1005125 252155-П2 258285-П 258611-П18 258919-П8 260430-П 292766-П 292767-П 292798-П 292834-П 293324-П18 293370-П18 293554-П8 296144-П 53-1004010-А 53-1004015-А2 53-1005195 66-1004045-А 66-1006010-Г ВК-13-1004057-А ВК-13-1004057-БР1 ВК-13-1004057-ВР1 ВК-13-1004057-ЕР1 ВК-13-1004057-ЖР1 ВК-13-1004057-ИР1 ВК-13-1004057-КР1 ВК-13-11004057-ДР1 ВК-53-1004014-АР ВК-53-1004014-БР ВК-53-1004023 ВК-53-1004023-АР ВК-53-1004023-БР ВК-53-1004024-БР ВК-53-1004060 ВК-53-1005014 1 2 2 3 3 4 4 5 5 6 6 7 7 8 9 9 10 10 11 12 13 14 15 16 17 18 19 20 21 22 23 24 25 26 27 28 38 39 47 49
в наличии
нет в наличии
масштаб

В наличии
Нет в наличии

Перечень комплектующих от Вал коленчатый, поршни и шатуны на ПАЗ-672М

Схемы запчастей предназначены для справочных целей! Мы продаем не все запчасти от Вал коленчатый, поршни и шатуны на ПАЗ-672М, представленные в этом списке.
Наличие на складах по деталям с ценой смотрите в карточке товара.
Артикул: 11-405720
нет в наличии
Пружина болта
Количество на схеме: 1
Информация
Пружина болта
Количество
1
Покрытие
без покрытия
Артикул: 13-1004062-Б
нет в наличии
Болт шатуна
Количество на схеме: 16
Информация
Болт шатуна
Количество
16
Модель
13
Группа
Двигатель
Подгруппа
Поршни и шатуны
Порядковый номер детали
062
Артикул: 21-1004020
нет в наличии
Палец поршневой стандартный, диаметром 25 мм
Количество на схеме: 8
Информация
Палец поршневой стандартный, диаметром 25 мм
Количество
8
Модель
21
Группа
Двигатель
Подгруппа
Поршни и шатуны
Порядковый номер детали
020
Артикул: 21-1004020-ГР
нет в наличии
Палец поршневой, диаметром 25,20 мм
Количество на схеме: 8
Информация
Палец поршневой, диаметром 25,20 мм
Количество
8
Модель
21
Группа
Двигатель
Подгруппа
Поршни и шатуны
Порядковый номер детали
020
Артикул: 21-1004022
нет в наличии
Кольцо стопорное поршневого пальца
Количество на схеме: 16
Информация
Кольцо стопорное поршневого пальца
Количество
16
Модель
21
Группа
Двигатель
Подгруппа
Поршни и шатуны
Порядковый номер детали
022
Артикул: 21-1004052
нет в наличии
Втулка шатуна
Количество на схеме: 8
Информация
Втулка шатуна
Количество
8
Модель
21
Группа
Двигатель
Подгруппа
Поршни и шатуны
Порядковый номер детали
052
Артикул: 21-1005024-Б
нет в наличии
Пробка-заглушка масляных полостей коленчатого вала
Количество на схеме: 8
Информация
Пробка-заглушка масляных полостей коленчатого вала
Количество
8
Модель
21
Группа
Двигатель
Подгруппа
Вал коленчатый и маховик
Порядковый номер детали
024
Артикул: 21А-1005125
нет в наличии
Венец маховика зубчатый
Количество на схеме: 1
Информация
Венец маховика зубчатый
Количество
1
Модель
21А
Группа
Двигатель
Подгруппа
Вал коленчатый и маховик
Порядковый номер детали
125
Артикул: 252155-П2
нет в наличии
Шайба 8 пружинная
Количество на схеме: 1
Информация
Шайба 8 пружинная
Количество
1
Покрытие
фосфатирование и промасливание
Артикул: 258285-П
нет в наличии
Шплинт-проволока диам 1,6х275
Количество на схеме: 2
Информация
Шплинт-проволока диам 1,6х275
Количество
2
Покрытие
без покрытия
Артикул: 258611-П18
нет в наличии
Штифт диам 4х10 передней шайбы упорного подшипника коленчатого вала
Количество на схеме: 1
Информация
Штифт диам 4х10 передней шайбы упорного подшипника коленчатого вала
Количество
1
Покрытие
цианирование
Артикул: 258919-П8
нет в наличии
Штифт диам 2х16
Количество на схеме: 1
Информация
Штифт диам 2х16
Количество
1
Покрытие
цинкование
Артикул: 260430-П
нет в наличии
Шпонка 6х10х25 шестерёнки коленчатого вала
Количество на схеме: 1
Информация
Шпонка 6х10х25 шестерёнки коленчатого вала
Количество
1
Покрытие
без покрытия
Артикул: 292766-П
нет в наличии
Стопорная гайка
Количество на схеме: 16
Информация
Стопорная гайка
Количество
16
Покрытие
без покрытия
Артикул: 292767-П
нет в наличии
Гайка шатуна
Количество на схеме: 16
Информация
Гайка шатуна
Количество
16
Покрытие
без покрытия
Артикул: 292798-П
нет в наличии
Гайка М11х1
Количество на схеме: 4
Информация
Гайка М11х1
Количество
4
Покрытие
без покрытия
Артикул: 292834-П
нет в наличии
Гайка М12х1,25
Количество на схеме: 10
Информация
Гайка М12х1,25
Количество
10
Покрытие
без покрытия
Артикул: 293324-П18
нет в наличии
Шайба диаметром 11
Количество на схеме: 4
Информация
Шайба диаметром 11
Количество
4
Покрытие
цианирование
Артикул: 293370-П18
нет в наличии
Шайба диаметром 12,5
Количество на схеме: 5
Информация
Шайба диаметром 12,5
Количество
5
Покрытие
цианирование
Артикул: 293554-П8
нет в наличии
Шайба пружинная диаметром 28
Количество на схеме: 1
Информация
Шайба пружинная диаметром 28
Количество
1
Покрытие
цинкование
Артикул: 296144-П
нет в наличии
Шпонка призматическая 8х6х34 ступицы шкива коленчатого вала
Количество на схеме: 1
Информация
Шпонка призматическая 8х6х34 ступицы шкива коленчатого вала
Количество
1
Покрытие
без покрытия
Артикул: 53-1004010-А
нет в наличии
Поршень и шатун в сборе
Количество на схеме: 8
Информация
Поршень и шатун в сборе
Количество
8
Модель
53
Группа
Двигатель
Подгруппа
Поршни и шатуны
Порядковый номер детали
010
Артикул: 53-1004015-А2
нет в наличии
Поршень
Количество на схеме: 8
Информация
Поршень
Количество
8
Модель
53
Группа
Двигатель
Подгруппа
Поршни и шатуны
Порядковый номер детали
015
Артикул: 53-1005195
нет в наличии
Пластина стопорная
Количество на схеме: 10
Информация
Пластина стопорная
Количество
10
Модель
53
Группа
Двигатель
Подгруппа
Вал коленчатый и маховик
Порядковый номер детали
195
Артикул: 66-1004045-А
нет в наличии
Шатун в сборе
Количество на схеме: 8
Информация
Шатун в сборе
Количество
8
Модель
66
Группа
Двигатель
Подгруппа
Поршни и шатуны
Порядковый номер детали
045
Артикул: 66-1006010-Г
нет в наличии
Вал распределительный в сборе
Количество на схеме: 1
Информация
Вал распределительный в сборе
Количество
1
Модель
66
Группа
Двигатель
Подгруппа
Вал распределительный
Порядковый номер детали
010
Артикул: ВК-13-1004057-А
нет в наличии
Комплект шатунных вкладышей на 1 шатун диам 60 мм
Количество на схеме: 8
Информация
Комплект шатунных вкладышей на 1 шатун диам 60 мм
Количество
8
Модель
ВК-13
Группа
Двигатель
Подгруппа
Поршни и шатуны
Порядковый номер детали
057
Артикул: ВК-13-1004057-БР1
нет в наличии
Комплект шатунных вкладышей на 1 шатун диам 59,95 мм
Количество на схеме: 8
Информация
Комплект шатунных вкладышей на 1 шатун диам 59,95 мм
Количество
8
Модель
ВК-13
Группа
Двигатель
Подгруппа
Поршни и шатуны
Порядковый номер детали
057
Артикул: ВК-13-1004057-ВР1
нет в наличии
Комплект шатунных вкладышей на 1 шатун диам 59,75 мм
Количество на схеме: 8
Информация
Комплект шатунных вкладышей на 1 шатун диам 59,75 мм
Количество
8
Модель
ВК-13
Группа
Двигатель
Подгруппа
Поршни и шатуны
Порядковый номер детали
057
Артикул: ВК-13-1004057-ЕР1
нет в наличии
Комплект шатунных вкладышей на 1 шатун диам 59,25 мм
Количество на схеме: 8
Информация
Комплект шатунных вкладышей на 1 шатун диам 59,25 мм
Количество
8
Модель
ВК-13
Группа
Двигатель
Подгруппа
Поршни и шатуны
Порядковый номер детали
057
Артикул: ВК-13-1004057-ЖР1
нет в наличии
Комплект шатунных вкладышей на 1 шатун диам 59,00 мм
Количество на схеме: 8
Информация
Комплект шатунных вкладышей на 1 шатун диам 59,00 мм
Количество
8
Модель
ВК-13
Группа
Двигатель
Подгруппа
Поршни и шатуны
Порядковый номер детали
057
Артикул: ВК-13-1004057-ИР1
нет в наличии
Комплект шатунных вкладышей на 1 шатун диам 58 75 мм
Количество на схеме: 8
Информация
Комплект шатунных вкладышей на 1 шатун диам 58 75 мм
Количество
8
Модель
ВК-13
Группа
Двигатель
Подгруппа
Поршни и шатуны
Порядковый номер детали
057
Артикул: ВК-13-1004057-КР1
нет в наличии
Комплект шатунных вкладышей на 1 шатун диам 58,50 мм
Количество на схеме: 8
Информация
Комплект шатунных вкладышей на 1 шатун диам 58,50 мм
Количество
8
Модель
ВК-13
Группа
Двигатель
Подгруппа
Поршни и шатуны
Порядковый номер детали
057
Артикул: ВК-13-11004057-ДР1
нет в наличии
Комплект шатунных вкладышей на 1 шатун диам 59,50 мм
Количество на схеме: 8
Информация
Комплект шатунных вкладышей на 1 шатун диам 59,50 мм
Количество
8
Модель
ВК-13
Группа
Cистема питания двигателя
Подгруппа
1100
Порядковый номер детали
405
Артикул: ВК-53-1004014-АР
нет в наличии
Поршень с поршневым пальцем и стопорными кольцами в комплекте, диаметром 92,5 мм
Количество на схеме: 8
Информация
Поршень с поршневым пальцем и стопорными кольцами в комплекте, диаметром 92,5 мм
Количество
8
Модель
ВК-53
Группа
Двигатель
Подгруппа
Поршни и шатуны
Порядковый номер детали
014
Артикул: ВК-53-1004014-БР
нет в наличии
Поршень с поршневым пальцем и стопорными кольцами в комплекте, диаметром 93,0 мм
Количество на схеме: 8
Информация
Поршень с поршневым пальцем и стопорными кольцами в комплекте, диаметром 93,0 мм
Количество
8
Модель
ВК-53
Группа
Двигатель
Подгруппа
Поршни и шатуны
Порядковый номер детали
014
Артикул: ВК-53-1004023
нет в наличии
Комплект поршневых колец на 1 поршень диам 92,0 мм
Количество на схеме: 8
Информация
Комплект поршневых колец на 1 поршень диам 92,0 мм
Количество
8
Модель
ВК-53
Группа
Двигатель
Подгруппа
Поршни и шатуны
Порядковый номер детали
023
Артикул: ВК-53-1004023-АР
нет в наличии
Комплект поршневых колец на 1 поршень диам 92,5 мм
Количество на схеме: 8
Информация
Комплект поршневых колец на 1 поршень диам 92,5 мм
Количество
8
Модель
ВК-53
Группа
Двигатель
Подгруппа
Поршни и шатуны
Порядковый номер детали
023
Артикул: ВК-53-1004023-БР
нет в наличии
Комплект поршневых колец на 1 поршень диам 93,0 мм
Количество на схеме: 8
Информация
Комплект поршневых колец на 1 поршень диам 93,0 мм
Количество
8
Модель
ВК-53
Группа
Двигатель
Подгруппа
Поршни и шатуны
Порядковый номер детали
023
Артикул: ВК-53-1004024-БР
нет в наличии
Комплект поршневых колец на 1 поршень диам 93,0 мм
Количество на схеме: 8
Информация
Комплект поршневых колец на 1 поршень диам 93,0 мм
Количество
8
Модель
ВК-53
Группа
Двигатель
Подгруппа
Поршни и шатуны
Порядковый номер детали
024
Артикул: ВК-53-1004060
нет в наличии
Болт шатуна с гайкой и стопорной гайкой в сборе
Количество на схеме: 16
Информация
Болт шатуна с гайкой и стопорной гайкой в сборе
Количество
16
Модель
ВК-53
Группа
Двигатель
Подгруппа
Поршни и шатуны
Порядковый номер детали
060
Артикул: ВК-53-1005014
нет в наличии
Вал коленчатый с вкладышами в комплекте стандартный
Количество на схеме: 1
Информация
Вал коленчатый с вкладышами в комплекте стандартный
Количество
1
Модель
ВК-53
Группа
Двигатель
Подгруппа
Вал коленчатый и маховик
Порядковый номер детали
014
1
1
Артикул: 252007-П
нет в наличии
Шайба диаметром 12
Количество на схеме: 1
Информация
Шайба диаметром 12
Количество
1
Покрытие
без покрытия
2
2
Артикул: 11-6307
нет в наличии
Шайба упорная коленчатого вала
Количество на схеме: 1
Информация
Шайба упорная коленчатого вала
Количество
1
2
2
Артикул: 252177-П2
нет в наличии
Шайба пружинная диам 12
Количество на схеме: 1
Информация
Шайба пружинная диам 12
Количество
1
Покрытие
фосфатирование и промасливание
3
3
Артикул: 13-1005183
нет в наличии
Шайба упорная подшипника коленчатого вала передняя
Количество на схеме: 1
Информация
Шайба упорная подшипника коленчатого вала передняя
Количество
1
Модель
13
Группа
Двигатель
Подгруппа
Вал коленчатый и маховик
Порядковый номер детали
183
3
3
Артикул: 66-1006060-Б
нет в наличии
Болт крепления шестерни распределительного вала и привода центробежного датчика в сборе
Количество на схеме: 1
Информация
Болт крепления шестерни распределительного вала и привода центробежного датчика в сборе
Количество
1
Модель
66
Группа
Двигатель
Подгруппа
Вал распределительный
Порядковый номер детали
060
4
4
Артикул: 11-Б255
нет в наличии
Кольцо распорное распределительного вала
Количество на схеме: 8
Информация
Кольцо распорное распределительного вала
Количество
8
4
4
Артикул: 13-10051184
нет в наличии
Шайба упорного подшипника коленчатого вала - задняя
Количество на схеме: 1
Информация
Шайба упорного подшипника коленчатого вала - задняя
Количество
1
Модель
13
Группа
Двигатель
Подгруппа
Вал коленчатый и маховик
Порядковый номер детали
118
5
5
Артикул: 201456-П2
нет в наличии
Болт М8х20 упорного фланца
Количество на схеме: 1
Информация
Болт М8х20 упорного фланца
Количество
1
Покрытие
фосфатирование и промасливание
5
5
Артикул: 66-1005011
нет в наличии
Вал коленчатый в сборе
Количество на схеме: 1
Информация
Вал коленчатый в сборе
Количество
1
Модель
66
Группа
Двигатель
Подгруппа
Вал коленчатый и маховик
Порядковый номер детали
011
6
6
Артикул: 252135-П2
в наличии
Шайба 8 пружинная
Количество на схеме: 1
Информация
Шайба 8 пружинная
Количество
1
Покрытие
фосфатирование и промасливание
Шайба 8х2.5 ЯМЗ заглушки блока цилиндров АВТОДИЗЕЛЬ
Артикул: 252135-П2
Шайба 8х2.5 ЯМЗ заглушки блока цилиндров АВТОДИЗЕЛЬ
Код для заказа: 00006017
Цена: 3 ₽/шт.
Под заказ
Шайба 8х2.5 ЯМЗ заглушки блока цилиндров АВТОДИЗЕЛЬ
Артикул: 252135-П2
Код для заказа: 00006017
Шайба 8х2.5 ЯМЗ заглушки блока цилиндров АВТОДИЗЕЛЬ
Цена: 3 ₽/шт.
Под заказ
6
6
Артикул: ВК-53-1004024-ВР
нет в наличии
Комплект поршневых колец на 1 поршень диам 93,5 мм
Количество на схеме: 8
Информация
Комплект поршневых колец на 1 поршень диам 93,5 мм
Количество
8
Модель
ВК-53
Группа
Двигатель
Подгруппа
Поршни и шатуны
Порядковый номер детали
024
7
7
Артикул: 12-1005054-А2
нет в наличии
Храповик коленчатого вала
Количество на схеме: 1
Информация
Храповик коленчатого вала
Количество
1
Модель
12
Группа
Двигатель
Подгруппа
Вал коленчатый и маховик
Порядковый номер детали
054
7
7
Артикул: 1589842
нет в наличии
Фланец упорный распределительного вала
Количество на схеме: 2
Информация
Фланец упорный распределительного вала
Количество
2
Подгруппа
1589
Порядковый номер детали
842
8
8
Артикул: 201240-П8
нет в наличии
Болт М8х18 шкива коленчатого вала
Количество на схеме: 6
Информация
Болт М8х18 шкива коленчатого вала
Количество
6
Покрытие
цинкование
9
9
Артикул: 13-10060115
нет в наличии
Вал распределительный
Количество на схеме: 1
Информация
Вал распределительный
Количество
1
Модель
13
Группа
Двигатель
Подгруппа
Вал распределительный
Порядковый номер детали
011
9
9
Артикул: 672-1005060
нет в наличии
Шкив коленчатого вала
Количество на схеме: 6
Информация
Шкив коленчатого вала
Количество
6
Модель
672
Группа
Двигатель
Подгруппа
Вал коленчатый и маховик
Порядковый номер детали
060
10
10
Артикул: 20-1002199
нет в наличии
Штуцер переходный
Количество на схеме: 2
Информация
Штуцер переходный
Количество
2
Модель
20
Группа
Двигатель
Подгруппа
Блок цилиндров
Порядковый номер детали
199
10
10
Артикул: 41-1005051
нет в наличии
Ступица шкива коленчатого вала
Количество на схеме: 1
Информация
Ступица шкива коленчатого вала
Количество
1
Модель
41
Группа
Двигатель
Подгруппа
Вал коленчатый и маховик
Порядковый номер детали
051
11
11
Артикул: 13-1005042
нет в наличии
Маслоотражатель коленчатого вала
Количество на схеме: 1
Информация
Маслоотражатель коленчатого вала
Количество
1
Модель
13
Группа
Двигатель
Подгруппа
Вал коленчатый и маховик
Порядковый номер детали
042
12
12
Артикул: 13-1005031-А
нет в наличии
Шестерня распределительная коленчатого вала
Количество на схеме: 1
Информация
Шестерня распределительная коленчатого вала
Количество
1
Модель
13
Группа
Двигатель
Подгруппа
Вал коленчатый и маховик
Порядковый номер детали
031
13
13
Артикул: 66-1005115-Б
нет в наличии
Маховик в сборе
Количество на схеме: 1
Информация
Маховик в сборе
Количество
1
Модель
66
Группа
Двигатель
Подгруппа
Вал коленчатый и маховик
Порядковый номер детали
115
14
14
Артикул: 60203
нет в наличии
Подшипник передний первичного вала КП
Количество на схеме: 1
Информация
Подшипник передний первичного вала КП
Количество
1
15
15
Артикул: 291524-П
нет в наличии
Болт крепления маховика ( норма упаковки в ящик 1,16 т. шт., 40 кг )
Количество на схеме: 4
Информация
Болт крепления маховика ( норма упаковки в ящик 1,16 т. шт., 40 кг )
Количество
4
Покрытие
без покрытия
16
16
Артикул: ВК-53-11004024-АР
нет в наличии
Комплект поршневых колец на 1 поршень диам 92,5 мм
Количество на схеме: 8
Информация
Комплект поршневых колец на 1 поршень диам 92,5 мм
Количество
8
Модель
ВК-53
Группа
Cистема питания двигателя
Подгруппа
1100
Порядковый номер детали
402
17
17
Артикул: ВК-53-1004023-ВР
нет в наличии
Комплект поршневых колец на 1 поршень диам 93,5 мм
Количество на схеме: 8
Информация
Комплект поршневых колец на 1 поршень диам 93,5 мм
Количество
8
Модель
ВК-53
Группа
Двигатель
Подгруппа
Поршни и шатуны
Порядковый номер детали
023
18
18
Артикул: ВК-53-1004024
нет в наличии
Комплект поршневых колец на 1 поршень диам 92 мм
Количество на схеме: 8
Информация
Комплект поршневых колец на 1 поршень диам 92 мм
Количество
8
Модель
ВК-53
Группа
Двигатель
Подгруппа
Поршни и шатуны
Порядковый номер детали
024
19
19
Артикул: 21-1004020-ВР
нет в наличии
Палец поршневой, диаметром 25,12 мм
Количество на схеме: 8
Информация
Палец поршневой, диаметром 25,12 мм
Количество
8
Модель
21
Группа
Двигатель
Подгруппа
Поршни и шатуны
Порядковый номер детали
020
20
20
Артикул: ВК-53-1004014
нет в наличии
Поршень с пальцем и стопорными кольцами ( комплект ) диаметром 92,0 мм
Количество на схеме: 8
Информация
Поршень с пальцем и стопорными кольцами ( комплект ) диаметром 92,0 мм
Количество
8
Модель
ВК-53
Группа
Двигатель
Подгруппа
Поршни и шатуны
Порядковый номер детали
014
21
21
Артикул: ВК-53-1004014-ВР
нет в наличии
Поршень с поршневым пальцем и стопорными кольцами в комплекте, диаметром 93,5 мм
Количество на схеме: 8
Информация
Поршень с поршневым пальцем и стопорными кольцами в комплекте, диаметром 93,5 мм
Количество
8
Модель
ВК-53
Группа
Двигатель
Подгруппа
Поршни и шатуны
Порядковый номер детали
014
22
22
Артикул: 21-41004020-БР
нет в наличии
Палец поршневой, диаметром 25,08 мм
Количество на схеме: 8
Информация
Палец поршневой, диаметром 25,08 мм
Количество
8
Модель
21
Подгруппа
4100
Порядковый номер детали
402
23
23
Артикул: 13-1005162-Г
нет в наличии
Прокладка уплотнительная держателя заднего сальника
Количество на схеме: 2
Информация
Прокладка уплотнительная держателя заднего сальника
Количество
2
Модель
13
Группа
Двигатель
Подгруппа
Вал коленчатый и маховик
Порядковый номер детали
162
24
24
Артикул: 291767-П
нет в наличии
Шпилька М8х1х62 крепления держателя заднего сальника
Количество на схеме: 2
Информация
Шпилька М8х1х62 крепления держателя заднего сальника
Количество
2
Покрытие
без покрытия
25
25
Артикул: 13-1005182
нет в наличии
Шайба крепления держателя заднего сальника
Количество на схеме: 2
Информация
Шайба крепления держателя заднего сальника
Количество
2
Модель
13
Группа
Двигатель
Подгруппа
Вал коленчатый и маховик
Порядковый номер детали
182
26
26
Артикул: 13-1005181
нет в наличии
Гайка крепления держателя заднего сальника
Количество на схеме: 2
Информация
Гайка крепления держателя заднего сальника
Количество
2
Модель
13
Группа
Двигатель
Подгруппа
Вал коленчатый и маховик
Порядковый номер детали
181
27
27
Артикул: 24-10091154-01
нет в наличии
Набивка сальника
Количество на схеме: 2
Информация
Набивка сальника
Количество
2
Модель
24
Группа
Двигатель
Подгруппа
Картер масляный
Порядковый номер детали
115
28
28
Артикул: 291848-П2
нет в наличии
Шпилька М12х1,25х84 крепления подшипников коленчатого вала
Количество на схеме: 10
Информация
Шпилька М12х1,25х84 крепления подшипников коленчатого вала
Количество
10
Покрытие
фосфатирование и промасливание
38
38
Артикул: 13-1006028
нет в наличии
Втулка распределительного вала задняя
Количество на схеме: 1
Информация
Втулка распределительного вала задняя
Количество
1
Модель
13
Группа
Двигатель
Подгруппа
Вал распределительный
Порядковый номер детали
028
39
39
Артикул: 13-1006024-А3
нет в наличии
Втулка распределительного вала
Количество на схеме: 4
Информация
Втулка распределительного вала
Количество
4
Модель
13
Группа
Двигатель
Подгруппа
Вал распределительный
Порядковый номер детали
024
47
47
Артикул: 13-1006020
нет в наличии
Шестерня распределительного вата
Количество на схеме: 1
Информация
Шестерня распределительного вата
Количество
1
Модель
13
Группа
Двигатель
Подгруппа
Вал распределительный
Порядковый номер детали
020
49
49
Артикул: 260417-П
нет в наличии
Шпонка сегментная 5х9х22 шестерни распределительного вала
Количество на схеме: 1
Информация
Шпонка сегментная 5х9х22 шестерни распределительного вала
Количество
1
Покрытие
без покрытия
  • Грузовые автомобили
  • Автобусы
  • Сельхозтехника
  • Спецтехника
  • Двигатели
Получить оптовый прайс-лист
Скачать прайс-лист от 06.05.2026 16:00
Специальное предложение от 06.05.2026 13:00
Производители:


  • WEICHAI
  • Автодизель ПАО (ЯМЗ)
  • Тутаевский МЗ
  • ЯЗДА
  • УралАЗ
  • МАЗ
  • АЗПИ
  • BOSCH
  • ММЗ
  • ШААЗ
  • FEDERAL MOGUL
  • ПРАМО
  • Мотордеталь
  • ТАИМ
  • АвтоКрАЗ
  • БЕЛКАРД
  • CZ Strakonice
  • КамАЗ
  • БЗА
  • ЧМЗ
  • BMZ
Новости
Все новости
25 марта 2024
Флагманский седельный тягач «Валдай 45» на выставке «TransRussia»
10 марта 2024
Современные автобусы «CITYMAX 9» и ЛиАЗ-5292 CNG
25 февраля 2024
Серийное производство средних дизельных двигателей повышенной мощности от ЯМЗ
Статьи
Все статьи
Датчики двигателя: за что они отвечают, признаки неисправности и как не прогадать с выбором
Двигатели ЯМЗ-534: история, технические характеристики и области применения
Двигатели ЯМЗ 650: углублённый технический обзор и история
Компания
О компании
Реквизиты
Новости
Политика
Магазины
Информация
Условия оплаты
Условия доставки
Гарантия на товар
Обмен и возврат товара
Помощь
Как оформить заказ
Полезные статьи
Бренды
Пункты выдачи
Оставайтесь на связи
  • Вконтакте
  • YouTube
  • Одноклассники
  • Google Plus
Увидели ошибку?
Выделите, нажав Ctrl + Enter
Наши контакты
8-800-700-35-68
sales@din76.ru
г. Ярославль, Ленинградский пр-т 33, ТЦ "ОМЕГА"
2026 © ООО «Динамика 76» - Все права защищены ООО "Динамика 76"
Предложения на сайте не являются публичной офертой.
На сайте обнаружена ошибка

Текст с ошибкой