Избранное 0 Корзина 0 Личный кабинет
logo
Каталог
Каталог
  • Справочник
    • Грузовые автомобили
    • Автобусы
    • Сельхозтехника
    • Спецтехника
    • Двигатели
  • Доставка
  • Оплата
  • О компании
    • Реквизиты
    • Магазины
    • Оплата
    • Доставка
    • Лицензии и сертификаты
    • Новости
    • Вакансии
  • Контакты
Отправить заявку
Личный кабинет
8 (800) 700-35-68
sales@din76.ru
Избранное 0 Корзина 0
8 (800) 700-35-68
Оптовый прайс-лист
Каталог
  • Двигатели
  • Запчасти WEICHAI
  • Запчасти ЯМЗ, ТМЗ (V-образные)
  • Запчасти ЯМЗ-534, ЯМЗ-536
  • Запчасти ЯМЗ-650, ЯМЗ-651, DCi-11
  • Топливная аппаратура
  • Запчасти УРАЛ
  • Запчасти МАЗ
  • Запчасти КамАЗ
  • Запчасти ММЗ
  • Ремни
Автокаталог (справочник)
  • Доставка
  • Оплата
  • О компании
  • Контакты
8 (800) 700-35-68
Написать в Whatsapp
sales@din76.ru
Динамика 76
Меню  
  • Каталог
    • Двигатели  
      • Двигатели ТМЗ  
        • Двигатели ТМЗ для автомобилей
        • Двигатели ТМЗ для тракторов
        • Специальные двигатели ТМЗ
        • Промышленные двигатели ТМЗ
      • Двигатели ЯМЗ  
        • ЯМЗ 236
        • ЯМЗ 238
        • ЯМЗ 240
        • ЯМЗ 751
        • ЯМЗ 840
        • ЯМЗ 850
        • ЯМЗ 656
        • ЯМЗ 658
        • ЯМЗ 534
        • ЯМЗ 536
        • ЯМЗ 650
        • Двигатели ЯМЗ для электростанций
      • Двигатели КАМАЗ
      • Двигатели ММЗ
      • Двигатели индивидуальной сборки
      • Комплекты переоборудования
    • Запчасти WEICHAI  
      • Основные запчасти двигателя  
        • Клапаны и толкатели
        • Шатуны
        • Вал коленчатый и маховик
        • Вал распределительный
        • Цилиндро-поршневая группа
      • Система питания  
        • Форсунки
        • Турбокомпрессор
      • Система смазки  
        • Насос масляный
      • Головка блока
      • Ремкомплекты
      • Система охлаждения  
        • Насос водяной
        • Муфта вязкостная и крыльчатка
      • Фильтры
      • Электрооборудование  
        • Генератор
        • Стартер
    • Запчасти ЯМЗ, ТМЗ (V-образные)  
      • Основные запчасти двигателя  
        • Блок двигателя и комплектующие
        • Валы распределительные и клапаны
        • Головка блока и комплектующие
        • Цилиндро-поршневая группа
        • Маховики и комплектующие
        • Валы коленчатые и комплектующие
        • Шатуны и комплектующие
      • Система питания  
        • Коллекторы и патрубки
        • Топливные трубопроводы
        • Турбокомпрессор
        • Топливные фильтры
      • Электрооборудование двигателя
      • Система охлаждения  
        • Вязкостные муфты и крыльчатки
        • Приводы вентилятора
        • Водяные насосы
        • Водяные трубы и термостаты
      • Коробки переключения передач  
        • 8 Ступенчатые КПП
        • 5 Ступенчатые КПП
        • 9 Ступенчатые КПП
        • Запасные части КПП ЯМЗ, ТМЗ
      • Система смазки  
        • Теплообменник и комплектующие
        • Масляные насосы
        • Фильтры масляные (ФГОМ, ФЦОМ)
      • Сцепление  
        • Запасные части механизма сцепления
        • Муфты (подшипники выжимные)
        • Корзины (диски нажимные)
        • Диски ведомые
      • Прочие запчасти двигателя  
        • Ремкомплекты
        • Привод агрегатов
        • Натяжные устройства
        • Трубки
    • Запчасти ЯМЗ-534, ЯМЗ-536  
      • Основные запчасти двигателя  
        • Цилиндро-поршневая группа
        • Головка блока цилиндров и комплектующие
        • Блок цилиндров и комплектующие
        • Вал коленчатый и маховик
        • Вал распределительный
        • Клапаны и толкатели
        • ГУР (Гидроусилитель руля)
        • Система рециркуляции отработавших газов
        • Выпускной коллектор
      • Система питания  
        • Коллекторы и патрубки
        • Топливные фильтры
        • Турбокомпрессор
        • Топливные трубопроводы
      • Система смазки  
        • Масляный картер поддон
        • Масляный насос
        • Теплообменник /Водо-масляный радиатор
        • Фильтры масляные (ФГОМ, ФЦОМ)
      • Пневмокомпрессор и натяжное
      • Система охлаждения  
        • Водяной насос
        • Водяные трубы и патрубки
        • Муфты вязкостные, приводы, крыльчатки
      • Ремкомплекты
      • Сцепление
      • Электрооборудование
    • Запчасти ЯМЗ-650, ЯМЗ-651, DCi-11  
      • Основные запчасти двигателя  
        • Цилиндро-поршневая группа
        • Головка блока цилиндров и комплектующие
        • Блок цилиндров и комплектующие
        • Вал коленчатый и маховик
        • Выпускной коллектор
        • Вал распределительный
        • Клапаны и толкатели
        • ГУР (Гидроусилитель руля)
        • Система рециркуляции отработавших газов
      • Система питания  
        • Коллекторы и патрубки
        • Топливные трубопроводы
        • Топливные фильтры
        • Турбокомпрессор
      • Система смазки  
        • Масляный картер / поддон
        • Масляный насос
        • Теплообменник / Водо-масляный радиатор
        • Фильтры масляные (ФГОМ, ФЦОМ)
      • Система охлаждения  
        • Водяной насос
        • Водяные трубы и патрубки
        • Муфты вязкостные, приводы, крыльчатки
      • Ремкомплекты
      • Пневмокомпрессор и натяжное
      • Электрооборудование
      • Сцепление
    • Топливная аппаратура  
      • ЯЗДА  
        • Распылители
        • ТНВД
        • Форсунки
        • Топливный насос низкого давления
        • Пары плунжерные
        • Муфта опережения впрыска топлива
        • Запчасти и комплектующие ТНВД
      • НЗТА
      • АЗПИ  
        • Распылители
        • Форсунки
      • BOSCH
    • Запчасти УРАЛ  
      • Трансмиссия  
        • Коробка раздаточная
        • Передача карданная
        • Мост задний
        • Мост передний (ведущий)
        • Мост средний (промежуточный)
      • Кузов  
        • Дверь кабины
        • Капот, крылья, облицовка радиатора
        • Окно ветровое и заднее
        • Отопление и вентиляция кабины
        • Кабина
      • Механизмы управления  
        • Управление рулевое
        • Тормоза
      • Дополнительное оборудование  
        • Отбор мощности
        • Устройство седельное
      • Электрооборудование
      • Ходовая часть  
        • Колеса и ступицы
        • Ось передняя
        • Подвеска автомобиля
        • Рама
    • Запчасти МАЗ  
      • Трансмиссия  
        • Мост задний
        • Мост передний (ведущий)
        • Передача карданная
        • Мост средний (промежуточный)
      • Кузов  
        • Кабина
        • Дверь кабины
        • Детали основания кабины
        • Окно ветровое и заднее
        • Платформа
      • Механизмы управления  
        • Тормоза
        • Управление рулевое
      • Ходовая часть  
        • Колеса и ступицы
        • Ось передняя
        • Подвеска автомобиля
        • Рама
    • Запчасти КамАЗ  
      • Кузов  
        • Кабина
        • Капот, крылья, облицовка радиатора
        • Дверь кабины
        • Платформа
        • Окно ветровое и заднее
        • Устройство подъемное и опрокидывающее
        • Сиденье
        • Крыша кабины (крыша кузова)
        • Отопление и вентиляция кабины
      • Трансмиссия  
        • Коробка передач
        • Коробка раздаточная
        • Мост задний
        • Сцепление
        • Мост средний (промежуточный)
        • Передача карданная
        • Мост передний (ведущий)
      • Двигатель  
        • Основные запчасти двигателя
        • Система охлаждения
        • Система питания
        • Система смазки
      • Дополнительное оборудование  
        • Отбор мощности
        • Устройство седельное
      • Ходовая часть  
        • Подвеска автомобиля
        • Рама
        • Колеса и ступицы
        • Ось передняя
      • Механизмы управления  
        • Тормоза
        • Управление рулевое
      • Электрооборудование
    • Запчасти ММЗ
    • Ремни
  • Справочник
    • Грузовые автомобили
    • Автобусы
    • Сельхозтехника
    • Спецтехника
    • Двигатели
  • Как купить
    • Условия оплаты
    • Условия доставки
    • Гарантия на товар
    • Пункты выдачи
  • Услуги
    • Капитальный ремонт двигателей ЯМЗ
  • Акции
  • Статьи
  • Контакты
  • Компания
    • Реквизиты
    • Магазины
    • Оплата
    • Доставка
    • Лицензии и сертификаты
    • Новости
    • Вакансии
Избранное 0 Корзина 0
8-800-700-35-68

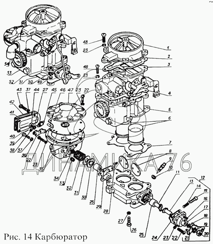
Карбюратор на ПАЗ-3205 (до 2001 г.)

Справочник
Главная
-
Автокаталог
-
Автобусы
-
ПАЗ
-
ПАЗ-3205
Справочный каталог

Карбюратор — ПАЗ-3205:

К126И-1107105 1 2 3 4 5 6 7 8 9 10 11 12 13 14 15 16 17 18 19 20 21 22 22 22 23 23 23 23 23 24 25 25 26 27 27 28 29 30 31 32 33 34 35 36 37 37 38 39 40 41 42 43 44 45 46 47 48 48 49 50 51 52 53
в наличии
нет в наличии
масштаб

В наличии
Нет в наличии

Перечень комплектующих от Карбюратор на ПАЗ-3205

Схемы запчастей предназначены для справочных целей! Мы продаем не все запчасти от Карбюратор на ПАЗ-3205, представленные в этом списке.
Наличие на складах по деталям с ценой смотрите в карточке товара.
Артикул: К126И-1107105
нет в наличии
Винт регулировочный х. х.
Количество на схеме: 2
Информация
Винт регулировочный х. х.
Количество
2
Норма на год
6;
Модель
К126И
Группа
Cистема питания двигателя
Подгруппа
Карбюратор
Порядковый номер детали
105
1
1
Артикул: К135-1107300
нет в наличии
Крышка поплавковой камеры в сборе
Количество на схеме: 1
Информация
Крышка поплавковой камеры в сборе
Количество
1
Норма на год
;
Модель
К135
Группа
Cистема питания двигателя
Подгруппа
Карбюратор
Порядковый номер детали
300
2
2
Артикул: К126Б-1107021-А
нет в наличии
Прокладка фланца
Количество на схеме: 1
Информация
Прокладка фланца
Количество
1
Норма на год
;
Модель
К126Б
Группа
Cистема питания двигателя
Подгруппа
Карбюратор
Порядковый номер детали
021
3
3
Артикул: К126Б-1107022
нет в наличии
Фланец крышки
Количество на схеме: 1
Информация
Фланец крышки
Количество
1
Норма на год
;
Модель
К126Б
Группа
Cистема питания двигателя
Подгруппа
Карбюратор
Порядковый номер детали
022
4
4
Артикул: К126-1107012-А
нет в наличии
Прокладка поплавковой камеры
Количество на схеме: 1
Информация
Прокладка поплавковой камеры
Количество
1
Норма на год
;
Модель
К126
Группа
Cистема питания двигателя
Подгруппа
Карбюратор
Порядковый номер детали
012
5
5
Артикул: К135-1107200-01
нет в наличии
Корпус поплавковой камеры в сборе
Количество на схеме: 1
Информация
Корпус поплавковой камеры в сборе
Количество
1
Норма на год
;
Модель
К135
Группа
Cистема питания двигателя
Подгруппа
Карбюратор
Порядковый номер детали
200
6
6
Артикул: К126Б-1107013
нет в наличии
Диффузор
Количество на схеме: 2
Информация
Диффузор
Количество
2
Норма на год
;
Модель
К126Б
Группа
Cистема питания двигателя
Подгруппа
Карбюратор
Порядковый номер детали
013
7
7
Артикул: К126-1107014-А
нет в наличии
Прокладка смесительных камер
Количество на схеме: 1
Информация
Прокладка смесительных камер
Количество
1
Норма на год
;
Модель
К126
Группа
Cистема питания двигателя
Подгруппа
Карбюратор
Порядковый номер детали
014
8
8
Артикул: К126Б-1107102
нет в наличии
Заслонка дроссельная
Количество на схеме: 2
Информация
Заслонка дроссельная
Количество
2
Норма на год
;
Модель
К126Б
Группа
Cистема питания двигателя
Подгруппа
Карбюратор
Порядковый номер детали
102
9
9
Артикул: К135-1107103
нет в наличии
Винт регулировочный
Количество на схеме: 2
Информация
Винт регулировочный
Количество
2
Норма на год
6;
Модель
К135
Группа
Cистема питания двигателя
Подгруппа
Карбюратор
Порядковый номер детали
103
10
10
Артикул: 004-006-14-1-3
нет в наличии
Кольцо
Количество на схеме: 2
Информация
Кольцо
Количество
2
Норма на год
;
11
11
Артикул: К126Б-1107110-Б
нет в наличии
Ось дроссельных заслонок в сборе
Количество на схеме: 1
Информация
Ось дроссельных заслонок в сборе
Количество
1
Норма на год
;
Модель
К126Б
Группа
Cистема питания двигателя
Подгруппа
Карбюратор
Порядковый номер детали
110
12
12
Артикул: К126Б-1107120
нет в наличии
Подшипник оси привода в сборе
Количество на схеме: 1
Информация
Подшипник оси привода в сборе
Количество
1
Норма на год
;
Модель
К126Б
Группа
Cистема питания двигателя
Подгруппа
Карбюратор
Порядковый номер детали
120
13
13
Артикул: К126Б-1107125
нет в наличии
Ось привода в сборе
Количество на схеме: 1
Информация
Ось привода в сборе
Количество
1
Норма на год
;
Модель
К126Б
Группа
Cистема питания двигателя
Подгруппа
Карбюратор
Порядковый номер детали
125
14
14
Артикул: К13-1107113
нет в наличии
Пружина
Количество на схеме: 1
Информация
Пружина
Количество
1
Норма на год
;
Модель
К13
Группа
Cистема питания двигателя
Подгруппа
Карбюратор
Порядковый номер детали
113
15
15
Артикул: К21-1107108-01
нет в наличии
Винт холостого хода
Количество на схеме: 1
Информация
Винт холостого хода
Количество
1
Норма на год
10;
Модель
К21
Группа
Cистема питания двигателя
Подгруппа
Карбюратор
Порядковый номер детали
108
16
16
Артикул: К126Н-1107133
нет в наличии
Винт
Количество на схеме: 1
Информация
Винт
Количество
1
Норма на год
;
Модель
К126Н
Группа
Cистема питания двигателя
Подгруппа
Карбюратор
Порядковый номер детали
133
17
17
Артикул: К126Б-1107126
нет в наличии
Подшипник оси привода в сборе
Количество на схеме: 1
Информация
Подшипник оси привода в сборе
Количество
1
Норма на год
;
Модель
К126Б
Группа
Cистема питания двигателя
Подгруппа
Карбюратор
Порядковый номер детали
126
18
18
Артикул: 901013-О
нет в наличии
Шайба 8,2х 0,3
Количество на схеме: 1
Информация
Шайба 8,2х 0,3
Количество
1
Норма на год
;
Покрытие
без покрытия
19
19
Артикул: 900904
нет в наличии
Шайба 08
Количество на схеме: 1
Информация
Шайба 08
Количество
1
Норма на год
;
Покрытие
без покрытия
20
20
Артикул: 900802-О
нет в наличии
Гайка М8-6Н
Количество на схеме: 1
Информация
Гайка М8-6Н
Количество
1
Норма на год
;
Покрытие
без покрытия
21
21
Артикул: К126Б-1107127
нет в наличии
Рычаг дроссельных заслонок
Количество на схеме: 1
Информация
Рычаг дроссельных заслонок
Количество
1
Норма на год
;
Модель
К126Б
Группа
Cистема питания двигателя
Подгруппа
Карбюратор
Порядковый номер детали
127
22
22
Артикул: 220079-П29
нет в наличии
Винт
Количество на схеме: 8
Информация
Винт
Количество
8
Норма на год
;
Покрытие
цинкование и пассивирование (цинковое с хроматированием)
23
23
Артикул: 900902-0
нет в наличии
Шайба пружинная 5М 65г (ГОСТ 6402-70)
Количество на схеме: 8
Информация
Шайба пружинная 5М 65г (ГОСТ 6402-70)
Количество
8
Норма на год
;
Покрытие
без покрытия
24
24
Артикул: К126Б-1107109-А
нет в наличии
Прокладка
Количество на схеме: 1
Информация
Прокладка
Количество
1
Норма на год
;
Модель
К126Б
Группа
Cистема питания двигателя
Подгруппа
Карбюратор
Порядковый номер детали
109
25
25
Артикул: 942/8
нет в наличии
Подшипник
Количество на схеме: 2
Информация
Подшипник
Количество
2
Норма на год
;
26
26
Артикул: К28Б-1107025
нет в наличии
Болт М6
Количество на схеме: 4
Информация
Болт М6
Количество
4
Норма на год
;
Модель
К28Б
Группа
Cистема питания двигателя
Подгруппа
Карбюратор
Порядковый номер детали
025
27
27
Артикул: 900903-0
нет в наличии
Шайба пружинная 6h 65г (ГОСТ 6402-70)
Количество на схеме: 1
Информация
Шайба пружинная 6h 65г (ГОСТ 6402-70)
Количество
1
Норма на год
;
Покрытие
без покрытия
28
28
Артикул: 220003-П29
нет в наличии
Винт
Количество на схеме: 4
Информация
Винт
Количество
4
Норма на год
;
Покрытие
цинкование и пассивирование (цинковое с хроматированием)
29
29
Артикул: К126Б-1107154-А
нет в наличии
Прокладка
Количество на схеме: 1
Информация
Прокладка
Количество
1
Норма на год
;
Модель
К126Б
Группа
Cистема питания двигателя
Подгруппа
Карбюратор
Порядковый номер детали
154
30
30
Артикул: К126Б-1107151
нет в наличии
Манжета
Количество на схеме: 1
Информация
Манжета
Количество
1
Норма на год
;
Модель
К126Б
Группа
Cистема питания двигателя
Подгруппа
Карбюратор
Порядковый номер детали
151
31
31
Артикул: К126Б-1107152
нет в наличии
Шайба манжеты
Количество на схеме: 1
Информация
Шайба манжеты
Количество
1
Норма на год
;
Модель
К126Б
Группа
Cистема питания двигателя
Подгруппа
Карбюратор
Порядковый номер детали
152
32
32
Артикул: К126Б-1107153
нет в наличии
Пружина
Количество на схеме: 1
Информация
Пружина
Количество
1
Норма на год
;
Модель
К126Б
Группа
Cистема питания двигателя
Подгруппа
Карбюратор
Порядковый номер детали
153
33
33
Артикул: К126Б-1107168-01
нет в наличии
Жиклер вакуумный
Количество на схеме: 1
Информация
Жиклер вакуумный
Количество
1
Норма на год
;
Модель
К126Б
Группа
Cистема питания двигателя
Подгруппа
Карбюратор
Порядковый номер детали
168
34
34
Артикул: К126Б-1107167-01
нет в наличии
Жиклер воздушный
Количество на схеме: 1
Информация
Жиклер воздушный
Количество
1
Норма на год
;
Модель
К126Б
Группа
Cистема питания двигателя
Подгруппа
Карбюратор
Порядковый номер детали
167
35
35
Артикул: К126Б-1107170
нет в наличии
Диафрагма в сборе
Количество на схеме: 1
Информация
Диафрагма в сборе
Количество
1
Норма на год
;
Модель
К126Б
Группа
Cистема питания двигателя
Подгруппа
Карбюратор
Порядковый номер детали
170
36
36
Артикул: К126Б-1107155
нет в наличии
Рычаг в сборе
Количество на схеме: 1
Информация
Рычаг в сборе
Количество
1
Норма на год
;
Модель
К126Б
Группа
Cистема питания двигателя
Подгруппа
Карбюратор
Порядковый номер детали
155
37
37
Артикул: 900901-0
нет в наличии
Шайба пружинная 4h 65г (ГОСТ 6402-70)
Количество на схеме: 1
Информация
Шайба пружинная 4h 65г (ГОСТ 6402-70)
Количество
1
Норма на год
;
Покрытие
без покрытия
38
38
Артикул: 901048-0
нет в наличии
Шайба
Количество на схеме: 1
Информация
Шайба
Количество
1
Норма на год
;
Покрытие
без покрытия
39
39
Артикул: 220056-П29
нет в наличии
Винт М4
Количество на схеме: 2
Информация
Винт М4
Количество
2
Норма на год
;
Покрытие
цинкование и пассивирование (цинковое с хроматированием)
40
40
Артикул: 901108
нет в наличии
Шплинт 1х8
Количество на схеме: 1
Информация
Шплинт 1х8
Количество
1
Норма на год
;
Покрытие
без покрытия
41
41
Артикул: К126Б-1107181-А
нет в наличии
Прокладка крышки
Количество на схеме: 1
Информация
Прокладка крышки
Количество
1
Норма на год
;
Модель
К126Б
Группа
Cистема питания двигателя
Подгруппа
Карбюратор
Порядковый номер детали
181
42
42
Артикул: К126Б-1107182
нет в наличии
Крышка
Количество на схеме: 1
Информация
Крышка
Количество
1
Норма на год
;
Модель
К126Б
Группа
Cистема питания двигателя
Подгруппа
Карбюратор
Порядковый номер детали
182
43
43
Артикул: 220050-П-29
нет в наличии
Винт М4-6gх8
Количество на схеме: 4
Информация
Винт М4-6gх8
Количество
4
Норма на год
;
Покрытие
цинкование и пассивирование (цинковое с хроматированием)
44
44
Артикул: 900812-0
нет в наличии
Гайка М6-6Н
Количество на схеме: 1
Информация
Гайка М6-6Н
Количество
1
Норма на год
;
Покрытие
без покрытия
45
45
Артикул: К126Б-1107158
нет в наличии
Пружина ограничителя
Количество на схеме: 1
Информация
Пружина ограничителя
Количество
1
Норма на год
;
Модель
К126Б
Группа
Cистема питания двигателя
Подгруппа
Карбюратор
Порядковый номер детали
158
46
46
Артикул: К126Б-1107162
нет в наличии
Ось
Количество на схеме: 1
Информация
Ось
Количество
1
Норма на год
;
Модель
К126Б
Группа
Cистема питания двигателя
Подгруппа
Карбюратор
Порядковый номер детали
162
47
47
Артикул: К126Б-1107175
нет в наличии
Крышка в сборе
Количество на схеме: 1
Информация
Крышка в сборе
Количество
1
Норма на год
;
Модель
К126Б
Группа
Cистема питания двигателя
Подгруппа
Карбюратор
Порядковый номер детали
175
48
48
Артикул: 220080-П29
нет в наличии
Винт М5-6gх16
Количество на схеме: 12
Информация
Винт М5-6gх16
Количество
12
Норма на год
;
Покрытие
цинкование и пассивирование (цинковое с хроматированием)
49
49
Артикул: 291747-П2
нет в наличии
Шпилька М18х1,5-6Нх12
Количество на схеме: 5
Информация
Шпилька М18х1,5-6Нх12
Количество
5
Норма на год
;
Покрытие
фосфатирование и промасливание
50
50
Артикул: 252135-П2
в наличии
Шайба 8 пружинная
Количество на схеме: 142
Информация
Шайба 8 пружинная
Количество
142
Норма на год
;
Покрытие
фосфатирование и промасливание
Шайба 8х2.5 ЯМЗ заглушки блока цилиндров АВТОДИЗЕЛЬ
Артикул: 252135-П2
Шайба 8х2.5 ЯМЗ заглушки блока цилиндров АВТОДИЗЕЛЬ
Код для заказа: 00006017
Цена: 3 ₽/шт.
Под заказ
Шайба 8х2.5 ЯМЗ заглушки блока цилиндров АВТОДИЗЕЛЬ
Артикул: 252135-П2
Код для заказа: 00006017
Шайба 8х2.5 ЯМЗ заглушки блока цилиндров АВТОДИЗЕЛЬ
Цена: 3 ₽/шт.
Под заказ
51
51
Артикул: 49-1107015
нет в наличии
Прокладка между карбюратором и впускной трубой
Количество на схеме: 1
Информация
Прокладка между карбюратором и впускной трубой
Количество
1
Норма на год
8;
Модель
49
Группа
Cистема питания двигателя
Подгруппа
Карбюратор
Порядковый номер детали
015
52
52
Артикул: 250503-П29
нет в наличии
Гайка М8х1-4Н5Н
Количество на схеме: 4
Информация
Гайка М8х1-4Н5Н
Количество
4
Норма на год
;
Покрытие
цинкование и пассивирование (цинковое с хроматированием)
53
53
Артикул: К135-1107010
нет в наличии
Карбюратор
Количество на схеме: 1
Информация
Карбюратор
Количество
1
Норма на год
4;
Модель
К135
Группа
Cистема питания двигателя
Подгруппа
Карбюратор
Порядковый номер детали
010
  • Грузовые автомобили
  • Автобусы
  • Сельхозтехника
  • Спецтехника
  • Двигатели
Получить оптовый прайс-лист
Скачать прайс-лист от 09.05.2026 16:00
Специальное предложение от 09.05.2026 17:00
Производители:


  • WEICHAI
  • Автодизель ПАО (ЯМЗ)
  • Тутаевский МЗ
  • ЯЗДА
  • УралАЗ
  • МАЗ
  • АЗПИ
  • BOSCH
  • ММЗ
  • ШААЗ
  • FEDERAL MOGUL
  • ПРАМО
  • Мотордеталь
  • ТАИМ
  • АвтоКрАЗ
  • БЕЛКАРД
  • CZ Strakonice
  • КамАЗ
  • БЗА
  • ЧМЗ
  • BMZ
Новости
Все новости
25 марта 2024
Флагманский седельный тягач «Валдай 45» на выставке «TransRussia»
10 марта 2024
Современные автобусы «CITYMAX 9» и ЛиАЗ-5292 CNG
25 февраля 2024
Серийное производство средних дизельных двигателей повышенной мощности от ЯМЗ
Статьи
Все статьи
Датчики двигателя: за что они отвечают, признаки неисправности и как не прогадать с выбором
Двигатели ЯМЗ-534: история, технические характеристики и области применения
Двигатели ЯМЗ 650: углублённый технический обзор и история
Компания
О компании
Реквизиты
Новости
Политика
Магазины
Информация
Условия оплаты
Условия доставки
Гарантия на товар
Обмен и возврат товара
Помощь
Как оформить заказ
Полезные статьи
Бренды
Пункты выдачи
Оставайтесь на связи
  • Вконтакте
  • YouTube
  • Одноклассники
  • Google Plus
Увидели ошибку?
Выделите, нажав Ctrl + Enter
Наши контакты
8-800-700-35-68
sales@din76.ru
г. Ярославль, Ленинградский пр-т 33, ТЦ "ОМЕГА"
2026 © ООО «Динамика 76» - Все права защищены ООО "Динамика 76"
Предложения на сайте не являются публичной офертой.
На сайте обнаружена ошибка

Текст с ошибкой