Избранное 0 Корзина 0 Личный кабинет
logo
Каталог
Каталог
  • Справочник
    • Грузовые автомобили
    • Автобусы
    • Сельхозтехника
    • Спецтехника
    • Двигатели
  • Доставка
  • Оплата
  • О компании
    • Реквизиты
    • Магазины
    • Оплата
    • Доставка
    • Лицензии и сертификаты
    • Новости
    • Вакансии
  • Контакты
Отправить заявку
Личный кабинет
8 (800) 700-35-68
sales@din76.ru
Избранное 0 Корзина 0
8 (800) 700-35-68
Оптовый прайс-лист
Каталог
  • Двигатели
  • Запчасти WEICHAI
  • Запчасти ЯМЗ, ТМЗ (V-образные)
  • Запчасти ЯМЗ-534, ЯМЗ-536
  • Запчасти ЯМЗ-650, ЯМЗ-651, DCi-11
  • Топливная аппаратура
  • Запчасти УРАЛ
  • Запчасти МАЗ
  • Запчасти КамАЗ
  • Запчасти ММЗ
  • Ремни
Автокаталог (справочник)
  • Доставка
  • Оплата
  • О компании
  • Контакты
8 (800) 700-35-68
Написать в Whatsapp
sales@din76.ru
Динамика 76
Меню  
  • Каталог
    • Двигатели  
      • Двигатели ТМЗ  
        • Двигатели ТМЗ для автомобилей
        • Двигатели ТМЗ для тракторов
        • Специальные двигатели ТМЗ
        • Промышленные двигатели ТМЗ
      • Двигатели ЯМЗ  
        • ЯМЗ 236
        • ЯМЗ 238
        • ЯМЗ 240
        • ЯМЗ 751
        • ЯМЗ 840
        • ЯМЗ 850
        • ЯМЗ 656
        • ЯМЗ 658
        • ЯМЗ 534
        • ЯМЗ 536
        • ЯМЗ 650
        • Двигатели ЯМЗ для электростанций
      • Двигатели КАМАЗ
      • Двигатели ММЗ
      • Двигатели индивидуальной сборки
      • Комплекты переоборудования
    • Запчасти WEICHAI  
      • Основные запчасти двигателя  
        • Клапаны и толкатели
        • Шатуны
        • Вал коленчатый и маховик
        • Вал распределительный
        • Цилиндро-поршневая группа
      • Система питания  
        • Форсунки
        • Турбокомпрессор
      • Система смазки  
        • Насос масляный
      • Головка блока
      • Ремкомплекты
      • Система охлаждения  
        • Насос водяной
        • Муфта вязкостная и крыльчатка
      • Фильтры
      • Электрооборудование  
        • Генератор
        • Стартер
    • Запчасти ЯМЗ, ТМЗ (V-образные)  
      • Основные запчасти двигателя  
        • Блок двигателя и комплектующие
        • Валы распределительные и клапаны
        • Головка блока и комплектующие
        • Цилиндро-поршневая группа
        • Маховики и комплектующие
        • Валы коленчатые и комплектующие
        • Шатуны и комплектующие
      • Система питания  
        • Коллекторы и патрубки
        • Топливные трубопроводы
        • Турбокомпрессор
        • Топливные фильтры
      • Электрооборудование двигателя
      • Система охлаждения  
        • Вязкостные муфты и крыльчатки
        • Приводы вентилятора
        • Водяные насосы
        • Водяные трубы и термостаты
      • Коробки переключения передач  
        • 8 Ступенчатые КПП
        • 5 Ступенчатые КПП
        • 9 Ступенчатые КПП
        • Запасные части КПП ЯМЗ, ТМЗ
      • Система смазки  
        • Теплообменник и комплектующие
        • Масляные насосы
        • Фильтры масляные (ФГОМ, ФЦОМ)
      • Сцепление  
        • Запасные части механизма сцепления
        • Муфты (подшипники выжимные)
        • Корзины (диски нажимные)
        • Диски ведомые
      • Прочие запчасти двигателя  
        • Ремкомплекты
        • Привод агрегатов
        • Натяжные устройства
        • Трубки
    • Запчасти ЯМЗ-534, ЯМЗ-536  
      • Основные запчасти двигателя  
        • Цилиндро-поршневая группа
        • Головка блока цилиндров и комплектующие
        • Блок цилиндров и комплектующие
        • Вал коленчатый и маховик
        • Вал распределительный
        • Клапаны и толкатели
        • ГУР (Гидроусилитель руля)
        • Система рециркуляции отработавших газов
        • Выпускной коллектор
      • Система питания  
        • Коллекторы и патрубки
        • Топливные фильтры
        • Турбокомпрессор
        • Топливные трубопроводы
      • Система смазки  
        • Масляный картер поддон
        • Масляный насос
        • Теплообменник /Водо-масляный радиатор
        • Фильтры масляные (ФГОМ, ФЦОМ)
      • Пневмокомпрессор и натяжное
      • Система охлаждения  
        • Водяной насос
        • Водяные трубы и патрубки
        • Муфты вязкостные, приводы, крыльчатки
      • Ремкомплекты
      • Сцепление
      • Электрооборудование
    • Запчасти ЯМЗ-650, ЯМЗ-651, DCi-11  
      • Основные запчасти двигателя  
        • Цилиндро-поршневая группа
        • Головка блока цилиндров и комплектующие
        • Блок цилиндров и комплектующие
        • Вал коленчатый и маховик
        • Выпускной коллектор
        • Вал распределительный
        • Клапаны и толкатели
        • ГУР (Гидроусилитель руля)
        • Система рециркуляции отработавших газов
      • Система питания  
        • Коллекторы и патрубки
        • Топливные трубопроводы
        • Топливные фильтры
        • Турбокомпрессор
      • Система смазки  
        • Масляный картер / поддон
        • Масляный насос
        • Теплообменник / Водо-масляный радиатор
        • Фильтры масляные (ФГОМ, ФЦОМ)
      • Система охлаждения  
        • Водяной насос
        • Водяные трубы и патрубки
        • Муфты вязкостные, приводы, крыльчатки
      • Ремкомплекты
      • Пневмокомпрессор и натяжное
      • Электрооборудование
      • Сцепление
    • Топливная аппаратура  
      • ЯЗДА  
        • Распылители
        • ТНВД
        • Форсунки
        • Топливный насос низкого давления
        • Пары плунжерные
        • Муфта опережения впрыска топлива
        • Запчасти и комплектующие ТНВД
      • НЗТА
      • АЗПИ  
        • Распылители
        • Форсунки
      • BOSCH
    • Запчасти УРАЛ  
      • Трансмиссия  
        • Коробка раздаточная
        • Передача карданная
        • Мост задний
        • Мост передний (ведущий)
        • Мост средний (промежуточный)
      • Кузов  
        • Дверь кабины
        • Капот, крылья, облицовка радиатора
        • Окно ветровое и заднее
        • Отопление и вентиляция кабины
        • Кабина
      • Механизмы управления  
        • Управление рулевое
        • Тормоза
      • Дополнительное оборудование  
        • Отбор мощности
        • Устройство седельное
      • Электрооборудование
      • Ходовая часть  
        • Колеса и ступицы
        • Ось передняя
        • Подвеска автомобиля
        • Рама
    • Запчасти МАЗ  
      • Трансмиссия  
        • Мост задний
        • Мост передний (ведущий)
        • Передача карданная
        • Мост средний (промежуточный)
      • Кузов  
        • Кабина
        • Дверь кабины
        • Детали основания кабины
        • Окно ветровое и заднее
        • Платформа
      • Механизмы управления  
        • Тормоза
        • Управление рулевое
      • Ходовая часть  
        • Колеса и ступицы
        • Ось передняя
        • Подвеска автомобиля
        • Рама
    • Запчасти КамАЗ  
      • Кузов  
        • Кабина
        • Капот, крылья, облицовка радиатора
        • Дверь кабины
        • Платформа
        • Окно ветровое и заднее
        • Устройство подъемное и опрокидывающее
        • Сиденье
        • Крыша кабины (крыша кузова)
        • Отопление и вентиляция кабины
      • Трансмиссия  
        • Коробка передач
        • Коробка раздаточная
        • Мост задний
        • Сцепление
        • Мост средний (промежуточный)
        • Передача карданная
        • Мост передний (ведущий)
      • Двигатель  
        • Основные запчасти двигателя
        • Система охлаждения
        • Система питания
        • Система смазки
      • Дополнительное оборудование  
        • Отбор мощности
        • Устройство седельное
      • Ходовая часть  
        • Подвеска автомобиля
        • Рама
        • Колеса и ступицы
        • Ось передняя
      • Механизмы управления  
        • Тормоза
        • Управление рулевое
      • Электрооборудование
    • Запчасти ММЗ
    • Ремни
  • Справочник
    • Грузовые автомобили
    • Автобусы
    • Сельхозтехника
    • Спецтехника
    • Двигатели
  • Как купить
    • Условия оплаты
    • Условия доставки
    • Гарантия на товар
    • Пункты выдачи
  • Услуги
    • Капитальный ремонт двигателей ЯМЗ
  • Акции
  • Статьи
  • Контакты
  • Компания
    • Реквизиты
    • Магазины
    • Оплата
    • Доставка
    • Лицензии и сертификаты
    • Новости
    • Вакансии
Избранное 0 Корзина 0
8-800-700-35-68

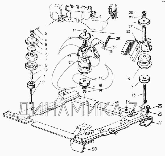
Подвеска двигателя на ПАЗ-3205-110 (до 2005 г.)

Справочник
Главная
-
Автокаталог
-
Автобусы
-
ПАЗ
-
ПАЗ-3205-110
Справочный каталог

Подвеска двигателя — ПАЗ-3205-110:

252007-П29 3205-1000250 3205-1000300 5234-1000400 5234-1000450 5312-1001012 64-6039-А2 672-1001036 2 3 4 5 6 7 8 9 10 11 12 13 13 15 16 17 17 18 19 19 20 21 22 22 23 24 25 26 27 28 29 30
в наличии
нет в наличии
масштаб

В наличии
Нет в наличии

Перечень комплектующих от Подвеска двигателя на ПАЗ-3205-110

Схемы запчастей предназначены для справочных целей! Мы продаем не все запчасти от Подвеска двигателя на ПАЗ-3205-110, представленные в этом списке.
Наличие на складах по деталям с ценой смотрите в карточке товара.
Артикул: 252007-П29
в наличии
Шайба 12
Количество на схеме: 2
Информация
Шайба 12
Количество
2
Покрытие
цинкование и пассивирование (цинковое с хроматированием)
Шайба плоская 12х24х2,5
Артикул: 252007-П29
Шайба плоская 12х24х2,5
Код для заказа: 00008045
Цена: 6 ₽/шт.
В наличии: 13 шт.
- +
В корзинуВ корзине
Шайба плоская 12х24х2,5
Артикул: 252007-П29
Код для заказа: 00008045
Шайба плоская 12х24х2,5
Цена: 6 ₽/шт.
В наличии: 13 шт.
- +
В корзинуВ корзине
Артикул: 3205-1000250
нет в наличии
Двигатель полностью укомплектованный с подрамником
Информация
Двигатель полностью укомплектованный с подрамником
Группа
Двигатель
Подгруппа
Двигатель в сборе
Порядковый номер детали
250
Артикул: 3205-1000300
нет в наличии
Двигатель с коробкой передач и оборудованием
Информация
Двигатель с коробкой передач и оборудованием
Группа
Двигатель
Подгруппа
Двигатель в сборе
Порядковый номер детали
300
Артикул: 5234-1000400
нет в наличии
Двигатель с оборудованием но без коробки передач
Информация
Двигатель с оборудованием но без коробки передач
Группа
Двигатель
Подгруппа
Двигатель в сборе
Порядковый номер детали
400
Артикул: 5234-1000450
нет в наличии
Двигатель без оборудования и без коробки передач
Информация
Двигатель без оборудования и без коробки передач
Группа
Двигатель
Подгруппа
Двигатель в сборе
Порядковый номер детали
450
Артикул: 5312-1001012
нет в наличии
Кронштейн с подушкой передней опоры двигателя левый
Количество на схеме: 1
Информация
Кронштейн с подушкой передней опоры двигателя левый
Количество
1
Модель
5312
Группа
Двигатель
Подгруппа
Подвеска двигателя (силового агрегата)
Порядковый номер детали
012
Артикул: 64-6039-А2
нет в наличии
Подушка подвески двигателя нижняя
Информация
Подушка подвески двигателя нижняя
Артикул: 672-1001036
нет в наличии
Подушка нижняя задней опоры двигателя
Информация
Подушка нижняя задней опоры двигателя
Группа
Двигатель
Подгруппа
Подвеска двигателя (силового агрегата)
Порядковый номер детали
036
2
2
Артикул: 672-11-1001012
нет в наличии
Кронштейн с подушкой передней опоры двигателя правый
Количество на схеме: 1
Информация
Кронштейн с подушкой передней опоры двигателя правый
Количество
1
Модель
672-11
Группа
Двигатель
Подгруппа
Подвеска двигателя (силового агрегата)
Порядковый номер детали
012
3
3
Артикул: 258040-П29
нет в наличии
Шплинт 3,2х25
Количество на схеме: 2
Информация
Шплинт 3,2х25
Количество
2
Покрытие
цинкование и пассивирование (цинковое с хроматированием)
4
4
Артикул: 250977-П29
нет в наличии
Гайка прорезная стержня диафрагмы
Количество на схеме: 2
Информация
Гайка прорезная стержня диафрагмы
Количество
2
Покрытие
цинкование и пассивирование (цинковое с хроматированием)
5
5
Артикул: 672-1001062
нет в наличии
Шайба 12 подушек верхних передней опоры
Количество на схеме: 2
Информация
Шайба 12 подушек верхних передней опоры
Количество
2
Модель
672
Группа
Двигатель
Подгруппа
Подвеска двигателя (силового агрегата)
Порядковый номер детали
062
6
6
Артикул: 53-1001024-01
нет в наличии
Колпак защитный верхней подушки задней опоры двигателя
Количество на схеме: 2
Информация
Колпак защитный верхней подушки задней опоры двигателя
Количество
2
Модель
53
Группа
Двигатель
Подгруппа
Подвеска двигателя (силового агрегата)
Порядковый номер детали
024
7
7
Артикул: 64-6025-В
нет в наличии
Подушка подвески двигателя верхняя
Количество на схеме: 2
Информация
Подушка подвески двигателя верхняя
Количество
2
8
8
Артикул: 672-1001034
нет в наличии
Гнездо нижнее верхней подушки задней опоры
Количество на схеме: 2
Информация
Гнездо нижнее верхней подушки задней опоры
Количество
2
Модель
672
Группа
Двигатель
Подгруппа
Подвеска двигателя (силового агрегата)
Порядковый номер детали
034
9
9
Артикул: 672-1001028
нет в наличии
Шайба упорная подушек задней опоры
Количество на схеме: 2
Информация
Шайба упорная подушек задней опоры
Количество
2
Модель
672
Группа
Двигатель
Подгруппа
Подвеска двигателя (силового агрегата)
Порядковый номер детали
028
10
10
Артикул: 672-1001035
нет в наличии
Втулка распорная подушек задней опоры
Количество на схеме: 2
Информация
Втулка распорная подушек задней опоры
Количество
2
Модель
672
Группа
Двигатель
Подгруппа
Подвеска двигателя (силового агрегата)
Порядковый номер детали
035
11
11
Артикул: 3205-1001090
нет в наличии
Подрамник крепления двигателя
Количество на схеме: 2
Информация
Подрамник крепления двигателя
Количество
2
Модель
3205
Группа
Двигатель
Подгруппа
Подвеска двигателя (силового агрегата)
Порядковый номер детали
090
12
12
Артикул: 205469-П29
нет в наличии
Болт М12х80
Количество на схеме: 2
Информация
Болт М12х80
Количество
2
Покрытие
цинкование и пассивирование (цинковое с хроматированием)
13
13
Артикул: 200407-П29
нет в наличии
Болт М12х1,25х110
Количество на схеме: 2
Информация
Болт М12х1,25х110
Количество
2
Покрытие
цинкование и пассивирование (цинковое с хроматированием)
15
15
Артикул: 672-11-1001014
нет в наличии
Кронштейн правый
Количество на схеме: 1
Информация
Кронштейн правый
Количество
1
Модель
672-11
Группа
Двигатель
Подгруппа
Подвеска двигателя (силового агрегата)
Порядковый номер детали
014
16
16
Артикул: 5312-1001020
нет в наличии
Подушка в сборе
Количество на схеме: 2
Информация
Подушка в сборе
Количество
2
Модель
5312
Группа
Двигатель
Подгруппа
Подвеска двигателя (силового агрегата)
Порядковый номер детали
020
17
17
Артикул: 672-1001044
нет в наличии
Подушка нижняя передней опоры двигателя
Количество на схеме: 2
Информация
Подушка нижняя передней опоры двигателя
Количество
2
Модель
672
Группа
Двигатель
Подгруппа
Подвеска двигателя (силового агрегата)
Порядковый номер детали
044
18
18
Артикул: 252137-П29
нет в наличии
Шайба 6
Количество на схеме: 2
Информация
Шайба 6
Количество
2
Покрытие
цинкование и пассивирование (цинковое с хроматированием)
19
19
Артикул: 250515-П29
в наличии
Гайка М12х1,25
Количество на схеме: 8
Информация
Гайка М12х1,25
Количество
8
Покрытие
цинкование и пассивирование (цинковое с хроматированием)
Гайка М12*1,25-10
Артикул: 250515-П29
Гайка М12*1,25-10
Код для заказа: 00008613
Цена: 20 ₽/шт.
Под заказ
Гайка М12*1,25-10
Артикул: 250515-П29
Код для заказа: 00008613
Гайка М12*1,25-10
Цена: 20 ₽/шт.
Под заказ
20
20
Артикул: 250515-П29
в наличии
Гайка М12х1,25
Количество на схеме: 2
Информация
Гайка М12х1,25
Количество
2
Покрытие
цинкование и пассивирование (цинковое с хроматированием)
Гайка М12*1,25-10
Артикул: 250515-П29
Гайка М12*1,25-10
Код для заказа: 00008613
Цена: 20 ₽/шт.
Под заказ
Гайка М12*1,25-10
Артикул: 250515-П29
Код для заказа: 00008613
Гайка М12*1,25-10
Цена: 20 ₽/шт.
Под заказ
21
21
Артикул: 252137-П2
в наличии
Шайба 12 пружинная
Количество на схеме: 8
Информация
Шайба 12 пружинная
Количество
8
Покрытие
фосфатирование и промасливание
ШАЙБА 12Х4 (ЯМЗ)
Артикул: 252137-П2
ШАЙБА 12Х4 (ЯМЗ)
Код для заказа: 00006019
Цена: 14 ₽/шт.
Под заказ
ШАЙБА 12Х4 (ЯМЗ)
Артикул: 252137-П2
Код для заказа: 00006019
ШАЙБА 12Х4 (ЯМЗ)
Цена: 14 ₽/шт.
Под заказ
22
22
Артикул: 4301-1001054
нет в наличии
Втулка распорная подушек передней опоры
Количество на схеме: 2
Информация
Втулка распорная подушек передней опоры
Количество
2
Модель
4301
Группа
Двигатель
Подгруппа
Подвеска двигателя (силового агрегата)
Порядковый номер детали
054
23
23
Артикул: 5312-1001014-01
нет в наличии
Кронштейн левый
Количество на схеме: 1
Информация
Кронштейн левый
Количество
1
Модель
5312
Группа
Двигатель
Подгруппа
Подвеска двигателя (силового агрегата)
Порядковый номер детали
014
24
24
Артикул: Подвеска-двигателя
нет в наличии
Подвеска двигателя
Количество на схеме: 1
Информация
Подвеска двигателя
Количество
1
25
25
Артикул: 201536-П29
нет в наличии
Болт М12х20
Количество на схеме: 4
Информация
Болт М12х20
Количество
4
Покрытие
цинкование и пассивирование (цинковое с хроматированием)
26
26
Артикул: 252007-П29
в наличии
Шайба 12
Количество на схеме: 4
Информация
Шайба 12
Количество
4
Покрытие
цинкование и пассивирование (цинковое с хроматированием)
Шайба плоская 12х24х2,5
Артикул: 252007-П29
Шайба плоская 12х24х2,5
Код для заказа: 00008045
Цена: 6 ₽/шт.
В наличии: 13 шт.
- +
В корзинуВ корзине
Шайба плоская 12х24х2,5
Артикул: 252007-П29
Код для заказа: 00008045
Шайба плоская 12х24х2,5
Цена: 6 ₽/шт.
В наличии: 13 шт.
- +
В корзинуВ корзине
27
27
Артикул: 3205-1001050
нет в наличии
Кронштейн подрамника правый
Количество на схеме: 1
Информация
Кронштейн подрамника правый
Количество
1
Модель
3205
Группа
Двигатель
Подгруппа
Подвеска двигателя (силового агрегата)
Порядковый номер детали
050
28
28
Артикул: 3205-1001051
нет в наличии
Кронштейн подрамника левый
Количество на схеме: 1
Информация
Кронштейн подрамника левый
Количество
1
Модель
3205
Группа
Двигатель
Подгруппа
Подвеска двигателя (силового агрегата)
Порядковый номер детали
051
29
29
Артикул: 291847-П2
нет в наличии
Шпилька М12х1,75
Количество на схеме: 8
Информация
Шпилька М12х1,75
Количество
8
Покрытие
фосфатирование и промасливание
30
30
Артикул: 252137-П2
в наличии
Шайба 12 пружинная
Количество на схеме: 8
Информация
Шайба 12 пружинная
Количество
8
Покрытие
фосфатирование и промасливание
ШАЙБА 12Х4 (ЯМЗ)
Артикул: 252137-П2
ШАЙБА 12Х4 (ЯМЗ)
Код для заказа: 00006019
Цена: 14 ₽/шт.
Под заказ
ШАЙБА 12Х4 (ЯМЗ)
Артикул: 252137-П2
Код для заказа: 00006019
ШАЙБА 12Х4 (ЯМЗ)
Цена: 14 ₽/шт.
Под заказ
  • Грузовые автомобили
  • Автобусы
  • Сельхозтехника
  • Спецтехника
  • Двигатели
Получить оптовый прайс-лист
Скачать прайс-лист от 07.05.2026 16:00
Специальное предложение от 07.05.2026 17:00
Производители:


  • WEICHAI
  • Автодизель ПАО (ЯМЗ)
  • Тутаевский МЗ
  • ЯЗДА
  • УралАЗ
  • МАЗ
  • АЗПИ
  • BOSCH
  • ММЗ
  • ШААЗ
  • FEDERAL MOGUL
  • ПРАМО
  • Мотордеталь
  • ТАИМ
  • АвтоКрАЗ
  • БЕЛКАРД
  • CZ Strakonice
  • КамАЗ
  • БЗА
  • ЧМЗ
  • BMZ
Новости
Все новости
25 марта 2024
Флагманский седельный тягач «Валдай 45» на выставке «TransRussia»
10 марта 2024
Современные автобусы «CITYMAX 9» и ЛиАЗ-5292 CNG
25 февраля 2024
Серийное производство средних дизельных двигателей повышенной мощности от ЯМЗ
Статьи
Все статьи
Датчики двигателя: за что они отвечают, признаки неисправности и как не прогадать с выбором
Двигатели ЯМЗ-534: история, технические характеристики и области применения
Двигатели ЯМЗ 650: углублённый технический обзор и история
Компания
О компании
Реквизиты
Новости
Политика
Магазины
Информация
Условия оплаты
Условия доставки
Гарантия на товар
Обмен и возврат товара
Помощь
Как оформить заказ
Полезные статьи
Бренды
Пункты выдачи
Оставайтесь на связи
  • Вконтакте
  • YouTube
  • Одноклассники
  • Google Plus
Увидели ошибку?
Выделите, нажав Ctrl + Enter
Наши контакты
8-800-700-35-68
sales@din76.ru
г. Ярославль, Ленинградский пр-т 33, ТЦ "ОМЕГА"
2026 © ООО «Динамика 76» - Все права защищены ООО "Динамика 76"
Предложения на сайте не являются публичной офертой.
На сайте обнаружена ошибка

Текст с ошибкой