Избранное 0 Корзина 0 Личный кабинет
logo
Каталог
Каталог
  • Справочник
    • Грузовые автомобили
    • Автобусы
    • Сельхозтехника
    • Спецтехника
    • Двигатели
  • Доставка
  • Оплата
  • О компании
    • Реквизиты
    • Магазины
    • Оплата
    • Доставка
    • Лицензии и сертификаты
    • Новости
    • Вакансии
  • Контакты
Отправить заявку
Личный кабинет
8 (800) 700-35-68
sales@din76.ru
Избранное 0 Корзина 0
8 (800) 700-35-68
Оптовый прайс-лист
Каталог
  • Двигатели
  • Запчасти WEICHAI
  • Запчасти ЯМЗ, ТМЗ (V-образные)
  • Запчасти ЯМЗ-534, ЯМЗ-536
  • Запчасти ЯМЗ-650, ЯМЗ-651, DCi-11
  • Топливная аппаратура
  • Запчасти УРАЛ
  • Запчасти МАЗ
  • Запчасти КамАЗ
  • Запчасти ММЗ
  • Ремни
Автокаталог (справочник)
  • Доставка
  • Оплата
  • О компании
  • Контакты
8 (800) 700-35-68
Написать в Whatsapp
sales@din76.ru
Динамика 76
Меню  
  • Каталог
    • Двигатели  
      • Двигатели ТМЗ  
        • Двигатели ТМЗ для автомобилей
        • Двигатели ТМЗ для тракторов
        • Специальные двигатели ТМЗ
        • Промышленные двигатели ТМЗ
      • Двигатели ЯМЗ  
        • ЯМЗ 236
        • ЯМЗ 238
        • ЯМЗ 240
        • ЯМЗ 751
        • ЯМЗ 840
        • ЯМЗ 850
        • ЯМЗ 656
        • ЯМЗ 658
        • ЯМЗ 534
        • ЯМЗ 536
        • ЯМЗ 650
        • Двигатели ЯМЗ для электростанций
      • Двигатели КАМАЗ
      • Двигатели ММЗ
      • Двигатели индивидуальной сборки
      • Комплекты переоборудования
    • Запчасти WEICHAI  
      • Основные запчасти двигателя  
        • Клапаны и толкатели
        • Шатуны
        • Вал коленчатый и маховик
        • Вал распределительный
        • Цилиндро-поршневая группа
      • Система питания  
        • Форсунки
        • Турбокомпрессор
      • Система смазки  
        • Насос масляный
      • Головка блока
      • Ремкомплекты
      • Система охлаждения  
        • Насос водяной
        • Муфта вязкостная и крыльчатка
      • Фильтры
      • Электрооборудование  
        • Генератор
        • Стартер
    • Запчасти ЯМЗ, ТМЗ (V-образные)  
      • Основные запчасти двигателя  
        • Блок двигателя и комплектующие
        • Валы распределительные и клапаны
        • Головка блока и комплектующие
        • Цилиндро-поршневая группа
        • Маховики и комплектующие
        • Валы коленчатые и комплектующие
        • Шатуны и комплектующие
      • Система питания  
        • Коллекторы и патрубки
        • Топливные трубопроводы
        • Турбокомпрессор
        • Топливные фильтры
      • Электрооборудование двигателя
      • Система охлаждения  
        • Вязкостные муфты и крыльчатки
        • Приводы вентилятора
        • Водяные насосы
        • Водяные трубы и термостаты
      • Коробки переключения передач  
        • 8 Ступенчатые КПП
        • 5 Ступенчатые КПП
        • 9 Ступенчатые КПП
        • Запасные части КПП ЯМЗ, ТМЗ
      • Система смазки  
        • Теплообменник и комплектующие
        • Масляные насосы
        • Фильтры масляные (ФГОМ, ФЦОМ)
      • Сцепление  
        • Запасные части механизма сцепления
        • Муфты (подшипники выжимные)
        • Корзины (диски нажимные)
        • Диски ведомые
      • Прочие запчасти двигателя  
        • Ремкомплекты
        • Привод агрегатов
        • Натяжные устройства
        • Трубки
    • Запчасти ЯМЗ-534, ЯМЗ-536  
      • Основные запчасти двигателя  
        • Цилиндро-поршневая группа
        • Головка блока цилиндров и комплектующие
        • Блок цилиндров и комплектующие
        • Вал коленчатый и маховик
        • Вал распределительный
        • Клапаны и толкатели
        • ГУР (Гидроусилитель руля)
        • Система рециркуляции отработавших газов
        • Выпускной коллектор
      • Система питания  
        • Коллекторы и патрубки
        • Топливные фильтры
        • Турбокомпрессор
        • Топливные трубопроводы
      • Система смазки  
        • Масляный картер поддон
        • Масляный насос
        • Теплообменник /Водо-масляный радиатор
        • Фильтры масляные (ФГОМ, ФЦОМ)
      • Пневмокомпрессор и натяжное
      • Система охлаждения  
        • Водяной насос
        • Водяные трубы и патрубки
        • Муфты вязкостные, приводы, крыльчатки
      • Ремкомплекты
      • Сцепление
      • Электрооборудование
    • Запчасти ЯМЗ-650, ЯМЗ-651, DCi-11  
      • Основные запчасти двигателя  
        • Цилиндро-поршневая группа
        • Головка блока цилиндров и комплектующие
        • Блок цилиндров и комплектующие
        • Вал коленчатый и маховик
        • Выпускной коллектор
        • Вал распределительный
        • Клапаны и толкатели
        • ГУР (Гидроусилитель руля)
        • Система рециркуляции отработавших газов
      • Система питания  
        • Коллекторы и патрубки
        • Топливные трубопроводы
        • Топливные фильтры
        • Турбокомпрессор
      • Система смазки  
        • Масляный картер / поддон
        • Масляный насос
        • Теплообменник / Водо-масляный радиатор
        • Фильтры масляные (ФГОМ, ФЦОМ)
      • Система охлаждения  
        • Водяной насос
        • Водяные трубы и патрубки
        • Муфты вязкостные, приводы, крыльчатки
      • Ремкомплекты
      • Пневмокомпрессор и натяжное
      • Электрооборудование
      • Сцепление
    • Топливная аппаратура  
      • ЯЗДА  
        • Распылители
        • ТНВД
        • Форсунки
        • Топливный насос низкого давления
        • Пары плунжерные
        • Муфта опережения впрыска топлива
        • Запчасти и комплектующие ТНВД
      • НЗТА
      • АЗПИ  
        • Распылители
        • Форсунки
      • BOSCH
    • Запчасти УРАЛ  
      • Трансмиссия  
        • Коробка раздаточная
        • Передача карданная
        • Мост задний
        • Мост передний (ведущий)
        • Мост средний (промежуточный)
      • Кузов  
        • Дверь кабины
        • Капот, крылья, облицовка радиатора
        • Окно ветровое и заднее
        • Отопление и вентиляция кабины
        • Кабина
      • Механизмы управления  
        • Управление рулевое
        • Тормоза
      • Дополнительное оборудование  
        • Отбор мощности
        • Устройство седельное
      • Электрооборудование
      • Ходовая часть  
        • Колеса и ступицы
        • Ось передняя
        • Подвеска автомобиля
        • Рама
    • Запчасти МАЗ  
      • Трансмиссия  
        • Мост задний
        • Мост передний (ведущий)
        • Передача карданная
        • Мост средний (промежуточный)
      • Кузов  
        • Кабина
        • Дверь кабины
        • Детали основания кабины
        • Окно ветровое и заднее
        • Платформа
      • Механизмы управления  
        • Тормоза
        • Управление рулевое
      • Ходовая часть  
        • Колеса и ступицы
        • Ось передняя
        • Подвеска автомобиля
        • Рама
    • Запчасти КамАЗ  
      • Кузов  
        • Кабина
        • Капот, крылья, облицовка радиатора
        • Дверь кабины
        • Платформа
        • Окно ветровое и заднее
        • Устройство подъемное и опрокидывающее
        • Сиденье
        • Крыша кабины (крыша кузова)
        • Отопление и вентиляция кабины
      • Трансмиссия  
        • Коробка передач
        • Коробка раздаточная
        • Мост задний
        • Сцепление
        • Мост средний (промежуточный)
        • Передача карданная
        • Мост передний (ведущий)
      • Двигатель  
        • Основные запчасти двигателя
        • Система охлаждения
        • Система питания
        • Система смазки
      • Дополнительное оборудование  
        • Отбор мощности
        • Устройство седельное
      • Ходовая часть  
        • Подвеска автомобиля
        • Рама
        • Колеса и ступицы
        • Ось передняя
      • Механизмы управления  
        • Тормоза
        • Управление рулевое
      • Электрооборудование
    • Запчасти ММЗ
    • Ремни
  • Справочник
    • Грузовые автомобили
    • Автобусы
    • Сельхозтехника
    • Спецтехника
    • Двигатели
  • Как купить
    • Условия оплаты
    • Условия доставки
    • Гарантия на товар
    • Пункты выдачи
  • Услуги
    • Капитальный ремонт двигателей ЯМЗ
  • Акции
  • Статьи
  • Контакты
  • Компания
    • Реквизиты
    • Магазины
    • Оплата
    • Доставка
    • Лицензии и сертификаты
    • Новости
    • Вакансии
Избранное 0 Корзина 0
8-800-700-35-68

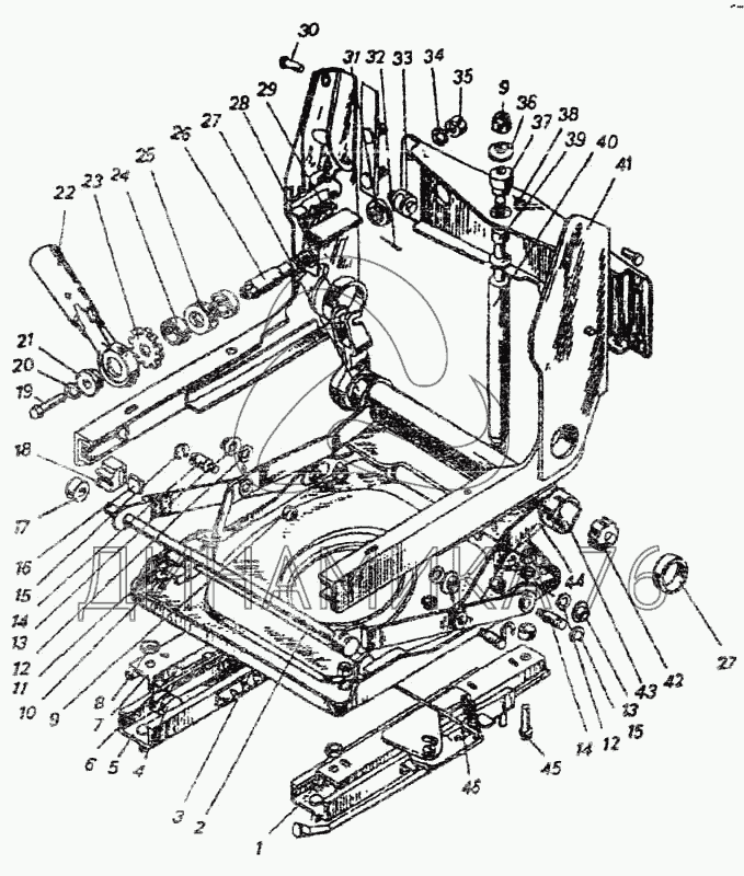
Механизм подрессоривания сиденья водителя на ПАЗ-3205-110 (до 2005 г.)

Справочник
Главная
-
Автокаталог
-
Автобусы
-
ПАЗ
-
ПАЗ-3205-110
Справочный каталог

Механизм подрессоривания сиденья водителя — ПАЗ-3205-110:

201456-П29 220106-П29 250508-П29 250510-П29 250613-П29 251646-П29 252135-П29 252136-П29 3205-6804110 3205-6804312 3205-6804313 3205-6804324 3205-6804325 3205-6804510 3205-6804531 3205-6804533 3205-6804585 51-3507048 64-615 1 2 3 9 9 10 12 12 13 13 14 16 17 18 21 22 23 24 25 26 27 27 28 30 31 32 33 36 37 38 39 40 41 42 43 44 44 46
в наличии
нет в наличии
масштаб

В наличии
Нет в наличии

Перечень комплектующих от Механизм подрессоривания сиденья водителя на ПАЗ-3205-110

Схемы запчастей предназначены для справочных целей! Мы продаем не все запчасти от Механизм подрессоривания сиденья водителя на ПАЗ-3205-110, представленные в этом списке.
Наличие на складах по деталям с ценой смотрите в карточке товара.
Артикул: 201456-П29
в наличии
Болт М8х20
Количество на схеме: 1
Информация
Болт М8х20
Количество
1
Покрытие
цинкование и пассивирование (цинковое с хроматированием)
Болт М8х1.25х20(ЯМЗ)
Артикул: 201456-П29
Болт М8х1.25х20(ЯМЗ)
Код для заказа: 00005974
Цена: 8 ₽/шт.
Под заказ
Болт М8х1.25х20(ЯМЗ)
Артикул: 201456-П29
Код для заказа: 00005974
Болт М8х1.25х20(ЯМЗ)
Цена: 8 ₽/шт.
Под заказ
Артикул: 220106-П29
нет в наличии
Винт М6х18
Количество на схеме: 2
Информация
Винт М6х18
Количество
2
Покрытие
цинкование и пассивирование (цинковое с хроматированием)
Артикул: 250508-П29
в наличии
Гайка М6
Количество на схеме: 2
Информация
Гайка М6
Количество
2
Покрытие
цинкование и пассивирование (цинковое с хроматированием)
ГАЙКА М6-6Н.6.16 (ЯМЗ)
Артикул: 250508-П29
ГАЙКА М6-6Н.6.16 (ЯМЗ)
Код для заказа: 00006006
Цена: 13 ₽/шт.
Под заказ
ГАЙКА М6-6Н.6.16 (ЯМЗ)
Артикул: 250508-П29
Код для заказа: 00006006
ГАЙКА М6-6Н.6.16 (ЯМЗ)
Цена: 13 ₽/шт.
Под заказ
Артикул: 250510-П29
нет в наличии
Гайка М8
Количество на схеме: 2
Информация
Гайка М8
Количество
2
Покрытие
цинкование и пассивирование (цинковое с хроматированием)
Артикул: 250613-П29
нет в наличии
Гайка М10
Количество на схеме: 4
Информация
Гайка М10
Количество
4
Покрытие
цинкование и пассивирование (цинковое с хроматированием)
Артикул: 251646-П29
нет в наличии
Гайка М10
Количество на схеме: 2
Информация
Гайка М10
Количество
2
Покрытие
цинкование и пассивирование (цинковое с хроматированием)
Артикул: 252135-П29
нет в наличии
Шайба 8
Количество на схеме: 2
Информация
Шайба 8
Количество
2
Покрытие
цинкование и пассивирование (цинковое с хроматированием)
Артикул: 252136-П29
нет в наличии
Шайба 10 пружинная
Количество на схеме: 4
Информация
Шайба 10 пружинная
Количество
4
Покрытие
цинкование и пассивирование (цинковое с хроматированием)
Артикул: 3205-6804110
нет в наличии
Механизм перемещения сиденья водителя правый в сборе
Количество на схеме: 1
Информация
Механизм перемещения сиденья водителя правый в сборе
Количество
1
Модель
3205
Группа
Сиденье водителя
Подгруппа
Механизм регулирования сиденья водителя (и переднего сиденья)
Порядковый номер детали
110
Артикул: 3205-6804312
нет в наличии
Кронштейн крепления спинки сиденья водителя правый
Количество на схеме: 1
Информация
Кронштейн крепления спинки сиденья водителя правый
Количество
1
Модель
3205
Группа
Сиденье водителя
Подгруппа
Механизм регулирования сиденья водителя (и переднего сиденья)
Порядковый номер детали
312
Артикул: 3205-6804313
нет в наличии
Кронштейн крепления спинки сиденья водителя левый
Количество на схеме: 1
Информация
Кронштейн крепления спинки сиденья водителя левый
Количество
1
Модель
3205
Группа
Сиденье водителя
Подгруппа
Механизм регулирования сиденья водителя (и переднего сиденья)
Порядковый номер детали
313
Артикул: 3205-6804324
нет в наличии
Гребенка регулировки наклона спинки сиденья водителя правая
Количество на схеме: 1
Информация
Гребенка регулировки наклона спинки сиденья водителя правая
Количество
1
Модель
3205
Группа
Сиденье водителя
Подгруппа
Механизм регулирования сиденья водителя (и переднего сиденья)
Порядковый номер детали
324
Артикул: 3205-6804325
нет в наличии
Гребенка регулировки наклона спинки сиденья водителя левая
Количество на схеме: 1
Информация
Гребенка регулировки наклона спинки сиденья водителя левая
Количество
1
Модель
3205
Группа
Сиденье водителя
Подгруппа
Механизм регулирования сиденья водителя (и переднего сиденья)
Порядковый номер детали
325
Артикул: 3205-6804510
нет в наличии
Боковина подвески сиденья правая
Количество на схеме: 1
Информация
Боковина подвески сиденья правая
Количество
1
Модель
3205
Группа
Сиденье водителя
Подгруппа
Механизм регулирования сиденья водителя (и переднего сиденья)
Порядковый номер детали
510
Артикул: 3205-6804531
нет в наличии
Буфер ролика шарнира подвески нижний
Количество на схеме: 2
Информация
Буфер ролика шарнира подвески нижний
Количество
2
Модель
3205
Группа
Сиденье водителя
Подгруппа
Механизм регулирования сиденья водителя (и переднего сиденья)
Порядковый номер детали
531
Артикул: 3205-6804533
нет в наличии
Сухарь нижнего буфера ролика шарнира
Количество на схеме: 2
Информация
Сухарь нижнего буфера ролика шарнира
Количество
2
Модель
3205
Группа
Сиденье водителя
Подгруппа
Механизм регулирования сиденья водителя (и переднего сиденья)
Порядковый номер детали
533
Артикул: 3205-6804585
нет в наличии
Буфер заднего шарнира подвески сиденья водителя
Количество на схеме: 2
Информация
Буфер заднего шарнира подвески сиденья водителя
Количество
2
Модель
3205
Группа
Сиденье водителя
Подгруппа
Механизм регулирования сиденья водителя (и переднего сиденья)
Порядковый номер детали
585
Артикул: 51-3507048
нет в наличии
Пружина спинки
Количество на схеме: 2
Информация
Пружина спинки
Количество
2
Модель
51
Группа
Тормоза
Подгруппа
Тормоз стояночный
Порядковый номер детали
048
Артикул: 64-615
нет в наличии
Шайба
Количество на схеме: 8
Информация
Шайба
Количество
8
1
1
Артикул: 3205-6804111
нет в наличии
Механизм перемещения сиденья водителя левый в сборе
Количество на схеме: 1
Информация
Механизм перемещения сиденья водителя левый в сборе
Количество
1
Модель
3205
Группа
Сиденье водителя
Подгруппа
Механизм регулирования сиденья водителя (и переднего сиденья)
Порядковый номер детали
111
2
2
Артикул: 3205-6804560
нет в наличии
Шарнир подвески сиденья водителя передний
Количество на схеме: 1
Информация
Шарнир подвески сиденья водителя передний
Количество
1
Модель
3205
Группа
Сиденье водителя
Подгруппа
Механизм регулирования сиденья водителя (и переднего сиденья)
Порядковый номер детали
560
3
3
Артикул: 3205-6804540
нет в наличии
Основание подвески сиденья водителя
Количество на схеме: 1
Информация
Основание подвески сиденья водителя
Количество
1
Модель
3205
Группа
Сиденье водителя
Подгруппа
Механизм регулирования сиденья водителя (и переднего сиденья)
Порядковый номер детали
540
9
9
Артикул: 3205-6804685
нет в наличии
Гайка М10
Количество на схеме: 2
Информация
Гайка М10
Количество
2
Модель
3205
Группа
Сиденье водителя
Подгруппа
Механизм регулирования сиденья водителя (и переднего сиденья)
Порядковый номер детали
685
10
10
Артикул: 252135-П29
нет в наличии
Шайба 8
Количество на схеме: 1
Информация
Шайба 8
Количество
1
Покрытие
цинкование и пассивирование (цинковое с хроматированием)
12
12
Артикул: 3205-6804568
нет в наличии
Прокладка подвески сиденья водителя
Количество на схеме: 2
Информация
Прокладка подвески сиденья водителя
Количество
2
Модель
3205
Группа
Сиденье водителя
Подгруппа
Механизм регулирования сиденья водителя (и переднего сиденья)
Порядковый номер детали
568
13
13
Артикул: 3205-6804617
нет в наличии
Втулка оси шарниров подвески сиденья водителя
Количество на схеме: 4
Информация
Втулка оси шарниров подвески сиденья водителя
Количество
4
Модель
3205
Группа
Сиденье водителя
Подгруппа
Механизм регулирования сиденья водителя (и переднего сиденья)
Порядковый номер детали
617
14
14
Артикул: 3205-6804614
нет в наличии
Ось соединения шарниров подвески сиденья водителя
Количество на схеме: 4
Информация
Ось соединения шарниров подвески сиденья водителя
Количество
4
Модель
3205
Группа
Сиденье водителя
Подгруппа
Механизм регулирования сиденья водителя (и переднего сиденья)
Порядковый номер детали
614
16
16
Артикул: 3205-6804532
нет в наличии
Сухарь верхнего буфера ролика шарнира
Количество на схеме: 2
Информация
Сухарь верхнего буфера ролика шарнира
Количество
2
Модель
3205
Группа
Сиденье водителя
Подгруппа
Механизм регулирования сиденья водителя (и переднего сиденья)
Порядковый номер детали
532
17
17
Артикул: 3205-6804569
нет в наличии
Ролик шарнира подвески сиденья водителя
Количество на схеме: 4
Информация
Ролик шарнира подвески сиденья водителя
Количество
4
Модель
3205
Группа
Сиденье водителя
Подгруппа
Механизм регулирования сиденья водителя (и переднего сиденья)
Порядковый номер детали
569
18
18
Артикул: 3205-6804530
нет в наличии
Буфер ролика шарнира подвески верхний
Количество на схеме: 2
Информация
Буфер ролика шарнира подвески верхний
Количество
2
Модель
3205
Группа
Сиденье водителя
Подгруппа
Механизм регулирования сиденья водителя (и переднего сиденья)
Порядковый номер детали
530
21
21
Артикул: 3205-6804751
нет в наличии
Подкладка ручки регулировки торсиона сиденья водителя
Количество на схеме: 1
Информация
Подкладка ручки регулировки торсиона сиденья водителя
Количество
1
Модель
3205
Группа
Сиденье водителя
Подгруппа
Механизм регулирования сиденья водителя (и переднего сиденья)
Порядковый номер детали
751
22
22
Артикул: 3205-6804756
нет в наличии
Ручка регулировки торсиона сиденья водителя
Количество на схеме: 1
Информация
Ручка регулировки торсиона сиденья водителя
Количество
1
Модель
3205
Группа
Сиденье водителя
Подгруппа
Механизм регулирования сиденья водителя (и переднего сиденья)
Порядковый номер детали
756
23
23
Артикул: 3205-6804749
нет в наличии
Звездочка винта регулировки торсиона
Количество на схеме: 1
Информация
Звездочка винта регулировки торсиона
Количество
1
Модель
3205
Группа
Сиденье водителя
Подгруппа
Механизм регулирования сиденья водителя (и переднего сиденья)
Порядковый номер детали
749
24
24
Артикул: 3205-6804681
нет в наличии
Прокладка ручки регулировки торсиона сиденья водителя
Количество на схеме: 1
Информация
Прокладка ручки регулировки торсиона сиденья водителя
Количество
1
Модель
3205
Группа
Сиденье водителя
Подгруппа
Механизм регулирования сиденья водителя (и переднего сиденья)
Порядковый номер детали
681
25
25
Артикул: 108903
нет в наличии
Подшипник подрессоривания сиденья водителя
Количество на схеме: 1
Информация
Подшипник подрессоривания сиденья водителя
Количество
1
Покрытие
без покрытия
26
26
Артикул: 3205-6804665
нет в наличии
Винт регулировки торсиона подвески сиденья водителя
Количество на схеме: 1
Информация
Винт регулировки торсиона подвески сиденья водителя
Количество
1
Модель
3205
Группа
Сиденье водителя
Подгруппа
Механизм регулирования сиденья водителя (и переднего сиденья)
Порядковый номер детали
665
27
27
Артикул: 3205-6804592
нет в наличии
Окантовка трубы торсиона подвески сиденья водителя
Количество на схеме: 2
Информация
Окантовка трубы торсиона подвески сиденья водителя
Количество
2
Модель
3205
Группа
Сиденье водителя
Подгруппа
Механизм регулирования сиденья водителя (и переднего сиденья)
Порядковый номер детали
592
28
28
Артикул: 3205-6804625
нет в наличии
Вилка торсиона подвески сиденья водителя
Количество на схеме: 1
Информация
Вилка торсиона подвески сиденья водителя
Количество
1
Модель
3205
Группа
Сиденье водителя
Подгруппа
Механизм регулирования сиденья водителя (и переднего сиденья)
Порядковый номер детали
625
30
30
Артикул: 3205-6804562
нет в наличии
Болт регулировки наклона спинки
Количество на схеме: 2
Информация
Болт регулировки наклона спинки
Количество
2
Модель
3205
Группа
Сиденье водителя
Подгруппа
Механизм регулирования сиденья водителя (и переднего сиденья)
Порядковый номер детали
562
31
31
Артикул: 3205-6804741
нет в наличии
Ограничитель винта регулировки торсиона сиденья водителя
Количество на схеме: 1
Информация
Ограничитель винта регулировки торсиона сиденья водителя
Количество
1
Модель
3205
Группа
Сиденье водителя
Подгруппа
Механизм регулирования сиденья водителя (и переднего сиденья)
Порядковый номер детали
741
32
32
Артикул: 258053-П29
нет в наличии
Шплинт 4х25
Количество на схеме: 1
Информация
Шплинт 4х25
Количество
1
Покрытие
цинкование и пассивирование (цинковое с хроматированием)
33
33
Артикул: 3205-6804683
нет в наличии
Втулка скользящая винта регулировки торсиона сиденья водителя
Количество на схеме: 1
Информация
Втулка скользящая винта регулировки торсиона сиденья водителя
Количество
1
Модель
3205
Группа
Сиденье водителя
Подгруппа
Механизм регулирования сиденья водителя (и переднего сиденья)
Порядковый номер детали
683
36
36
Артикул: 3205-6804675
нет в наличии
Шайба специальная амортизатора подвески сиденья водителя
Количество на схеме: 2
Информация
Шайба специальная амортизатора подвески сиденья водителя
Количество
2
Модель
3205
Группа
Сиденье водителя
Подгруппа
Механизм регулирования сиденья водителя (и переднего сиденья)
Порядковый номер детали
675
37
37
Артикул: 3205-6804653
нет в наличии
Буфер наружный амортизатора
Количество на схеме: 2
Информация
Буфер наружный амортизатора
Количество
2
Модель
3205
Группа
Сиденье водителя
Подгруппа
Механизм регулирования сиденья водителя (и переднего сиденья)
Порядковый номер детали
653
38
38
Артикул: 3205-6804643
нет в наличии
Поперечина крепления амортизатора подвески сиденья водителя
Количество на схеме: 1
Информация
Поперечина крепления амортизатора подвески сиденья водителя
Количество
1
Модель
3205
Группа
Сиденье водителя
Подгруппа
Механизм регулирования сиденья водителя (и переднего сиденья)
Порядковый номер детали
643
39
39
Артикул: 3205-6804656
нет в наличии
Буфер внутренний амортизатора
Количество на схеме: 2
Информация
Буфер внутренний амортизатора
Количество
2
Модель
3205
Группа
Сиденье водителя
Подгруппа
Механизм регулирования сиденья водителя (и переднего сиденья)
Порядковый номер детали
656
40
40
Артикул: 11-6809010
в наличии
Амортизатор
Количество на схеме: 1
Информация
Амортизатор
Количество
1
Модель
11
Группа
Сиденье водителя
Подгруппа
Амортизатор сиденья
Порядковый номер детали
010
Амортизатор МАЗ,КАМАЗ,ПАЗ сиденья ГЗАА
Артикул: 11-6809010
Амортизатор МАЗ,КАМАЗ,ПАЗ сиденья ГЗАА
Код для заказа: 00021061
Цена: 2 225 ₽/шт.
Под заказ
Амортизатор МАЗ,КАМАЗ,ПАЗ сиденья ГЗАА
Артикул: 11-6809010
Код для заказа: 00021061
Амортизатор МАЗ,КАМАЗ,ПАЗ сиденья ГЗАА
Цена: 2 225 ₽/шт.
Под заказ
41
41
Артикул: 3205-6804511
нет в наличии
Боковина подвески сиденья левая
Количество на схеме: 1
Информация
Боковина подвески сиденья левая
Количество
1
Модель
3205
Группа
Сиденье водителя
Подгруппа
Механизм регулирования сиденья водителя (и переднего сиденья)
Порядковый номер детали
511
42
42
Артикул: 3205-6804627
нет в наличии
Держатель торсиона подвески сиденья водителя
Количество на схеме: 1
Информация
Держатель торсиона подвески сиденья водителя
Количество
1
Модель
3205
Группа
Сиденье водителя
Подгруппа
Механизм регулирования сиденья водителя (и переднего сиденья)
Порядковый номер детали
627
43
43
Артикул: 3205-6804623
нет в наличии
Торсион подвески сиденья водителя
Количество на схеме: 2
Информация
Торсион подвески сиденья водителя
Количество
2
Модель
3205
Группа
Сиденье водителя
Подгруппа
Механизм регулирования сиденья водителя (и переднего сиденья)
Порядковый номер детали
623
44
44
Артикул: 3205-8804570
нет в наличии
Шарнир подвески сиденья водителя задний
Количество на схеме: 1
Информация
Шарнир подвески сиденья водителя задний
Количество
1
Модель
3205
Подгруппа
8804
Порядковый номер детали
570
46
46
Артикул: 3205-6804163
нет в наличии
Стяжка механизма перемещения сиденья
Количество на схеме: 1
Информация
Стяжка механизма перемещения сиденья
Количество
1
Модель
3205
Группа
Сиденье водителя
Подгруппа
Механизм регулирования сиденья водителя (и переднего сиденья)
Порядковый номер детали
163
  • Грузовые автомобили
  • Автобусы
  • Сельхозтехника
  • Спецтехника
  • Двигатели
Получить оптовый прайс-лист
Скачать прайс-лист от 07.05.2026 16:00
Специальное предложение от 07.05.2026 17:00
Производители:


  • WEICHAI
  • Автодизель ПАО (ЯМЗ)
  • Тутаевский МЗ
  • ЯЗДА
  • УралАЗ
  • МАЗ
  • АЗПИ
  • BOSCH
  • ММЗ
  • ШААЗ
  • FEDERAL MOGUL
  • ПРАМО
  • Мотордеталь
  • ТАИМ
  • АвтоКрАЗ
  • БЕЛКАРД
  • CZ Strakonice
  • КамАЗ
  • БЗА
  • ЧМЗ
  • BMZ
Новости
Все новости
25 марта 2024
Флагманский седельный тягач «Валдай 45» на выставке «TransRussia»
10 марта 2024
Современные автобусы «CITYMAX 9» и ЛиАЗ-5292 CNG
25 февраля 2024
Серийное производство средних дизельных двигателей повышенной мощности от ЯМЗ
Статьи
Все статьи
Датчики двигателя: за что они отвечают, признаки неисправности и как не прогадать с выбором
Двигатели ЯМЗ-534: история, технические характеристики и области применения
Двигатели ЯМЗ 650: углублённый технический обзор и история
Компания
О компании
Реквизиты
Новости
Политика
Магазины
Информация
Условия оплаты
Условия доставки
Гарантия на товар
Обмен и возврат товара
Помощь
Как оформить заказ
Полезные статьи
Бренды
Пункты выдачи
Оставайтесь на связи
  • Вконтакте
  • YouTube
  • Одноклассники
  • Google Plus
Увидели ошибку?
Выделите, нажав Ctrl + Enter
Наши контакты
8-800-700-35-68
sales@din76.ru
г. Ярославль, Ленинградский пр-т 33, ТЦ "ОМЕГА"
2026 © ООО «Динамика 76» - Все права защищены ООО "Динамика 76"
Предложения на сайте не являются публичной офертой.
На сайте обнаружена ошибка

Текст с ошибкой