Избранное 0 Корзина 0 Личный кабинет
logo
Каталог
Каталог
  • Справочник
    • Грузовые автомобили
    • Автобусы
    • Сельхозтехника
    • Спецтехника
    • Двигатели
  • Доставка
  • Оплата
  • О компании
    • Реквизиты
    • Магазины
    • Оплата
    • Доставка
    • Лицензии и сертификаты
    • Новости
    • Вакансии
  • Контакты
Отправить заявку
Личный кабинет
8 (800) 700-35-68
sales@din76.ru
Избранное 0 Корзина 0
8 (800) 700-35-68
Оптовый прайс-лист
Каталог
  • Двигатели
  • Запчасти WEICHAI
  • Запчасти ЯМЗ, ТМЗ (V-образные)
  • Запчасти ЯМЗ-534, ЯМЗ-536
  • Запчасти ЯМЗ-650, ЯМЗ-651, DCi-11
  • Топливная аппаратура
  • Запчасти УРАЛ
  • Запчасти МАЗ
  • Запчасти КамАЗ
  • Запчасти ММЗ
  • Ремни
Автокаталог (справочник)
  • Доставка
  • Оплата
  • О компании
  • Контакты
8 (800) 700-35-68
Написать в Whatsapp
sales@din76.ru
Динамика 76
Меню  
  • Каталог
    • Двигатели  
      • Двигатели ТМЗ  
        • Двигатели ТМЗ для автомобилей
        • Двигатели ТМЗ для тракторов
        • Специальные двигатели ТМЗ
        • Промышленные двигатели ТМЗ
      • Двигатели ЯМЗ  
        • ЯМЗ 236
        • ЯМЗ 238
        • ЯМЗ 240
        • ЯМЗ 751
        • ЯМЗ 840
        • ЯМЗ 850
        • ЯМЗ 656
        • ЯМЗ 658
        • ЯМЗ 534
        • ЯМЗ 536
        • ЯМЗ 650
        • Двигатели ЯМЗ для электростанций
      • Двигатели КАМАЗ
      • Двигатели ММЗ
      • Двигатели индивидуальной сборки
      • Комплекты переоборудования
    • Запчасти WEICHAI  
      • Основные запчасти двигателя  
        • Клапаны и толкатели
        • Шатуны
        • Вал коленчатый и маховик
        • Вал распределительный
        • Цилиндро-поршневая группа
      • Система питания  
        • Форсунки
        • Турбокомпрессор
      • Система смазки  
        • Насос масляный
      • Головка блока
      • Ремкомплекты
      • Система охлаждения  
        • Насос водяной
        • Муфта вязкостная и крыльчатка
      • Фильтры
      • Электрооборудование  
        • Генератор
        • Стартер
    • Запчасти ЯМЗ, ТМЗ (V-образные)  
      • Основные запчасти двигателя  
        • Блок двигателя и комплектующие
        • Валы распределительные и клапаны
        • Головка блока и комплектующие
        • Цилиндро-поршневая группа
        • Маховики и комплектующие
        • Валы коленчатые и комплектующие
        • Шатуны и комплектующие
      • Система питания  
        • Коллекторы и патрубки
        • Топливные трубопроводы
        • Турбокомпрессор
        • Топливные фильтры
      • Электрооборудование двигателя
      • Система охлаждения  
        • Вязкостные муфты и крыльчатки
        • Приводы вентилятора
        • Водяные насосы
        • Водяные трубы и термостаты
      • Коробки переключения передач  
        • 8 Ступенчатые КПП
        • 5 Ступенчатые КПП
        • 9 Ступенчатые КПП
        • Запасные части КПП ЯМЗ, ТМЗ
      • Система смазки  
        • Теплообменник и комплектующие
        • Масляные насосы
        • Фильтры масляные (ФГОМ, ФЦОМ)
      • Сцепление  
        • Запасные части механизма сцепления
        • Муфты (подшипники выжимные)
        • Корзины (диски нажимные)
        • Диски ведомые
      • Прочие запчасти двигателя  
        • Ремкомплекты
        • Привод агрегатов
        • Натяжные устройства
        • Трубки
    • Запчасти ЯМЗ-534, ЯМЗ-536  
      • Основные запчасти двигателя  
        • Цилиндро-поршневая группа
        • Головка блока цилиндров и комплектующие
        • Блок цилиндров и комплектующие
        • Вал коленчатый и маховик
        • Вал распределительный
        • Клапаны и толкатели
        • ГУР (Гидроусилитель руля)
        • Система рециркуляции отработавших газов
        • Выпускной коллектор
      • Система питания  
        • Коллекторы и патрубки
        • Топливные фильтры
        • Турбокомпрессор
        • Топливные трубопроводы
      • Система смазки  
        • Масляный картер поддон
        • Масляный насос
        • Теплообменник /Водо-масляный радиатор
        • Фильтры масляные (ФГОМ, ФЦОМ)
      • Пневмокомпрессор и натяжное
      • Система охлаждения  
        • Водяной насос
        • Водяные трубы и патрубки
        • Муфты вязкостные, приводы, крыльчатки
      • Ремкомплекты
      • Сцепление
      • Электрооборудование
    • Запчасти ЯМЗ-650, ЯМЗ-651, DCi-11  
      • Основные запчасти двигателя  
        • Цилиндро-поршневая группа
        • Головка блока цилиндров и комплектующие
        • Блок цилиндров и комплектующие
        • Вал коленчатый и маховик
        • Выпускной коллектор
        • Вал распределительный
        • Клапаны и толкатели
        • ГУР (Гидроусилитель руля)
        • Система рециркуляции отработавших газов
      • Система питания  
        • Коллекторы и патрубки
        • Топливные трубопроводы
        • Топливные фильтры
        • Турбокомпрессор
      • Система смазки  
        • Масляный картер / поддон
        • Масляный насос
        • Теплообменник / Водо-масляный радиатор
        • Фильтры масляные (ФГОМ, ФЦОМ)
      • Система охлаждения  
        • Водяной насос
        • Водяные трубы и патрубки
        • Муфты вязкостные, приводы, крыльчатки
      • Ремкомплекты
      • Пневмокомпрессор и натяжное
      • Электрооборудование
      • Сцепление
    • Топливная аппаратура  
      • ЯЗДА  
        • Распылители
        • ТНВД
        • Форсунки
        • Топливный насос низкого давления
        • Пары плунжерные
        • Муфта опережения впрыска топлива
        • Запчасти и комплектующие ТНВД
      • НЗТА
      • АЗПИ  
        • Распылители
        • Форсунки
      • BOSCH
    • Запчасти УРАЛ  
      • Трансмиссия  
        • Коробка раздаточная
        • Передача карданная
        • Мост задний
        • Мост передний (ведущий)
        • Мост средний (промежуточный)
      • Кузов  
        • Дверь кабины
        • Капот, крылья, облицовка радиатора
        • Окно ветровое и заднее
        • Отопление и вентиляция кабины
        • Кабина
      • Механизмы управления  
        • Управление рулевое
        • Тормоза
      • Дополнительное оборудование  
        • Отбор мощности
        • Устройство седельное
      • Электрооборудование
      • Ходовая часть  
        • Колеса и ступицы
        • Ось передняя
        • Подвеска автомобиля
        • Рама
    • Запчасти МАЗ  
      • Трансмиссия  
        • Мост задний
        • Мост передний (ведущий)
        • Передача карданная
        • Мост средний (промежуточный)
      • Кузов  
        • Кабина
        • Дверь кабины
        • Детали основания кабины
        • Окно ветровое и заднее
        • Платформа
      • Механизмы управления  
        • Тормоза
        • Управление рулевое
      • Ходовая часть  
        • Колеса и ступицы
        • Ось передняя
        • Подвеска автомобиля
        • Рама
    • Запчасти КамАЗ  
      • Кузов  
        • Кабина
        • Капот, крылья, облицовка радиатора
        • Дверь кабины
        • Платформа
        • Окно ветровое и заднее
        • Устройство подъемное и опрокидывающее
        • Сиденье
        • Крыша кабины (крыша кузова)
        • Отопление и вентиляция кабины
      • Трансмиссия  
        • Коробка передач
        • Коробка раздаточная
        • Мост задний
        • Сцепление
        • Мост средний (промежуточный)
        • Передача карданная
        • Мост передний (ведущий)
      • Двигатель  
        • Основные запчасти двигателя
        • Система охлаждения
        • Система питания
        • Система смазки
      • Дополнительное оборудование  
        • Отбор мощности
        • Устройство седельное
      • Ходовая часть  
        • Подвеска автомобиля
        • Рама
        • Колеса и ступицы
        • Ось передняя
      • Механизмы управления  
        • Тормоза
        • Управление рулевое
      • Электрооборудование
    • Запчасти ММЗ
    • Ремни
  • Справочник
    • Грузовые автомобили
    • Автобусы
    • Сельхозтехника
    • Спецтехника
    • Двигатели
  • Как купить
    • Условия оплаты
    • Условия доставки
    • Гарантия на товар
    • Пункты выдачи
  • Услуги
    • Капитальный ремонт двигателей ЯМЗ
  • Акции
  • Статьи
  • Контакты
  • Компания
    • Реквизиты
    • Магазины
    • Оплата
    • Доставка
    • Лицензии и сертификаты
    • Новости
    • Вакансии
Избранное 0 Корзина 0
8-800-700-35-68

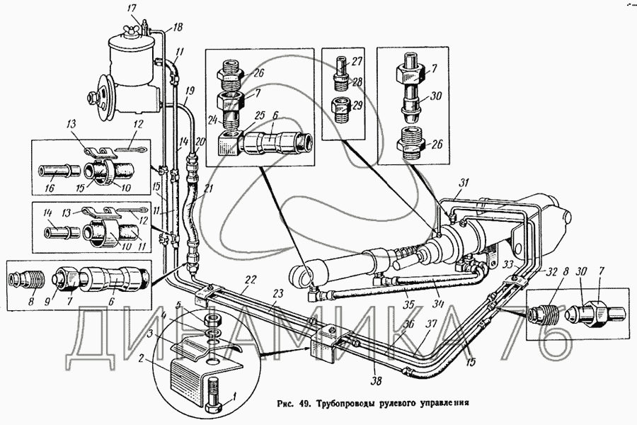
Трубопроводы рулевого управления на ЛиАЗ 677

Справочник
Главная
-
Автокаталог
-
Автобусы
-
ЛиАЗ
-
ЛиАЗ 677
Справочный каталог

Трубопроводы рулевого управления — ЛиАЗ 677:

280051-П 300115-П13 305079-П 677-3408013 677-3408049 677-3408051 677-3408169 677-3408177 677-3408185 677-3408189 677-3408209 1 2 3 4 5 6 6 7 7 7 7 8 8 9 10 10 11 11 11 12 12 13 13 14 14 15 15 15 16 17 18 19 20 21 22 23 24 25 26 26 27 28 29 30 30 31 32 33 34 35 36 37 38
в наличии
нет в наличии
масштаб

В наличии
Нет в наличии

Перечень комплектующих от Трубопроводы рулевого управления на ЛиАЗ 677

Схемы запчастей предназначены для справочных целей! Мы продаем не все запчасти от Трубопроводы рулевого управления на ЛиАЗ 677, представленные в этом списке.
Наличие на складах по деталям с ценой смотрите в карточке товара.
Артикул: 280051-П
нет в наличии
Гайка соединительная
Количество на схеме: 1
Информация
Гайка соединительная
Количество
1
Покрытие
без покрытия
Артикул: 300115-П13
нет в наличии
Гайка ввертная
Количество на схеме: 1
Информация
Гайка ввертная
Количество
1
Покрытие
хромирование блестящее с полировкой (многослойное медь-никель-хром)
Артикул: 305079-П
нет в наличии
Пробка транспортная
Количество на схеме: 4
Информация
Пробка транспортная
Количество
4
Покрытие
без покрытия
Артикул: 677-3408013
нет в наличии
Труба высокого давления рулевого механизма
Количество на схеме: 1
Информация
Труба высокого давления рулевого механизма
Количество
1
Модель
677
Группа
Управление рулевое
Подгруппа
Трубопроводы гидроусилителя механизма рулевого управления
Порядковый номер детали
013
Артикул: 677-3408049
нет в наличии
Труба высокого давления
Количество на схеме: 1
Информация
Труба высокого давления
Количество
1
Модель
677
Группа
Управление рулевое
Подгруппа
Трубопроводы гидроусилителя механизма рулевого управления
Порядковый номер детали
049
Артикул: 677-3408051
нет в наличии
Труба сливного шланга
Количество на схеме: 1
Информация
Труба сливного шланга
Количество
1
Модель
677
Группа
Управление рулевое
Подгруппа
Трубопроводы гидроусилителя механизма рулевого управления
Порядковый номер детали
051
Артикул: 677-3408169
нет в наличии
Труба низкого давления рулевого механизма
Количество на схеме: 1
Информация
Труба низкого давления рулевого механизма
Количество
1
Модель
677
Группа
Управление рулевое
Подгруппа
Трубопроводы гидроусилителя механизма рулевого управления
Порядковый номер детали
169
Артикул: 677-3408177
нет в наличии
Труба высокого давления промежуточная
Количество на схеме: 1
Информация
Труба высокого давления промежуточная
Количество
1
Модель
677
Группа
Управление рулевое
Подгруппа
Трубопроводы гидроусилителя механизма рулевого управления
Порядковый номер детали
177
Артикул: 677-3408185
нет в наличии
Труба низкого давления промежуточная в сборе
Количество на схеме: 1
Информация
Труба низкого давления промежуточная в сборе
Количество
1
Модель
677
Группа
Управление рулевое
Подгруппа
Трубопроводы гидроусилителя механизма рулевого управления
Порядковый номер детали
185
Артикул: 677-3408189
нет в наличии
Шланг низкого давления сливной в сборе
Количество на схеме: 2
Информация
Шланг низкого давления сливной в сборе
Количество
2
Модель
677
Группа
Управление рулевое
Подгруппа
Трубопроводы гидроусилителя механизма рулевого управления
Порядковый номер детали
189
Артикул: 677-3408209
нет в наличии
Труба высокого давления от насоса
Количество на схеме: 1
Информация
Труба высокого давления от насоса
Количество
1
Модель
677
Группа
Управление рулевое
Подгруппа
Трубопроводы гидроусилителя механизма рулевого управления
Порядковый номер детали
209
1
1
Артикул: 201460-П8
нет в наличии
Болт М8х30
Количество на схеме: 3
Информация
Болт М8х30
Количество
3
Покрытие
цинкование
2
2
Артикул: 677-5102033
нет в наличии
Угольник крепления панели пола малый
Количество на схеме: 2
Информация
Угольник крепления панели пола малый
Количество
2
Модель
677
Группа
Детали основания (пола) кабины (Пол кузова)
Подгруппа
Настил пола
Порядковый номер детали
033
3
3
Артикул: 677-3408110
нет в наличии
Планка кронштейна
Количество на схеме: 3
Информация
Планка кронштейна
Количество
3
Модель
677
Группа
Управление рулевое
Подгруппа
Трубопроводы гидроусилителя механизма рулевого управления
Порядковый номер детали
110
4
4
Артикул: 252135-П2
в наличии
Шайба 8 пружинная
Количество на схеме: 3
Информация
Шайба 8 пружинная
Количество
3
Покрытие
фосфатирование и промасливание
Шайба 8х2.5 ЯМЗ заглушки блока цилиндров АВТОДИЗЕЛЬ
Артикул: 252135-П2
Шайба 8х2.5 ЯМЗ заглушки блока цилиндров АВТОДИЗЕЛЬ
Код для заказа: 00006017
Цена: 3 ₽/шт.
Под заказ
Шайба 8х2.5 ЯМЗ заглушки блока цилиндров АВТОДИЗЕЛЬ
Артикул: 252135-П2
Код для заказа: 00006017
Шайба 8х2.5 ЯМЗ заглушки блока цилиндров АВТОДИЗЕЛЬ
Цена: 3 ₽/шт.
Под заказ
5
5
Артикул: 250510-П8
нет в наличии
Гайка М8х1
Количество на схеме: 3
Информация
Гайка М8х1
Количество
3
Покрытие
цинкование
6
6
Артикул: 375-3407610-Б
нет в наличии
Муфта
Количество на схеме: 4
Информация
Муфта
Количество
4
Модель
375
Группа
Управление рулевое
Подгруппа
Насос гидроусилителя механизма рулевого управления
Порядковый номер детали
610
7
7
Артикул: 375-3407621-Б
нет в наличии
Гайка накидная
Количество на схеме: 6
Информация
Гайка накидная
Количество
6
Модель
375
Группа
Управление рулевое
Подгруппа
Насос гидроусилителя механизма рулевого управления
Порядковый номер детали
621
8
8
Артикул: 375-3407644
нет в наличии
Муфта трубы высокого давления
Количество на схеме: 4
Информация
Муфта трубы высокого давления
Количество
4
Модель
375
Группа
Управление рулевое
Подгруппа
Насос гидроусилителя механизма рулевого управления
Порядковый номер детали
644
9
9
Артикул: 375-3407613-Б
нет в наличии
Ниппель
Количество на схеме: 2
Информация
Ниппель
Количество
2
Модель
375
Группа
Управление рулевое
Подгруппа
Насос гидроусилителя механизма рулевого управления
Порядковый номер детали
613
10
10
Артикул: 308712-П8
нет в наличии
Лента стяжная хомута
Количество на схеме: 8
Информация
Лента стяжная хомута
Количество
8
Покрытие
цинкование
11
11
Артикул: 677-3408190
нет в наличии
Шланг низкого давления сливной
Количество на схеме: 2
Информация
Шланг низкого давления сливной
Количество
2
Модель
677
Группа
Управление рулевое
Подгруппа
Трубопроводы гидроусилителя механизма рулевого управления
Порядковый номер детали
190
12
12
Артикул: 304505-П8
нет в наличии
Шплинт стяжной хомутиков
Количество на схеме: 8
Информация
Шплинт стяжной хомутиков
Количество
8
Покрытие
цинкование
13
13
Артикул: 306775-П
нет в наличии
Пряжка хомутика
Количество на схеме: 8
Информация
Пряжка хомутика
Количество
8
Покрытие
без покрытия
14
14
Артикул: 677-3408188
нет в наличии
Трубопровод сливной низкого давления промежуточный
Количество на схеме: 1
Информация
Трубопровод сливной низкого давления промежуточный
Количество
1
Модель
677
Группа
Управление рулевое
Подгруппа
Трубопроводы гидроусилителя механизма рулевого управления
Порядковый номер детали
188
15
15
Артикул: 677-3408173
нет в наличии
Шланг дренажный
Количество на схеме: 2
Информация
Шланг дренажный
Количество
2
Модель
677
Группа
Управление рулевое
Подгруппа
Трубопроводы гидроусилителя механизма рулевого управления
Порядковый номер детали
173
16
16
Артикул: 677-3408171
нет в наличии
Труба дренажная верхняя
Количество на схеме: 1
Информация
Труба дренажная верхняя
Количество
1
Модель
677
Группа
Управление рулевое
Подгруппа
Трубопроводы гидроусилителя механизма рулевого управления
Порядковый номер детали
171
17
17
Артикул: 677-3408240
нет в наличии
Штуцер переходной в сборе
Количество на схеме: 1
Информация
Штуцер переходной в сборе
Количество
1
Модель
677
Группа
Управление рулевое
Подгруппа
Трубопроводы гидроусилителя механизма рулевого управления
Порядковый номер детали
240
18
18
Артикул: 677-3408170
нет в наличии
Труба дренажная верхняя в сборе
Количество на схеме: 1
Информация
Труба дренажная верхняя в сборе
Количество
1
Модель
677
Группа
Управление рулевое
Подгруппа
Трубопроводы гидроусилителя механизма рулевого управления
Порядковый номер детали
170
19
19
Артикул: 677-3408208
нет в наличии
Труба высокого давления от насоса в сборе
Количество на схеме: 1
Информация
Труба высокого давления от насоса в сборе
Количество
1
Модель
677
Группа
Управление рулевое
Подгруппа
Трубопроводы гидроусилителя механизма рулевого управления
Порядковый номер детали
208
20
20
Артикул: 375-3407625
нет в наличии
Муфта трубы высокого давления
Количество на схеме: 2
Информация
Муфта трубы высокого давления
Количество
2
Модель
375
Группа
Управление рулевое
Подгруппа
Насос гидроусилителя механизма рулевого управления
Порядковый номер детали
625
21
21
Артикул: 375-3407669-Б
нет в наличии
Шланг нагнетательный в сборе
Количество на схеме: 1
Информация
Шланг нагнетательный в сборе
Количество
1
Модель
375
Группа
Управление рулевое
Подгруппа
Насос гидроусилителя механизма рулевого управления
Порядковый номер детали
669
22
22
Артикул: 677-3408176
нет в наличии
Труба высокого давления промежуточная в сборе
Количество на схеме: 1
Информация
Труба высокого давления промежуточная в сборе
Количество
1
Модель
677
Группа
Управление рулевое
Подгруппа
Трубопроводы гидроусилителя механизма рулевого управления
Порядковый номер детали
176
23
23
Артикул: 677-3408050
нет в наличии
Труба сливного шланга в сборе
Количество на схеме: 1
Информация
Труба сливного шланга в сборе
Количество
1
Модель
677
Группа
Управление рулевое
Подгруппа
Трубопроводы гидроусилителя механизма рулевого управления
Порядковый номер детали
050
24
24
Артикул: 375-3407620-Б
нет в наличии
Ниппель шаровой угловой
Количество на схеме: 4
Информация
Ниппель шаровой угловой
Количество
4
Модель
375
Группа
Управление рулевое
Подгруппа
Насос гидроусилителя механизма рулевого управления
Порядковый номер детали
620
25
25
Артикул: 375-3407615-Б
нет в наличии
Ниппель угловой
Количество на схеме: 2
Информация
Ниппель угловой
Количество
2
Модель
375
Группа
Управление рулевое
Подгруппа
Насос гидроусилителя механизма рулевого управления
Порядковый номер детали
615
26
26
Артикул: 375-3407603-Б
в наличии
Штуцер
Количество на схеме: 6
Информация
Штуцер
Количество
6
Модель
375
Группа
Управление рулевое
Подгруппа
Насос гидроусилителя механизма рулевого управления
Порядковый номер детали
603
Штуцер УРАЛ механизма рулевого (АО АЗ УРАЛ)
Артикул: 375-3407603-Б
Штуцер УРАЛ механизма рулевого (АО АЗ УРАЛ)
Код для заказа: 00066529
Цена: 265 ₽/шт.
Под заказ
Штуцер УРАЛ механизма рулевого (АО АЗ УРАЛ)
Артикул: 375-3407603-Б
Код для заказа: 00066529
Штуцер УРАЛ механизма рулевого (АО АЗ УРАЛ)
Цена: 265 ₽/шт.
Под заказ
27
27
Артикул: 677-3408175
нет в наличии
Труба дренажная от рулевого механизма
Количество на схеме: 1
Информация
Труба дренажная от рулевого механизма
Количество
1
Модель
677
Группа
Управление рулевое
Подгруппа
Трубопроводы гидроусилителя механизма рулевого управления
Порядковый номер детали
175
28
28
Артикул: 280051-П8
нет в наличии
Гайка соединительная
Количество на схеме: 1
Информация
Гайка соединительная
Количество
1
Покрытие
цинкование
29
29
Артикул: 339132-П8
нет в наличии
Штуцер
Количество на схеме: 2
Информация
Штуцер
Количество
2
Покрытие
цинкование
30
30
Артикул: 375-3407655-Б
нет в наличии
Ниппель шаровой
Количество на схеме: 4
Информация
Ниппель шаровой
Количество
4
Модель
375
Группа
Управление рулевое
Подгруппа
Насос гидроусилителя механизма рулевого управления
Порядковый номер детали
655
31
31
Артикул: 677-3408174
нет в наличии
Труба дренажная от рулевого механизма в сборе
Количество на схеме: 1
Информация
Труба дренажная от рулевого механизма в сборе
Количество
1
Модель
677
Группа
Управление рулевое
Подгруппа
Трубопроводы гидроусилителя механизма рулевого управления
Порядковый номер детали
174
32
32
Артикул: 677-3408168
нет в наличии
Труба низкого давления рулевого механизма в сборе
Количество на схеме: 1
Информация
Труба низкого давления рулевого механизма в сборе
Количество
1
Модель
677
Группа
Управление рулевое
Подгруппа
Трубопроводы гидроусилителя механизма рулевого управления
Порядковый номер детали
168
33
33
Артикул: 677-3408012
нет в наличии
Труба высокого давления рулевого механизма в сборе
Количество на схеме: 1
Информация
Труба высокого давления рулевого механизма в сборе
Количество
1
Модель
677
Группа
Управление рулевое
Подгруппа
Трубопроводы гидроусилителя механизма рулевого управления
Порядковый номер детали
012
34
34
Артикул: 375-3407679-Б
нет в наличии
Шланг гидроусилителя короткий в сборе
Количество на схеме: 1
Информация
Шланг гидроусилителя короткий в сборе
Количество
1
Модель
375
Группа
Управление рулевое
Подгруппа
Насос гидроусилителя механизма рулевого управления
Порядковый номер детали
679
35
35
Артикул: 375-3407678-Б
нет в наличии
Шланг высокого давления гидроусилителя в сборе
Количество на схеме: 1
Информация
Шланг высокого давления гидроусилителя в сборе
Количество
1
Модель
375
Группа
Управление рулевое
Подгруппа
Насос гидроусилителя механизма рулевого управления
Порядковый номер детали
678
36
36
Артикул: 677-3408184
нет в наличии
Труба низкого давления промежуточная в сборе
Количество на схеме: 1
Информация
Труба низкого давления промежуточная в сборе
Количество
1
Модель
677
Группа
Управление рулевое
Подгруппа
Трубопроводы гидроусилителя механизма рулевого управления
Порядковый номер детали
184
37
37
Артикул: 677-3408048
нет в наличии
Труба высокого давления в сборе
Количество на схеме: 1
Информация
Труба высокого давления в сборе
Количество
1
Модель
677
Группа
Управление рулевое
Подгруппа
Трубопроводы гидроусилителя механизма рулевого управления
Порядковый номер детали
048
38
38
Артикул: 677-3408172
нет в наличии
Труба дренажная нижняя
Количество на схеме: 1
Информация
Труба дренажная нижняя
Количество
1
Модель
677
Группа
Управление рулевое
Подгруппа
Трубопроводы гидроусилителя механизма рулевого управления
Порядковый номер детали
172
  • Грузовые автомобили
  • Автобусы
  • Сельхозтехника
  • Спецтехника
  • Двигатели
Получить оптовый прайс-лист
Скачать прайс-лист от 07.05.2026 16:00
Специальное предложение от 07.05.2026 17:00
Производители:


  • WEICHAI
  • Автодизель ПАО (ЯМЗ)
  • Тутаевский МЗ
  • ЯЗДА
  • УралАЗ
  • МАЗ
  • АЗПИ
  • BOSCH
  • ММЗ
  • ШААЗ
  • FEDERAL MOGUL
  • ПРАМО
  • Мотордеталь
  • ТАИМ
  • АвтоКрАЗ
  • БЕЛКАРД
  • CZ Strakonice
  • КамАЗ
  • БЗА
  • ЧМЗ
  • BMZ
Новости
Все новости
25 марта 2024
Флагманский седельный тягач «Валдай 45» на выставке «TransRussia»
10 марта 2024
Современные автобусы «CITYMAX 9» и ЛиАЗ-5292 CNG
25 февраля 2024
Серийное производство средних дизельных двигателей повышенной мощности от ЯМЗ
Статьи
Все статьи
Датчики двигателя: за что они отвечают, признаки неисправности и как не прогадать с выбором
Двигатели ЯМЗ-534: история, технические характеристики и области применения
Двигатели ЯМЗ 650: углублённый технический обзор и история
Компания
О компании
Реквизиты
Новости
Политика
Магазины
Информация
Условия оплаты
Условия доставки
Гарантия на товар
Обмен и возврат товара
Помощь
Как оформить заказ
Полезные статьи
Бренды
Пункты выдачи
Оставайтесь на связи
  • Вконтакте
  • YouTube
  • Одноклассники
  • Google Plus
Увидели ошибку?
Выделите, нажав Ctrl + Enter
Наши контакты
8-800-700-35-68
sales@din76.ru
г. Ярославль, Ленинградский пр-т 33, ТЦ "ОМЕГА"
2026 © ООО «Динамика 76» - Все права защищены ООО "Динамика 76"
Предложения на сайте не являются публичной офертой.
На сайте обнаружена ошибка

Текст с ошибкой