Избранное 0 Корзина 0 Личный кабинет
logo
Каталог
Каталог
  • Справочник
    • Грузовые автомобили
    • Автобусы
    • Сельхозтехника
    • Спецтехника
    • Двигатели
  • Доставка
  • Оплата
  • О компании
    • Реквизиты
    • Магазины
    • Оплата
    • Доставка
    • Лицензии и сертификаты
    • Новости
    • Вакансии
  • Контакты
Отправить заявку
Личный кабинет
8 (800) 700-35-68
sales@din76.ru
Избранное 0 Корзина 0
8 (800) 700-35-68
Оптовый прайс-лист
Каталог
  • Двигатели
  • Запчасти WEICHAI
  • Запчасти ЯМЗ, ТМЗ (V-образные)
  • Запчасти ЯМЗ-534, ЯМЗ-536
  • Запчасти ЯМЗ-650, ЯМЗ-651, DCi-11
  • Топливная аппаратура
  • Запчасти УРАЛ
  • Запчасти МАЗ
  • Запчасти КамАЗ
  • Запчасти ММЗ
  • Ремни
Автокаталог (справочник)
  • Доставка
  • Оплата
  • О компании
  • Контакты
8 (800) 700-35-68
Написать в Whatsapp
sales@din76.ru
Динамика 76
Меню  
  • Каталог
    • Двигатели  
      • Двигатели ТМЗ  
        • Двигатели ТМЗ для автомобилей
        • Двигатели ТМЗ для тракторов
        • Специальные двигатели ТМЗ
        • Промышленные двигатели ТМЗ
      • Двигатели ЯМЗ  
        • ЯМЗ 236
        • ЯМЗ 238
        • ЯМЗ 240
        • ЯМЗ 751
        • ЯМЗ 840
        • ЯМЗ 850
        • ЯМЗ 656
        • ЯМЗ 658
        • ЯМЗ 534
        • ЯМЗ 536
        • ЯМЗ 650
        • Двигатели ЯМЗ для электростанций
      • Двигатели КАМАЗ
      • Двигатели ММЗ
      • Двигатели индивидуальной сборки
      • Комплекты переоборудования
    • Запчасти WEICHAI  
      • Основные запчасти двигателя  
        • Клапаны и толкатели
        • Шатуны
        • Вал коленчатый и маховик
        • Вал распределительный
        • Цилиндро-поршневая группа
      • Система питания  
        • Форсунки
        • Турбокомпрессор
      • Система смазки  
        • Насос масляный
      • Головка блока
      • Ремкомплекты
      • Система охлаждения  
        • Насос водяной
        • Муфта вязкостная и крыльчатка
      • Фильтры
      • Электрооборудование  
        • Генератор
        • Стартер
    • Запчасти ЯМЗ, ТМЗ (V-образные)  
      • Основные запчасти двигателя  
        • Блок двигателя и комплектующие
        • Валы распределительные и клапаны
        • Головка блока и комплектующие
        • Цилиндро-поршневая группа
        • Маховики и комплектующие
        • Валы коленчатые и комплектующие
        • Шатуны и комплектующие
      • Система питания  
        • Коллекторы и патрубки
        • Топливные трубопроводы
        • Турбокомпрессор
        • Топливные фильтры
      • Электрооборудование двигателя
      • Система охлаждения  
        • Вязкостные муфты и крыльчатки
        • Приводы вентилятора
        • Водяные насосы
        • Водяные трубы и термостаты
      • Коробки переключения передач  
        • 8 Ступенчатые КПП
        • 5 Ступенчатые КПП
        • 9 Ступенчатые КПП
        • Запасные части КПП ЯМЗ, ТМЗ
      • Система смазки  
        • Теплообменник и комплектующие
        • Масляные насосы
        • Фильтры масляные (ФГОМ, ФЦОМ)
      • Сцепление  
        • Запасные части механизма сцепления
        • Муфты (подшипники выжимные)
        • Корзины (диски нажимные)
        • Диски ведомые
      • Прочие запчасти двигателя  
        • Ремкомплекты
        • Привод агрегатов
        • Натяжные устройства
        • Трубки
    • Запчасти ЯМЗ-534, ЯМЗ-536  
      • Основные запчасти двигателя  
        • Цилиндро-поршневая группа
        • Головка блока цилиндров и комплектующие
        • Блок цилиндров и комплектующие
        • Вал коленчатый и маховик
        • Вал распределительный
        • Клапаны и толкатели
        • ГУР (Гидроусилитель руля)
        • Система рециркуляции отработавших газов
        • Выпускной коллектор
      • Система питания  
        • Коллекторы и патрубки
        • Топливные фильтры
        • Турбокомпрессор
        • Топливные трубопроводы
      • Система смазки  
        • Масляный картер поддон
        • Масляный насос
        • Теплообменник /Водо-масляный радиатор
        • Фильтры масляные (ФГОМ, ФЦОМ)
      • Пневмокомпрессор и натяжное
      • Система охлаждения  
        • Водяной насос
        • Водяные трубы и патрубки
        • Муфты вязкостные, приводы, крыльчатки
      • Ремкомплекты
      • Сцепление
      • Электрооборудование
    • Запчасти ЯМЗ-650, ЯМЗ-651, DCi-11  
      • Основные запчасти двигателя  
        • Цилиндро-поршневая группа
        • Головка блока цилиндров и комплектующие
        • Блок цилиндров и комплектующие
        • Вал коленчатый и маховик
        • Выпускной коллектор
        • Вал распределительный
        • Клапаны и толкатели
        • ГУР (Гидроусилитель руля)
        • Система рециркуляции отработавших газов
      • Система питания  
        • Коллекторы и патрубки
        • Топливные трубопроводы
        • Топливные фильтры
        • Турбокомпрессор
      • Система смазки  
        • Масляный картер / поддон
        • Масляный насос
        • Теплообменник / Водо-масляный радиатор
        • Фильтры масляные (ФГОМ, ФЦОМ)
      • Система охлаждения  
        • Водяной насос
        • Водяные трубы и патрубки
        • Муфты вязкостные, приводы, крыльчатки
      • Ремкомплекты
      • Пневмокомпрессор и натяжное
      • Электрооборудование
      • Сцепление
    • Топливная аппаратура  
      • ЯЗДА  
        • Распылители
        • ТНВД
        • Форсунки
        • Топливный насос низкого давления
        • Пары плунжерные
        • Муфта опережения впрыска топлива
        • Запчасти и комплектующие ТНВД
      • НЗТА
      • АЗПИ  
        • Распылители
        • Форсунки
      • BOSCH
    • Запчасти УРАЛ  
      • Трансмиссия  
        • Коробка раздаточная
        • Передача карданная
        • Мост задний
        • Мост передний (ведущий)
        • Мост средний (промежуточный)
      • Кузов  
        • Дверь кабины
        • Капот, крылья, облицовка радиатора
        • Окно ветровое и заднее
        • Отопление и вентиляция кабины
        • Кабина
      • Механизмы управления  
        • Управление рулевое
        • Тормоза
      • Дополнительное оборудование  
        • Отбор мощности
        • Устройство седельное
      • Электрооборудование
      • Ходовая часть  
        • Колеса и ступицы
        • Ось передняя
        • Подвеска автомобиля
        • Рама
    • Запчасти МАЗ  
      • Трансмиссия  
        • Мост задний
        • Мост передний (ведущий)
        • Передача карданная
        • Мост средний (промежуточный)
      • Кузов  
        • Кабина
        • Дверь кабины
        • Детали основания кабины
        • Окно ветровое и заднее
        • Платформа
      • Механизмы управления  
        • Тормоза
        • Управление рулевое
      • Ходовая часть  
        • Колеса и ступицы
        • Ось передняя
        • Подвеска автомобиля
        • Рама
    • Запчасти КамАЗ  
      • Кузов  
        • Кабина
        • Капот, крылья, облицовка радиатора
        • Дверь кабины
        • Платформа
        • Окно ветровое и заднее
        • Устройство подъемное и опрокидывающее
        • Сиденье
        • Крыша кабины (крыша кузова)
        • Отопление и вентиляция кабины
      • Трансмиссия  
        • Коробка передач
        • Коробка раздаточная
        • Мост задний
        • Сцепление
        • Мост средний (промежуточный)
        • Передача карданная
        • Мост передний (ведущий)
      • Двигатель  
        • Основные запчасти двигателя
        • Система охлаждения
        • Система питания
        • Система смазки
      • Дополнительное оборудование  
        • Отбор мощности
        • Устройство седельное
      • Ходовая часть  
        • Подвеска автомобиля
        • Рама
        • Колеса и ступицы
        • Ось передняя
      • Механизмы управления  
        • Тормоза
        • Управление рулевое
      • Электрооборудование
    • Запчасти ММЗ
    • Ремни
  • Справочник
    • Грузовые автомобили
    • Автобусы
    • Сельхозтехника
    • Спецтехника
    • Двигатели
  • Как купить
    • Условия оплаты
    • Условия доставки
    • Гарантия на товар
    • Пункты выдачи
  • Услуги
    • Капитальный ремонт двигателей ЯМЗ
  • Акции
  • Статьи
  • Контакты
  • Компания
    • Реквизиты
    • Магазины
    • Оплата
    • Доставка
    • Лицензии и сертификаты
    • Новости
    • Вакансии
Избранное 0 Корзина 0
8-800-700-35-68

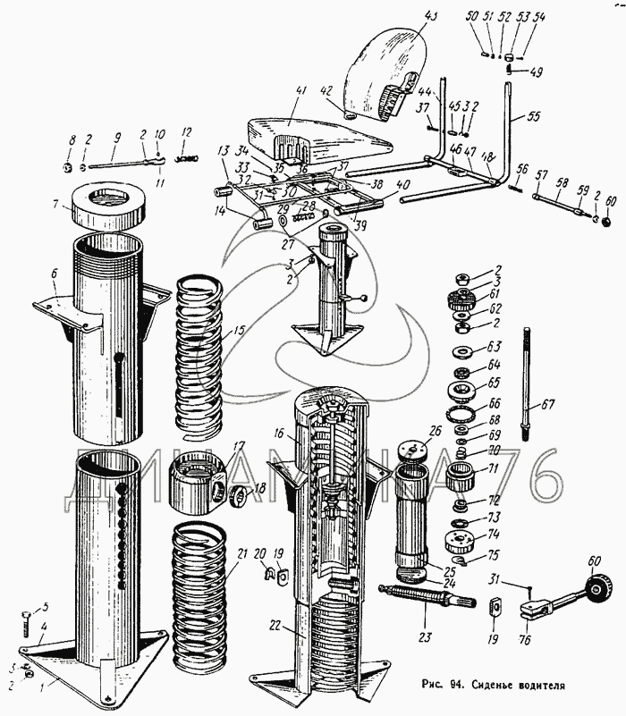
Сиденье водителя на ЛиАЗ 677

Справочник
Главная
-
Автокаталог
-
Автобусы
-
ЛиАЗ
-
ЛиАЗ 677
Справочный каталог

Сиденье водителя — ЛиАЗ 677:

220050-П8 230054-П8 252002-П8 252132-П2 252132-П2 261853-П8 261853-П8 677-6800010 677-6801019 677-6801022 677-6801023 677-6801024 677-6801026 677-6801027 677-6801030 677-6801052 677-6801084 677-6801096 677-6801110 677-6801112 677-6801126 677-6801136 677-6801140 677-6801141 677-6801142 677-6801143 677-6801144 677-6801146 677-6801167 677-6803265 677-6803282 677-6803283 677-6803312 677-6805081 677-6805084 677-6805253 677-6805254 677-6805256 677-6805259 677-6805260 677-6805261 677-6805282 677-6805283 677-6805285 677-6805294 677-6805295 677-6807017 677-6807040 677-6807046 677-6807049 677-6807084 677-6807087 677-6807096 677-6807100 677-6807114 1 2 2 2 2 2 2 2 2 3 3 3 3 4 5 6 7 8 9 10 11 12 13 14 15 16 17 18 19 19 20 21 22 23 24 25 26 27 28 29 30 31 31 32 33 34 35 36 37 37 37 38 39 40 41 42 43 44 45 46 47 48 49 50 51 52 53 54 55 56 57 58 59 60 60 61 62 63 64 65 66 67 68 69 70 71 72 73 74 75 76
в наличии
нет в наличии
масштаб

В наличии
Нет в наличии

Перечень комплектующих от Сиденье водителя на ЛиАЗ 677

Схемы запчастей предназначены для справочных целей! Мы продаем не все запчасти от Сиденье водителя на ЛиАЗ 677, представленные в этом списке.
Наличие на складах по деталям с ценой смотрите в карточке товара.
Артикул: 220050-П8
нет в наличии
Винт М4х8
Количество на схеме: 2
Информация
Винт М4х8
Количество
2
Покрытие
цинкование
Артикул: 230054-П8
нет в наличии
Винт
Количество на схеме: 1
Информация
Винт
Количество
1
Покрытие
цинкование
Артикул: 252002-П8
нет в наличии
Шайба 4
Количество на схеме: 1
Информация
Шайба 4
Количество
1
Покрытие
цинкование
Артикул: 252132-П2
нет в наличии
Шайба 4
Количество на схеме: 1
Информация
Шайба 4
Количество
1
Покрытие
фосфатирование и промасливание
Артикул: 252132-П2
нет в наличии
Шайба 4
Количество на схеме: 2
Информация
Шайба 4
Количество
2
Покрытие
фосфатирование и промасливание
Артикул: 261853-П8
нет в наличии
Гвоздь крепления обивки
Количество на схеме: 20
Информация
Гвоздь крепления обивки
Количество
20
Покрытие
цинкование
Артикул: 261853-П8
нет в наличии
Гвоздь крепления обивки
Количество на схеме: 10
Информация
Гвоздь крепления обивки
Количество
10
Покрытие
цинкование
Артикул: 677-6800010
нет в наличии
Сиденье водителя в сборе
Количество на схеме: 1
Информация
Сиденье водителя в сборе
Количество
1
Модель
677
Группа
Сиденье водителя
Подгруппа
Сиденье водителя в сборе (и переднее сидение)
Порядковый номер детали
010
Артикул: 677-6801019
нет в наличии
Распорка подвижной части каркаса сиденья водителя
Количество на схеме: 1
Информация
Распорка подвижной части каркаса сиденья водителя
Количество
1
Модель
677
Группа
Сиденье водителя
Подгруппа
Остов сиденья
Порядковый номер детали
019
Артикул: 677-6801022
нет в наличии
Боковина подвижной части каркаса сиденья водителя нижняя правая со втулкой в сборе
Количество на схеме: 1
Информация
Боковина подвижной части каркаса сиденья водителя нижняя правая со втулкой в сборе
Количество
1
Модель
677
Группа
Сиденье водителя
Подгруппа
Остов сиденья
Порядковый номер детали
022
Артикул: 677-6801023
нет в наличии
Боковина подвижной части каркаса сиденья водителя нижняя левая в сборе
Количество на схеме: 1
Информация
Боковина подвижной части каркаса сиденья водителя нижняя левая в сборе
Количество
1
Модель
677
Группа
Сиденье водителя
Подгруппа
Остов сиденья
Порядковый номер детали
023
Артикул: 677-6801024
нет в наличии
Боковина подвижной части каркаса сиденья водителя нижняя правая в сборе
Количество на схеме: 1
Информация
Боковина подвижной части каркаса сиденья водителя нижняя правая в сборе
Количество
1
Модель
677
Группа
Сиденье водителя
Подгруппа
Остов сиденья
Порядковый номер детали
024
Артикул: 677-6801026
нет в наличии
Боковина подвижной части каркаса сиденья водителя нижняя правая
Количество на схеме: 1
Информация
Боковина подвижной части каркаса сиденья водителя нижняя правая
Количество
1
Модель
677
Группа
Сиденье водителя
Подгруппа
Остов сиденья
Порядковый номер детали
026
Артикул: 677-6801027
нет в наличии
Боковина подвижной части каркаса сиденья водителя нижняя левая
Количество на схеме: 1
Информация
Боковина подвижной части каркаса сиденья водителя нижняя левая
Количество
1
Модель
677
Группа
Сиденье водителя
Подгруппа
Остов сиденья
Порядковый номер детали
027
Артикул: 677-6801030
нет в наличии
Фиксатор подвижной части каркаса сиденья водителя в сборе
Количество на схеме: 1
Информация
Фиксатор подвижной части каркаса сиденья водителя в сборе
Количество
1
Модель
677
Группа
Сиденье водителя
Подгруппа
Остов сиденья
Порядковый номер детали
030
Артикул: 677-6801052
нет в наличии
Упор нижней правой боковины подвижной части каркаса сиденья водителя
Количество на схеме: 1
Информация
Упор нижней правой боковины подвижной части каркаса сиденья водителя
Количество
1
Модель
677
Группа
Сиденье водителя
Подгруппа
Остов сиденья
Порядковый номер детали
052
Артикул: 677-6801084
нет в наличии
Прокладка сиденья водителя
Количество на схеме: 4
Информация
Прокладка сиденья водителя
Количество
4
Модель
677
Группа
Сиденье водителя
Подгруппа
Остов сиденья
Порядковый номер детали
084
Артикул: 677-6801096
нет в наличии
Вкладыш сиденья водителя
Количество на схеме: 2
Информация
Вкладыш сиденья водителя
Количество
2
Модель
677
Группа
Сиденье водителя
Подгруппа
Остов сиденья
Порядковый номер детали
096
Артикул: 677-6801110
нет в наличии
Фиксатор наклона подушки сиденья водителя в сборе
Количество на схеме: 1
Информация
Фиксатор наклона подушки сиденья водителя в сборе
Количество
1
Модель
677
Группа
Сиденье водителя
Подгруппа
Остов сиденья
Порядковый номер детали
110
Артикул: 677-6801112
нет в наличии
Корпус фиксатора наклона лодушки сиденья водителя в сборе
Количество на схеме: 1
Информация
Корпус фиксатора наклона лодушки сиденья водителя в сборе
Количество
1
Модель
677
Группа
Сиденье водителя
Подгруппа
Остов сиденья
Порядковый номер детали
112
Артикул: 677-6801126
нет в наличии
Толкатель фиксатора наклона подушки сиденья водителя в сборе
Количество на схеме: 1
Информация
Толкатель фиксатора наклона подушки сиденья водителя в сборе
Количество
1
Модель
677
Группа
Сиденье водителя
Подгруппа
Остов сиденья
Порядковый номер детали
126
Артикул: 677-6801136
нет в наличии
Упор фиксатора наклона подушки сиденья водителя
Количество на схеме: 1
Информация
Упор фиксатора наклона подушки сиденья водителя
Количество
1
Модель
677
Группа
Сиденье водителя
Подгруппа
Остов сиденья
Порядковый номер детали
136
Артикул: 677-6801140
нет в наличии
Уголок каркаса сиденья водителя правый в сборе
Количество на схеме: 1
Информация
Уголок каркаса сиденья водителя правый в сборе
Количество
1
Модель
677
Группа
Сиденье водителя
Подгруппа
Остов сиденья
Порядковый номер детали
140
Артикул: 677-6801141
нет в наличии
Уголок каркаса сиденья водителя левый в сборе
Количество на схеме: 1
Информация
Уголок каркаса сиденья водителя левый в сборе
Количество
1
Модель
677
Группа
Сиденье водителя
Подгруппа
Остов сиденья
Порядковый номер детали
141
Артикул: 677-6801142
нет в наличии
Основание правого уголка каркаса сиденья водителя
Количество на схеме: 1
Информация
Основание правого уголка каркаса сиденья водителя
Количество
1
Модель
677
Группа
Сиденье водителя
Подгруппа
Остов сиденья
Порядковый номер детали
142
Артикул: 677-6801143
нет в наличии
Основание левого уголка каркаса сиденья водителя
Количество на схеме: 1
Информация
Основание левого уголка каркаса сиденья водителя
Количество
1
Модель
677
Группа
Сиденье водителя
Подгруппа
Остов сиденья
Порядковый номер детали
143
Артикул: 677-6801144
нет в наличии
Дуга уголка каркаса виденья водителя
Количество на схеме: 2
Информация
Дуга уголка каркаса виденья водителя
Количество
2
Модель
677
Группа
Сиденье водителя
Подгруппа
Остов сиденья
Порядковый номер детали
144
Артикул: 677-6801146
нет в наличии
Рама каркаса сиденья водителя в сборе
Количество на схеме: 1
Информация
Рама каркаса сиденья водителя в сборе
Количество
1
Модель
677
Группа
Сиденье водителя
Подгруппа
Остов сиденья
Порядковый номер детали
146
Артикул: 677-6801167
нет в наличии
Труба неподвижной части каркаса сиденья водителя продольная левая
Количество на схеме: 1
Информация
Труба неподвижной части каркаса сиденья водителя продольная левая
Количество
1
Модель
677
Группа
Сиденье водителя
Подгруппа
Остов сиденья
Порядковый номер детали
167
Артикул: 677-6803265
нет в наличии
Обивка подушки сиденья водителя в сборе
Количество на схеме: 1
Информация
Обивка подушки сиденья водителя в сборе
Количество
1
Модель
677
Группа
Сиденье водителя
Подгруппа
Подушка сиденья водителя (и переднего сиденья)
Порядковый номер детали
265
Артикул: 677-6803282
нет в наличии
Обивка боковая правая
Количество на схеме: 1
Информация
Обивка боковая правая
Количество
1
Модель
677
Группа
Сиденье водителя
Подгруппа
Подушка сиденья водителя (и переднего сиденья)
Порядковый номер детали
282
Артикул: 677-6803283
нет в наличии
Обивка подушки сиденья водителя боковая левая
Количество на схеме: 1
Информация
Обивка подушки сиденья водителя боковая левая
Количество
1
Модель
677
Группа
Сиденье водителя
Подгруппа
Подушка сиденья водителя (и переднего сиденья)
Порядковый номер детали
283
Артикул: 677-6803312
нет в наличии
Прошва обивки подушки сиденья водителя
Количество на схеме: 2
Информация
Прошва обивки подушки сиденья водителя
Количество
2
Модель
677
Группа
Сиденье водителя
Подгруппа
Подушка сиденья водителя (и переднего сиденья)
Порядковый номер детали
312
Артикул: 677-6805081
нет в наличии
Пластина фиксатора наклона спинки сиденья водителя
Количество на схеме: 1
Информация
Пластина фиксатора наклона спинки сиденья водителя
Количество
1
Модель
677
Группа
Сиденье водителя
Подгруппа
Спинка сиденья водителя (и переднего сиденья)
Порядковый номер детали
081
Артикул: 677-6805084
нет в наличии
Стержень фиксатора наклона спинки сиденья водителя
Количество на схеме: 1
Информация
Стержень фиксатора наклона спинки сиденья водителя
Количество
1
Модель
677
Группа
Сиденье водителя
Подгруппа
Спинка сиденья водителя (и переднего сиденья)
Порядковый номер детали
084
Артикул: 677-6805253
нет в наличии
Обивка спинки сиденья водителя задняя
Количество на схеме: 1
Информация
Обивка спинки сиденья водителя задняя
Количество
1
Модель
677
Группа
Сиденье водителя
Подгруппа
Спинка сиденья водителя (и переднего сиденья)
Порядковый номер детали
253
Артикул: 677-6805254
нет в наличии
Обивка спинки сиденья водителя верхняя
Количество на схеме: 1
Информация
Обивка спинки сиденья водителя верхняя
Количество
1
Модель
677
Группа
Сиденье водителя
Подгруппа
Спинка сиденья водителя (и переднего сиденья)
Порядковый номер детали
254
Артикул: 677-6805256
нет в наличии
Обивка спинки сиденья водителя в сборе
Количество на схеме: 1
Информация
Обивка спинки сиденья водителя в сборе
Количество
1
Модель
677
Группа
Сиденье водителя
Подгруппа
Спинка сиденья водителя (и переднего сиденья)
Порядковый номер детали
256
Артикул: 677-6805259
нет в наличии
Обивка спинки сиденья водителя передняя средняя
Количество на схеме: 1
Информация
Обивка спинки сиденья водителя передняя средняя
Количество
1
Модель
677
Группа
Сиденье водителя
Подгруппа
Спинка сиденья водителя (и переднего сиденья)
Порядковый номер детали
259
Артикул: 677-6805260
нет в наличии
Обивка спинки сиденья водителя правая
Количество на схеме: 1
Информация
Обивка спинки сиденья водителя правая
Количество
1
Модель
677
Группа
Сиденье водителя
Подгруппа
Спинка сиденья водителя (и переднего сиденья)
Порядковый номер детали
260
Артикул: 677-6805261
нет в наличии
Обивка спинки сиденья водителя левая
Количество на схеме: 1
Информация
Обивка спинки сиденья водителя левая
Количество
1
Модель
677
Группа
Сиденье водителя
Подгруппа
Спинка сиденья водителя (и переднего сиденья)
Порядковый номер детали
261
Артикул: 677-6805282
нет в наличии
Упор спинки сиденья водителя правый
Количество на схеме: 1
Информация
Упор спинки сиденья водителя правый
Количество
1
Модель
677
Группа
Сиденье водителя
Подгруппа
Спинка сиденья водителя (и переднего сиденья)
Порядковый номер детали
282
Артикул: 677-6805283
нет в наличии
Упор спинки сиденья водителя левый
Количество на схеме: 1
Информация
Упор спинки сиденья водителя левый
Количество
1
Модель
677
Группа
Сиденье водителя
Подгруппа
Спинка сиденья водителя (и переднего сиденья)
Порядковый номер детали
283
Артикул: 677-6805285
нет в наличии
Прошва спинки сиденья водителя
Количество на схеме: 1
Информация
Прошва спинки сиденья водителя
Количество
1
Модель
677
Группа
Сиденье водителя
Подгруппа
Спинка сиденья водителя (и переднего сиденья)
Порядковый номер детали
285
Артикул: 677-6805294
нет в наличии
Обивка спинки сиденья водителя боковая правая
Количество на схеме: 1
Информация
Обивка спинки сиденья водителя боковая правая
Количество
1
Модель
677
Группа
Сиденье водителя
Подгруппа
Спинка сиденья водителя (и переднего сиденья)
Порядковый номер детали
294
Артикул: 677-6805295
нет в наличии
Обивка спинки сиденья водителя боковая левая
Количество на схеме: 1
Информация
Обивка спинки сиденья водителя боковая левая
Количество
1
Модель
677
Группа
Сиденье водителя
Подгруппа
Спинка сиденья водителя (и переднего сиденья)
Порядковый номер детали
295
Артикул: 677-6807017
нет в наличии
Корпус подставы сиденья водителя нижний
Количество на схеме: 1
Информация
Корпус подставы сиденья водителя нижний
Количество
1
Модель
677
Группа
Сиденье водителя
Подгруппа
6807
Порядковый номер детали
017
Артикул: 677-6807040
нет в наличии
Фиксатор подставы сиденья водителя в сборе
Количество на схеме: 1
Информация
Фиксатор подставы сиденья водителя в сборе
Количество
1
Модель
677
Группа
Сиденье водителя
Подгруппа
6807
Порядковый номер детали
040
Артикул: 677-6807046
нет в наличии
Ручка фиксатора подставы сиденья водителя в сборе
Количество на схеме: 1
Информация
Ручка фиксатора подставы сиденья водителя в сборе
Количество
1
Модель
677
Группа
Сиденье водителя
Подгруппа
6807
Порядковый номер детали
046
Артикул: 677-6807049
нет в наличии
Стержень ручки фиксатора подставы сиденья водителя
Количество на схеме: 1
Информация
Стержень ручки фиксатора подставы сиденья водителя
Количество
1
Модель
677
Группа
Сиденье водителя
Подгруппа
6807
Порядковый номер детали
049
Артикул: 677-6807084
нет в наличии
Амортизатор подставы сиденья водителя гидравлический в сборе
Количество на схеме: 1
Информация
Амортизатор подставы сиденья водителя гидравлический в сборе
Количество
1
Модель
677
Группа
Сиденье водителя
Подгруппа
6807
Порядковый номер детали
084
Артикул: 677-6807087
нет в наличии
Корпус гидравлического амортизатора подставы сиденья водителя
Количество на схеме: 1
Информация
Корпус гидравлического амортизатора подставы сиденья водителя
Количество
1
Модель
677
Группа
Сиденье водителя
Подгруппа
6807
Порядковый номер детали
087
Артикул: 677-6807096
нет в наличии
Вкладыш гидравлического амортизатора подставы сиденья водителя
Количество на схеме: 1
Информация
Вкладыш гидравлического амортизатора подставы сиденья водителя
Количество
1
Модель
677
Группа
Сиденье водителя
Подгруппа
6807
Порядковый номер детали
096
Артикул: 677-6807100
нет в наличии
Поршень гидравлического амортизатора подставы сиденья водителя в сборе
Количество на схеме: 1
Информация
Поршень гидравлического амортизатора подставы сиденья водителя в сборе
Количество
1
Модель
677
Группа
Сиденье водителя
Подгруппа
6807
Порядковый номер детали
100
Артикул: 677-6807114
нет в наличии
Корпус подставы сиденья водителя верхний
Количество на схеме: 1
Информация
Корпус подставы сиденья водителя верхний
Количество
1
Модель
677
Группа
Сиденье водителя
Подгруппа
6807
Порядковый номер детали
114
1
1
Артикул: 677-6807022
нет в наличии
Кронштейн нижнего корпуса подставы сиденья водителя
Количество на схеме: 3
Информация
Кронштейн нижнего корпуса подставы сиденья водителя
Количество
3
Модель
677
Группа
Сиденье водителя
Подгруппа
6807
Порядковый номер детали
022
2
2
Артикул: 250510-П8
нет в наличии
Гайка М8х1
Количество на схеме: 1
Информация
Гайка М8х1
Количество
1
Покрытие
цинкование
2
2
Артикул: 250510-П8
нет в наличии
Гайка М8х1
Количество на схеме: 3
Информация
Гайка М8х1
Количество
3
Покрытие
цинкование
2
2
Артикул: 250510-П8
нет в наличии
Гайка М8х1
Количество на схеме: 4
Информация
Гайка М8х1
Количество
4
Покрытие
цинкование
2
2
Артикул: 250510-П8
нет в наличии
Гайка М8х1
Количество на схеме: 1
Информация
Гайка М8х1
Количество
1
Покрытие
цинкование
2
2
Артикул: 250510-П8
нет в наличии
Гайка М8х1
Количество на схеме: 1
Информация
Гайка М8х1
Количество
1
Покрытие
цинкование
2
2
Артикул: 250510-П8
нет в наличии
Гайка М8х1
Количество на схеме: 1
Информация
Гайка М8х1
Количество
1
Покрытие
цинкование
2
2
Артикул: 250510-П8
нет в наличии
Гайка М8х1
Количество на схеме: 1
Информация
Гайка М8х1
Количество
1
Покрытие
цинкование
2
2
Артикул: 250510-П8
нет в наличии
Гайка М8х1
Количество на схеме: 1
Информация
Гайка М8х1
Количество
1
Покрытие
цинкование
3
3
Артикул: 252135-П2
в наличии
Шайба 8 пружинная
Количество на схеме: 1
Информация
Шайба 8 пружинная
Количество
1
Покрытие
фосфатирование и промасливание
Шайба 8х2.5 ЯМЗ заглушки блока цилиндров АВТОДИЗЕЛЬ
Артикул: 252135-П2
Шайба 8х2.5 ЯМЗ заглушки блока цилиндров АВТОДИЗЕЛЬ
Код для заказа: 00006017
Цена: 3 ₽/шт.
Под заказ
Шайба 8х2.5 ЯМЗ заглушки блока цилиндров АВТОДИЗЕЛЬ
Артикул: 252135-П2
Код для заказа: 00006017
Шайба 8х2.5 ЯМЗ заглушки блока цилиндров АВТОДИЗЕЛЬ
Цена: 3 ₽/шт.
Под заказ
3
3
Артикул: 252135-П2
в наличии
Шайба 8 пружинная
Количество на схеме: 3
Информация
Шайба 8 пружинная
Количество
3
Покрытие
фосфатирование и промасливание
Шайба 8х2.5 ЯМЗ заглушки блока цилиндров АВТОДИЗЕЛЬ
Артикул: 252135-П2
Шайба 8х2.5 ЯМЗ заглушки блока цилиндров АВТОДИЗЕЛЬ
Код для заказа: 00006017
Цена: 3 ₽/шт.
Под заказ
Шайба 8х2.5 ЯМЗ заглушки блока цилиндров АВТОДИЗЕЛЬ
Артикул: 252135-П2
Код для заказа: 00006017
Шайба 8х2.5 ЯМЗ заглушки блока цилиндров АВТОДИЗЕЛЬ
Цена: 3 ₽/шт.
Под заказ
3
3
Артикул: 252135-П2
в наличии
Шайба 8 пружинная
Количество на схеме: 4
Информация
Шайба 8 пружинная
Количество
4
Покрытие
фосфатирование и промасливание
Шайба 8х2.5 ЯМЗ заглушки блока цилиндров АВТОДИЗЕЛЬ
Артикул: 252135-П2
Шайба 8х2.5 ЯМЗ заглушки блока цилиндров АВТОДИЗЕЛЬ
Код для заказа: 00006017
Цена: 3 ₽/шт.
Под заказ
Шайба 8х2.5 ЯМЗ заглушки блока цилиндров АВТОДИЗЕЛЬ
Артикул: 252135-П2
Код для заказа: 00006017
Шайба 8х2.5 ЯМЗ заглушки блока цилиндров АВТОДИЗЕЛЬ
Цена: 3 ₽/шт.
Под заказ
4
4
Артикул: 677-6807020
нет в наличии
Основание нижнего корпуса подставы сиденья водителя
Количество на схеме: 1
Информация
Основание нижнего корпуса подставы сиденья водителя
Количество
1
Модель
677
Группа
Сиденье водителя
Подгруппа
6807
Порядковый номер детали
020
5
5
Артикул: 201464-П8
нет в наличии
Болт М10х40
Количество на схеме: 3
Информация
Болт М10х40
Количество
3
Покрытие
цинкование
6
6
Артикул: 677-6807116
нет в наличии
Кронштейн верхнего корпуса подставы сиденья водителя
Количество на схеме: 1
Информация
Кронштейн верхнего корпуса подставы сиденья водителя
Количество
1
Модель
677
Группа
Сиденье водителя
Подгруппа
6807
Порядковый номер детали
116
7
7
Артикул: 677-6807160
нет в наличии
Крышка подставы сиденья водителя
Количество на схеме: 1
Информация
Крышка подставы сиденья водителя
Количество
1
Модель
677
Группа
Сиденье водителя
Подгруппа
6807
Порядковый номер детали
160
8
8
Артикул: 677-6801046
нет в наличии
Кнопка фиксатора подвижной части каркаса сиденья водителя
Количество на схеме: 1
Информация
Кнопка фиксатора подвижной части каркаса сиденья водителя
Количество
1
Модель
677
Группа
Сиденье водителя
Подгруппа
Остов сиденья
Порядковый номер детали
046
9
9
Артикул: 677-6801033
нет в наличии
Стержень фиксатора подвижной части каркаса сиденья водителя
Количество на схеме: 1
Информация
Стержень фиксатора подвижной части каркаса сиденья водителя
Количество
1
Модель
677
Группа
Сиденье водителя
Подгруппа
Остов сиденья
Порядковый номер детали
033
10
10
Артикул: 426009
нет в наличии
Шарик для фиксации подвижной части каркаса сиденья водителя
Количество на схеме: 1
Информация
Шарик для фиксации подвижной части каркаса сиденья водителя
Количество
1
Покрытие
без покрытия
11
11
Артикул: 677-6801038
нет в наличии
Головка фиксатора подвижной части каркаса сиденья водителя
Количество на схеме: 1
Информация
Головка фиксатора подвижной части каркаса сиденья водителя
Количество
1
Модель
677
Группа
Сиденье водителя
Подгруппа
Остов сиденья
Порядковый номер детали
038
12
12
Артикул: 677-6801035
нет в наличии
Пружина фиксатора подвижной части каркаса сиденья водителя
Количество на схеме: 1
Информация
Пружина фиксатора подвижной части каркаса сиденья водителя
Количество
1
Модель
677
Группа
Сиденье водителя
Подгруппа
Остов сиденья
Порядковый номер детали
035
13
13
Артикул: 677-6801149
нет в наличии
Поперечная часть рамы каркаса сиденья водителя
Количество на схеме: 1
Информация
Поперечная часть рамы каркаса сиденья водителя
Количество
1
Модель
677
Группа
Сиденье водителя
Подгруппа
Остов сиденья
Порядковый номер детали
149
14
14
Артикул: 677-6801152
нет в наличии
Втулка рамы каркаса сиденья водителя
Количество на схеме: 2
Информация
Втулка рамы каркаса сиденья водителя
Количество
2
Модель
677
Группа
Сиденье водителя
Подгруппа
Остов сиденья
Порядковый номер детали
152
15
15
Артикул: 677-6807162
нет в наличии
Пружина амортизатора подставы сиденья водителя
Количество на схеме: 1
Информация
Пружина амортизатора подставы сиденья водителя
Количество
1
Модель
677
Группа
Сиденье водителя
Подгруппа
6807
Порядковый номер детали
162
16
16
Артикул: 677-6807110
нет в наличии
Корпус подставы сиденья водителя верхний в сборе
Количество на схеме: 1
Информация
Корпус подставы сиденья водителя верхний в сборе
Количество
1
Модель
677
Группа
Сиденье водителя
Подгруппа
6807
Порядковый номер детали
110
17
17
Артикул: 677-6807035
нет в наличии
Ползун подставы сиденья водителя
Количество на схеме: 1
Информация
Ползун подставы сиденья водителя
Количество
1
Модель
677
Группа
Сиденье водителя
Подгруппа
6807
Порядковый номер детали
035
18
18
Артикул: 677-6807055
нет в наличии
Гайка фиксатора подставы сиденья водителя регулировочная
Количество на схеме: 1
Информация
Гайка фиксатора подставы сиденья водителя регулировочная
Количество
1
Модель
677
Группа
Сиденье водителя
Подгруппа
6807
Порядковый номер детали
055
19
19
Артикул: 677-6807044
нет в наличии
Втулка фиксатора подставы сиденья водителя
Количество на схеме: 2
Информация
Втулка фиксатора подставы сиденья водителя
Количество
2
Модель
677
Группа
Сиденье водителя
Подгруппа
6807
Порядковый номер детали
044
20
20
Артикул: 677-6807072
нет в наличии
Шайба подставы сиденья водителя замковая
Количество на схеме: 1
Информация
Шайба подставы сиденья водителя замковая
Количество
1
Модель
677
Группа
Сиденье водителя
Подгруппа
6807
Порядковый номер детали
072
21
21
Артикул: 677-6807163
нет в наличии
Пружина подставы сиденья водителя регулировочная
Количество на схеме: 1
Информация
Пружина подставы сиденья водителя регулировочная
Количество
1
Модель
677
Группа
Сиденье водителя
Подгруппа
6807
Порядковый номер детали
163
22
22
Артикул: 677-6807016
нет в наличии
Корпус подставы сиденья водителя нижний в сборе
Количество на схеме: 1
Информация
Корпус подставы сиденья водителя нижний в сборе
Количество
1
Модель
677
Группа
Сиденье водителя
Подгруппа
6807
Порядковый номер детали
016
23
23
Артикул: 677-6807041-Б
нет в наличии
Фиксатор подставы сиденья водителя
Количество на схеме: 1
Информация
Фиксатор подставы сиденья водителя
Количество
1
Модель
677
Группа
Сиденье водителя
Подгруппа
6807
Порядковый номер детали
041
24
24
Артикул: 677-6807091
нет в наличии
Донышко корпуса гидравлического амортизатора подставы сиденья водителя
Количество на схеме: 1
Информация
Донышко корпуса гидравлического амортизатора подставы сиденья водителя
Количество
1
Модель
677
Группа
Сиденье водителя
Подгруппа
6807
Порядковый номер детали
091
25
25
Артикул: 677-6807086
нет в наличии
Корпус гидравлического амортизатора подставы сиденья водителя в сборе
Количество на схеме: 1
Информация
Корпус гидравлического амортизатора подставы сиденья водителя в сборе
Количество
1
Модель
677
Группа
Сиденье водителя
Подгруппа
6807
Порядковый номер детали
086
26
26
Артикул: 677-6807090
нет в наличии
Крышка гидравлического амортизатора подставы сиденья водителя
Количество на схеме: 1
Информация
Крышка гидравлического амортизатора подставы сиденья водителя
Количество
1
Модель
677
Группа
Сиденье водителя
Подгруппа
6807
Порядковый номер детали
090
27
27
Артикул: 677-6801088
нет в наличии
Чашка каркаса сиденья водителя
Количество на схеме: 4
Информация
Чашка каркаса сиденья водителя
Количество
4
Модель
677
Группа
Сиденье водителя
Подгруппа
Остов сиденья
Порядковый номер детали
088
28
28
Артикул: 677-6801068
нет в наличии
Пружина каркаса сиденья водителя
Количество на схеме: 2
Информация
Пружина каркаса сиденья водителя
Количество
2
Модель
677
Группа
Сиденье водителя
Подгруппа
Остов сиденья
Порядковый номер детали
068
29
29
Артикул: 677-6801148
нет в наличии
Продольная часть рамы каркаса сиденья водителя
Количество на схеме: 1
Информация
Продольная часть рамы каркаса сиденья водителя
Количество
1
Модель
677
Группа
Сиденье водителя
Подгруппа
Остов сиденья
Порядковый номер детали
148
30
30
Артикул: 252134-П2
в наличии
Шайба 6
Количество на схеме: 4
Информация
Шайба 6
Количество
4
Покрытие
фосфатирование и промасливание
ШАЙБА 6Х2 (ЯМЗ)
Артикул: 252134-П2
ШАЙБА 6Х2 (ЯМЗ)
Код для заказа: 00006016
Цена: 3 ₽/шт.
Под заказ
ШАЙБА 6Х2 (ЯМЗ)
Артикул: 252134-П2
Код для заказа: 00006016
ШАЙБА 6Х2 (ЯМЗ)
Цена: 3 ₽/шт.
Под заказ
31
31
Артикул: 201419-П8
нет в наличии
Болт М6х18
Количество на схеме: 4
Информация
Болт М6х18
Количество
4
Покрытие
цинкование
31
31
Артикул: 201419-П8
нет в наличии
Болт М6х18
Количество на схеме: 1
Информация
Болт М6х18
Количество
1
Покрытие
цинкование
32
32
Артикул: 677-6803037
нет в наличии
Скоба крепления подушки сиденья водителя
Количество на схеме: 4
Информация
Скоба крепления подушки сиденья водителя
Количество
4
Модель
677
Группа
Сиденье водителя
Подгруппа
Подушка сиденья водителя (и переднего сиденья)
Порядковый номер детали
037
33
33
Артикул: 251356-П8
нет в наличии
Гайка М6
Количество на схеме: 4
Информация
Гайка М6
Количество
4
Покрытие
цинкование
34
34
Артикул: 261853-П
нет в наличии
Гвоздь крепления обивки
Количество на схеме: 18
Информация
Гвоздь крепления обивки
Количество
18
Покрытие
без покрытия
35
35
Артикул: 677-6801166
нет в наличии
Труба неподвижной части каркаса сиденья водителя продольная правая
Количество на схеме: 1
Информация
Труба неподвижной части каркаса сиденья водителя продольная правая
Количество
1
Модель
677
Группа
Сиденье водителя
Подгруппа
Остов сиденья
Порядковый номер детали
166
36
36
Артикул: 677-6801192
нет в наличии
Гребенка неподвижной части каркаса сиденья водителя
Количество на схеме: 1
Информация
Гребенка неподвижной части каркаса сиденья водителя
Количество
1
Модель
677
Группа
Сиденье водителя
Подгруппа
Остов сиденья
Порядковый номер детали
192
37
37
Артикул: 201466-П8
нет в наличии
Болт М8х45
Количество на схеме: 1
Информация
Болт М8х45
Количество
1
Покрытие
цинкование
37
37
Артикул: 201466-П8
нет в наличии
Болт М8х45
Количество на схеме: 1
Информация
Болт М8х45
Количество
1
Покрытие
цинкование
37
37
Артикул: 201466-П8
нет в наличии
Болт М8х45
Количество на схеме: 4
Информация
Болт М8х45
Количество
4
Покрытие
цинкование
38
38
Артикул: 677-6801147
нет в наличии
Пластина рамы каркаса сиденья водителя
Количество на схеме: 1
Информация
Пластина рамы каркаса сиденья водителя
Количество
1
Модель
677
Группа
Сиденье водителя
Подгруппа
Остов сиденья
Порядковый номер детали
147
39
39
Артикул: 677-6801168
нет в наличии
Труба неподвижной части каркаса сиденья водителя поперечная
Количество на схеме: 2
Информация
Труба неподвижной части каркаса сиденья водителя поперечная
Количество
2
Модель
677
Группа
Сиденье водителя
Подгруппа
Остов сиденья
Порядковый номер детали
168
40
40
Артикул: 677-6801160
нет в наличии
Неподвижная часть каркаса сиденья водителя в сборе
Количество на схеме: 1
Информация
Неподвижная часть каркаса сиденья водителя в сборе
Количество
1
Модель
677
Группа
Сиденье водителя
Подгруппа
Остов сиденья
Порядковый номер детали
160
41
41
Артикул: 677-6803071
нет в наличии
Подушка сиденья водителя
Количество на схеме: 1
Информация
Подушка сиденья водителя
Количество
1
Модель
677
Группа
Сиденье водителя
Подгруппа
Подушка сиденья водителя (и переднего сиденья)
Порядковый номер детали
071
42
42
Артикул: 677-6805080
нет в наличии
Фиксатор наклона спинки сиденья водителя в сборе
Количество на схеме: 1
Информация
Фиксатор наклона спинки сиденья водителя в сборе
Количество
1
Модель
677
Группа
Сиденье водителя
Подгруппа
Спинка сиденья водителя (и переднего сиденья)
Порядковый номер детали
080
43
43
Артикул: 677-6805250
нет в наличии
Подушка спинки сиденья водителя
Количество на схеме: 1
Информация
Подушка спинки сиденья водителя
Количество
1
Модель
677
Группа
Сиденье водителя
Подгруппа
Спинка сиденья водителя (и переднего сиденья)
Порядковый номер детали
250
44
44
Артикул: 677-6801016
нет в наличии
Боковина подвижной части каркаса сиденья водителя верхняя правая
Количество на схеме: 1
Информация
Боковина подвижной части каркаса сиденья водителя верхняя правая
Количество
1
Модель
677
Группа
Сиденье водителя
Подгруппа
Остов сиденья
Порядковый номер детали
016
45
45
Артикул: 677-6801098
нет в наличии
Втулка сиденья водителя
Количество на схеме: 1
Информация
Втулка сиденья водителя
Количество
1
Модель
677
Группа
Сиденье водителя
Подгруппа
Остов сиденья
Порядковый номер детали
098
46
46
Артикул: 677-6801124
нет в наличии
Скоба фиксатора наклона подушки сиденья водителя
Количество на схеме: 1
Информация
Скоба фиксатора наклона подушки сиденья водителя
Количество
1
Модель
677
Группа
Сиденье водителя
Подгруппа
Остов сиденья
Порядковый номер детали
124
47
47
Артикул: 677-6801116
нет в наличии
Корпус фиксатора наклона подушки сиденья водителя
Количество на схеме: 1
Информация
Корпус фиксатора наклона подушки сиденья водителя
Количество
1
Модель
677
Группа
Сиденье водителя
Подгруппа
Остов сиденья
Порядковый номер детали
116
48
48
Артикул: 677-6801021
нет в наличии
Втулка нижней боковины подвижной части каркаса сиденья водителя
Количество на схеме: 2
Информация
Втулка нижней боковины подвижной части каркаса сиденья водителя
Количество
2
Модель
677
Группа
Сиденье водителя
Подгруппа
Остов сиденья
Порядковый номер детали
021
49
49
Артикул: 677-6801082
нет в наличии
Пружина сиденья водителя
Количество на схеме: 2
Информация
Пружина сиденья водителя
Количество
2
Модель
677
Группа
Сиденье водителя
Подгруппа
Остов сиденья
Порядковый номер детали
082
50
50
Артикул: 677-6801076
нет в наличии
Палец сиденья водителя
Количество на схеме: 2
Информация
Палец сиденья водителя
Количество
2
Модель
677
Группа
Сиденье водителя
Подгруппа
Остов сиденья
Порядковый номер детали
076
51
51
Артикул: 250462-П8
нет в наличии
Гайка М4
Количество на схеме: 2
Информация
Гайка М4
Количество
2
Покрытие
цинкование
52
52
Артикул: 252132-П2
нет в наличии
Шайба 4
Количество на схеме: 2
Информация
Шайба 4
Количество
2
Покрытие
фосфатирование и промасливание
53
53
Артикул: 677-6801086
нет в наличии
Заглушка сиденья водителя
Количество на схеме: 2
Информация
Заглушка сиденья водителя
Количество
2
Модель
677
Группа
Сиденье водителя
Подгруппа
Остов сиденья
Порядковый номер детали
086
54
54
Артикул: 233022-П8
нет в наличии
Винт для крепления заглушки к каркасу
Количество на схеме: 2
Информация
Винт для крепления заглушки к каркасу
Количество
2
Покрытие
цинкование
55
55
Артикул: 677-6801017
нет в наличии
Боковина подвижной части каркаса сиденья водителя верхняя левая
Количество на схеме: 1
Информация
Боковина подвижной части каркаса сиденья водителя верхняя левая
Количество
1
Модель
677
Группа
Сиденье водителя
Подгруппа
Остов сиденья
Порядковый номер детали
017
56
56
Артикул: 677-6801120
нет в наличии
Пружина фиксатора наклона подушки сиденья водителя
Количество на схеме: 1
Информация
Пружина фиксатора наклона подушки сиденья водителя
Количество
1
Модель
677
Группа
Сиденье водителя
Подгруппа
Остов сиденья
Порядковый номер детали
120
57
57
Артикул: 677-6801129
нет в наличии
Вкладыш толкателя фиксатора наклона подушки сиденья водителя
Количество на схеме: 1
Информация
Вкладыш толкателя фиксатора наклона подушки сиденья водителя
Количество
1
Модель
677
Группа
Сиденье водителя
Подгруппа
Остов сиденья
Порядковый номер детали
129
58
58
Артикул: 677-6801130
нет в наличии
Корпус толкателя фиксатора наклона подушки сиденья водителя
Количество на схеме: 1
Информация
Корпус толкателя фиксатора наклона подушки сиденья водителя
Количество
1
Модель
677
Группа
Сиденье водителя
Подгруппа
Остов сиденья
Порядковый номер детали
130
59
59
Артикул: 677-6801128
нет в наличии
Стержень толкателя фиксатора наклона подушки сиденья водителя
Количество на схеме: 1
Информация
Стержень толкателя фиксатора наклона подушки сиденья водителя
Количество
1
Модель
677
Группа
Сиденье водителя
Подгруппа
Остов сиденья
Порядковый номер детали
128
60
60
Артикул: 190-6205340
нет в наличии
Ручка
Количество на схеме: 1
Информация
Ручка
Количество
1
Модель
190
Группа
Дверь задняя
Подгруппа
Замок и ручки задней двери
Порядковый номер детали
340
61
61
Артикул: 677-6807052
нет в наличии
Буфер подставы сиденья водителя резиновый
Количество на схеме: 1
Информация
Буфер подставы сиденья водителя резиновый
Количество
1
Модель
677
Группа
Сиденье водителя
Подгруппа
6807
Порядковый номер детали
052
62
62
Артикул: 252005-П8
нет в наличии
Шайба 8
Количество на схеме: 1
Информация
Шайба 8
Количество
1
Покрытие
цинкование
63
63
Артикул: 677-6807108
нет в наличии
Шайба гидравлического амортизатора подставы сиденья водителя упорная
Количество на схеме: 1
Информация
Шайба гидравлического амортизатора подставы сиденья водителя упорная
Количество
1
Модель
677
Группа
Сиденье водителя
Подгруппа
6807
Порядковый номер детали
108
64
64
Артикул: 677-6807107
нет в наличии
Кольцо гидравлического амортизатора подставы сиденья водителя зажимное
Количество на схеме: 1
Информация
Кольцо гидравлического амортизатора подставы сиденья водителя зажимное
Количество
1
Модель
677
Группа
Сиденье водителя
Подгруппа
6807
Порядковый номер детали
107
65
65
Артикул: 677-6807098
нет в наличии
Втулка гидравлического амортизатора подставы сиденья водителя верхняя
Количество на схеме: 1
Информация
Втулка гидравлического амортизатора подставы сиденья водителя верхняя
Количество
1
Модель
677
Группа
Сиденье водителя
Подгруппа
6807
Порядковый номер детали
098
66
66
Артикул: 677-6807097
нет в наличии
Кольцо гидравлического амортизатора подставы сиденья водителя уплотнительное
Количество на схеме: 1
Информация
Кольцо гидравлического амортизатора подставы сиденья водителя уплотнительное
Количество
1
Модель
677
Группа
Сиденье водителя
Подгруппа
6807
Порядковый номер детали
097
67
67
Артикул: 677-6807104
нет в наличии
Шток поршня гидравлического амортизатора подставы сиденья водителя
Количество на схеме: 1
Информация
Шток поршня гидравлического амортизатора подставы сиденья водителя
Количество
1
Модель
677
Группа
Сиденье водителя
Подгруппа
6807
Порядковый номер детали
104
68
68
Артикул: 677-6807089
нет в наличии
Манжета
Количество на схеме: 1
Информация
Манжета
Количество
1
Модель
677
Группа
Сиденье водителя
Подгруппа
6807
Порядковый номер детали
089
69
69
Артикул: 412502-П
нет в наличии
Шайба фасонная
Количество на схеме: 1
Информация
Шайба фасонная
Количество
1
Покрытие
без покрытия
70
70
Артикул: 677-6807094
нет в наличии
Пружина гидравлического амортизатора подставы сиденья водителя
Количество на схеме: 1
Информация
Пружина гидравлического амортизатора подставы сиденья водителя
Количество
1
Модель
677
Группа
Сиденье водителя
Подгруппа
6807
Порядковый номер детали
094
71
71
Артикул: 677-6807093
нет в наличии
Вкладыш гидравлического амортизатора в сборе
Количество на схеме: 1
Информация
Вкладыш гидравлического амортизатора в сборе
Количество
1
Модель
677
Группа
Сиденье водителя
Подгруппа
6807
Порядковый номер детали
093
72
72
Артикул: 677-6807099
нет в наличии
Втулка вкладыша гидравлического амортизатора подставы сиденья водителя нижняя
Количество на схеме: 1
Информация
Втулка вкладыша гидравлического амортизатора подставы сиденья водителя нижняя
Количество
1
Модель
677
Группа
Сиденье водителя
Подгруппа
6807
Порядковый номер детали
099
73
73
Артикул: 677-6807103
нет в наличии
Клапан поршня гидравлического амортизатора подставы сиденья водителя пластинчатый
Количество на схеме: 1
Информация
Клапан поршня гидравлического амортизатора подставы сиденья водителя пластинчатый
Количество
1
Модель
677
Группа
Сиденье водителя
Подгруппа
6807
Порядковый номер детали
103
74
74
Артикул: 677-6807101
нет в наличии
Поршень гидравлического амортизатора подставы сиденья водителя
Количество на схеме: 1
Информация
Поршень гидравлического амортизатора подставы сиденья водителя
Количество
1
Модель
677
Группа
Сиденье водителя
Подгруппа
6807
Порядковый номер детали
101
75
75
Артикул: 677-6807109
нет в наличии
Шайба гидравлического амортизатора подставы сиденья водителя замковая
Количество на схеме: 1
Информация
Шайба гидравлического амортизатора подставы сиденья водителя замковая
Количество
1
Модель
677
Группа
Сиденье водителя
Подгруппа
6807
Порядковый номер детали
109
76
76
Артикул: 677-6807048-Б
нет в наличии
Головка ручки фиксатора подставы сиденья водителя
Количество на схеме: 1
Информация
Головка ручки фиксатора подставы сиденья водителя
Количество
1
Модель
677
Группа
Сиденье водителя
Подгруппа
6807
Порядковый номер детали
048
  • Грузовые автомобили
  • Автобусы
  • Сельхозтехника
  • Спецтехника
  • Двигатели
Получить оптовый прайс-лист
Скачать прайс-лист от 07.05.2026 16:00
Специальное предложение от 07.05.2026 17:00
Производители:


  • WEICHAI
  • Автодизель ПАО (ЯМЗ)
  • Тутаевский МЗ
  • ЯЗДА
  • УралАЗ
  • МАЗ
  • АЗПИ
  • BOSCH
  • ММЗ
  • ШААЗ
  • FEDERAL MOGUL
  • ПРАМО
  • Мотордеталь
  • ТАИМ
  • АвтоКрАЗ
  • БЕЛКАРД
  • CZ Strakonice
  • КамАЗ
  • БЗА
  • ЧМЗ
  • BMZ
Новости
Все новости
25 марта 2024
Флагманский седельный тягач «Валдай 45» на выставке «TransRussia»
10 марта 2024
Современные автобусы «CITYMAX 9» и ЛиАЗ-5292 CNG
25 февраля 2024
Серийное производство средних дизельных двигателей повышенной мощности от ЯМЗ
Статьи
Все статьи
Датчики двигателя: за что они отвечают, признаки неисправности и как не прогадать с выбором
Двигатели ЯМЗ-534: история, технические характеристики и области применения
Двигатели ЯМЗ 650: углублённый технический обзор и история
Компания
О компании
Реквизиты
Новости
Политика
Магазины
Информация
Условия оплаты
Условия доставки
Гарантия на товар
Обмен и возврат товара
Помощь
Как оформить заказ
Полезные статьи
Бренды
Пункты выдачи
Оставайтесь на связи
  • Вконтакте
  • YouTube
  • Одноклассники
  • Google Plus
Увидели ошибку?
Выделите, нажав Ctrl + Enter
Наши контакты
8-800-700-35-68
sales@din76.ru
г. Ярославль, Ленинградский пр-т 33, ТЦ "ОМЕГА"
2026 © ООО «Динамика 76» - Все права защищены ООО "Динамика 76"
Предложения на сайте не являются публичной офертой.
На сайте обнаружена ошибка

Текст с ошибкой