Избранное 0 Корзина 0 Личный кабинет
logo
Каталог
Каталог
  • Справочник
    • Грузовые автомобили
    • Автобусы
    • Сельхозтехника
    • Спецтехника
    • Двигатели
  • Доставка
  • Оплата
  • О компании
    • Реквизиты
    • Магазины
    • Оплата
    • Доставка
    • Лицензии и сертификаты
    • Новости
    • Вакансии
  • Контакты
Отправить заявку
Личный кабинет
8 (800) 700-35-68
sales@din76.ru
Избранное 0 Корзина 0
8 (800) 700-35-68
Оптовый прайс-лист
Каталог
  • Двигатели
  • Запчасти WEICHAI
  • Запчасти ЯМЗ, ТМЗ (V-образные)
  • Запчасти ЯМЗ-534, ЯМЗ-536
  • Запчасти ЯМЗ-650, ЯМЗ-651, DCi-11
  • Топливная аппаратура
  • Запчасти УРАЛ
  • Запчасти МАЗ
  • Запчасти КамАЗ
  • Запчасти ММЗ
  • Ремни
Автокаталог (справочник)
  • Доставка
  • Оплата
  • О компании
  • Контакты
8 (800) 700-35-68
Написать в Whatsapp
sales@din76.ru
Динамика 76
Меню  
  • Каталог
    • Двигатели  
      • Двигатели ТМЗ  
        • Двигатели ТМЗ для автомобилей
        • Двигатели ТМЗ для тракторов
        • Специальные двигатели ТМЗ
        • Промышленные двигатели ТМЗ
      • Двигатели ЯМЗ  
        • ЯМЗ 236
        • ЯМЗ 238
        • ЯМЗ 240
        • ЯМЗ 751
        • ЯМЗ 840
        • ЯМЗ 850
        • ЯМЗ 656
        • ЯМЗ 658
        • ЯМЗ 534
        • ЯМЗ 536
        • ЯМЗ 650
        • Двигатели ЯМЗ для электростанций
      • Двигатели КАМАЗ
      • Двигатели ММЗ
      • Двигатели индивидуальной сборки
      • Комплекты переоборудования
    • Запчасти WEICHAI  
      • Основные запчасти двигателя  
        • Клапаны и толкатели
        • Шатуны
        • Вал коленчатый и маховик
        • Вал распределительный
        • Цилиндро-поршневая группа
      • Система питания  
        • Форсунки
        • Турбокомпрессор
      • Система смазки  
        • Насос масляный
      • Головка блока
      • Ремкомплекты
      • Система охлаждения  
        • Насос водяной
        • Муфта вязкостная и крыльчатка
      • Фильтры
      • Электрооборудование  
        • Генератор
        • Стартер
    • Запчасти ЯМЗ, ТМЗ (V-образные)  
      • Основные запчасти двигателя  
        • Блок двигателя и комплектующие
        • Валы распределительные и клапаны
        • Головка блока и комплектующие
        • Цилиндро-поршневая группа
        • Маховики и комплектующие
        • Валы коленчатые и комплектующие
        • Шатуны и комплектующие
      • Система питания  
        • Коллекторы и патрубки
        • Топливные трубопроводы
        • Турбокомпрессор
        • Топливные фильтры
      • Электрооборудование двигателя
      • Система охлаждения  
        • Вязкостные муфты и крыльчатки
        • Приводы вентилятора
        • Водяные насосы
        • Водяные трубы и термостаты
      • Коробки переключения передач  
        • 8 Ступенчатые КПП
        • 5 Ступенчатые КПП
        • 9 Ступенчатые КПП
        • Запасные части КПП ЯМЗ, ТМЗ
      • Система смазки  
        • Теплообменник и комплектующие
        • Масляные насосы
        • Фильтры масляные (ФГОМ, ФЦОМ)
      • Сцепление  
        • Запасные части механизма сцепления
        • Муфты (подшипники выжимные)
        • Корзины (диски нажимные)
        • Диски ведомые
      • Прочие запчасти двигателя  
        • Ремкомплекты
        • Привод агрегатов
        • Натяжные устройства
        • Трубки
    • Запчасти ЯМЗ-534, ЯМЗ-536  
      • Основные запчасти двигателя  
        • Цилиндро-поршневая группа
        • Головка блока цилиндров и комплектующие
        • Блок цилиндров и комплектующие
        • Вал коленчатый и маховик
        • Вал распределительный
        • Клапаны и толкатели
        • ГУР (Гидроусилитель руля)
        • Система рециркуляции отработавших газов
        • Выпускной коллектор
      • Система питания  
        • Коллекторы и патрубки
        • Топливные фильтры
        • Турбокомпрессор
        • Топливные трубопроводы
      • Система смазки  
        • Масляный картер поддон
        • Масляный насос
        • Теплообменник /Водо-масляный радиатор
        • Фильтры масляные (ФГОМ, ФЦОМ)
      • Пневмокомпрессор и натяжное
      • Система охлаждения  
        • Водяной насос
        • Водяные трубы и патрубки
        • Муфты вязкостные, приводы, крыльчатки
      • Ремкомплекты
      • Сцепление
      • Электрооборудование
    • Запчасти ЯМЗ-650, ЯМЗ-651, DCi-11  
      • Основные запчасти двигателя  
        • Цилиндро-поршневая группа
        • Головка блока цилиндров и комплектующие
        • Блок цилиндров и комплектующие
        • Вал коленчатый и маховик
        • Выпускной коллектор
        • Вал распределительный
        • Клапаны и толкатели
        • ГУР (Гидроусилитель руля)
        • Система рециркуляции отработавших газов
      • Система питания  
        • Коллекторы и патрубки
        • Топливные трубопроводы
        • Топливные фильтры
        • Турбокомпрессор
      • Система смазки  
        • Масляный картер / поддон
        • Масляный насос
        • Теплообменник / Водо-масляный радиатор
        • Фильтры масляные (ФГОМ, ФЦОМ)
      • Система охлаждения  
        • Водяной насос
        • Водяные трубы и патрубки
        • Муфты вязкостные, приводы, крыльчатки
      • Ремкомплекты
      • Пневмокомпрессор и натяжное
      • Электрооборудование
      • Сцепление
    • Топливная аппаратура  
      • ЯЗДА  
        • Распылители
        • ТНВД
        • Форсунки
        • Топливный насос низкого давления
        • Пары плунжерные
        • Муфта опережения впрыска топлива
        • Запчасти и комплектующие ТНВД
      • НЗТА
      • АЗПИ  
        • Распылители
        • Форсунки
      • BOSCH
    • Запчасти УРАЛ  
      • Трансмиссия  
        • Коробка раздаточная
        • Передача карданная
        • Мост задний
        • Мост передний (ведущий)
        • Мост средний (промежуточный)
      • Кузов  
        • Дверь кабины
        • Капот, крылья, облицовка радиатора
        • Окно ветровое и заднее
        • Отопление и вентиляция кабины
        • Кабина
      • Механизмы управления  
        • Управление рулевое
        • Тормоза
      • Дополнительное оборудование  
        • Отбор мощности
        • Устройство седельное
      • Электрооборудование
      • Ходовая часть  
        • Колеса и ступицы
        • Ось передняя
        • Подвеска автомобиля
        • Рама
    • Запчасти МАЗ  
      • Трансмиссия  
        • Мост задний
        • Мост передний (ведущий)
        • Передача карданная
        • Мост средний (промежуточный)
      • Кузов  
        • Кабина
        • Дверь кабины
        • Детали основания кабины
        • Окно ветровое и заднее
        • Платформа
      • Механизмы управления  
        • Тормоза
        • Управление рулевое
      • Ходовая часть  
        • Колеса и ступицы
        • Ось передняя
        • Подвеска автомобиля
        • Рама
    • Запчасти КамАЗ  
      • Кузов  
        • Кабина
        • Капот, крылья, облицовка радиатора
        • Дверь кабины
        • Платформа
        • Окно ветровое и заднее
        • Устройство подъемное и опрокидывающее
        • Сиденье
        • Крыша кабины (крыша кузова)
        • Отопление и вентиляция кабины
      • Трансмиссия  
        • Коробка передач
        • Коробка раздаточная
        • Мост задний
        • Сцепление
        • Мост средний (промежуточный)
        • Передача карданная
        • Мост передний (ведущий)
      • Двигатель  
        • Основные запчасти двигателя
        • Система охлаждения
        • Система питания
        • Система смазки
      • Дополнительное оборудование  
        • Отбор мощности
        • Устройство седельное
      • Ходовая часть  
        • Подвеска автомобиля
        • Рама
        • Колеса и ступицы
        • Ось передняя
      • Механизмы управления  
        • Тормоза
        • Управление рулевое
      • Электрооборудование
    • Запчасти ММЗ
    • Ремни
  • Справочник
    • Грузовые автомобили
    • Автобусы
    • Сельхозтехника
    • Спецтехника
    • Двигатели
  • Как купить
    • Условия оплаты
    • Условия доставки
    • Гарантия на товар
    • Пункты выдачи
  • Услуги
    • Капитальный ремонт двигателей ЯМЗ
  • Акции
  • Статьи
  • Контакты
  • Компания
    • Реквизиты
    • Магазины
    • Оплата
    • Доставка
    • Лицензии и сертификаты
    • Новости
    • Вакансии
Избранное 0 Корзина 0
8-800-700-35-68

Карбюратор на ЛиАЗ 677

Справочник
Главная
-
Автокаталог
-
Автобусы
-
ЛиАЗ
-
ЛиАЗ 677
Справочный каталог

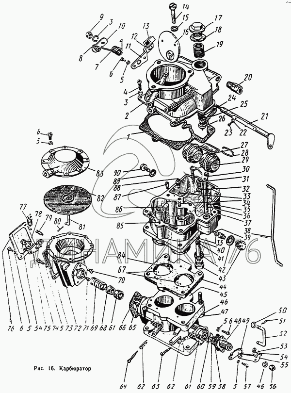
Карбюратор — ЛиАЗ 677:

121-1107859 130-1107524 130-1107540-В 375-1107400-В 375-1107500-В 1 2 3 3 4 5 5 5 5 5 5 6 6 6 6 7 8 9 10 11 12 13 14 15 16 17 18 19 20 21 22 23 24 25 26 27 28 29 30 31 32 33 33 34 35 36 37 38 39 40 41 42 43 44 45 46 46 47 48 49 50 51 52 53 54 54 55 56 57 58 59 60 61 61 62 62 63 64 65 66 67 68 69 70 71 72 73 74 75 76 77 78 79 80 81 82 83 84 85 86 87 88 89 90
в наличии
нет в наличии
масштаб

В наличии
Нет в наличии

Перечень комплектующих от Карбюратор на ЛиАЗ 677

Схемы запчастей предназначены для справочных целей! Мы продаем не все запчасти от Карбюратор на ЛиАЗ 677, представленные в этом списке.
Наличие на складах по деталям с ценой смотрите в карточке товара.
Артикул: 121-1107859
нет в наличии
Винт крепления крышки
Количество на схеме: 1
Информация
Винт крепления крышки
Количество
1
Модель
121
Группа
Cистема питания двигателя
Подгруппа
Карбюратор
Порядковый номер детали
859
Артикул: 130-1107524
нет в наличии
Корпус диафрагменного механизма ограничителя числа оборотов коленчатого вала двигателя в сборе
Количество на схеме: 1
Информация
Корпус диафрагменного механизма ограничителя числа оборотов коленчатого вала двигателя в сборе
Количество
1
Модель
130
Группа
Cистема питания двигателя
Подгруппа
Карбюратор
Порядковый номер детали
524
Артикул: 130-1107540-В
нет в наличии
Привод дроссельных заслонок в сборе
Количество на схеме: 1
Информация
Привод дроссельных заслонок в сборе
Количество
1
Модель
130
Группа
Cистема питания двигателя
Подгруппа
Карбюратор
Порядковый номер детали
540
Артикул: 375-1107400-В
нет в наличии
Корпус поплавковой камеры в сборе
Количество на схеме: 1
Информация
Корпус поплавковой камеры в сборе
Количество
1
Модель
375
Группа
Cистема питания двигателя
Подгруппа
Карбюратор
Порядковый номер детали
400
Артикул: 375-1107500-В
нет в наличии
Камера смесительная в сборе
Количество на схеме: 1
Информация
Камера смесительная в сборе
Количество
1
Модель
375
Группа
Cистема питания двигателя
Подгруппа
Карбюратор
Порядковый номер детали
500
1
1
Артикул: 130-1107085
нет в наличии
Прокладка верхнего корпуса
Количество на схеме: 1
Информация
Прокладка верхнего корпуса
Количество
1
Модель
130
Группа
Cистема питания двигателя
Подгруппа
Карбюратор
Порядковый номер детали
085
2
2
Артикул: 130-1107322-Б
нет в наличии
Корпус верхний
Количество на схеме: 1
Информация
Корпус верхний
Количество
1
Модель
130
Группа
Cистема питания двигателя
Подгруппа
Карбюратор
Порядковый номер детали
322
3
3
Артикул: 252154-П2
нет в наличии
Шайба 6 пружинная
Количество на схеме: 1
Информация
Шайба 6 пружинная
Количество
1
Покрытие
фосфатирование и промасливание
3
3
Артикул: 252154-П2
нет в наличии
Шайба 6 пружинная
Количество на схеме: 6
Информация
Шайба 6 пружинная
Количество
6
Покрытие
фосфатирование и промасливание
4
4
Артикул: 222525-П8
нет в наличии
Винт
Количество на схеме: 6
Информация
Винт
Количество
6
Покрытие
цинкование
5
5
Артикул: 252153-П2
нет в наличии
Шайба 5 пружинная
Количество на схеме: 1
Информация
Шайба 5 пружинная
Количество
1
Покрытие
фосфатирование и промасливание
5
5
Артикул: 252153-П2
нет в наличии
Шайба 5 пружинная
Количество на схеме: 2
Информация
Шайба 5 пружинная
Количество
2
Покрытие
фосфатирование и промасливание
5
5
Артикул: 252153-П2
нет в наличии
Шайба 5 пружинная
Количество на схеме: 3
Информация
Шайба 5 пружинная
Количество
3
Покрытие
фосфатирование и промасливание
5
5
Артикул: 252153-П2
нет в наличии
Шайба 5 пружинная
Количество на схеме: 4
Информация
Шайба 5 пружинная
Количество
4
Покрытие
фосфатирование и промасливание
5
5
Артикул: 252153-П2
нет в наличии
Шайба 5 пружинная
Количество на схеме: 8
Информация
Шайба 5 пружинная
Количество
8
Покрытие
фосфатирование и промасливание
6
6
Артикул: 222498-П29
нет в наличии
Винт крепления крышки
Количество на схеме: 7
Информация
Винт крепления крышки
Количество
7
Покрытие
цинкование и пассивирование (цинковое с хроматированием)
6
6
Артикул: 222498-П8
нет в наличии
Винт
Количество на схеме: 1
Информация
Винт
Количество
1
Покрытие
цинкование
6
6
Артикул: 222498-П8
нет в наличии
Винт
Количество на схеме: 4
Информация
Винт
Количество
4
Покрытие
цинкование
6
6
Артикул: 222498-П8
нет в наличии
Винт
Количество на схеме: 1
Информация
Винт
Количество
1
Покрытие
цинкование
7
7
Артикул: 121-1107260
нет в наличии
Пружина валика
Количество на схеме: 1
Информация
Пружина валика
Количество
1
Модель
121
Группа
Cистема питания двигателя
Подгруппа
Карбюратор
Порядковый номер детали
260
8
8
Артикул: 301052-П8
нет в наличии
Болт
Количество на схеме: 1
Информация
Болт
Количество
1
Покрытие
цинкование
9
9
Артикул: 250508-П8
нет в наличии
Гайка М6х1
Количество на схеме: 1
Информация
Гайка М6х1
Количество
1
Покрытие
цинкование
10
10
Артикул: 130-1107250
нет в наличии
Рычаг воздушной заслонки в сборе
Количество на схеме: 1
Информация
Рычаг воздушной заслонки в сборе
Количество
1
Модель
130
Группа
Cистема питания двигателя
Подгруппа
Карбюратор
Порядковый номер детали
250
11
11
Артикул: 121-1107270
нет в наличии
Кронштейн троса воздушной заслонки
Количество на схеме: 1
Информация
Кронштейн троса воздушной заслонки
Количество
1
Модель
121
Группа
Cистема питания двигателя
Подгруппа
Карбюратор
Порядковый номер детали
270
12
12
Артикул: 121-1107275
нет в наличии
Болт зажима троса
Количество на схеме: 1
Информация
Болт зажима троса
Количество
1
Модель
121
Группа
Cистема питания двигателя
Подгруппа
Карбюратор
Порядковый номер детали
275
13
13
Артикул: 121-1107274
нет в наличии
Зажим троса
Количество на схеме: 1
Информация
Зажим троса
Количество
1
Модель
121
Группа
Cистема питания двигателя
Подгруппа
Карбюратор
Порядковый номер детали
274
14
14
Артикул: 121-1107447
нет в наличии
Винт канала игольчатого клапана
Количество на схеме: 1
Информация
Винт канала игольчатого клапана
Количество
1
Модель
121
Группа
Cистема питания двигателя
Подгруппа
Карбюратор
Порядковый номер детали
447
15
15
Артикул: 11-1046
нет в наличии
Прокладка винта
Количество на схеме: 1
Информация
Прокладка винта
Количество
1
16
16
Артикул: 130-1107230-Б
нет в наличии
Заслонка воздушная с клапаном в сборе
Количество на схеме: 1
Информация
Заслонка воздушная с клапаном в сборе
Количество
1
Модель
130
Группа
Cистема питания двигателя
Подгруппа
Карбюратор
Порядковый номер детали
230
17
17
Артикул: К80-1107342
нет в наличии
Пробка фильтра подачи горючего
Количество на схеме: 1
Информация
Пробка фильтра подачи горючего
Количество
1
Модель
К80
Группа
Cистема питания двигателя
Подгруппа
Карбюратор
Порядковый номер детали
342
18
18
Артикул: К80-1107343
нет в наличии
Прокладка пробки
Количество на схеме: 1
Информация
Прокладка пробки
Количество
1
Модель
К80
Группа
Cистема питания двигателя
Подгруппа
Карбюратор
Порядковый номер детали
343
19
19
Артикул: К80-1107341-Б
нет в наличии
Сетка фильтра подачи горючего
Количество на схеме: 1
Информация
Сетка фильтра подачи горючего
Количество
1
Модель
К80
Группа
Cистема питания двигателя
Подгруппа
Карбюратор
Порядковый номер детали
341
20
20
Артикул: 300304-П8
нет в наличии
Штуцер фильтра
Количество на схеме: 1
Информация
Штуцер фильтра
Количество
1
Покрытие
цинкование
21
21
Артикул: 130-1107240-Б2
нет в наличии
Валик воздушной заслонки в сборе
Количество на схеме: 1
Информация
Валик воздушной заслонки в сборе
Количество
1
Модель
130
Группа
Cистема питания двигателя
Подгруппа
Карбюратор
Порядковый номер детали
240
22
22
Артикул: 252132-П2
нет в наличии
Шайба 4
Количество на схеме: 2
Информация
Шайба 4
Количество
2
Покрытие
фосфатирование и промасливание
23
23
Артикул: 220050-П8
нет в наличии
Винт М4х8
Количество на схеме: 2
Информация
Винт М4х8
Количество
2
Покрытие
цинкование
24
24
Артикул: 110-1106021
нет в наличии
Прокладка клапана
Информация
Прокладка клапана
Модель
110
Группа
Cистема питания двигателя
Подгруппа
Насос топливный низкого давления
Порядковый номер детали
021
25
25
Артикул: 120Д-1107247
нет в наличии
Прокладка
Информация
Прокладка
Модель
120Д
Группа
Cистема питания двигателя
Подгруппа
Карбюратор
Порядковый номер детали
247
26
26
Артикул: 130-1107330
нет в наличии
Клапан подачи горючего в сборе
Количество на схеме: 1
Информация
Клапан подачи горючего в сборе
Количество
1
Модель
130
Группа
Cистема питания двигателя
Подгруппа
Карбюратор
Порядковый номер детали
330
27
27
Артикул: 121-1107605
нет в наличии
Пружина
Количество на схеме: 1
Информация
Пружина
Количество
1
Модель
121
Группа
Cистема питания двигателя
Подгруппа
Карбюратор
Порядковый номер детали
605
28
28
Артикул: 121-1107627
нет в наличии
Ось рычажка поплавка
Количество на схеме: 1
Информация
Ось рычажка поплавка
Количество
1
Модель
121
Группа
Cистема питания двигателя
Подгруппа
Карбюратор
Порядковый номер детали
627
29
29
Артикул: 121-1107660-А
нет в наличии
Поплавок с рычажком в сборе
Количество на схеме: 1
Информация
Поплавок с рычажком в сборе
Количество
1
Модель
121
Группа
Cистема питания двигателя
Подгруппа
Карбюратор
Порядковый номер детали
660
30
30
Артикул: 130-1107120-Б
нет в наличии
Поршень насоса ускорения в сборе
Количество на схеме: 1
Информация
Поршень насоса ускорения в сборе
Количество
1
Модель
130
Группа
Cистема питания двигателя
Подгруппа
Карбюратор
Порядковый номер детали
120
31
31
Артикул: 375-1107444-Б
нет в наличии
Жиклер главный
Количество на схеме: 2
Информация
Жиклер главный
Количество
2
Модель
375
Группа
Cистема питания двигателя
Подгруппа
Карбюратор
Порядковый номер детали
444
32
32
Артикул: К80-1107447-А
нет в наличии
Прокладка главного жиклера
Количество на схеме: 2
Информация
Прокладка главного жиклера
Количество
2
Модель
К80
Группа
Cистема питания двигателя
Подгруппа
Карбюратор
Порядковый номер детали
447
33
33
Артикул: 110-1107073
нет в наличии
Прокладка механического экономайзера
Количество на схеме: 5
Информация
Прокладка механического экономайзера
Количество
5
Модель
110
Группа
Cистема питания двигателя
Подгруппа
Карбюратор
Порядковый номер детали
073
34
34
Артикул: 110-1107221
нет в наличии
Клапан насоса ускорения игольчатый нагнетательный
Количество на схеме: 1
Информация
Клапан насоса ускорения игольчатый нагнетательный
Количество
1
Модель
110
Группа
Cистема питания двигателя
Подгруппа
Карбюратор
Порядковый номер детали
221
35
35
Артикул: 121-1107441
нет в наличии
Кольцо клапана запорное
Количество на схеме: 1
Информация
Кольцо клапана запорное
Количество
1
Модель
121
Группа
Cистема питания двигателя
Подгруппа
Карбюратор
Порядковый номер детали
441
36
36
Артикул: 121-1107428
нет в наличии
Клапан насоса ускорения шариковый впускной
Количество на схеме: 1
Информация
Клапан насоса ускорения шариковый впускной
Количество
1
Модель
121
Группа
Cистема питания двигателя
Подгруппа
Карбюратор
Порядковый номер детали
428
37
37
Артикул: 375-1107422-В
нет в наличии
Корпус поплавковой камеры
Количество на схеме: 1
Информация
Корпус поплавковой камеры
Количество
1
Модель
375
Группа
Cистема питания двигателя
Подгруппа
Карбюратор
Порядковый номер детали
422
38
38
Артикул: 130-1107554
нет в наличии
Тяга рычага связи
Количество на схеме: 1
Информация
Тяга рычага связи
Количество
1
Модель
130
Группа
Cистема питания двигателя
Подгруппа
Карбюратор
Порядковый номер детали
554
39
39
Артикул: 130-1107442-Б
нет в наличии
Жиклер полной мощности
Количество на схеме: 2
Информация
Жиклер полной мощности
Количество
2
Модель
130
Группа
Cистема питания двигателя
Подгруппа
Карбюратор
Порядковый номер детали
442
40
40
Артикул: 130-1107208-Б
нет в наличии
Толкатель механического экономайзера
Количество на схеме: 1
Информация
Толкатель механического экономайзера
Количество
1
Модель
130
Группа
Cистема питания двигателя
Подгруппа
Карбюратор
Порядковый номер детали
208
41
41
Артикул: 375-1107210
нет в наличии
Экономайзер механический в сборе
Количество на схеме: 1
Информация
Экономайзер механический в сборе
Количество
1
Модель
375
Группа
Cистема питания двигателя
Подгруппа
Карбюратор
Порядковый номер детали
210
42
42
Артикул: 130-1107184
нет в наличии
Прокладка пробки
Количество на схеме: 3
Информация
Прокладка пробки
Количество
3
Модель
130
Группа
Cистема питания двигателя
Подгруппа
Карбюратор
Порядковый номер детали
184
43
43
Артикул: 121-1107214-А
нет в наличии
Пробка канала механического экономайзера
Количество на схеме: 3
Информация
Пробка канала механического экономайзера
Количество
3
Модель
121
Группа
Cистема питания двигателя
Подгруппа
Карбюратор
Порядковый номер детали
214
44
44
Артикул: 130-1107089
нет в наличии
Прокладка смесительной камеры
Количество на схеме: 1
Информация
Прокладка смесительной камеры
Количество
1
Модель
130
Группа
Cистема питания двигателя
Подгруппа
Карбюратор
Порядковый номер детали
089
45
45
Артикул: 375-1107507-Б
нет в наличии
Корпус смесительной камеры
Количество на схеме: 1
Информация
Корпус смесительной камеры
Количество
1
Модель
375
Группа
Cистема питания двигателя
Подгруппа
Карбюратор
Порядковый номер детали
507
46
46
Артикул: 252155-П2
нет в наличии
Шайба 8 пружинная
Количество на схеме: 1
Информация
Шайба 8 пружинная
Количество
1
Покрытие
фосфатирование и промасливание
46
46
Артикул: 252155-П2
нет в наличии
Шайба 8 пружинная
Количество на схеме: 4
Информация
Шайба 8 пружинная
Количество
4
Покрытие
фосфатирование и промасливание
47
47
Артикул: 121-1107042
нет в наличии
Болт крепления смесительной камеры
Количество на схеме: 4
Информация
Болт крепления смесительной камеры
Количество
4
Модель
121
Группа
Cистема питания двигателя
Подгруппа
Карбюратор
Порядковый номер детали
042
48
48
Артикул: 130-1107533-Б2
нет в наличии
Корпус привода дроссельной заслонки в сборе
Количество на схеме: 1
Информация
Корпус привода дроссельной заслонки в сборе
Количество
1
Модель
130
Группа
Cистема питания двигателя
Подгруппа
Карбюратор
Порядковый номер детали
533
49
49
Артикул: 130-1107553
нет в наличии
Рычаг связи дроссельных заслонок
Количество на схеме: 1
Информация
Рычаг связи дроссельных заслонок
Количество
1
Модель
130
Группа
Cистема питания двигателя
Подгруппа
Карбюратор
Порядковый номер детали
553
50
50
Артикул: 110-1107086
нет в наличии
Шайба
Количество на схеме: 1
Информация
Шайба
Количество
1
Модель
110
Группа
Cистема питания двигателя
Подгруппа
Карбюратор
Порядковый номер детали
086
51
51
Артикул: 258000-П29
нет в наличии
Шплинт 1,5х10
Количество на схеме: 2
Информация
Шплинт 1,5х10
Количество
2
Покрытие
цинкование и пассивирование (цинковое с хроматированием)
52
52
Артикул: 130-1107142-В
нет в наличии
Тяга насоса ускорения
Количество на схеме: 1
Информация
Тяга насоса ускорения
Количество
1
Модель
130
Группа
Cистема питания двигателя
Подгруппа
Карбюратор
Порядковый номер детали
142
53
53
Артикул: 402011-П29
нет в наличии
Винт регулировочный
Количество на схеме: 1
Информация
Винт регулировочный
Количество
1
Покрытие
цинкование и пассивирование (цинковое с хроматированием)
54
54
Артикул: 250404-П8
нет в наличии
Гайка регулировочного винта
Количество на схеме: 1
Информация
Гайка регулировочного винта
Количество
1
Покрытие
цинкование
54
54
Артикул: 250464-П8
нет в наличии
Гайка М5
Количество на схеме: 1
Информация
Гайка М5
Количество
1
Покрытие
цинкование
55
55
Артикул: 130-1107541-В
нет в наличии
Рычаг привода
Количество на схеме: 1
Информация
Рычаг привода
Количество
1
Модель
130
Группа
Cистема питания двигателя
Подгруппа
Карбюратор
Порядковый номер детали
541
56
56
Артикул: 250510-П8
нет в наличии
Гайка М8х1
Количество на схеме: 1
Информация
Гайка М8х1
Количество
1
Покрытие
цинкование
57
57
Артикул: 130-1107578
нет в наличии
Винт упора рычага привода
Количество на схеме: 1
Информация
Винт упора рычага привода
Количество
1
Модель
130
Группа
Cистема питания двигателя
Подгруппа
Карбюратор
Порядковый номер детали
578
58
58
Артикул: 130-1107502
нет в наличии
Прокладка корпуса привода дроссельных заслонок
Информация
Прокладка корпуса привода дроссельных заслонок
Модель
130
Группа
Cистема питания двигателя
Подгруппа
Карбюратор
Порядковый номер детали
502
59
59
Артикул: 130-1107503
нет в наличии
Кольцо подшипника замковое
Количество на схеме: 1
Информация
Кольцо подшипника замковое
Количество
1
Модель
130
Группа
Cистема питания двигателя
Подгруппа
Карбюратор
Порядковый номер детали
503
60
60
Артикул: 130-1107547-А
нет в наличии
Валик привода
Количество на схеме: 1
Информация
Валик привода
Количество
1
Модель
130
Группа
Cистема питания двигателя
Подгруппа
Карбюратор
Порядковый номер детали
547
61
61
Артикул: 130-1107814-Б2
нет в наличии
Шариковый радиальный однорядный с защитной шайбой 25х62х17 по ГОСТу № 60018
Количество на схеме: 2
Информация
Шариковый радиальный однорядный с защитной шайбой 25х62х17 по ГОСТу № 60018
Количество
2
Модель
130
Группа
Cистема питания двигателя
Подгруппа
Карбюратор
Порядковый номер детали
814
62
62
Артикул: 130-1107436
нет в наличии
Пружина регулировочных игл и болта
Количество на схеме: 3
Информация
Пружина регулировочных игл и болта
Количество
3
Модель
130
Группа
Cистема питания двигателя
Подгруппа
Карбюратор
Порядковый номер детали
436
63
63
Артикул: 301495-П29
нет в наличии
Болт регулировочный
Количество на схеме: 1
Информация
Болт регулировочный
Количество
1
Покрытие
цинкование и пассивирование (цинковое с хроматированием)
64
64
Артикул: 121-1107434-Б
нет в наличии
Игла холостого хода регулировочная
Количество на схеме: 2
Информация
Игла холостого хода регулировочная
Количество
2
Модель
121
Группа
Cистема питания двигателя
Подгруппа
Карбюратор
Порядковый номер детали
434
65
65
Артикул: 375-1107509-Б
нет в наличии
Ось дроссельных заслонок с рычагом в сборе
Количество на схеме: 1
Информация
Ось дроссельных заслонок с рычагом в сборе
Количество
1
Модель
375
Группа
Cистема питания двигателя
Подгруппа
Карбюратор
Порядковый номер детали
509
66
66
Артикул: 130-1107501
нет в наличии
Прокладка корпуса диафрагменного механизма
Количество на схеме: 1
Информация
Прокладка корпуса диафрагменного механизма
Количество
1
Модель
130
Группа
Cистема питания двигателя
Подгруппа
Карбюратор
Порядковый номер детали
501
67
67
Артикул: 375-1107531-Б
нет в наличии
Заслонка дроссельная
Количество на схеме: 2
Информация
Заслонка дроссельная
Количество
2
Модель
375
Группа
Cистема питания двигателя
Подгруппа
Карбюратор
Порядковый номер детали
531
68
68
Артикул: 130-1107506-Б
нет в наличии
Манжета уплотнительная
Количество на схеме: 1
Информация
Манжета уплотнительная
Количество
1
Модель
130
Группа
Cистема питания двигателя
Подгруппа
Карбюратор
Порядковый номер детали
506
69
69
Артикул: 130-1107508
нет в наличии
Пружина
Количество на схеме: 1
Информация
Пружина
Количество
1
Модель
130
Группа
Cистема питания двигателя
Подгруппа
Карбюратор
Порядковый номер детали
508
70
70
Артикул: 130-1107537
нет в наличии
Жиклер ограничителя вакуумный
Количество на схеме: 1
Информация
Жиклер ограничителя вакуумный
Количество
1
Модель
130
Группа
Cистема питания двигателя
Подгруппа
Карбюратор
Порядковый номер детали
537
71
71
Артикул: 130-1107538
нет в наличии
Жиклер ограничителя воздушный
Количество на схеме: 1
Информация
Жиклер ограничителя воздушный
Количество
1
Модель
130
Группа
Cистема питания двигателя
Подгруппа
Карбюратор
Порядковый номер детали
538
72
72
Артикул: 130-1107523
нет в наличии
Корпус диафрагменного механизма
Количество на схеме: 1
Информация
Корпус диафрагменного механизма
Количество
1
Модель
130
Группа
Cистема питания двигателя
Подгруппа
Карбюратор
Порядковый номер детали
523
73
73
Артикул: 130-1107589
нет в наличии
Прокладка крышки ограничителя
Количество на схеме: 1
Информация
Прокладка крышки ограничителя
Количество
1
Модель
130
Группа
Cистема питания двигателя
Подгруппа
Карбюратор
Порядковый номер детали
589
74
74
Артикул: 222501-П8
нет в наличии
Винт
Количество на схеме: 3
Информация
Винт
Количество
3
Покрытие
цинкование
75
75
Артикул: 130-1107525
нет в наличии
Рычаг ограничителя числа оборотов со штифтом для пружины в сборе
Количество на схеме: 1
Информация
Рычаг ограничителя числа оборотов со штифтом для пружины в сборе
Количество
1
Модель
130
Группа
Cистема питания двигателя
Подгруппа
Карбюратор
Порядковый номер детали
525
76
76
Артикул: 130-1107586
нет в наличии
Крышка ограничителя
Количество на схеме: 1
Информация
Крышка ограничителя
Количество
1
Модель
130
Группа
Cистема питания двигателя
Подгруппа
Карбюратор
Порядковый номер детали
586
77
77
Артикул: 130-1107582
нет в наличии
Пружина ограничителя
Количество на схеме: 1
Информация
Пружина ограничителя
Количество
1
Модель
130
Группа
Cистема питания двигателя
Подгруппа
Карбюратор
Порядковый номер детали
582
78
78
Артикул: 130-1107581-Б
нет в наличии
Шайба рычага
Количество на схеме: 1
Информация
Шайба рычага
Количество
1
Модель
130
Группа
Cистема питания двигателя
Подгруппа
Карбюратор
Порядковый номер детали
581
79
79
Артикул: 130-1107596
нет в наличии
Винт пружины
Количество на схеме: 1
Информация
Винт пружины
Количество
1
Модель
130
Группа
Cистема питания двигателя
Подгруппа
Карбюратор
Порядковый номер детали
596
80
80
Артикул: 258000-П29
нет в наличии
Шплинт 1,5х10
Количество на схеме: 1
Информация
Шплинт 1,5х10
Количество
1
Покрытие
цинкование и пассивирование (цинковое с хроматированием)
81
81
Артикул: 130-1107515
нет в наличии
Диафрагма с тягой в сборе
Количество на схеме: 1
Информация
Диафрагма с тягой в сборе
Количество
1
Модель
130
Группа
Cистема питания двигателя
Подгруппа
Карбюратор
Порядковый номер детали
515
82
82
Артикул: 130-1107519
нет в наличии
Диск диафрагмы
Количество на схеме: 1
Информация
Диск диафрагмы
Количество
1
Модель
130
Группа
Cистема питания двигателя
Подгруппа
Карбюратор
Порядковый номер детали
519
83
83
Артикул: 130-1107565
нет в наличии
Крышка диафрагменного механизма с направляющей втулкой в сборе
Количество на схеме: 1
Информация
Крышка диафрагменного механизма с направляющей втулкой в сборе
Количество
1
Модель
130
Группа
Cистема питания двигателя
Подгруппа
Карбюратор
Порядковый номер детали
565
84
84
Артикул: 222963-П29
нет в наличии
Винт крепления дроссельной заслонки
Количество на схеме: 4
Информация
Винт крепления дроссельной заслонки
Количество
4
Покрытие
цинкование и пассивирование (цинковое с хроматированием)
85
85
Артикул: 258387-П29
нет в наличии
Штифт установочный
Количество на схеме: 1
Информация
Штифт установочный
Количество
1
Покрытие
цинкование и пассивирование (цинковое с хроматированием)
86
86
Артикул: 121-1107044
нет в наличии
Диффузор малый
Количество на схеме: 2
Информация
Диффузор малый
Количество
2
Модель
121
Группа
Cистема питания двигателя
Подгруппа
Карбюратор
Порядковый номер детали
044
87
87
Артикул: 375-1107445-Б
нет в наличии
Жиклер воздушный
Количество на схеме: 2
Информация
Жиклер воздушный
Количество
2
Модель
375
Группа
Cистема питания двигателя
Подгруппа
Карбюратор
Порядковый номер детали
445
88
88
Артикул: 375-1107409-Б
нет в наличии
Жиклер холостого хода
Количество на схеме: 2
Информация
Жиклер холостого хода
Количество
2
Модель
375
Группа
Cистема питания двигателя
Подгруппа
Карбюратор
Порядковый номер детали
409
89
89
Артикул: 110-1107177
нет в наличии
Прокладка пробки
Количество на схеме: 1
Информация
Прокладка пробки
Количество
1
Модель
110
Группа
Cистема питания двигателя
Подгруппа
Карбюратор
Порядковый номер детали
177
90
90
Артикул: К80-1107076
нет в наличии
Пробка уровня горючего
Количество на схеме: 1
Информация
Пробка уровня горючего
Количество
1
Модель
К80
Группа
Cистема питания двигателя
Подгруппа
Карбюратор
Порядковый номер детали
076
  • Грузовые автомобили
  • Автобусы
  • Сельхозтехника
  • Спецтехника
  • Двигатели
Получить оптовый прайс-лист
Скачать прайс-лист от 07.05.2026 16:00
Специальное предложение от 07.05.2026 17:00
Производители:


  • WEICHAI
  • Автодизель ПАО (ЯМЗ)
  • Тутаевский МЗ
  • ЯЗДА
  • УралАЗ
  • МАЗ
  • АЗПИ
  • BOSCH
  • ММЗ
  • ШААЗ
  • FEDERAL MOGUL
  • ПРАМО
  • Мотордеталь
  • ТАИМ
  • АвтоКрАЗ
  • БЕЛКАРД
  • CZ Strakonice
  • КамАЗ
  • БЗА
  • ЧМЗ
  • BMZ
Новости
Все новости
25 марта 2024
Флагманский седельный тягач «Валдай 45» на выставке «TransRussia»
10 марта 2024
Современные автобусы «CITYMAX 9» и ЛиАЗ-5292 CNG
25 февраля 2024
Серийное производство средних дизельных двигателей повышенной мощности от ЯМЗ
Статьи
Все статьи
Датчики двигателя: за что они отвечают, признаки неисправности и как не прогадать с выбором
Двигатели ЯМЗ-534: история, технические характеристики и области применения
Двигатели ЯМЗ 650: углублённый технический обзор и история
Компания
О компании
Реквизиты
Новости
Политика
Магазины
Информация
Условия оплаты
Условия доставки
Гарантия на товар
Обмен и возврат товара
Помощь
Как оформить заказ
Полезные статьи
Бренды
Пункты выдачи
Оставайтесь на связи
  • Вконтакте
  • YouTube
  • Одноклассники
  • Google Plus
Увидели ошибку?
Выделите, нажав Ctrl + Enter
Наши контакты
8-800-700-35-68
sales@din76.ru
г. Ярославль, Ленинградский пр-т 33, ТЦ "ОМЕГА"
2026 © ООО «Динамика 76» - Все права защищены ООО "Динамика 76"
Предложения на сайте не являются публичной офертой.
На сайте обнаружена ошибка

Текст с ошибкой