Избранное 0 Корзина 0 Личный кабинет
logo
Каталог
Каталог
  • Справочник
    • Грузовые автомобили
    • Автобусы
    • Сельхозтехника
    • Спецтехника
    • Двигатели
  • Доставка
  • Оплата
  • О компании
    • Реквизиты
    • Магазины
    • Оплата
    • Доставка
    • Лицензии и сертификаты
    • Новости
    • Вакансии
  • Контакты
Отправить заявку
Личный кабинет
8 (800) 700-35-68
sales@din76.ru
Избранное 0 Корзина 0
8 (800) 700-35-68
Оптовый прайс-лист
Каталог
  • Двигатели
  • Запчасти WEICHAI
  • Запчасти ЯМЗ, ТМЗ (V-образные)
  • Запчасти ЯМЗ-534, ЯМЗ-536
  • Запчасти ЯМЗ-650, ЯМЗ-651, DCi-11
  • Топливная аппаратура
  • Запчасти УРАЛ
  • Запчасти МАЗ
  • Запчасти КамАЗ
  • Запчасти ММЗ
  • Ремни
Автокаталог (справочник)
  • Доставка
  • Оплата
  • О компании
  • Контакты
8 (800) 700-35-68
Написать в Whatsapp
sales@din76.ru
Динамика 76
Меню  
  • Каталог
    • Двигатели  
      • Двигатели ТМЗ  
        • Двигатели ТМЗ для автомобилей
        • Двигатели ТМЗ для тракторов
        • Специальные двигатели ТМЗ
        • Промышленные двигатели ТМЗ
      • Двигатели ЯМЗ  
        • ЯМЗ 236
        • ЯМЗ 238
        • ЯМЗ 240
        • ЯМЗ 751
        • ЯМЗ 840
        • ЯМЗ 850
        • ЯМЗ 656
        • ЯМЗ 658
        • ЯМЗ 534
        • ЯМЗ 536
        • ЯМЗ 650
        • Двигатели ЯМЗ для электростанций
      • Двигатели КАМАЗ
      • Двигатели ММЗ
      • Двигатели индивидуальной сборки
      • Комплекты переоборудования
    • Запчасти WEICHAI  
      • Основные запчасти двигателя  
        • Клапаны и толкатели
        • Шатуны
        • Вал коленчатый и маховик
        • Вал распределительный
        • Цилиндро-поршневая группа
      • Система питания  
        • Форсунки
        • Турбокомпрессор
      • Система смазки  
        • Насос масляный
      • Головка блока
      • Ремкомплекты
      • Система охлаждения  
        • Насос водяной
        • Муфта вязкостная и крыльчатка
      • Фильтры
      • Электрооборудование  
        • Генератор
        • Стартер
    • Запчасти ЯМЗ, ТМЗ (V-образные)  
      • Основные запчасти двигателя  
        • Блок двигателя и комплектующие
        • Валы распределительные и клапаны
        • Головка блока и комплектующие
        • Цилиндро-поршневая группа
        • Маховики и комплектующие
        • Валы коленчатые и комплектующие
        • Шатуны и комплектующие
      • Система питания  
        • Коллекторы и патрубки
        • Топливные трубопроводы
        • Турбокомпрессор
        • Топливные фильтры
      • Электрооборудование двигателя
      • Система охлаждения  
        • Вязкостные муфты и крыльчатки
        • Приводы вентилятора
        • Водяные насосы
        • Водяные трубы и термостаты
      • Коробки переключения передач  
        • 8 Ступенчатые КПП
        • 5 Ступенчатые КПП
        • 9 Ступенчатые КПП
        • Запасные части КПП ЯМЗ, ТМЗ
      • Система смазки  
        • Теплообменник и комплектующие
        • Масляные насосы
        • Фильтры масляные (ФГОМ, ФЦОМ)
      • Сцепление  
        • Запасные части механизма сцепления
        • Муфты (подшипники выжимные)
        • Корзины (диски нажимные)
        • Диски ведомые
      • Прочие запчасти двигателя  
        • Ремкомплекты
        • Привод агрегатов
        • Натяжные устройства
        • Трубки
    • Запчасти ЯМЗ-534, ЯМЗ-536  
      • Основные запчасти двигателя  
        • Цилиндро-поршневая группа
        • Головка блока цилиндров и комплектующие
        • Блок цилиндров и комплектующие
        • Вал коленчатый и маховик
        • Вал распределительный
        • Клапаны и толкатели
        • ГУР (Гидроусилитель руля)
        • Система рециркуляции отработавших газов
        • Выпускной коллектор
      • Система питания  
        • Коллекторы и патрубки
        • Топливные фильтры
        • Турбокомпрессор
        • Топливные трубопроводы
      • Система смазки  
        • Масляный картер поддон
        • Масляный насос
        • Теплообменник /Водо-масляный радиатор
        • Фильтры масляные (ФГОМ, ФЦОМ)
      • Пневмокомпрессор и натяжное
      • Система охлаждения  
        • Водяной насос
        • Водяные трубы и патрубки
        • Муфты вязкостные, приводы, крыльчатки
      • Ремкомплекты
      • Сцепление
      • Электрооборудование
    • Запчасти ЯМЗ-650, ЯМЗ-651, DCi-11  
      • Основные запчасти двигателя  
        • Цилиндро-поршневая группа
        • Головка блока цилиндров и комплектующие
        • Блок цилиндров и комплектующие
        • Вал коленчатый и маховик
        • Выпускной коллектор
        • Вал распределительный
        • Клапаны и толкатели
        • ГУР (Гидроусилитель руля)
        • Система рециркуляции отработавших газов
      • Система питания  
        • Коллекторы и патрубки
        • Топливные трубопроводы
        • Топливные фильтры
        • Турбокомпрессор
      • Система смазки  
        • Масляный картер / поддон
        • Масляный насос
        • Теплообменник / Водо-масляный радиатор
        • Фильтры масляные (ФГОМ, ФЦОМ)
      • Система охлаждения  
        • Водяной насос
        • Водяные трубы и патрубки
        • Муфты вязкостные, приводы, крыльчатки
      • Ремкомплекты
      • Пневмокомпрессор и натяжное
      • Электрооборудование
      • Сцепление
    • Топливная аппаратура  
      • ЯЗДА  
        • Распылители
        • ТНВД
        • Форсунки
        • Топливный насос низкого давления
        • Пары плунжерные
        • Муфта опережения впрыска топлива
        • Запчасти и комплектующие ТНВД
      • НЗТА
      • АЗПИ  
        • Распылители
        • Форсунки
      • BOSCH
    • Запчасти УРАЛ  
      • Трансмиссия  
        • Коробка раздаточная
        • Передача карданная
        • Мост задний
        • Мост передний (ведущий)
        • Мост средний (промежуточный)
      • Кузов  
        • Дверь кабины
        • Капот, крылья, облицовка радиатора
        • Окно ветровое и заднее
        • Отопление и вентиляция кабины
        • Кабина
      • Механизмы управления  
        • Управление рулевое
        • Тормоза
      • Дополнительное оборудование  
        • Отбор мощности
        • Устройство седельное
      • Электрооборудование
      • Ходовая часть  
        • Колеса и ступицы
        • Ось передняя
        • Подвеска автомобиля
        • Рама
    • Запчасти МАЗ  
      • Трансмиссия  
        • Мост задний
        • Мост передний (ведущий)
        • Передача карданная
        • Мост средний (промежуточный)
      • Кузов  
        • Кабина
        • Дверь кабины
        • Детали основания кабины
        • Окно ветровое и заднее
        • Платформа
      • Механизмы управления  
        • Тормоза
        • Управление рулевое
      • Ходовая часть  
        • Колеса и ступицы
        • Ось передняя
        • Подвеска автомобиля
        • Рама
    • Запчасти КамАЗ  
      • Кузов  
        • Кабина
        • Капот, крылья, облицовка радиатора
        • Дверь кабины
        • Платформа
        • Окно ветровое и заднее
        • Устройство подъемное и опрокидывающее
        • Сиденье
        • Крыша кабины (крыша кузова)
        • Отопление и вентиляция кабины
      • Трансмиссия  
        • Коробка передач
        • Коробка раздаточная
        • Мост задний
        • Сцепление
        • Мост средний (промежуточный)
        • Передача карданная
        • Мост передний (ведущий)
      • Двигатель  
        • Основные запчасти двигателя
        • Система охлаждения
        • Система питания
        • Система смазки
      • Дополнительное оборудование  
        • Отбор мощности
        • Устройство седельное
      • Ходовая часть  
        • Подвеска автомобиля
        • Рама
        • Колеса и ступицы
        • Ось передняя
      • Механизмы управления  
        • Тормоза
        • Управление рулевое
      • Электрооборудование
    • Запчасти ММЗ
    • Ремни
  • Справочник
    • Грузовые автомобили
    • Автобусы
    • Сельхозтехника
    • Спецтехника
    • Двигатели
  • Как купить
    • Условия оплаты
    • Условия доставки
    • Гарантия на товар
    • Пункты выдачи
  • Услуги
    • Капитальный ремонт двигателей ЯМЗ
  • Акции
  • Статьи
  • Контакты
  • Компания
    • Реквизиты
    • Магазины
    • Оплата
    • Доставка
    • Лицензии и сертификаты
    • Новости
    • Вакансии
Избранное 0 Корзина 0
8-800-700-35-68

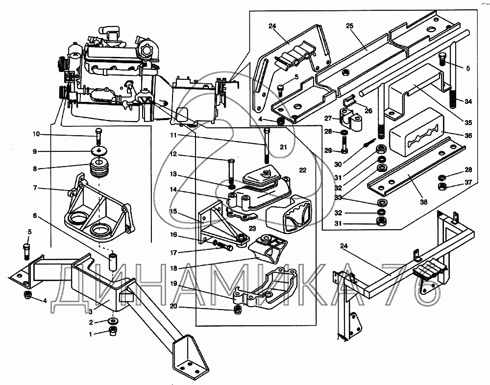
Подвеска силовых агрегатов на ЛиАЗ-5256, 6212 (2006) (до 2006 г.)

Справочник
Главная
-
Автокаталог
-
Автобусы
-
ЛиАЗ
-
ЛиАЗ-5256, 6212 (2006)
Справочный каталог

Подвеска силовых агрегатов — ЛиАЗ-5256, 6212 (2006):

251649-П8 5256-1001045 5256-1001048-53 5256-1001049-53 525625-1001048-10 525625-1001062 525625-1001063 525630-1001048-10 525630-1001049-10 525640-1001062 525640-1001246 525640-1001246-10 6212-1001061 6212-1001062 6212-1001246-10 6212-1001395 9W-9957 1 2 3 4 5 5 6 7 8 9 10 11 12 13 14 15 16 17 18 19 20 21 22 23 24 24 25 26 27 28 28 29 30 31 31 32 32 33 34 35 36 37 38
в наличии
нет в наличии
масштаб

В наличии
Нет в наличии

Перечень комплектующих от Подвеска силовых агрегатов на ЛиАЗ-5256, 6212 (2006)

Схемы запчастей предназначены для справочных целей! Мы продаем не все запчасти от Подвеска силовых агрегатов на ЛиАЗ-5256, 6212 (2006), представленные в этом списке.
Наличие на складах по деталям с ценой смотрите в карточке товара.
Артикул: 251649-П8
нет в наличии
Гайка самоконтрящая
Количество на схеме: 8
Информация
Гайка самоконтрящая
Количество
8
Покрытие
цинкование
Артикул: 5256-1001045
нет в наличии
Кронштейн силового агрегата
Количество на схеме: 1
Информация
Кронштейн силового агрегата
Количество
1
Модель
5256
Группа
Двигатель
Подгруппа
Подвеска двигателя (силового агрегата)
Порядковый номер детали
045
Артикул: 5256-1001048-53
нет в наличии
Кронштейн силового агрегата
Количество на схеме: 2
Информация
Кронштейн силового агрегата
Количество
2
Модель
5256
Группа
Двигатель
Подгруппа
Подвеска двигателя (силового агрегата)
Порядковый номер детали
048
Дополнительно
Не взаимозаменяема с деталью, выпущенной ранее под этим же номером
Артикул: 5256-1001049-53
нет в наличии
Кронштейн силового агрегата
Количество на схеме: 1
Информация
Кронштейн силового агрегата
Количество
1
Примечание
525640 с мех. передачей
Модель
5256
Группа
Двигатель
Подгруппа
Подвеска двигателя (силового агрегата)
Порядковый номер детали
049
Дополнительно
Не взаимозаменяема с деталью, выпущенной ранее под этим же номером
Артикул: 525625-1001048-10
нет в наличии
Кронштейн правый силового агрегата
Количество на схеме: 1
Информация
Кронштейн правый силового агрегата
Количество
1
Модель
525625
Группа
Двигатель
Подгруппа
Подвеска двигателя (силового агрегата)
Порядковый номер детали
048
Дополнительно
Не взаимозаменяема с деталью, выпущенной ранее под этим же номером
Артикул: 525625-1001062
нет в наличии
Поперечина крепления силового агрегата
Количество на схеме: 1
Информация
Поперечина крепления силового агрегата
Количество
1
Модель
525625
Группа
Двигатель
Подгруппа
Подвеска двигателя (силового агрегата)
Порядковый номер детали
062
Артикул: 525625-1001063
нет в наличии
Кронштейн поддерживающей опоры силового агрегата
Количество на схеме: 1
Информация
Кронштейн поддерживающей опоры силового агрегата
Количество
1
Примечание
525625 с ГМП
Модель
525625
Группа
Двигатель
Подгруппа
Подвеска двигателя (силового агрегата)
Порядковый номер детали
063
Артикул: 525630-1001048-10
нет в наличии
Кронштейн правый силового агрегата
Количество на схеме: 1
Информация
Кронштейн правый силового агрегата
Количество
1
Модель
525630
Группа
Двигатель
Подгруппа
Подвеска двигателя (силового агрегата)
Порядковый номер детали
048
Дополнительно
Не взаимозаменяема с деталью, выпущенной ранее под этим же номером
Артикул: 525630-1001049-10
нет в наличии
Кронштейн левый силового агрегата
Количество на схеме: 1
Информация
Кронштейн левый силового агрегата
Количество
1
Модель
525630
Группа
Двигатель
Подгруппа
Подвеска двигателя (силового агрегата)
Порядковый номер детали
049
Дополнительно
Не взаимозаменяема с деталью, выпущенной ранее под этим же номером
Артикул: 525640-1001062
нет в наличии
Поперечина крепления силового агрегата
Количество на схеме: 1
Информация
Поперечина крепления силового агрегата
Количество
1
Модель
525640
Группа
Двигатель
Подгруппа
Подвеска двигателя (силового агрегата)
Порядковый номер детали
062
Артикул: 525640-1001246
нет в наличии
Кронштейн поддерживающей опоры силового агрегата
Количество на схеме: 1
Информация
Кронштейн поддерживающей опоры силового агрегата
Количество
1
Примечание
525630, 525640 с ГМП
Модель
525640
Группа
Двигатель
Подгруппа
Подвеска двигателя (силового агрегата)
Порядковый номер детали
246
Артикул: 525640-1001246-10
нет в наличии
Кронштейн поддерживающей опоры силового агрегата
Количество на схеме: 1
Информация
Кронштейн поддерживающей опоры силового агрегата
Количество
1
Примечание
525640 с мех. передачей
Модель
525640
Группа
Двигатель
Подгруппа
Подвеска двигателя (силового агрегата)
Порядковый номер детали
246
Дополнительно
Не взаимозаменяема с деталью, выпущенной ранее под этим же номером
Артикул: 6212-1001061
нет в наличии
Поперечина дополнительной опоры
Количество на схеме: 1
Информация
Поперечина дополнительной опоры
Количество
1
Модель
6212
Группа
Двигатель
Подгруппа
Подвеска двигателя (силового агрегата)
Порядковый номер детали
061
Артикул: 6212-1001062
нет в наличии
Поперечина крепления силового агрегата
Количество на схеме: 1
Информация
Поперечина крепления силового агрегата
Количество
1
Модель
6212
Группа
Двигатель
Подгруппа
Подвеска двигателя (силового агрегата)
Порядковый номер детали
062
Артикул: 6212-1001246-10
нет в наличии
Кронштейн поддерживающей опоры силового агрегата
Количество на схеме: 1
Информация
Кронштейн поддерживающей опоры силового агрегата
Количество
1
Модель
6212
Группа
Двигатель
Подгруппа
Подвеска двигателя (силового агрегата)
Порядковый номер детали
246
Дополнительно
Не взаимозаменяема с деталью, выпущенной ранее под этим же номером
Артикул: 6212-1001395
нет в наличии
Болт М6х160
Количество на схеме: 2
Информация
Болт М6х160
Количество
2
Примечание
525625 с ГМП
Модель
6212
Группа
Двигатель
Подгруппа
Подвеска двигателя (силового агрегата)
Порядковый номер детали
395
Артикул: 9W-9957
нет в наличии
Подушка (MOUT)
Количество на схеме: 2
Информация
Подушка (MOUT)
Количество
2
1
1
Артикул: Гайка-самоконтрящая-М16х1,5-6Н
нет в наличии
Гайка самоконтрящая М16х1,5-6Н
Количество на схеме: 2
Информация
Гайка самоконтрящая М16х1,5-6Н
Количество
2
2
2
Артикул: 252007-П8
нет в наличии
Шайба 12
Количество на схеме: 2
Информация
Шайба 12
Количество
2
Примечание
525630 с ГМП - 2 шт.
Покрытие
цинкование
3
3
Артикул: 525630-1001062
нет в наличии
Поперечина крепления силового агрегата
Количество на схеме: 1
Информация
Поперечина крепления силового агрегата
Количество
1
Модель
525630
Группа
Двигатель
Подгруппа
Подвеска двигателя (силового агрегата)
Порядковый номер детали
062
4
4
Артикул: 1/61050/11
нет в наличии
Гайка самоконтрящая
Количество на схеме: 16
Информация
Гайка самоконтрящая
Количество
16
Крепежная деталь
да
Материал
сталь 50 (сталь с пределом прочности на разрыв 490-784 (50-80) МПа (кг/мм2)
Покрытие
цинкование
5
5
Артикул: 201567-П8
нет в наличии
Болт М12х1,25х40
Количество на схеме: 8
Информация
Болт М12х1,25х40
Количество
8
Покрытие
цинкование
6
6
Артикул: 53205-1001063
нет в наличии
Втулка распорная
Количество на схеме: 2
Информация
Втулка распорная
Количество
2
Модель
53205
Группа
Двигатель
Подгруппа
Подвеска двигателя (силового агрегата)
Порядковый номер детали
063
7
7
Артикул: 52530-1001070-01
нет в наличии
Траверса
Количество на схеме: 1
Информация
Траверса
Количество
1
Модель
52530
Группа
Двигатель
Подгруппа
Подвеска двигателя (силового агрегата)
Порядковый номер детали
070
8
8
Артикул: 53205-1001020
в наличии
Подушка передней опоры
Количество на схеме: 2
Информация
Подушка передней опоры
Количество
2
Модель
53205
Группа
Двигатель
Подгруппа
Подвеска двигателя (силового агрегата)
Порядковый номер детали
020
Подушка КАМАЗ,УРАЛ-4320 двигателя передней опоры
Артикул: 53205-1001020
Подушка КАМАЗ,УРАЛ-4320 двигателя передней опоры
Код для заказа: 00045128
Цена: 245 ₽/шт.
Под заказ
Подушка КАМАЗ,УРАЛ-4320 двигателя передней опоры
Артикул: 53205-1001020
Код для заказа: 00045128
Подушка КАМАЗ,УРАЛ-4320 двигателя передней опоры
Цена: 245 ₽/шт.
Под заказ
9
9
Артикул: 53205-1001071
в наличии
Шайба опорная
Количество на схеме: 2
Информация
Шайба опорная
Количество
2
Модель
53205
Группа
Двигатель
Подгруппа
Подвеска двигателя (силового агрегата)
Порядковый номер детали
071
Шайба КАМАЗ опоры двигателя (ОАО КАМАЗ)
Артикул: 53205-1001071
Шайба КАМАЗ опоры двигателя (ОАО КАМАЗ)
Код для заказа: 00063181
Цена: 183 ₽/шт.
Под заказ
Шайба КАМАЗ опоры двигателя (ОАО КАМАЗ)
Артикул: 53205-1001071
Код для заказа: 00063181
Шайба КАМАЗ опоры двигателя (ОАО КАМАЗ)
Цена: 183 ₽/шт.
Под заказ
10
10
Артикул: 525630-1001395
нет в наличии
Болт М16x1,5x120
Количество на схеме: 2
Информация
Болт М16x1,5x120
Количество
2
Примечание
525640 с ГМП
Модель
525630
Группа
Двигатель
Подгруппа
Подвеска двигателя (силового агрегата)
Порядковый номер детали
395
11
11
Артикул: 1/59903/21
в наличии
Болт М20х1,5-6gх160
Количество на схеме: 2
Информация
Болт М20х1,5-6gх160
Количество
2
Крепежная деталь
да
Материал
сталь 80 (сталь с пределом прочности на разрыв 784-980 (80-100) МПа (кг/мм2)
Покрытие
цинкование
Болт М20х1.5х160 башмака балансира КАМАЗ
Артикул: 1/59903/21
Болт М20х1.5х160 башмака балансира КАМАЗ
Код для заказа: 00022897
Цена: 331 ₽/шт.
Под заказ
Болт М20х1.5х160 башмака балансира КАМАЗ
Артикул: 1/59903/21
Код для заказа: 00022897
Болт М20х1.5х160 башмака балансира КАМАЗ
Цена: 331 ₽/шт.
Под заказ
12
12
Артикул: 415252-П8
нет в наличии
Болт М10х1,25х34
Количество на схеме: 16
Информация
Болт М10х1,25х34
Количество
16
Покрытие
цинкование
13
13
Артикул: 252007-П8
нет в наличии
Шайба 12
Количество на схеме: 12
Информация
Шайба 12
Количество
12
Покрытие
цинкование
14
14
Артикул: 4202-1001296
нет в наличии
Крышка задней опоры
Количество на схеме: 2
Информация
Крышка задней опоры
Количество
2
Модель
4202
Группа
Двигатель
Подгруппа
Подвеска двигателя (силового агрегата)
Порядковый номер детали
296
15
15
Артикул: 525625-1001049-10
нет в наличии
Кронштейн левый силового агрегата
Количество на схеме: 1
Информация
Кронштейн левый силового агрегата
Количество
1
Модель
525625
Группа
Двигатель
Подгруппа
Подвеска двигателя (силового агрегата)
Порядковый номер детали
049
Дополнительно
Не взаимозаменяема с деталью, выпущенной ранее под этим же номером
16
16
Артикул: 252138-П2
нет в наличии
Шайба пружинная
Количество на схеме: 8
Информация
Шайба пружинная
Количество
8
Покрытие
фосфатирование и промасливание
17
17
Артикул: 525625-1001099-10
нет в наличии
Болт М14x2x35
Количество на схеме: 8
Информация
Болт М14x2x35
Количество
8
Модель
525625
Группа
Двигатель
Подгруппа
Подвеска двигателя (силового агрегата)
Порядковый номер детали
099
Дополнительно
Не взаимозаменяема с деталью, выпущенной ранее под этим же номером
18
18
Артикул: 4202-1001290
нет в наличии
Башмак задней опоры в сборе
Количество на схеме: 2
Информация
Башмак задней опоры в сборе
Количество
2
Модель
4202
Группа
Двигатель
Подгруппа
Подвеска двигателя (силового агрегата)
Порядковый номер детали
290
19
19
Артикул: 4202-1001232
нет в наличии
Кронштейн крепления опоры
Количество на схеме: 2
Информация
Кронштейн крепления опоры
Количество
2
Модель
4202
Группа
Двигатель
Подгруппа
Подвеска двигателя (силового агрегата)
Порядковый номер детали
232
20
20
Артикул: 1/61050/11
нет в наличии
Гайка самоконтрящая
Количество на схеме: 16
Информация
Гайка самоконтрящая
Количество
16
Крепежная деталь
да
Материал
сталь 50 (сталь с пределом прочности на разрыв 490-784 (50-80) МПа (кг/мм2)
Покрытие
цинкование
21
21
Артикул: 5320-1001075
в наличии
Колпак защитный подушки задней опоры силового агрегата
Количество на схеме: 2
Информация
Колпак защитный подушки задней опоры силового агрегата
Количество
2
Модель
5320
Группа
Двигатель
Подгруппа
Подвеска двигателя (силового агрегата)
Порядковый номер детали
075
Колпак КАМАЗ защитный подушки опоры двигателя задней (ОАО КАМАЗ)
Артикул: 5320-1001075
Колпак КАМАЗ защитный подушки опоры двигателя задней (ОАО КАМАЗ)
Код для заказа: 00033097
Цена: 294 ₽/шт.
Под заказ
Колпак КАМАЗ защитный подушки опоры двигателя задней (ОАО КАМАЗ)
Артикул: 5320-1001075
Код для заказа: 00033097
Колпак КАМАЗ защитный подушки опоры двигателя задней (ОАО КАМАЗ)
Цена: 294 ₽/шт.
Под заказ
22
22
Артикул: 5256-1001051
нет в наличии
Подушка задней опоры силового агрегата
Количество на схеме: 2
Информация
Подушка задней опоры силового агрегата
Количество
2
Модель
5256
Группа
Двигатель
Подгруппа
Подвеска двигателя (силового агрегата)
Порядковый номер детали
051
23
23
Артикул: 4202-1001296
нет в наличии
Крышка задней опоры
Количество на схеме: 8
Информация
Крышка задней опоры
Количество
8
Модель
4202
Группа
Двигатель
Подгруппа
Подвеска двигателя (силового агрегата)
Порядковый номер детали
296
24
24
Артикул: 525630-1001246
нет в наличии
Кронштейн поддерживающей опоры силового агрегата
Количество на схеме: 1
Информация
Кронштейн поддерживающей опоры силового агрегата
Количество
1
Модель
525630
Группа
Двигатель
Подгруппа
Подвеска двигателя (силового агрегата)
Порядковый номер детали
246
25
25
Артикул: 525630-1001061
нет в наличии
Поперечина дополнительной опоры
Количество на схеме: 1
Информация
Поперечина дополнительной опоры
Количество
1
Примечание
525625 с ГМП
Модель
525630
Группа
Двигатель
Подгруппа
Подвеска двигателя (силового агрегата)
Порядковый номер детали
061
26
26
Артикул: 5256-1001308
нет в наличии
Вкладыш
Количество на схеме: 4
Информация
Вкладыш
Количество
4
Примечание
525625 с ГМП
Модель
5256
Группа
Двигатель
Подгруппа
Подвеска двигателя (силового агрегата)
Порядковый номер детали
308
27
27
Артикул: 5256-1001312
нет в наличии
Опора
Количество на схеме: 2
Информация
Опора
Количество
2
Примечание
525625 с ГМП
Модель
5256
Группа
Двигатель
Подгруппа
Подвеска двигателя (силового агрегата)
Порядковый номер детали
312
28
28
Артикул: 252137-П2
в наличии
Шайба 12 пружинная
Количество на схеме: 12
Информация
Шайба 12 пружинная
Количество
12
Покрытие
фосфатирование и промасливание
ШАЙБА 12Х4 (ЯМЗ)
Артикул: 252137-П2
ШАЙБА 12Х4 (ЯМЗ)
Код для заказа: 00006019
Цена: 14 ₽/шт.
Под заказ
ШАЙБА 12Х4 (ЯМЗ)
Артикул: 252137-П2
Код для заказа: 00006019
ШАЙБА 12Х4 (ЯМЗ)
Цена: 14 ₽/шт.
Под заказ
29
29
Артикул: 201567-П8
нет в наличии
Болт М12х1,25х40
Количество на схеме: 4
Информация
Болт М12х1,25х40
Количество
4
Примечание
525625 с ГМП
Покрытие
цинкование
30
30
Артикул: 258040-П8
нет в наличии
Шплинт 3,2х25
Количество на схеме: 2
Информация
Шплинт 3,2х25
Количество
2
Примечание
525625 с ГМП
Покрытие
цинкование
31
31
Артикул: 250561-П8
нет в наличии
Гайка М16х1,5
Количество на схеме: 4
Информация
Гайка М16х1,5
Количество
4
Примечание
525625 с ГМП
Покрытие
цинкование
32
32
Артикул: 252017-П8
нет в наличии
Шайба 16
Количество на схеме: 2
Информация
Шайба 16
Количество
2
Примечание
525625 с ГМП
Покрытие
цинкование
33
33
Артикул: 252139-П2
в наличии
Шайба 16 пружинная
Количество на схеме: 4
Информация
Шайба 16 пружинная
Количество
4
Примечание
525625 с ГМП
Покрытие
фосфатирование и промасливание
Шайба 16 пружинная подвески двигателя УРАЛ (АО АЗ УРАЛ)
Артикул: 252139-П2
Шайба 16 пружинная подвески двигателя УРАЛ (АО АЗ УРАЛ)
Код для заказа: 00062994
Цена: 12 ₽/шт.
Под заказ
Шайба 16 пружинная подвески двигателя УРАЛ (АО АЗ УРАЛ)
Артикул: 252139-П2
Код для заказа: 00062994
Шайба 16 пружинная подвески двигателя УРАЛ (АО АЗ УРАЛ)
Цена: 12 ₽/шт.
Под заказ
34
34
Артикул: 5256-1001188-10
нет в наличии
Тяга подвески двигателя
Количество на схеме: 1
Информация
Тяга подвески двигателя
Количество
1
Примечание
525625 с ГМП
Модель
5256
Группа
Двигатель
Подгруппа
Подвеска двигателя (силового агрегата)
Порядковый номер детали
188
Дополнительно
Не взаимозаменяема с деталью, выпущенной ранее под этим же номером
35
35
Артикул: 5256-1001232
нет в наличии
Обойма подушки поддерживающей опоры силового агрегата
Количество на схеме: 1
Информация
Обойма подушки поддерживающей опоры силового агрегата
Количество
1
Примечание
525625 с ГМП
Модель
5256
Группа
Двигатель
Подгруппа
Подвеска двигателя (силового агрегата)
Порядковый номер детали
232
36
36
Артикул: 5256-1001179
нет в наличии
Подушка поддерживающей опоры силового агрегата
Количество на схеме: 1
Информация
Подушка поддерживающей опоры силового агрегата
Количество
1
Примечание
525625 с ГМП
Модель
5256
Группа
Двигатель
Подгруппа
Подвеска двигателя (силового агрегата)
Порядковый номер детали
179
37
37
Артикул: 250515-П8
нет в наличии
Гайка М12х1,25
Количество на схеме: 2
Информация
Гайка М12х1,25
Количество
2
Покрытие
цинкование
38
38
Артикул: 5256-1001364-10
нет в наличии
Накладка подушки поддерживающей опоры
Количество на схеме: 1
Информация
Накладка подушки поддерживающей опоры
Количество
1
Примечание
525625 с ГМП
Модель
5256
Группа
Двигатель
Подгруппа
Подвеска двигателя (силового агрегата)
Порядковый номер детали
364
Дополнительно
Не взаимозаменяема с деталью, выпущенной ранее под этим же номером
  • Грузовые автомобили
  • Автобусы
  • Сельхозтехника
  • Спецтехника
  • Двигатели
Получить оптовый прайс-лист
Скачать прайс-лист от 07.05.2026 12:00
Специальное предложение от 07.05.2026 13:00
Производители:


  • WEICHAI
  • Автодизель ПАО (ЯМЗ)
  • Тутаевский МЗ
  • ЯЗДА
  • УралАЗ
  • МАЗ
  • АЗПИ
  • BOSCH
  • ММЗ
  • ШААЗ
  • FEDERAL MOGUL
  • ПРАМО
  • Мотордеталь
  • ТАИМ
  • АвтоКрАЗ
  • БЕЛКАРД
  • CZ Strakonice
  • КамАЗ
  • БЗА
  • ЧМЗ
  • BMZ
Новости
Все новости
25 марта 2024
Флагманский седельный тягач «Валдай 45» на выставке «TransRussia»
10 марта 2024
Современные автобусы «CITYMAX 9» и ЛиАЗ-5292 CNG
25 февраля 2024
Серийное производство средних дизельных двигателей повышенной мощности от ЯМЗ
Статьи
Все статьи
Датчики двигателя: за что они отвечают, признаки неисправности и как не прогадать с выбором
Двигатели ЯМЗ-534: история, технические характеристики и области применения
Двигатели ЯМЗ 650: углублённый технический обзор и история
Компания
О компании
Реквизиты
Новости
Политика
Магазины
Информация
Условия оплаты
Условия доставки
Гарантия на товар
Обмен и возврат товара
Помощь
Как оформить заказ
Полезные статьи
Бренды
Пункты выдачи
Оставайтесь на связи
  • Вконтакте
  • YouTube
  • Одноклассники
  • Google Plus
Увидели ошибку?
Выделите, нажав Ctrl + Enter
Наши контакты
8-800-700-35-68
sales@din76.ru
г. Ярославль, Ленинградский пр-т 33, ТЦ "ОМЕГА"
2026 © ООО «Динамика 76» - Все права защищены ООО "Динамика 76"
Предложения на сайте не являются публичной офертой.
На сайте обнаружена ошибка

Текст с ошибкой