Избранное 0 Корзина 0 Личный кабинет
logo
Каталог
Каталог
  • Справочник
    • Грузовые автомобили
    • Автобусы
    • Сельхозтехника
    • Спецтехника
    • Двигатели
  • Доставка
  • Оплата
  • О компании
    • Реквизиты
    • Магазины
    • Оплата
    • Доставка
    • Лицензии и сертификаты
    • Новости
    • Вакансии
  • Контакты
Отправить заявку
Личный кабинет
8 (800) 700-35-68
sales@din76.ru
Избранное 0 Корзина 0
8 (800) 700-35-68
Оптовый прайс-лист
Каталог
  • Двигатели
  • Запчасти WEICHAI
  • Запчасти ЯМЗ, ТМЗ (V-образные)
  • Запчасти ЯМЗ-534, ЯМЗ-536
  • Запчасти ЯМЗ-650, ЯМЗ-651, DCi-11
  • Топливная аппаратура
  • Запчасти УРАЛ
  • Запчасти МАЗ
  • Запчасти КамАЗ
  • Запчасти ММЗ
  • Ремни
Автокаталог (справочник)
  • Доставка
  • Оплата
  • О компании
  • Контакты
8 (800) 700-35-68
Написать в Whatsapp
sales@din76.ru
Динамика 76
Меню  
  • Каталог
    • Двигатели  
      • Двигатели ТМЗ  
        • Двигатели ТМЗ для автомобилей
        • Двигатели ТМЗ для тракторов
        • Специальные двигатели ТМЗ
        • Промышленные двигатели ТМЗ
      • Двигатели ЯМЗ  
        • ЯМЗ 236
        • ЯМЗ 238
        • ЯМЗ 240
        • ЯМЗ 751
        • ЯМЗ 840
        • ЯМЗ 850
        • ЯМЗ 656
        • ЯМЗ 658
        • ЯМЗ 534
        • ЯМЗ 536
        • ЯМЗ 650
        • Двигатели ЯМЗ для электростанций
      • Двигатели КАМАЗ
      • Двигатели ММЗ
      • Двигатели индивидуальной сборки
      • Комплекты переоборудования
    • Запчасти WEICHAI  
      • Основные запчасти двигателя  
        • Клапаны и толкатели
        • Шатуны
        • Вал коленчатый и маховик
        • Вал распределительный
        • Цилиндро-поршневая группа
      • Система питания  
        • Форсунки
        • Турбокомпрессор
      • Система смазки  
        • Насос масляный
      • Головка блока
      • Ремкомплекты
      • Система охлаждения  
        • Насос водяной
        • Муфта вязкостная и крыльчатка
      • Фильтры
      • Электрооборудование  
        • Генератор
        • Стартер
    • Запчасти ЯМЗ, ТМЗ (V-образные)  
      • Основные запчасти двигателя  
        • Блок двигателя и комплектующие
        • Валы распределительные и клапаны
        • Головка блока и комплектующие
        • Цилиндро-поршневая группа
        • Маховики и комплектующие
        • Валы коленчатые и комплектующие
        • Шатуны и комплектующие
      • Система питания  
        • Коллекторы и патрубки
        • Топливные трубопроводы
        • Турбокомпрессор
        • Топливные фильтры
      • Электрооборудование двигателя
      • Система охлаждения  
        • Вязкостные муфты и крыльчатки
        • Приводы вентилятора
        • Водяные насосы
        • Водяные трубы и термостаты
      • Коробки переключения передач  
        • 8 Ступенчатые КПП
        • 5 Ступенчатые КПП
        • 9 Ступенчатые КПП
        • Запасные части КПП ЯМЗ, ТМЗ
      • Система смазки  
        • Теплообменник и комплектующие
        • Масляные насосы
        • Фильтры масляные (ФГОМ, ФЦОМ)
      • Сцепление  
        • Запасные части механизма сцепления
        • Муфты (подшипники выжимные)
        • Корзины (диски нажимные)
        • Диски ведомые
      • Прочие запчасти двигателя  
        • Ремкомплекты
        • Привод агрегатов
        • Натяжные устройства
        • Трубки
    • Запчасти ЯМЗ-534, ЯМЗ-536  
      • Основные запчасти двигателя  
        • Цилиндро-поршневая группа
        • Головка блока цилиндров и комплектующие
        • Блок цилиндров и комплектующие
        • Вал коленчатый и маховик
        • Вал распределительный
        • Клапаны и толкатели
        • ГУР (Гидроусилитель руля)
        • Система рециркуляции отработавших газов
        • Выпускной коллектор
      • Система питания  
        • Коллекторы и патрубки
        • Топливные фильтры
        • Турбокомпрессор
        • Топливные трубопроводы
      • Система смазки  
        • Масляный картер поддон
        • Масляный насос
        • Теплообменник /Водо-масляный радиатор
        • Фильтры масляные (ФГОМ, ФЦОМ)
      • Пневмокомпрессор и натяжное
      • Система охлаждения  
        • Водяной насос
        • Водяные трубы и патрубки
        • Муфты вязкостные, приводы, крыльчатки
      • Ремкомплекты
      • Сцепление
      • Электрооборудование
    • Запчасти ЯМЗ-650, ЯМЗ-651, DCi-11  
      • Основные запчасти двигателя  
        • Цилиндро-поршневая группа
        • Головка блока цилиндров и комплектующие
        • Блок цилиндров и комплектующие
        • Вал коленчатый и маховик
        • Выпускной коллектор
        • Вал распределительный
        • Клапаны и толкатели
        • ГУР (Гидроусилитель руля)
        • Система рециркуляции отработавших газов
      • Система питания  
        • Коллекторы и патрубки
        • Топливные трубопроводы
        • Топливные фильтры
        • Турбокомпрессор
      • Система смазки  
        • Масляный картер / поддон
        • Масляный насос
        • Теплообменник / Водо-масляный радиатор
        • Фильтры масляные (ФГОМ, ФЦОМ)
      • Система охлаждения  
        • Водяной насос
        • Водяные трубы и патрубки
        • Муфты вязкостные, приводы, крыльчатки
      • Ремкомплекты
      • Пневмокомпрессор и натяжное
      • Электрооборудование
      • Сцепление
    • Топливная аппаратура  
      • ЯЗДА  
        • Распылители
        • ТНВД
        • Форсунки
        • Топливный насос низкого давления
        • Пары плунжерные
        • Муфта опережения впрыска топлива
        • Запчасти и комплектующие ТНВД
      • НЗТА
      • АЗПИ  
        • Распылители
        • Форсунки
      • BOSCH
    • Запчасти УРАЛ  
      • Трансмиссия  
        • Коробка раздаточная
        • Передача карданная
        • Мост задний
        • Мост передний (ведущий)
        • Мост средний (промежуточный)
      • Кузов  
        • Дверь кабины
        • Капот, крылья, облицовка радиатора
        • Окно ветровое и заднее
        • Отопление и вентиляция кабины
        • Кабина
      • Механизмы управления  
        • Управление рулевое
        • Тормоза
      • Дополнительное оборудование  
        • Отбор мощности
        • Устройство седельное
      • Электрооборудование
      • Ходовая часть  
        • Колеса и ступицы
        • Ось передняя
        • Подвеска автомобиля
        • Рама
    • Запчасти МАЗ  
      • Трансмиссия  
        • Мост задний
        • Мост передний (ведущий)
        • Передача карданная
        • Мост средний (промежуточный)
      • Кузов  
        • Кабина
        • Дверь кабины
        • Детали основания кабины
        • Окно ветровое и заднее
        • Платформа
      • Механизмы управления  
        • Тормоза
        • Управление рулевое
      • Ходовая часть  
        • Колеса и ступицы
        • Ось передняя
        • Подвеска автомобиля
        • Рама
    • Запчасти КамАЗ  
      • Кузов  
        • Кабина
        • Капот, крылья, облицовка радиатора
        • Дверь кабины
        • Платформа
        • Окно ветровое и заднее
        • Устройство подъемное и опрокидывающее
        • Сиденье
        • Крыша кабины (крыша кузова)
        • Отопление и вентиляция кабины
      • Трансмиссия  
        • Коробка передач
        • Коробка раздаточная
        • Мост задний
        • Сцепление
        • Мост средний (промежуточный)
        • Передача карданная
        • Мост передний (ведущий)
      • Двигатель  
        • Основные запчасти двигателя
        • Система охлаждения
        • Система питания
        • Система смазки
      • Дополнительное оборудование  
        • Отбор мощности
        • Устройство седельное
      • Ходовая часть  
        • Подвеска автомобиля
        • Рама
        • Колеса и ступицы
        • Ось передняя
      • Механизмы управления  
        • Тормоза
        • Управление рулевое
      • Электрооборудование
    • Запчасти ММЗ
    • Ремни
  • Справочник
    • Грузовые автомобили
    • Автобусы
    • Сельхозтехника
    • Спецтехника
    • Двигатели
  • Как купить
    • Условия оплаты
    • Условия доставки
    • Гарантия на товар
    • Пункты выдачи
  • Услуги
    • Капитальный ремонт двигателей ЯМЗ
  • Акции
  • Статьи
  • Контакты
  • Компания
    • Реквизиты
    • Магазины
    • Оплата
    • Доставка
    • Лицензии и сертификаты
    • Новости
    • Вакансии
Избранное 0 Корзина 0
8-800-700-35-68

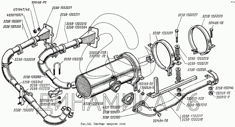
Система выпуска газа на ЛиАЗ 5256

Справочник
Главная
-
Автокаталог
-
Автобусы
-
ЛиАЗ
-
ЛиАЗ 5256
Справочный каталог

Система выпуска газа — ЛиАЗ 5256:

1/21647/40 201456-П8 201464-П8 250510-П 250512-П29 250512-П29 250512-П29 250534-П 252136-П2 252155-П2 252155-П2 252156-П2 252156-П2 4331-1203020 4331-1203031 45 9871 0521 5255-1203203 5256-1201008 5256-1201039 5256-1201059 5256-1203012 5256-1203056 5256-1203083 5256-1203084 5256-1203089 5256-1203140 5256-1203146 5256-1203201 5256-1203205 5256-1203207 5256-1203211 5256-1203212 5256-1203213 5256-1203214 5256-1203215 5256-1203217 5256-1203225 5256-1203227 5256-1203229 5256-1203230 5256-1203231 5256-1203237 5256-1203247 5256-1203265 5256-1203267 5256-1203293 5256-1203307 5256-1203309 5256-1203311 5256-1203315 5256-1203317 5256-1203318 5256-1203319 5256-1203323 5256-1203325 5256-1203327 5256-1203328 5256-1203337 5256-1203339 5256-1203345 5256-1203354 5256-1203356 5256-1204010
в наличии
нет в наличии
масштаб

В наличии
Нет в наличии

Перечень комплектующих от Система выпуска газа на ЛиАЗ 5256

Схемы запчастей предназначены для справочных целей! Мы продаем не все запчасти от Система выпуска газа на ЛиАЗ 5256, представленные в этом списке.
Наличие на складах по деталям с ценой смотрите в карточке товара.
Артикул: 1/21647/40
в наличии
Гайка М10х1,25
Количество на схеме: 6
Информация
Гайка М10х1,25
Количество
6
Крепежная деталь
да
Материал
латунь
Покрытие
без покрытия
Гайка М10х1.25х17 КАМАЗ трубы приемной медная
Артикул: 1/21647/40
Гайка М10х1.25х17 КАМАЗ трубы приемной медная
Код для заказа: 00027412
Цена: 55 ₽/шт.
Под заказ
Гайка М10х1.25х17 КАМАЗ трубы приемной медная
Артикул: 1/21647/40
Код для заказа: 00027412
Гайка М10х1.25х17 КАМАЗ трубы приемной медная
Цена: 55 ₽/шт.
Под заказ
Гайка М10х1.25х17 КАМАЗ трубы приемной латунь БЕЛЗАН
Артикул: 1/21647/40
Гайка М10х1.25х17 КАМАЗ трубы приемной латунь БЕЛЗАН
Код для заказа: 00019377
Цена: 55 ₽/шт.
Под заказ
Гайка М10х1.25х17 КАМАЗ трубы приемной латунь БЕЛЗАН
Артикул: 1/21647/40
Код для заказа: 00019377
Гайка М10х1.25х17 КАМАЗ трубы приемной латунь БЕЛЗАН
Цена: 55 ₽/шт.
Под заказ
Артикул: 201456-П8
нет в наличии
Болт М8х20
Количество на схеме: 1
Информация
Болт М8х20
Количество
1
Покрытие
цинкование
Артикул: 201464-П8
нет в наличии
Болт М10х40
Количество на схеме: 3
Информация
Болт М10х40
Количество
3
Покрытие
цинкование
Артикул: 250510-П
нет в наличии
Гайка М8
Количество на схеме: 1
Информация
Гайка М8
Количество
1
Покрытие
без покрытия
Артикул: 250512-П29
в наличии
Гайка М10
Количество на схеме: 21
Информация
Гайка М10
Количество
21
Покрытие
цинкование и пассивирование (цинковое с хроматированием)
Гайка М10х1.5х8 ГАЗ-2410,3110,УРАЛ под ключ 17мм облиц.радиатора, топл.бака, ГЦС, РЦС
Артикул: 250512-П29
Гайка М10х1.5х8 ГАЗ-2410,3110,УРАЛ под ключ 17мм облиц.радиатора, топл.бака, ГЦС, РЦС
Код для заказа: 00008044
Цена: 20 ₽/шт.
Под заказ
Гайка М10х1.5х8 ГАЗ-2410,3110,УРАЛ под ключ 17мм облиц.радиатора, топл.бака, ГЦС, РЦС
Артикул: 250512-П29
Код для заказа: 00008044
Гайка М10х1.5х8 ГАЗ-2410,3110,УРАЛ под ключ 17мм облиц.радиатора, топл.бака, ГЦС, РЦС
Цена: 20 ₽/шт.
Под заказ
Артикул: 250534-П
нет в наличии
Гайка М8
Количество на схеме: 3
Информация
Гайка М8
Количество
3
Покрытие
без покрытия
Артикул: 252136-П2
в наличии
Шайба 10 пружинная
Количество на схеме: 6
Информация
Шайба 10 пружинная
Количество
6
Покрытие
фосфатирование и промасливание
Шайба 10.2х2.5 пружинная цинк ЭТНА
Артикул: 252136-П2
Шайба 10.2х2.5 пружинная цинк ЭТНА
Код для заказа: 00062958
Цена: 10 ₽/шт.
Под заказ
Шайба 10.2х2.5 пружинная цинк ЭТНА
Артикул: 252136-П2
Код для заказа: 00062958
Шайба 10.2х2.5 пружинная цинк ЭТНА
Цена: 10 ₽/шт.
Под заказ
Шайба гроверная 17,1х10,1х3,5
Артикул: 252136-П2
Шайба гроверная 17,1х10,1х3,5
Код для заказа: 00006018
Цена: 10 ₽/шт.
Под заказ
Шайба гроверная 17,1х10,1х3,5
Артикул: 252136-П2
Код для заказа: 00006018
Шайба гроверная 17,1х10,1х3,5
Цена: 10 ₽/шт.
Под заказ
Артикул: 252155-П2
нет в наличии
Шайба 8 пружинная
Количество на схеме: 4
Информация
Шайба 8 пружинная
Количество
4
Покрытие
фосфатирование и промасливание
Артикул: 252156-П2
в наличии
Шайба 10 пружинная
Количество на схеме: 13
Информация
Шайба 10 пружинная
Количество
13
Покрытие
фосфатирование и промасливание
ШАЙБА 10,1 (ЯМЗ)
Артикул: 252156-П2
ШАЙБА 10,1 (ЯМЗ)
Код для заказа: 00006021
Цена: 3 ₽/шт.
Под заказ
ШАЙБА 10,1 (ЯМЗ)
Артикул: 252156-П2
Код для заказа: 00006021
ШАЙБА 10,1 (ЯМЗ)
Цена: 3 ₽/шт.
Под заказ
Артикул: 4331-1203020
нет в наличии
Прокладка
Количество на схеме: 1
Информация
Прокладка
Количество
1
Модель
4331
Группа
Система выпуска газов двигателя
Подгруппа
Трубы и подвеска глушителя
Порядковый номер детали
020
Артикул: 4331-1203031
нет в наличии
Фланец упорный
Количество на схеме: 1
Информация
Фланец упорный
Количество
1
Примечание
2
Модель
4331
Группа
Система выпуска газов двигателя
Подгруппа
Трубы и подвеска глушителя
Порядковый номер детали
031
Артикул: 45-9871-0521
нет в наличии
Хомут ленточный 90
Количество на схеме: 4
Информация
Хомут ленточный 90
Количество
4
Артикул: 5255-1203203
нет в наличии
Хомут
Количество на схеме: 2
Информация
Хомут
Количество
2
Примечание
2
Модель
5255
Группа
Система выпуска газов двигателя
Подгруппа
Трубы и подвеска глушителя
Порядковый номер детали
203
Артикул: 5256-1201008
нет в наличии
Глушитель выхлопа в сборе
Количество на схеме: 1
Информация
Глушитель выхлопа в сборе
Количество
1
Модель
5256
Группа
Система выпуска газов двигателя
Подгруппа
Глушитель
Порядковый номер детали
008
Артикул: 5256-1201039
нет в наличии
Глушитель выхлопа с хомутами в сборе
Количество на схеме: 1
Информация
Глушитель выхлопа с хомутами в сборе
Количество
1
Примечание
2
Модель
5256
Группа
Система выпуска газов двигателя
Подгруппа
Глушитель
Порядковый номер детали
039
Артикул: 5256-1201059
нет в наличии
Фланец натяжной
Количество на схеме: 1
Информация
Фланец натяжной
Количество
1
Модель
5256
Группа
Система выпуска газов двигателя
Подгруппа
Глушитель
Порядковый номер детали
059
Артикул: 5256-1203012
нет в наличии
Труба приемная правая с термоизоляцией в сборе
Количество на схеме: 1
Информация
Труба приемная правая с термоизоляцией в сборе
Количество
1
Модель
5256
Группа
Система выпуска газов двигателя
Подгруппа
Трубы и подвеска глушителя
Порядковый номер детали
012
Артикул: 5256-1203056
нет в наличии
Колено
Количество на схеме: 6
Информация
Колено
Количество
6
Модель
5256
Группа
Система выпуска газов двигателя
Подгруппа
Трубы и подвеска глушителя
Порядковый номер детали
056
Артикул: 5256-1203083
нет в наличии
Колено выпускной трубы глушителя левое
Количество на схеме: 1
Информация
Колено выпускной трубы глушителя левое
Количество
1
Модель
5256
Группа
Система выпуска газов двигателя
Подгруппа
Трубы и подвеска глушителя
Порядковый номер детали
083
Артикул: 5256-1203084
нет в наличии
Колено выпускной трубы глушителя правое
Количество на схеме: 1
Информация
Колено выпускной трубы глушителя правое
Количество
1
Модель
5256
Группа
Система выпуска газов двигателя
Подгруппа
Трубы и подвеска глушителя
Порядковый номер детали
084
Артикул: 5256-1203089
нет в наличии
Труба
Количество на схеме: 1
Информация
Труба
Количество
1
Модель
5256
Группа
Система выпуска газов двигателя
Подгруппа
Трубы и подвеска глушителя
Порядковый номер детали
089
Артикул: 5256-1203140
нет в наличии
Крючок
Количество на схеме: 1
Информация
Крючок
Количество
1
Модель
5256
Группа
Система выпуска газов двигателя
Подгруппа
Трубы и подвеска глушителя
Порядковый номер детали
140
Артикул: 5256-1203146
нет в наличии
Труба
Количество на схеме: 1
Информация
Труба
Количество
1
Примечание
2
Модель
5256
Группа
Система выпуска газов двигателя
Подгруппа
Трубы и подвеска глушителя
Порядковый номер детали
146
Артикул: 5256-1203201
нет в наличии
Хомут крепления глушителя в сборе
Количество на схеме: 2
Информация
Хомут крепления глушителя в сборе
Количество
2
Модель
5256
Группа
Система выпуска газов двигателя
Подгруппа
Трубы и подвеска глушителя
Порядковый номер детали
201
Артикул: 5256-1203205
нет в наличии
Хомут крепления трубы в сборе
Количество на схеме: 1
Информация
Хомут крепления трубы в сборе
Количество
1
Модель
5256
Группа
Система выпуска газов двигателя
Подгруппа
Трубы и подвеска глушителя
Порядковый номер детали
205
Артикул: 5256-1203207
нет в наличии
Хомут
Количество на схеме: 1
Информация
Хомут
Количество
1
Примечание
2
Модель
5256
Группа
Система выпуска газов двигателя
Подгруппа
Трубы и подвеска глушителя
Порядковый номер детали
207
Артикул: 5256-1203211
нет в наличии
Кронштейн
Количество на схеме: 1
Информация
Кронштейн
Количество
1
Модель
5256
Группа
Система выпуска газов двигателя
Подгруппа
Трубы и подвеска глушителя
Порядковый номер детали
211
Артикул: 5256-1203212
нет в наличии
Кронштейн
Количество на схеме: 2
Информация
Кронштейн
Количество
2
Примечание
2
Модель
5256
Группа
Система выпуска газов двигателя
Подгруппа
Трубы и подвеска глушителя
Порядковый номер детали
212
Артикул: 5256-1203213
нет в наличии
Стремянка
Количество на схеме: 5
Информация
Стремянка
Количество
5
Модель
5256
Группа
Система выпуска газов двигателя
Подгруппа
Трубы и подвеска глушителя
Порядковый номер детали
213
Артикул: 5256-1203214
нет в наличии
Кронштейн
Количество на схеме: 1
Информация
Кронштейн
Количество
1
Примечание
2
Модель
5256
Группа
Система выпуска газов двигателя
Подгруппа
Трубы и подвеска глушителя
Порядковый номер детали
214
Артикул: 5256-1203215
нет в наличии
Кронштейн подвески глушителя в сборе
Количество на схеме: 1
Информация
Кронштейн подвески глушителя в сборе
Количество
1
Примечание
2
Модель
5256
Группа
Система выпуска газов двигателя
Подгруппа
Трубы и подвеска глушителя
Порядковый номер детали
215
Артикул: 5256-1203217
нет в наличии
Скоба
Количество на схеме: 4
Информация
Скоба
Количество
4
Модель
5256
Группа
Система выпуска газов двигателя
Подгруппа
Трубы и подвеска глушителя
Порядковый номер детали
217
Артикул: 5256-1203225
нет в наличии
Кронштейн нижний
Количество на схеме: 1
Информация
Кронштейн нижний
Количество
1
Модель
5256
Группа
Система выпуска газов двигателя
Подгруппа
Трубы и подвеска глушителя
Порядковый номер детали
225
Артикул: 5256-1203227
нет в наличии
Болт
Количество на схеме: 4
Информация
Болт
Количество
4
Модель
5256
Группа
Система выпуска газов двигателя
Подгруппа
Трубы и подвеска глушителя
Порядковый номер детали
227
Артикул: 5256-1203229
нет в наличии
Тарелка
Количество на схеме: 16
Информация
Тарелка
Количество
16
Модель
5256
Группа
Система выпуска газов двигателя
Подгруппа
Трубы и подвеска глушителя
Порядковый номер детали
229
Артикул: 5256-1203230
нет в наличии
Наконечник
Количество на схеме: 3
Информация
Наконечник
Количество
3
Примечание
2
Модель
5256
Группа
Система выпуска газов двигателя
Подгруппа
Трубы и подвеска глушителя
Порядковый номер детали
230
Артикул: 5256-1203231
нет в наличии
Пружина
Количество на схеме: 8
Информация
Пружина
Количество
8
Модель
5256
Группа
Система выпуска газов двигателя
Подгруппа
Трубы и подвеска глушителя
Порядковый номер детали
231
Артикул: 5256-1203237
нет в наличии
Прокладка выпускной трубы в сборе
Количество на схеме: 2
Информация
Прокладка выпускной трубы в сборе
Количество
2
Модель
5256
Группа
Система выпуска газов двигателя
Подгруппа
Трубы и подвеска глушителя
Порядковый номер детали
237
Артикул: 5256-1203247
нет в наличии
Прокладка
Количество на схеме: 2
Информация
Прокладка
Количество
2
Примечание
2
Модель
5256
Группа
Система выпуска газов двигателя
Подгруппа
Трубы и подвеска глушителя
Порядковый номер детали
247
Артикул: 5256-1203265
нет в наличии
Окантовка
Количество на схеме: 2
Информация
Окантовка
Количество
2
Примечание
2
Модель
5256
Группа
Система выпуска газов двигателя
Подгруппа
Трубы и подвеска глушителя
Порядковый номер детали
265
Артикул: 5256-1203267
нет в наличии
Лист защитной прокладки
Количество на схеме: 2
Информация
Лист защитной прокладки
Количество
2
Примечание
2
Модель
5256
Группа
Система выпуска газов двигателя
Подгруппа
Трубы и подвеска глушителя
Порядковый номер детали
267
Артикул: 5256-1203293
нет в наличии
Труба
Количество на схеме: 1
Информация
Труба
Количество
1
Примечание
2
Модель
5256
Группа
Система выпуска газов двигателя
Подгруппа
Трубы и подвеска глушителя
Порядковый номер детали
293
Артикул: 5256-1203307
нет в наличии
Труба подвески глушителя нижняя
Количество на схеме: 1
Информация
Труба подвески глушителя нижняя
Количество
1
Примечание
2
Модель
5256
Группа
Система выпуска газов двигателя
Подгруппа
Трубы и подвеска глушителя
Порядковый номер детали
307
Артикул: 5256-1203309
нет в наличии
Труба подвески глушителя верхняя
Количество на схеме: 1
Информация
Труба подвески глушителя верхняя
Количество
1
Примечание
2
Модель
5256
Группа
Система выпуска газов двигателя
Подгруппа
Трубы и подвеска глушителя
Порядковый номер детали
309
Артикул: 5256-1203311
нет в наличии
Труба
Количество на схеме: 1
Информация
Труба
Количество
1
Примечание
2
Модель
5256
Группа
Система выпуска газов двигателя
Подгруппа
Трубы и подвеска глушителя
Порядковый номер детали
311
Артикул: 5256-1203315
нет в наличии
Труба приемная левая с теплоизоляцией в сборе
Количество на схеме: 1
Информация
Труба приемная левая с теплоизоляцией в сборе
Количество
1
Модель
5256
Группа
Система выпуска газов двигателя
Подгруппа
Трубы и подвеска глушителя
Порядковый номер детали
315
Артикул: 5256-1203317
нет в наличии
Труба выпускная в сборе
Количество на схеме: 1
Информация
Труба выпускная в сборе
Количество
1
Модель
5256
Группа
Система выпуска газов двигателя
Подгруппа
Трубы и подвеска глушителя
Порядковый номер детали
317
Артикул: 5256-1203318
нет в наличии
Труба выпускная
Количество на схеме: 1
Информация
Труба выпускная
Количество
1
Модель
5256
Группа
Система выпуска газов двигателя
Подгруппа
Трубы и подвеска глушителя
Порядковый номер детали
318
Артикул: 5256-1203319
нет в наличии
Труба
Количество на схеме: 1
Информация
Труба
Количество
1
Примечание
2
Модель
5256
Группа
Система выпуска газов двигателя
Подгруппа
Трубы и подвеска глушителя
Порядковый номер детали
319
Артикул: 5256-1203323
нет в наличии
Уголок
Количество на схеме: 2
Информация
Уголок
Количество
2
Примечание
2
Модель
5256
Группа
Система выпуска газов двигателя
Подгруппа
Трубы и подвеска глушителя
Порядковый номер детали
323
Артикул: 5256-1203325
нет в наличии
Труба нижняя в сборе
Количество на схеме: 1
Информация
Труба нижняя в сборе
Количество
1
Модель
5256
Группа
Система выпуска газов двигателя
Подгруппа
Трубы и подвеска глушителя
Порядковый номер детали
325
Артикул: 5256-1203327
нет в наличии
Труба нижняя
Количество на схеме: 1
Информация
Труба нижняя
Количество
1
Примечание
2
Модель
5256
Группа
Система выпуска газов двигателя
Подгруппа
Трубы и подвеска глушителя
Порядковый номер детали
327
Артикул: 5256-1203328
нет в наличии
Переходник в сборе
Количество на схеме: 1
Информация
Переходник в сборе
Количество
1
Примечание
2
Модель
5256
Группа
Система выпуска газов двигателя
Подгруппа
Трубы и подвеска глушителя
Порядковый номер детали
328
Артикул: 5256-1203337
нет в наличии
Труба
Количество на схеме: 1
Информация
Труба
Количество
1
Примечание
2
Модель
5256
Группа
Система выпуска газов двигателя
Подгруппа
Трубы и подвеска глушителя
Порядковый номер детали
337
Артикул: 5256-1203339
нет в наличии
Труба
Количество на схеме: 1
Информация
Труба
Количество
1
Примечание
2
Модель
5256
Группа
Система выпуска газов двигателя
Подгруппа
Трубы и подвеска глушителя
Порядковый номер детали
339
Артикул: 5256-1203345
нет в наличии
Труба правая
Количество на схеме: 1
Информация
Труба правая
Количество
1
Модель
5256
Группа
Система выпуска газов двигателя
Подгруппа
Трубы и подвеска глушителя
Порядковый номер детали
345
Артикул: 5256-1203354
нет в наличии
Труба приемная левая в сборе
Количество на схеме: 1
Информация
Труба приемная левая в сборе
Количество
1
Модель
5256
Группа
Система выпуска газов двигателя
Подгруппа
Трубы и подвеска глушителя
Порядковый номер детали
354
Артикул: 5256-1203356
нет в наличии
Труба приемная правая в сборе
Количество на схеме: 1
Информация
Труба приемная правая в сборе
Количество
1
Модель
5256
Группа
Система выпуска газов двигателя
Подгруппа
Трубы и подвеска глушителя
Порядковый номер детали
356
Артикул: 5256-1204010
нет в наличии
Кожух
Количество на схеме: 2
Информация
Кожух
Количество
2
Примечание
2
Модель
5256
Группа
Система выпуска газов двигателя
Подгруппа
1204
Порядковый номер детали
010
  • Грузовые автомобили
  • Автобусы
  • Сельхозтехника
  • Спецтехника
  • Двигатели
Получить оптовый прайс-лист
Скачать прайс-лист от 09.05.2026 16:00
Специальное предложение от 09.05.2026 17:00
Производители:


  • WEICHAI
  • Автодизель ПАО (ЯМЗ)
  • Тутаевский МЗ
  • ЯЗДА
  • УралАЗ
  • МАЗ
  • АЗПИ
  • BOSCH
  • ММЗ
  • ШААЗ
  • FEDERAL MOGUL
  • ПРАМО
  • Мотордеталь
  • ТАИМ
  • АвтоКрАЗ
  • БЕЛКАРД
  • CZ Strakonice
  • КамАЗ
  • БЗА
  • ЧМЗ
  • BMZ
Новости
Все новости
25 марта 2024
Флагманский седельный тягач «Валдай 45» на выставке «TransRussia»
10 марта 2024
Современные автобусы «CITYMAX 9» и ЛиАЗ-5292 CNG
25 февраля 2024
Серийное производство средних дизельных двигателей повышенной мощности от ЯМЗ
Статьи
Все статьи
Датчики двигателя: за что они отвечают, признаки неисправности и как не прогадать с выбором
Двигатели ЯМЗ-534: история, технические характеристики и области применения
Двигатели ЯМЗ 650: углублённый технический обзор и история
Компания
О компании
Реквизиты
Новости
Политика
Магазины
Информация
Условия оплаты
Условия доставки
Гарантия на товар
Обмен и возврат товара
Помощь
Как оформить заказ
Полезные статьи
Бренды
Пункты выдачи
Оставайтесь на связи
  • Вконтакте
  • YouTube
  • Одноклассники
  • Google Plus
Увидели ошибку?
Выделите, нажав Ctrl + Enter
Наши контакты
8-800-700-35-68
sales@din76.ru
г. Ярославль, Ленинградский пр-т 33, ТЦ "ОМЕГА"
2026 © ООО «Динамика 76» - Все права защищены ООО "Динамика 76"
Предложения на сайте не являются публичной офертой.
На сайте обнаружена ошибка

Текст с ошибкой