Избранное 0 Корзина 0 Личный кабинет
logo
Каталог
Каталог
  • Справочник
    • Грузовые автомобили
    • Автобусы
    • Сельхозтехника
    • Спецтехника
    • Двигатели
  • Доставка
  • Оплата
  • О компании
    • Реквизиты
    • Магазины
    • Оплата
    • Доставка
    • Лицензии и сертификаты
    • Новости
    • Вакансии
  • Контакты
Отправить заявку
Личный кабинет
8 (800) 700-35-68
sales@din76.ru
Избранное 0 Корзина 0
8 (800) 700-35-68
Оптовый прайс-лист
Каталог
  • Двигатели
  • Запчасти WEICHAI
  • Запчасти ЯМЗ, ТМЗ (V-образные)
  • Запчасти ЯМЗ-534, ЯМЗ-536
  • Запчасти ЯМЗ-650, ЯМЗ-651, DCi-11
  • Топливная аппаратура
  • Запчасти УРАЛ
  • Запчасти МАЗ
  • Запчасти КамАЗ
  • Запчасти ММЗ
  • Ремни
Автокаталог (справочник)
  • Доставка
  • Оплата
  • О компании
  • Контакты
8 (800) 700-35-68
Написать в Whatsapp
sales@din76.ru
Динамика 76
Меню  
  • Каталог
    • Двигатели  
      • Двигатели ТМЗ  
        • Двигатели ТМЗ для автомобилей
        • Двигатели ТМЗ для тракторов
        • Специальные двигатели ТМЗ
        • Промышленные двигатели ТМЗ
      • Двигатели ЯМЗ  
        • ЯМЗ 236
        • ЯМЗ 238
        • ЯМЗ 240
        • ЯМЗ 751
        • ЯМЗ 840
        • ЯМЗ 850
        • ЯМЗ 656
        • ЯМЗ 658
        • ЯМЗ 534
        • ЯМЗ 536
        • ЯМЗ 650
        • Двигатели ЯМЗ для электростанций
      • Двигатели КАМАЗ
      • Двигатели ММЗ
      • Двигатели индивидуальной сборки
      • Комплекты переоборудования
    • Запчасти WEICHAI  
      • Основные запчасти двигателя  
        • Клапаны и толкатели
        • Шатуны
        • Вал коленчатый и маховик
        • Вал распределительный
        • Цилиндро-поршневая группа
      • Система питания  
        • Форсунки
        • Турбокомпрессор
      • Система смазки  
        • Насос масляный
      • Головка блока
      • Ремкомплекты
      • Система охлаждения  
        • Насос водяной
        • Муфта вязкостная и крыльчатка
      • Фильтры
      • Электрооборудование  
        • Генератор
        • Стартер
    • Запчасти ЯМЗ, ТМЗ (V-образные)  
      • Основные запчасти двигателя  
        • Блок двигателя и комплектующие
        • Валы распределительные и клапаны
        • Головка блока и комплектующие
        • Цилиндро-поршневая группа
        • Маховики и комплектующие
        • Валы коленчатые и комплектующие
        • Шатуны и комплектующие
      • Система питания  
        • Коллекторы и патрубки
        • Топливные трубопроводы
        • Турбокомпрессор
        • Топливные фильтры
      • Электрооборудование двигателя
      • Система охлаждения  
        • Вязкостные муфты и крыльчатки
        • Приводы вентилятора
        • Водяные насосы
        • Водяные трубы и термостаты
      • Коробки переключения передач  
        • 8 Ступенчатые КПП
        • 5 Ступенчатые КПП
        • 9 Ступенчатые КПП
        • Запасные части КПП ЯМЗ, ТМЗ
      • Система смазки  
        • Теплообменник и комплектующие
        • Масляные насосы
        • Фильтры масляные (ФГОМ, ФЦОМ)
      • Сцепление  
        • Запасные части механизма сцепления
        • Муфты (подшипники выжимные)
        • Корзины (диски нажимные)
        • Диски ведомые
      • Прочие запчасти двигателя  
        • Ремкомплекты
        • Привод агрегатов
        • Натяжные устройства
        • Трубки
    • Запчасти ЯМЗ-534, ЯМЗ-536  
      • Основные запчасти двигателя  
        • Цилиндро-поршневая группа
        • Головка блока цилиндров и комплектующие
        • Блок цилиндров и комплектующие
        • Вал коленчатый и маховик
        • Вал распределительный
        • Клапаны и толкатели
        • ГУР (Гидроусилитель руля)
        • Система рециркуляции отработавших газов
        • Выпускной коллектор
      • Система питания  
        • Коллекторы и патрубки
        • Топливные фильтры
        • Турбокомпрессор
        • Топливные трубопроводы
      • Система смазки  
        • Масляный картер поддон
        • Масляный насос
        • Теплообменник /Водо-масляный радиатор
        • Фильтры масляные (ФГОМ, ФЦОМ)
      • Пневмокомпрессор и натяжное
      • Система охлаждения  
        • Водяной насос
        • Водяные трубы и патрубки
        • Муфты вязкостные, приводы, крыльчатки
      • Ремкомплекты
      • Сцепление
      • Электрооборудование
    • Запчасти ЯМЗ-650, ЯМЗ-651, DCi-11  
      • Основные запчасти двигателя  
        • Цилиндро-поршневая группа
        • Головка блока цилиндров и комплектующие
        • Блок цилиндров и комплектующие
        • Вал коленчатый и маховик
        • Выпускной коллектор
        • Вал распределительный
        • Клапаны и толкатели
        • ГУР (Гидроусилитель руля)
        • Система рециркуляции отработавших газов
      • Система питания  
        • Коллекторы и патрубки
        • Топливные трубопроводы
        • Топливные фильтры
        • Турбокомпрессор
      • Система смазки  
        • Масляный картер / поддон
        • Масляный насос
        • Теплообменник / Водо-масляный радиатор
        • Фильтры масляные (ФГОМ, ФЦОМ)
      • Система охлаждения  
        • Водяной насос
        • Водяные трубы и патрубки
        • Муфты вязкостные, приводы, крыльчатки
      • Ремкомплекты
      • Пневмокомпрессор и натяжное
      • Электрооборудование
      • Сцепление
    • Топливная аппаратура  
      • ЯЗДА  
        • Распылители
        • ТНВД
        • Форсунки
        • Топливный насос низкого давления
        • Пары плунжерные
        • Муфта опережения впрыска топлива
        • Запчасти и комплектующие ТНВД
      • НЗТА
      • АЗПИ  
        • Распылители
        • Форсунки
      • BOSCH
    • Запчасти УРАЛ  
      • Трансмиссия  
        • Коробка раздаточная
        • Передача карданная
        • Мост задний
        • Мост передний (ведущий)
        • Мост средний (промежуточный)
      • Кузов  
        • Дверь кабины
        • Капот, крылья, облицовка радиатора
        • Окно ветровое и заднее
        • Отопление и вентиляция кабины
        • Кабина
      • Механизмы управления  
        • Управление рулевое
        • Тормоза
      • Дополнительное оборудование  
        • Отбор мощности
        • Устройство седельное
      • Электрооборудование
      • Ходовая часть  
        • Колеса и ступицы
        • Ось передняя
        • Подвеска автомобиля
        • Рама
    • Запчасти МАЗ  
      • Трансмиссия  
        • Мост задний
        • Мост передний (ведущий)
        • Передача карданная
        • Мост средний (промежуточный)
      • Кузов  
        • Кабина
        • Дверь кабины
        • Детали основания кабины
        • Окно ветровое и заднее
        • Платформа
      • Механизмы управления  
        • Тормоза
        • Управление рулевое
      • Ходовая часть  
        • Колеса и ступицы
        • Ось передняя
        • Подвеска автомобиля
        • Рама
    • Запчасти КамАЗ  
      • Кузов  
        • Кабина
        • Капот, крылья, облицовка радиатора
        • Дверь кабины
        • Платформа
        • Окно ветровое и заднее
        • Устройство подъемное и опрокидывающее
        • Сиденье
        • Крыша кабины (крыша кузова)
        • Отопление и вентиляция кабины
      • Трансмиссия  
        • Коробка передач
        • Коробка раздаточная
        • Мост задний
        • Сцепление
        • Мост средний (промежуточный)
        • Передача карданная
        • Мост передний (ведущий)
      • Двигатель  
        • Основные запчасти двигателя
        • Система охлаждения
        • Система питания
        • Система смазки
      • Дополнительное оборудование  
        • Отбор мощности
        • Устройство седельное
      • Ходовая часть  
        • Подвеска автомобиля
        • Рама
        • Колеса и ступицы
        • Ось передняя
      • Механизмы управления  
        • Тормоза
        • Управление рулевое
      • Электрооборудование
    • Запчасти ММЗ
    • Ремни
  • Справочник
    • Грузовые автомобили
    • Автобусы
    • Сельхозтехника
    • Спецтехника
    • Двигатели
  • Как купить
    • Условия оплаты
    • Условия доставки
    • Гарантия на товар
    • Пункты выдачи
  • Услуги
    • Капитальный ремонт двигателей ЯМЗ
  • Акции
  • Статьи
  • Контакты
  • Компания
    • Реквизиты
    • Магазины
    • Оплата
    • Доставка
    • Лицензии и сертификаты
    • Новости
    • Вакансии
Избранное 0 Корзина 0
8-800-700-35-68

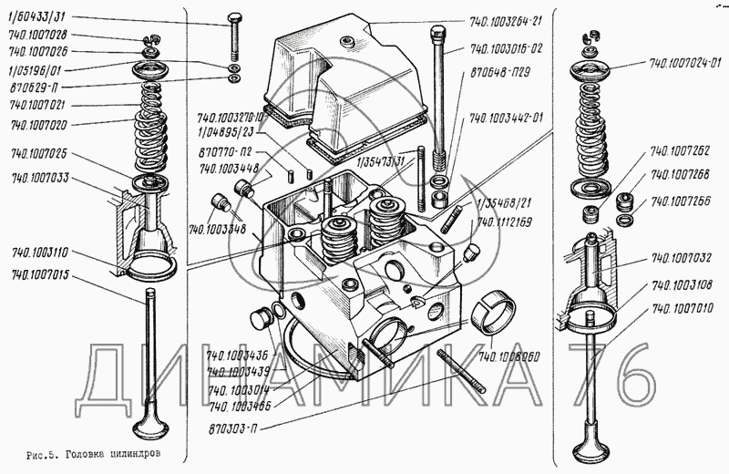
Головка цилиндров на ЛиАЗ 5256

Справочник
Главная
-
Автокаталог
-
Автобусы
-
ЛиАЗ
-
ЛиАЗ 5256
Справочный каталог

Головка цилиндров — ЛиАЗ 5256:

1/04895/23 1/05196/01 1/21647/21 1/35468/21 1/35473/31 1/60443/31 740-1003014 740-1003015 740-1003016-02 740-1003108 740-1003110 740-1003212 740-1003213-20 740-1003264-21 740-1003270-10 740-1003348 740-1003434 740-1003436 740-1003439 740-1003448 740-1003466 740-1007015 740-1007020 740-1007021 740-1007025 740-1007026 740-1007028 740-1007032 740-1007033 740-1007091 740-1007092 740-1007096 740-1007134 740-1007262 740-1007264 740-1007266 740-1007268 740-1008060 740-1112169 740.1007010 740.1007024-01 7408-1003010 870303-П 870629-П 870648-П29 870770-П2 870836-П29
в наличии
нет в наличии
масштаб

В наличии
Нет в наличии

Перечень комплектующих от Головка цилиндров на ЛиАЗ 5256

Схемы запчастей предназначены для справочных целей! Мы продаем не все запчасти от Головка цилиндров на ЛиАЗ 5256, представленные в этом списке.
Наличие на складах по деталям с ценой смотрите в карточке товара.
Артикул: 1/04895/23
нет в наличии
Штифт цилиндрический 6х12
Количество на схеме: 16
Информация
Штифт цилиндрический 6х12
Количество
16
Крепежная деталь
да
Материал
сталь 80 (сталь с пределом прочности на разрыв 784-980 (80-100) МПа (кг/мм2)
Покрытие
фосфатирование
Артикул: 1/05196/01
нет в наличии
Шайба 8х17 плоская
Количество на схеме: 8
Информация
Шайба 8х17 плоская
Количество
8
Крепежная деталь
да
Материал
сталь 40 (сталь с пределом прочности на разрыв 333-490 (34-50) МПа (кг/мм2)
Покрытие
цинкование
Артикул: 1/21647/21
нет в наличии
Гайка М10х1,25
Количество на схеме: 16
Информация
Гайка М10х1,25
Количество
16
Примечание
2
Крепежная деталь
да
Материал
сталь 80 (сталь с пределом прочности на разрыв 784-980 (80-100) МПа (кг/мм2)
Покрытие
цинкование
Артикул: 1/35468/21
нет в наличии
Шпилька М10х1,25х20х45
Количество на схеме: 8
Информация
Шпилька М10х1,25х20х45
Количество
8
Крепежная деталь
да
Материал
сталь 80 (сталь с пределом прочности на разрыв 784-980 (80-100) МПа (кг/мм2)
Покрытие
цинкование
Артикул: 1/35473/31
нет в наличии
Шпилька М10х1,25х20х70
Количество на схеме: 16
Информация
Шпилька М10х1,25х20х70
Количество
16
Крепежная деталь
да
Материал
сталь 100 (сталь с пределом прочности на разрыв 980-1176 (100-120) МПа (кг/мм2)
Покрытие
цинкование
Артикул: 1/60443/31
нет в наличии
Болт М8х55
Количество на схеме: 8
Информация
Болт М8х55
Количество
8
Крепежная деталь
да
Материал
сталь 100 (сталь с пределом прочности на разрыв 980-1176 (100-120) МПа (кг/мм2)
Покрытие
цинкование
Артикул: 740-1003014
нет в наличии
Головка цилиндра со втулками в сборе
Количество на схеме: 8
Информация
Головка цилиндра со втулками в сборе
Количество
8
Модель
740
Группа
Двигатель
Подгруппа
Головка блока цилиндров
Порядковый номер детали
014
Артикул: 740-1003015
нет в наличии
Головка цилиндра
Количество на схеме: 8
Информация
Головка цилиндра
Количество
8
Примечание
2
Модель
740
Группа
Двигатель
Подгруппа
Головка блока цилиндров
Порядковый номер детали
015
Артикул: 740-1003016-02
в наличии
Болт крепления головки цилиндра
Количество на схеме: 32
Информация
Болт крепления головки цилиндра
Количество
32
Модель
740
Группа
Двигатель
Подгруппа
Головка блока цилиндров
Порядковый номер детали
016
Болт КАМАЗ головки блока
Артикул: 740-1003016-02
Болт КАМАЗ головки блока
Код для заказа: 00022347
Цена: 751 ₽/шт.
Под заказ
Болт КАМАЗ головки блока
Артикул: 740-1003016-02
Код для заказа: 00022347
Болт КАМАЗ головки блока
Цена: 751 ₽/шт.
Под заказ
Артикул: 740-1003108
нет в наличии
Седло впускного клапана
Количество на схеме: 8
Информация
Седло впускного клапана
Количество
8
Модель
740
Группа
Двигатель
Подгруппа
Головка блока цилиндров
Порядковый номер детали
108
Артикул: 740-1003110
нет в наличии
Седло выпускного клапана
Количество на схеме: 8
Информация
Седло выпускного клапана
Количество
8
Модель
740
Группа
Двигатель
Подгруппа
Головка блока цилиндров
Порядковый номер детали
110
Артикул: 740-1003212
нет в наличии
Прокладка головки цилиндра
Количество на схеме: 8
Информация
Прокладка головки цилиндра
Количество
8
Примечание
2
Модель
740
Группа
Двигатель
Подгруппа
Головка блока цилиндров
Порядковый номер детали
212
Артикул: 740-1003213-20
в наличии
Прокладка уплотнительная головки цилиндра
Количество на схеме: 8
Информация
Прокладка уплотнительная головки цилиндра
Количество
8
Примечание
2
Модель
740
Группа
Двигатель
Подгруппа
Головка блока цилиндров
Порядковый номер детали
213
Дополнительно
Не взаимозаменяема с деталью, выпущенной ранее под этим же номером
Прокладка головки блока КАМАЗ
Артикул: 740-1003213-20
Прокладка головки блока КАМАЗ
Код для заказа: 00047401
Цена: 24 ₽/шт.
Под заказ
Прокладка головки блока КАМАЗ
Артикул: 740-1003213-20
Код для заказа: 00047401
Прокладка головки блока КАМАЗ
Цена: 24 ₽/шт.
Под заказ
Прокладка головки блока КАМАЗ
Артикул: 740-1003213-20
Прокладка головки блока КАМАЗ
Код для заказа: 00047402
Цена: 490 ₽/шт.
Под заказ
Прокладка головки блока КАМАЗ
Артикул: 740-1003213-20
Код для заказа: 00047402
Прокладка головки блока КАМАЗ
Цена: 490 ₽/шт.
Под заказ
Прокладка головки блока КАМАЗ с металлическим каркасом СТРОЙМАШ
Артикул: 740-1003213-20
Прокладка головки блока КАМАЗ с металлическим каркасом СТРОЙМАШ
Код для заказа: 00047408
Цена: 519 ₽/шт.
Под заказ
Прокладка головки блока КАМАЗ с металлическим каркасом СТРОЙМАШ
Артикул: 740-1003213-20
Код для заказа: 00047408
Прокладка головки блока КАМАЗ с металлическим каркасом СТРОЙМАШ
Цена: 519 ₽/шт.
Под заказ
Артикул: 740-1003264-21
нет в наличии
Крышка головки цилиндра
Количество на схеме: 8
Информация
Крышка головки цилиндра
Количество
8
Модель
740
Группа
Двигатель
Подгруппа
Головка блока цилиндров
Порядковый номер детали
264
Дополнительно
Не взаимозаменяема с деталью, выпущенной ранее под этим же номером
Артикул: 740-1003270-10
нет в наличии
Прокладка крышки головки цилиндра
Количество на схеме: 8
Информация
Прокладка крышки головки цилиндра
Количество
8
Модель
740
Группа
Двигатель
Подгруппа
Головка блока цилиндров
Порядковый номер детали
270
Дополнительно
Не взаимозаменяема с деталью, выпущенной ранее под этим же номером
Артикул: 740-1003348
в наличии
Ввертыш крепления водяной трубы
Количество на схеме: 16
Информация
Ввертыш крепления водяной трубы
Количество
16
Модель
740
Группа
Двигатель
Подгруппа
Головка блока цилиндров
Порядковый номер детали
348
Ввертыш КАМАЗ головки блока М14х1.5
Артикул: 740-1003348
Ввертыш КАМАЗ головки блока М14х1.5
Код для заказа: 00025028
Цена: 58 ₽/шт.
Под заказ
Ввертыш КАМАЗ головки блока М14х1.5
Артикул: 740-1003348
Код для заказа: 00025028
Ввертыш КАМАЗ головки блока М14х1.5
Цена: 58 ₽/шт.
Под заказ
Артикул: 740-1003434
нет в наличии
Заглушка головки цилиндра в сборе
Количество на схеме: 24
Информация
Заглушка головки цилиндра в сборе
Количество
24
Примечание
2
Модель
740
Группа
Двигатель
Подгруппа
Головка блока цилиндров
Порядковый номер детали
434
Артикул: 740-1003436
в наличии
Заглушка головки цилиндра
Количество на схеме: 24
Информация
Заглушка головки цилиндра
Количество
24
Модель
740
Группа
Двигатель
Подгруппа
Головка блока цилиндров
Порядковый номер детали
436
Заглушка КАМАЗ головки блока (ОАО КАМАЗ)
Артикул: 740-1003436
Заглушка КАМАЗ головки блока (ОАО КАМАЗ)
Код для заказа: 00030822
Цена: 193 ₽/шт.
Под заказ
Заглушка КАМАЗ головки блока (ОАО КАМАЗ)
Артикул: 740-1003436
Код для заказа: 00030822
Заглушка КАМАЗ головки блока (ОАО КАМАЗ)
Цена: 193 ₽/шт.
Под заказ
Артикул: 740-1003439
в наличии
Кольцо уплотнительное заглушки
Количество на схеме: 24
Информация
Кольцо уплотнительное заглушки
Количество
24
Модель
740
Группа
Двигатель
Подгруппа
Головка блока цилиндров
Порядковый номер детали
439
Кольцо КАМАЗ уплотнительное головки блока, включения гидромуфты, воздух. КПП VITOCOM
Артикул: 740-1003439
Кольцо КАМАЗ уплотнительное головки блока, включения гидромуфты, воздух. КПП VITOCOM
Код для заказа: 00033569
Цена: 5 ₽/шт.
Под заказ
Кольцо КАМАЗ уплотнительное головки блока, включения гидромуфты, воздух. КПП VITOCOM
Артикул: 740-1003439
Код для заказа: 00033569
Кольцо КАМАЗ уплотнительное головки блока, включения гидромуфты, воздух. КПП VITOCOM
Цена: 5 ₽/шт.
Под заказ
Артикул: 740-1003448
в наличии
Ввертыш крепления впускного коллектора
Количество на схеме: 16
Информация
Ввертыш крепления впускного коллектора
Количество
16
Модель
740
Группа
Двигатель
Подгруппа
Головка блока цилиндров
Порядковый номер детали
448
Ввертыш КАМАЗ головки блока М16х1.5
Артикул: 740-1003448
Ввертыш КАМАЗ головки блока М16х1.5
Код для заказа: 00025030
Цена: 69 ₽/шт.
Под заказ
Ввертыш КАМАЗ головки блока М16х1.5
Артикул: 740-1003448
Код для заказа: 00025030
Ввертыш КАМАЗ головки блока М16х1.5
Цена: 69 ₽/шт.
Под заказ
Артикул: 740-1003466
в наличии
Кольцо уплотнительное газового стыка
Количество на схеме: 8
Информация
Кольцо уплотнительное газового стыка
Количество
8
Модель
740
Группа
Двигатель
Подгруппа
Головка блока цилиндров
Порядковый номер детали
466
Кольцо КАМАЗ стыка газового уплотнительное
Артикул: 740-1003466
Кольцо КАМАЗ стыка газового уплотнительное
Код для заказа: 00033556
Цена: 1 113 ₽/шт.
Под заказ
Кольцо КАМАЗ стыка газового уплотнительное
Артикул: 740-1003466
Код для заказа: 00033556
Кольцо КАМАЗ стыка газового уплотнительное
Цена: 1 113 ₽/шт.
Под заказ
Артикул: 740-1007015
нет в наличии
Клапан выпускной
Количество на схеме: 8
Информация
Клапан выпускной
Количество
8
Модель
740
Группа
Двигатель
Подгруппа
Клапана и толкатели
Порядковый номер детали
015
Артикул: 740-1007020
в наличии
Пружина клапана наружная
Количество на схеме: 16
Информация
Пружина клапана наружная
Количество
16
Модель
740
Группа
Двигатель
Подгруппа
Клапана и толкатели
Порядковый номер детали
020
Пружина КАМАЗ клапана внешняя
Артикул: 740-1007020
Пружина КАМАЗ клапана внешняя
Код для заказа: 00048877
Цена: 186 ₽/шт.
Под заказ
Пружина КАМАЗ клапана внешняя
Артикул: 740-1007020
Код для заказа: 00048877
Пружина КАМАЗ клапана внешняя
Цена: 186 ₽/шт.
Под заказ
Артикул: 740-1007021
в наличии
Пружина клапана внутренняя
Количество на схеме: 16
Информация
Пружина клапана внутренняя
Количество
16
Модель
740
Группа
Двигатель
Подгруппа
Клапана и толкатели
Порядковый номер детали
021
Пружина КАМАЗ клапана внутренняя
Артикул: 740-1007021
Пружина КАМАЗ клапана внутренняя
Код для заказа: 00048878
Цена: 95 ₽/шт.
Под заказ
Пружина КАМАЗ клапана внутренняя
Артикул: 740-1007021
Код для заказа: 00048878
Пружина КАМАЗ клапана внутренняя
Цена: 95 ₽/шт.
Под заказ
Артикул: 740-1007025
нет в наличии
Шайба пружин клапана
Количество на схеме: 16
Информация
Шайба пружин клапана
Количество
16
Модель
740
Группа
Двигатель
Подгруппа
Клапана и толкатели
Порядковый номер детали
025
Артикул: 740-1007026
нет в наличии
Втулка тарелки пружин
Количество на схеме: 16
Информация
Втулка тарелки пружин
Количество
16
Модель
740
Группа
Двигатель
Подгруппа
Клапана и толкатели
Порядковый номер детали
026
Артикул: 740-1007028
в наличии
Сухарь клапана
Количество на схеме: 32
Информация
Сухарь клапана
Количество
32
Модель
740
Группа
Двигатель
Подгруппа
Клапана и толкатели
Порядковый номер детали
028
Сухарь клапана КАМАЗ
Артикул: 740-1007028
Сухарь клапана КАМАЗ
Код для заказа: 00056267
Цена: 31 ₽/шт.
Под заказ
Сухарь клапана КАМАЗ
Артикул: 740-1007028
Код для заказа: 00056267
Сухарь клапана КАМАЗ
Цена: 31 ₽/шт.
Под заказ
Артикул: 740-1007032
в наличии
Втулка направляющая впускного клапана
Количество на схеме: 8
Информация
Втулка направляющая впускного клапана
Количество
8
Модель
740
Группа
Двигатель
Подгруппа
Клапана и толкатели
Порядковый номер детали
032
Втулка КАМАЗ направляющая впускного и клапана выпускного (ОАО КАМАЗ)
Артикул: 740-1007032
Втулка КАМАЗ направляющая впускного и клапана выпускного (ОАО КАМАЗ)
Код для заказа: 00026468
Цена: 704 ₽/шт.
Под заказ
Втулка КАМАЗ направляющая впускного и клапана выпускного (ОАО КАМАЗ)
Артикул: 740-1007032
Код для заказа: 00026468
Втулка КАМАЗ направляющая впускного и клапана выпускного (ОАО КАМАЗ)
Цена: 704 ₽/шт.
Под заказ
Втулка КАМАЗ направляющая клапана впускного
Артикул: 740-1007032
Втулка КАМАЗ направляющая клапана впускного
Код для заказа: 00026469
Цена: 628 ₽/шт.
Под заказ
Втулка КАМАЗ направляющая клапана впускного
Артикул: 740-1007032
Код для заказа: 00026469
Втулка КАМАЗ направляющая клапана впускного
Цена: 628 ₽/шт.
Под заказ
Артикул: 740-1007033
нет в наличии
Втулка направляющая выпускного клапана
Количество на схеме: 8
Информация
Втулка направляющая выпускного клапана
Количество
8
Модель
740
Группа
Двигатель
Подгруппа
Клапана и толкатели
Порядковый номер детали
033
Артикул: 740-1007091
нет в наличии
Стойка коромысел в сборе
Количество на схеме: 8
Информация
Стойка коромысел в сборе
Количество
8
Примечание
2
Модель
740
Группа
Двигатель
Подгруппа
Клапана и толкатели
Порядковый номер детали
091
Артикул: 740-1007092
нет в наличии
Стойка коромысел
Количество на схеме: 8
Информация
Стойка коромысел
Количество
8
Примечание
2
Модель
740
Группа
Двигатель
Подгруппа
Клапана и толкатели
Порядковый номер детали
092
Артикул: 740-1007096
нет в наличии
Фиксатор коромысел
Количество на схеме: 8
Информация
Фиксатор коромысел
Количество
8
Примечание
2
Модель
740
Группа
Двигатель
Подгруппа
Клапана и толкатели
Порядковый номер детали
096
Артикул: 740-1007134
в наличии
Шайба стопорная крепления стойки коромысел
Количество на схеме: 8
Информация
Шайба стопорная крепления стойки коромысел
Количество
8
Примечание
2
Модель
740
Группа
Двигатель
Подгруппа
Клапана и толкатели
Порядковый номер детали
134
Шайба КАМАЗ стопорная стойки коромысел
Артикул: 740-1007134
Шайба КАМАЗ стопорная стойки коромысел
Код для заказа: 00063191
Цена: 34 ₽/шт.
Под заказ
Шайба КАМАЗ стопорная стойки коромысел
Артикул: 740-1007134
Код для заказа: 00063191
Шайба КАМАЗ стопорная стойки коромысел
Цена: 34 ₽/шт.
Под заказ
Артикул: 740-1007262
в наличии
Манжета уплотнительная впускного клапана в сборе
Количество на схеме: 8
Информация
Манжета уплотнительная впускного клапана в сборе
Количество
8
Модель
740
Группа
Двигатель
Подгруппа
Клапана и толкатели
Порядковый номер детали
262
Колпачок КАМАЗ маслоотражательный комплект 8шт. РОСИЧЪ
Артикул: 740-1007262
Колпачок КАМАЗ маслоотражательный комплект 8шт. РОСИЧЪ
Код для заказа: 00033193
Цена: 183 ₽/шт.
Под заказ
Колпачок КАМАЗ маслоотражательный комплект 8шт. РОСИЧЪ
Артикул: 740-1007262
Код для заказа: 00033193
Колпачок КАМАЗ маслоотражательный комплект 8шт. РОСИЧЪ
Цена: 183 ₽/шт.
Под заказ
Колпачок КАМАЗ маслоотражательный комплект 8шт. Viton CAVETTO
Артикул: 740-1007262
Колпачок КАМАЗ маслоотражательный комплект 8шт. Viton CAVETTO
Код для заказа: 00033195
Цена: 320 ₽/шт.
Под заказ
Колпачок КАМАЗ маслоотражательный комплект 8шт. Viton CAVETTO
Артикул: 740-1007262
Код для заказа: 00033195
Колпачок КАМАЗ маслоотражательный комплект 8шт. Viton CAVETTO
Цена: 320 ₽/шт.
Под заказ
Артикул: 740-1007264
нет в наличии
Пружина манжеты
Количество на схеме: 8
Информация
Пружина манжеты
Количество
8
Модель
740
Группа
Двигатель
Подгруппа
Клапана и толкатели
Порядковый номер детали
264
Артикул: 740-1007266
нет в наличии
Кольцо манжеты
Количество на схеме: 8
Информация
Кольцо манжеты
Количество
8
Модель
740
Группа
Двигатель
Подгруппа
Клапана и толкатели
Порядковый номер детали
266
Артикул: 740-1007268
в наличии
Манжета уплотнительная впускного клапана
Количество на схеме: 8
Информация
Манжета уплотнительная впускного клапана
Количество
8
Модель
740
Группа
Двигатель
Подгруппа
Клапана и толкатели
Порядковый номер детали
268
Маслоотражатель КамАЗ
Артикул: 740-1007268
Маслоотражатель КамАЗ
Код для заказа: 00009132
Цена: 363 ₽/шт.
Под заказ
Маслоотражатель КамАЗ
Артикул: 740-1007268
Код для заказа: 00009132
Маслоотражатель КамАЗ
Цена: 363 ₽/шт.
Под заказ
Артикул: 740-1008060
нет в наличии
Втулка предохранительная
Количество на схеме: 8
Информация
Втулка предохранительная
Количество
8
Модель
740
Группа
Двигатель
Подгруппа
Газопроводы (коллектор выпускной)
Порядковый номер детали
060
Артикул: 740-1112169
нет в наличии
Опора скобы
Количество на схеме: 8
Информация
Опора скобы
Количество
8
Модель
740
Группа
Cистема питания двигателя
Подгруппа
Форсунка
Порядковый номер детали
169
Артикул: 740-1007010
нет в наличии
Клапан впускной
Количество на схеме: 8
Информация
Клапан впускной
Количество
8
Модель
740
Группа
Двигатель
Подгруппа
Клапана и толкатели
Порядковый номер детали
010
Артикул: 740-1007024-01
нет в наличии
Тарелка пружин клапана
Количество на схеме: 16
Информация
Тарелка пружин клапана
Количество
16
Модель
740
Группа
Двигатель
Подгруппа
Клапана и толкатели
Порядковый номер детали
024
Артикул: 7408-1003010
нет в наличии
Головка цилиндра в сборе
Количество на схеме: 8
Информация
Головка цилиндра в сборе
Количество
8
Примечание
2
Модель
7408
Группа
Двигатель
Подгруппа
Головка блока цилиндров
Порядковый номер детали
010
Артикул: 870303-П
нет в наличии
Шпилька М10х1,25х20х52
Количество на схеме: 16
Информация
Шпилька М10х1,25х20х52
Количество
16
Покрытие
без покрытия
Артикул: 870629-П
нет в наличии
Шайба 8
Количество на схеме: 8
Информация
Шайба 8
Количество
8
Покрытие
без покрытия
Артикул: 870648-П29
нет в наличии
Шайба 18
Количество на схеме: 32
Информация
Шайба 18
Количество
32
Покрытие
цинкование и пассивирование (цинковое с хроматированием)
Артикул: 870770-П2
нет в наличии
Штифт 6х16
Количество на схеме: 16
Информация
Штифт 6х16
Количество
16
Покрытие
фосфатирование и промасливание
Артикул: 870836-П29
нет в наличии
Заглушка стойки коромысел
Количество на схеме: 16
Информация
Заглушка стойки коромысел
Количество
16
Примечание
2
Покрытие
цинкование и пассивирование (цинковое с хроматированием)
  • Грузовые автомобили
  • Автобусы
  • Сельхозтехника
  • Спецтехника
  • Двигатели
Получить оптовый прайс-лист
Скачать прайс-лист от 07.05.2026 16:00
Специальное предложение от 07.05.2026 17:00
Производители:


  • WEICHAI
  • Автодизель ПАО (ЯМЗ)
  • Тутаевский МЗ
  • ЯЗДА
  • УралАЗ
  • МАЗ
  • АЗПИ
  • BOSCH
  • ММЗ
  • ШААЗ
  • FEDERAL MOGUL
  • ПРАМО
  • Мотордеталь
  • ТАИМ
  • АвтоКрАЗ
  • БЕЛКАРД
  • CZ Strakonice
  • КамАЗ
  • БЗА
  • ЧМЗ
  • BMZ
Новости
Все новости
25 марта 2024
Флагманский седельный тягач «Валдай 45» на выставке «TransRussia»
10 марта 2024
Современные автобусы «CITYMAX 9» и ЛиАЗ-5292 CNG
25 февраля 2024
Серийное производство средних дизельных двигателей повышенной мощности от ЯМЗ
Статьи
Все статьи
Датчики двигателя: за что они отвечают, признаки неисправности и как не прогадать с выбором
Двигатели ЯМЗ-534: история, технические характеристики и области применения
Двигатели ЯМЗ 650: углублённый технический обзор и история
Компания
О компании
Реквизиты
Новости
Политика
Магазины
Информация
Условия оплаты
Условия доставки
Гарантия на товар
Обмен и возврат товара
Помощь
Как оформить заказ
Полезные статьи
Бренды
Пункты выдачи
Оставайтесь на связи
  • Вконтакте
  • YouTube
  • Одноклассники
  • Google Plus
Увидели ошибку?
Выделите, нажав Ctrl + Enter
Наши контакты
8-800-700-35-68
sales@din76.ru
г. Ярославль, Ленинградский пр-т 33, ТЦ "ОМЕГА"
2026 © ООО «Динамика 76» - Все права защищены ООО "Динамика 76"
Предложения на сайте не являются публичной офертой.
На сайте обнаружена ошибка

Текст с ошибкой