Избранное 0 Корзина 0 Личный кабинет
logo
Каталог
Каталог
  • Справочник
    • Грузовые автомобили
    • Автобусы
    • Сельхозтехника
    • Спецтехника
    • Двигатели
  • Доставка
  • Оплата
  • О компании
    • Реквизиты
    • Магазины
    • Оплата
    • Доставка
    • Лицензии и сертификаты
    • Новости
    • Вакансии
  • Контакты
Отправить заявку
Личный кабинет
8 (800) 700-35-68
sales@din76.ru
Избранное 0 Корзина 0
8 (800) 700-35-68
Оптовый прайс-лист
Каталог
  • Двигатели
  • Запчасти WEICHAI
  • Запчасти ЯМЗ, ТМЗ (V-образные)
  • Запчасти ЯМЗ-534, ЯМЗ-536
  • Запчасти ЯМЗ-650, ЯМЗ-651, DCi-11
  • Топливная аппаратура
  • Запчасти УРАЛ
  • Запчасти МАЗ
  • Запчасти КамАЗ
  • Запчасти ММЗ
  • Ремни
Автокаталог (справочник)
  • Доставка
  • Оплата
  • О компании
  • Контакты
8 (800) 700-35-68
Написать в Whatsapp
sales@din76.ru
Динамика 76
Меню  
  • Каталог
    • Двигатели  
      • Двигатели ТМЗ  
        • Двигатели ТМЗ для автомобилей
        • Двигатели ТМЗ для тракторов
        • Специальные двигатели ТМЗ
        • Промышленные двигатели ТМЗ
      • Двигатели ЯМЗ  
        • ЯМЗ 236
        • ЯМЗ 238
        • ЯМЗ 240
        • ЯМЗ 751
        • ЯМЗ 840
        • ЯМЗ 850
        • ЯМЗ 656
        • ЯМЗ 658
        • ЯМЗ 534
        • ЯМЗ 536
        • ЯМЗ 650
        • Двигатели ЯМЗ для электростанций
      • Двигатели КАМАЗ
      • Двигатели ММЗ
      • Двигатели индивидуальной сборки
      • Комплекты переоборудования
    • Запчасти WEICHAI  
      • Основные запчасти двигателя  
        • Клапаны и толкатели
        • Шатуны
        • Вал коленчатый и маховик
        • Вал распределительный
        • Цилиндро-поршневая группа
      • Система питания  
        • Форсунки
        • Турбокомпрессор
      • Система смазки  
        • Насос масляный
      • Головка блока
      • Ремкомплекты
      • Система охлаждения  
        • Насос водяной
        • Муфта вязкостная и крыльчатка
      • Фильтры
      • Электрооборудование  
        • Генератор
        • Стартер
    • Запчасти ЯМЗ, ТМЗ (V-образные)  
      • Основные запчасти двигателя  
        • Блок двигателя и комплектующие
        • Валы распределительные и клапаны
        • Головка блока и комплектующие
        • Цилиндро-поршневая группа
        • Маховики и комплектующие
        • Валы коленчатые и комплектующие
        • Шатуны и комплектующие
      • Система питания  
        • Коллекторы и патрубки
        • Топливные трубопроводы
        • Турбокомпрессор
        • Топливные фильтры
      • Электрооборудование двигателя
      • Система охлаждения  
        • Вязкостные муфты и крыльчатки
        • Приводы вентилятора
        • Водяные насосы
        • Водяные трубы и термостаты
      • Коробки переключения передач  
        • 8 Ступенчатые КПП
        • 5 Ступенчатые КПП
        • 9 Ступенчатые КПП
        • Запасные части КПП ЯМЗ, ТМЗ
      • Система смазки  
        • Теплообменник и комплектующие
        • Масляные насосы
        • Фильтры масляные (ФГОМ, ФЦОМ)
      • Сцепление  
        • Запасные части механизма сцепления
        • Муфты (подшипники выжимные)
        • Корзины (диски нажимные)
        • Диски ведомые
      • Прочие запчасти двигателя  
        • Ремкомплекты
        • Привод агрегатов
        • Натяжные устройства
        • Трубки
    • Запчасти ЯМЗ-534, ЯМЗ-536  
      • Основные запчасти двигателя  
        • Цилиндро-поршневая группа
        • Головка блока цилиндров и комплектующие
        • Блок цилиндров и комплектующие
        • Вал коленчатый и маховик
        • Вал распределительный
        • Клапаны и толкатели
        • ГУР (Гидроусилитель руля)
        • Система рециркуляции отработавших газов
        • Выпускной коллектор
      • Система питания  
        • Коллекторы и патрубки
        • Топливные фильтры
        • Турбокомпрессор
        • Топливные трубопроводы
      • Система смазки  
        • Масляный картер поддон
        • Масляный насос
        • Теплообменник /Водо-масляный радиатор
        • Фильтры масляные (ФГОМ, ФЦОМ)
      • Пневмокомпрессор и натяжное
      • Система охлаждения  
        • Водяной насос
        • Водяные трубы и патрубки
        • Муфты вязкостные, приводы, крыльчатки
      • Ремкомплекты
      • Сцепление
      • Электрооборудование
    • Запчасти ЯМЗ-650, ЯМЗ-651, DCi-11  
      • Основные запчасти двигателя  
        • Цилиндро-поршневая группа
        • Головка блока цилиндров и комплектующие
        • Блок цилиндров и комплектующие
        • Вал коленчатый и маховик
        • Выпускной коллектор
        • Вал распределительный
        • Клапаны и толкатели
        • ГУР (Гидроусилитель руля)
        • Система рециркуляции отработавших газов
      • Система питания  
        • Коллекторы и патрубки
        • Топливные трубопроводы
        • Топливные фильтры
        • Турбокомпрессор
      • Система смазки  
        • Масляный картер / поддон
        • Масляный насос
        • Теплообменник / Водо-масляный радиатор
        • Фильтры масляные (ФГОМ, ФЦОМ)
      • Система охлаждения  
        • Водяной насос
        • Водяные трубы и патрубки
        • Муфты вязкостные, приводы, крыльчатки
      • Ремкомплекты
      • Пневмокомпрессор и натяжное
      • Электрооборудование
      • Сцепление
    • Топливная аппаратура  
      • ЯЗДА  
        • Распылители
        • ТНВД
        • Форсунки
        • Топливный насос низкого давления
        • Пары плунжерные
        • Муфта опережения впрыска топлива
        • Запчасти и комплектующие ТНВД
      • НЗТА
      • АЗПИ  
        • Распылители
        • Форсунки
      • BOSCH
    • Запчасти УРАЛ  
      • Трансмиссия  
        • Коробка раздаточная
        • Передача карданная
        • Мост задний
        • Мост передний (ведущий)
        • Мост средний (промежуточный)
      • Кузов  
        • Дверь кабины
        • Капот, крылья, облицовка радиатора
        • Окно ветровое и заднее
        • Отопление и вентиляция кабины
        • Кабина
      • Механизмы управления  
        • Управление рулевое
        • Тормоза
      • Дополнительное оборудование  
        • Отбор мощности
        • Устройство седельное
      • Электрооборудование
      • Ходовая часть  
        • Колеса и ступицы
        • Ось передняя
        • Подвеска автомобиля
        • Рама
    • Запчасти МАЗ  
      • Трансмиссия  
        • Мост задний
        • Мост передний (ведущий)
        • Передача карданная
        • Мост средний (промежуточный)
      • Кузов  
        • Кабина
        • Дверь кабины
        • Детали основания кабины
        • Окно ветровое и заднее
        • Платформа
      • Механизмы управления  
        • Тормоза
        • Управление рулевое
      • Ходовая часть  
        • Колеса и ступицы
        • Ось передняя
        • Подвеска автомобиля
        • Рама
    • Запчасти КамАЗ  
      • Кузов  
        • Кабина
        • Капот, крылья, облицовка радиатора
        • Дверь кабины
        • Платформа
        • Окно ветровое и заднее
        • Устройство подъемное и опрокидывающее
        • Сиденье
        • Крыша кабины (крыша кузова)
        • Отопление и вентиляция кабины
      • Трансмиссия  
        • Коробка передач
        • Коробка раздаточная
        • Мост задний
        • Сцепление
        • Мост средний (промежуточный)
        • Передача карданная
        • Мост передний (ведущий)
      • Двигатель  
        • Основные запчасти двигателя
        • Система охлаждения
        • Система питания
        • Система смазки
      • Дополнительное оборудование  
        • Отбор мощности
        • Устройство седельное
      • Ходовая часть  
        • Подвеска автомобиля
        • Рама
        • Колеса и ступицы
        • Ось передняя
      • Механизмы управления  
        • Тормоза
        • Управление рулевое
      • Электрооборудование
    • Запчасти ММЗ
    • Ремни
  • Справочник
    • Грузовые автомобили
    • Автобусы
    • Сельхозтехника
    • Спецтехника
    • Двигатели
  • Как купить
    • Условия оплаты
    • Условия доставки
    • Гарантия на товар
    • Пункты выдачи
  • Услуги
    • Капитальный ремонт двигателей ЯМЗ
  • Акции
  • Статьи
  • Контакты
  • Компания
    • Реквизиты
    • Магазины
    • Оплата
    • Доставка
    • Лицензии и сертификаты
    • Новости
    • Вакансии
Избранное 0 Корзина 0
8-800-700-35-68

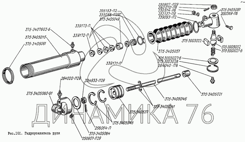
Гидроусилитель руля на ЛиАЗ 5256

Справочник
Главная
-
Автокаталог
-
Автобусы
-
ЛиАЗ
-
ЛиАЗ 5256
Справочный каталог

Гидроусилитель руля — ЛиАЗ 5256:

200369-П8 250514-П8 250907-П29 250907-П29 252137-П8 258054-П 258070-П8 264020-П29 264040-П8 334933-П29 335058-П29 339093-П2 339153-П2 339171-П 339172-П 339173-П 375-3003021-Б 375-3003022 375-3003027-Б 375-3003028 375-3003032 375-3405010-10 375-3405013 375-3405015 375-3405020 375-3405021 375-3405030-10 375-3405037 375-3405041 375-3405045 375-3405046 375-3405049 375-3405050 375-3405051 375-3405060-10 375-3405061 375-3405075 375-3405080-61 375-3405081 375-3405084 375-3405603-Б
в наличии
нет в наличии
масштаб

В наличии
Нет в наличии

Перечень комплектующих от Гидроусилитель руля на ЛиАЗ 5256

Схемы запчастей предназначены для справочных целей! Мы продаем не все запчасти от Гидроусилитель руля на ЛиАЗ 5256, представленные в этом списке.
Наличие на складах по деталям с ценой смотрите в карточке товара.
Артикул: 200369-П8
нет в наличии
Болт М12х1,75х50
Количество на схеме: 1
Информация
Болт М12х1,75х50
Количество
1
Покрытие
цинкование
Артикул: 250514-П8
нет в наличии
Гайка М12х1,75
Количество на схеме: 1
Информация
Гайка М12х1,75
Количество
1
Покрытие
цинкование
Артикул: 250907-П29
в наличии
Гайка
Количество на схеме: 2
Информация
Гайка
Количество
2
Покрытие
цинкование и пассивирование (цинковое с хроматированием)
Гайка М18х1.5 МАЗ,КРАЗ опоры двигателя,рулевого пальца MEGAPOWER
Артикул: 250907-П29
Гайка М18х1.5 МАЗ,КРАЗ опоры двигателя,рулевого пальца MEGAPOWER
Код для заказа: 00027520
Цена: 66 ₽/шт.
Под заказ
Гайка М18х1.5 МАЗ,КРАЗ опоры двигателя,рулевого пальца MEGAPOWER
Артикул: 250907-П29
Код для заказа: 00027520
Гайка М18х1.5 МАЗ,КРАЗ опоры двигателя,рулевого пальца MEGAPOWER
Цена: 66 ₽/шт.
Под заказ
Артикул: 252137-П8
нет в наличии
Шайба 12 пружинная
Количество на схеме: 1
Информация
Шайба 12 пружинная
Количество
1
Покрытие
цинкование
Артикул: 258054-П
нет в наличии
Шплинт
Количество на схеме: 1
Информация
Шплинт
Количество
1
Покрытие
без покрытия
Артикул: 258070-П8
нет в наличии
Шплинт
Количество на схеме: 2
Информация
Шплинт
Количество
2
Покрытие
цинкование
Артикул: 264020-П29
нет в наличии
Масленка
Количество на схеме: 1
Информация
Масленка
Количество
1
Покрытие
цинкование и пассивирование (цинковое с хроматированием)
Артикул: 264040-П8
нет в наличии
Масленка в сборе
Количество на схеме: 1
Информация
Масленка в сборе
Количество
1
Покрытие
цинкование
Артикул: 334933-П29
в наличии
Гайка
Количество на схеме: 1
Информация
Гайка
Количество
1
Покрытие
цинкование и пассивирование (цинковое с хроматированием)
Гайка М22х1.5 пальца рулевого Н/О УРАЛ (АО АЗ УРАЛ)
Артикул: 334933-П29
Гайка М22х1.5 пальца рулевого Н/О УРАЛ (АО АЗ УРАЛ)
Код для заказа: 00027561
Цена: 166 ₽/шт.
Под заказ
Гайка М22х1.5 пальца рулевого Н/О УРАЛ (АО АЗ УРАЛ)
Артикул: 334933-П29
Код для заказа: 00027561
Гайка М22х1.5 пальца рулевого Н/О УРАЛ (АО АЗ УРАЛ)
Цена: 166 ₽/шт.
Под заказ
Артикул: 335058-П29
в наличии
Гайка
Количество на схеме: 1
Информация
Гайка
Количество
1
Покрытие
цинкование и пассивирование (цинковое с хроматированием)
Гайка М45х1.5 штока ГУР УРАЛ (АО АЗ УРАЛ)
Артикул: 335058-П29
Гайка М45х1.5 штока ГУР УРАЛ (АО АЗ УРАЛ)
Код для заказа: 00027643
Цена: 174 ₽/шт.
Под заказ
Гайка М45х1.5 штока ГУР УРАЛ (АО АЗ УРАЛ)
Артикул: 335058-П29
Код для заказа: 00027643
Гайка М45х1.5 штока ГУР УРАЛ (АО АЗ УРАЛ)
Цена: 174 ₽/шт.
Под заказ
Артикул: 339093-П2
нет в наличии
Хомут крепления защитной муфты
Количество на схеме: 1
Информация
Хомут крепления защитной муфты
Количество
1
Покрытие
фосфатирование и промасливание
Артикул: 339153-П2
нет в наличии
Хомут крепления защитной муфты
Количество на схеме: 1
Информация
Хомут крепления защитной муфты
Количество
1
Покрытие
фосфатирование и промасливание
Артикул: 339171-П
нет в наличии
Кольцо
Количество на схеме: 1
Информация
Кольцо
Количество
1
Покрытие
без покрытия
Артикул: 339172-П
нет в наличии
Кольцо штока опорное
Количество на схеме: 1
Информация
Кольцо штока опорное
Количество
1
Покрытие
без покрытия
Артикул: 339173-П
нет в наличии
Манжета
Количество на схеме: 3
Информация
Манжета
Количество
3
Покрытие
без покрытия
Артикул: 375-3003021-Б
нет в наличии
Пружина
Количество на схеме: 2
Информация
Пружина
Количество
2
Модель
375
Группа
Тяги рулевые. Оси передняя и задняя
Подгруппа
Тяги рулевые
Порядковый номер детали
021
Артикул: 375-3003022
нет в наличии
Сухарь пальцев
Количество на схеме: 4
Информация
Сухарь пальцев
Количество
4
Модель
375
Группа
Тяги рулевые. Оси передняя и задняя
Подгруппа
Тяги рулевые
Порядковый номер детали
022
Артикул: 375-3003027-Б
нет в наличии
Крышка
Количество на схеме: 2
Информация
Крышка
Количество
2
Модель
375
Группа
Тяги рулевые. Оси передняя и задняя
Подгруппа
Тяги рулевые
Порядковый номер детали
027
Артикул: 375-3003028
нет в наличии
Кольцо крышки наконечников запорное
Количество на схеме: 2
Информация
Кольцо крышки наконечников запорное
Количество
2
Модель
375
Группа
Тяги рулевые. Оси передняя и задняя
Подгруппа
Тяги рулевые
Порядковый номер детали
028
Артикул: 375-3003032
нет в наличии
Палец наконечников шаровой
Количество на схеме: 2
Информация
Палец наконечников шаровой
Количество
2
Модель
375
Группа
Тяги рулевые. Оси передняя и задняя
Подгруппа
Тяги рулевые
Порядковый номер детали
032
Артикул: 375-3405010-10
нет в наличии
Гидроусилитель в сборе
Количество на схеме: 1
Информация
Гидроусилитель в сборе
Количество
1
Примечание
2
Модель
375
Группа
Управление рулевое
Подгруппа
Цилиндр силовой гидроусилителя
Порядковый номер детали
010
Дополнительно
Не взаимозаменяема с деталью, выпущенной ранее под этим же номером
Артикул: 375-3405013
в наличии
Цилиндр гидроусилителя с крышкой и втулкой в сборе
Количество на схеме: 1
Информация
Цилиндр гидроусилителя с крышкой и втулкой в сборе
Количество
1
Примечание
2
Модель
375
Группа
Управление рулевое
Подгруппа
Цилиндр силовой гидроусилителя
Порядковый номер детали
013
Корпус УРАЛ цилиндра ГУРа (АО АЗ УРАЛ)
Артикул: 375-3405013
Корпус УРАЛ цилиндра ГУРа (АО АЗ УРАЛ)
Код для заказа: 00034918
Цена: 8 984 ₽/шт.
Под заказ
Корпус УРАЛ цилиндра ГУРа (АО АЗ УРАЛ)
Артикул: 375-3405013
Код для заказа: 00034918
Корпус УРАЛ цилиндра ГУРа (АО АЗ УРАЛ)
Цена: 8 984 ₽/шт.
Под заказ
Артикул: 375-3405015
нет в наличии
Цилиндр гидроусилителя
Количество на схеме: 1
Информация
Цилиндр гидроусилителя
Количество
1
Модель
375
Группа
Управление рулевое
Подгруппа
Цилиндр силовой гидроусилителя
Порядковый номер детали
015
Артикул: 375-3405020
нет в наличии
Поршень в сборе
Количество на схеме: 2
Информация
Поршень в сборе
Количество
2
Примечание
2
Модель
375
Группа
Управление рулевое
Подгруппа
Цилиндр силовой гидроусилителя
Порядковый номер детали
020
Артикул: 375-3405021
нет в наличии
Втулка крышки
Количество на схеме: 1
Информация
Втулка крышки
Количество
1
Модель
375
Группа
Управление рулевое
Подгруппа
Цилиндр силовой гидроусилителя
Порядковый номер детали
021
Артикул: 375-3405030-10
нет в наличии
Шток с поршнем в сборе
Количество на схеме: 1
Информация
Шток с поршнем в сборе
Количество
1
Примечание
2
Модель
375
Группа
Управление рулевое
Подгруппа
Цилиндр силовой гидроусилителя
Порядковый номер детали
030
Дополнительно
Не взаимозаменяема с деталью, выпущенной ранее под этим же номером
Артикул: 375-3405037
нет в наличии
Поршень
Количество на схеме: 1
Информация
Поршень
Количество
1
Модель
375
Группа
Управление рулевое
Подгруппа
Цилиндр силовой гидроусилителя
Порядковый номер детали
037
Артикул: 375-3405041
нет в наличии
Полукольцо
Количество на схеме: 2
Информация
Полукольцо
Количество
2
Модель
375
Группа
Управление рулевое
Подгруппа
Цилиндр силовой гидроусилителя
Порядковый номер детали
041
Артикул: 375-3405045
нет в наличии
Кольцо уплотнительное
Количество на схеме: 2
Информация
Кольцо уплотнительное
Количество
2
Модель
375
Группа
Управление рулевое
Подгруппа
Цилиндр силовой гидроусилителя
Порядковый номер детали
045
Артикул: 375-3405046
нет в наличии
Шток
Количество на схеме: 1
Информация
Шток
Количество
1
Модель
375
Группа
Управление рулевое
Подгруппа
Цилиндр силовой гидроусилителя
Порядковый номер детали
046
Артикул: 375-3405049
нет в наличии
Кольцо нажимное
Количество на схеме: 1
Информация
Кольцо нажимное
Количество
1
Модель
375
Группа
Управление рулевое
Подгруппа
Цилиндр силовой гидроусилителя
Порядковый номер детали
049
Артикул: 375-3405050
нет в наличии
Кольцо нажимное в сборе
Количество на схеме: 1
Информация
Кольцо нажимное в сборе
Количество
1
Примечание
2
Модель
375
Группа
Управление рулевое
Подгруппа
Цилиндр силовой гидроусилителя
Порядковый номер детали
050
Артикул: 375-3405051
в наличии
Муфта штока защитная
Количество на схеме: 1
Информация
Муфта штока защитная
Количество
1
Модель
375
Группа
Управление рулевое
Подгруппа
Цилиндр силовой гидроусилителя
Порядковый номер детали
051
Муфта УРАЛ-375 штока ГУР защитная
Артикул: 375-3405051
Муфта УРАЛ-375 штока ГУР защитная
Код для заказа: 00039608
Цена: 147 ₽/шт.
Под заказ
Муфта УРАЛ-375 штока ГУР защитная
Артикул: 375-3405051
Код для заказа: 00039608
Муфта УРАЛ-375 штока ГУР защитная
Цена: 147 ₽/шт.
Под заказ
Артикул: 375-3405060-10
нет в наличии
Наконечник штока в сборе
Количество на схеме: 1
Информация
Наконечник штока в сборе
Количество
1
Примечание
2
Модель
375
Группа
Управление рулевое
Подгруппа
Цилиндр силовой гидроусилителя
Порядковый номер детали
060
Дополнительно
Не взаимозаменяема с деталью, выпущенной ранее под этим же номером
Артикул: 375-3405061
нет в наличии
Наконечник штока
Количество на схеме: 1
Информация
Наконечник штока
Количество
1
Модель
375
Группа
Управление рулевое
Подгруппа
Цилиндр силовой гидроусилителя
Порядковый номер детали
061
Артикул: 375-3405075
нет в наличии
Наконечник цилиндра гидроусилителя с шаровым пальцем и крышкой в сборе
Количество на схеме: 1
Информация
Наконечник цилиндра гидроусилителя с шаровым пальцем и крышкой в сборе
Количество
1
Примечание
2
Модель
375
Группа
Управление рулевое
Подгруппа
Цилиндр силовой гидроусилителя
Порядковый номер детали
075
Артикул: 375-3405080-61
нет в наличии
Наконечник
Количество на схеме: 1
Информация
Наконечник
Количество
1
Модель
375
Группа
Управление рулевое
Подгруппа
Цилиндр силовой гидроусилителя
Порядковый номер детали
080
Дополнительно
Не взаимозаменяема с деталью, выпущенной ранее под этим же номером
Артикул: 375-3405081
нет в наличии
Гайка
Количество на схеме: 1
Информация
Гайка
Количество
1
Модель
375
Группа
Управление рулевое
Подгруппа
Цилиндр силовой гидроусилителя
Порядковый номер детали
081
Артикул: 375-3405084
в наличии
Кольцо наконечника уплотнительное
Количество на схеме: 1
Информация
Кольцо наконечника уплотнительное
Количество
1
Модель
375
Группа
Управление рулевое
Подгруппа
Цилиндр силовой гидроусилителя
Порядковый номер детали
084
Кольцо УРАЛ ГУРА уплотнительное ПФ АМТ
Артикул: 375-3405084
Кольцо УРАЛ ГУРА уплотнительное ПФ АМТ
Код для заказа: 00033935
Цена: 38 ₽/шт.
Под заказ
Кольцо УРАЛ ГУРА уплотнительное ПФ АМТ
Артикул: 375-3405084
Код для заказа: 00033935
Кольцо УРАЛ ГУРА уплотнительное ПФ АМТ
Цена: 38 ₽/шт.
Под заказ
Артикул: 375-3405603-Б
нет в наличии
Штуцер
Количество на схеме: 2
Информация
Штуцер
Количество
2
Модель
375
Группа
Управление рулевое
Подгруппа
Цилиндр силовой гидроусилителя
Порядковый номер детали
603
  • Грузовые автомобили
  • Автобусы
  • Сельхозтехника
  • Спецтехника
  • Двигатели
Получить оптовый прайс-лист
Скачать прайс-лист от 07.05.2026 16:00
Специальное предложение от 07.05.2026 17:00
Производители:


  • WEICHAI
  • Автодизель ПАО (ЯМЗ)
  • Тутаевский МЗ
  • ЯЗДА
  • УралАЗ
  • МАЗ
  • АЗПИ
  • BOSCH
  • ММЗ
  • ШААЗ
  • FEDERAL MOGUL
  • ПРАМО
  • Мотордеталь
  • ТАИМ
  • АвтоКрАЗ
  • БЕЛКАРД
  • CZ Strakonice
  • КамАЗ
  • БЗА
  • ЧМЗ
  • BMZ
Новости
Все новости
25 марта 2024
Флагманский седельный тягач «Валдай 45» на выставке «TransRussia»
10 марта 2024
Современные автобусы «CITYMAX 9» и ЛиАЗ-5292 CNG
25 февраля 2024
Серийное производство средних дизельных двигателей повышенной мощности от ЯМЗ
Статьи
Все статьи
Датчики двигателя: за что они отвечают, признаки неисправности и как не прогадать с выбором
Двигатели ЯМЗ-534: история, технические характеристики и области применения
Двигатели ЯМЗ 650: углублённый технический обзор и история
Компания
О компании
Реквизиты
Новости
Политика
Магазины
Информация
Условия оплаты
Условия доставки
Гарантия на товар
Обмен и возврат товара
Помощь
Как оформить заказ
Полезные статьи
Бренды
Пункты выдачи
Оставайтесь на связи
  • Вконтакте
  • YouTube
  • Одноклассники
  • Google Plus
Увидели ошибку?
Выделите, нажав Ctrl + Enter
Наши контакты
8-800-700-35-68
sales@din76.ru
г. Ярославль, Ленинградский пр-т 33, ТЦ "ОМЕГА"
2026 © ООО «Динамика 76» - Все права защищены ООО "Динамика 76"
Предложения на сайте не являются публичной офертой.
На сайте обнаружена ошибка

Текст с ошибкой